avagy hogyan tehetjük sokoldalúbbá kb. "két gombóc fagyi áráért"
A DSO 138 egy amatőrök, tanulók számára kifejlesztett, olcsó digitális oszcilloszkóp. Az olcsóságnak ára van: KIT-ként kapható, magunknak kell összerakni, és a legfontosabb jellemzője az analóg sávszélessége mindössze 200 kHz, 1 MHz-es, maximális mintavételi sebességgel párosítva. Akit ez nem riasztott el, a következő táblázatban megtekintheti a szkóp többi paraméterét is:

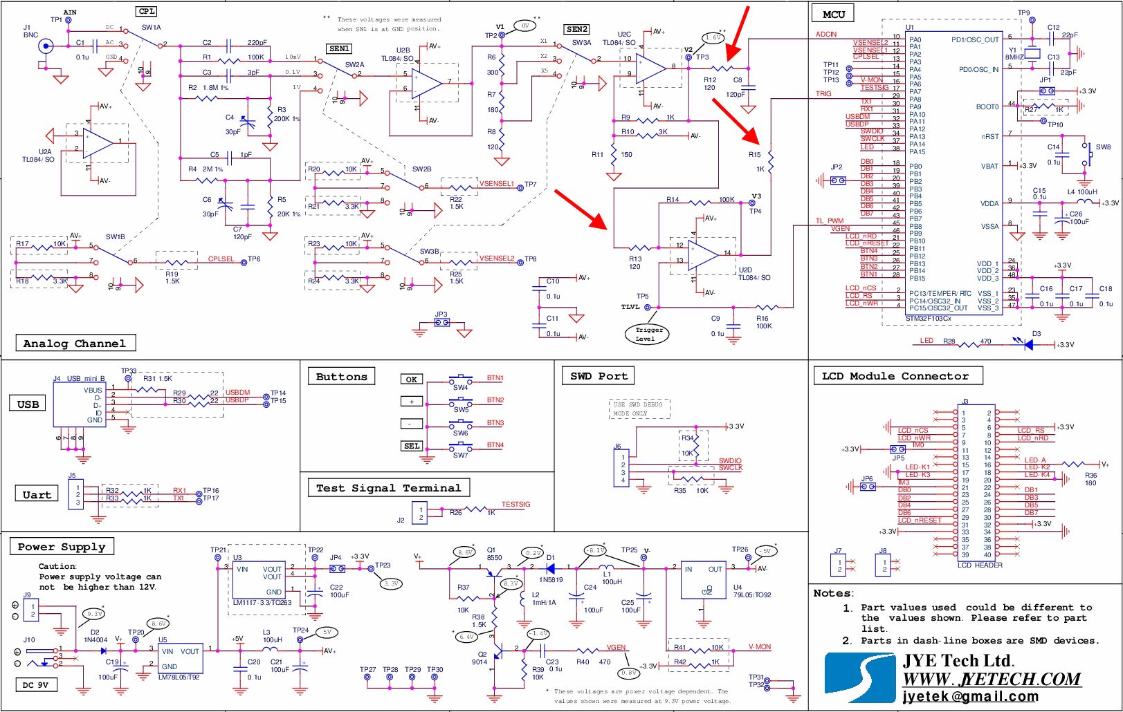
Eredeti formájában egy bemenete van, trigger jelet is csak innen tud fogadni. Emiatt minden mérendő jelet csak önmagában lehet vizsgálni, arról nem lehet kideríteni semmit, hogy esetleg vele párhuzamosan jelenlévő, más jelekkel milyen időbeli kapcsolatban áll. Szerencsére az oszcilloszkóp gyártója a teljes dokumentációját nyilvánosságra hozta, beleértve a kapcsolási rajzot és a rajta futó program forráskódját is. Az ikonra kattintva a kapcsolási rajzból látszik, hogy a trigger impulzust hardveresen generálja egy komparátorként használt műveleti erősítő segítségével (U2D), amelynek a nem invertáló bemenetére érkezik a bemeneti osztóról - R13-on keresztül - a vizsgálandó jel, az invertáló bemenete pedig a mikrokontroller által PWM-mel generált összehasonlító feszültséget kapja. A végeredmény egy logikai kimenet lesz, amelynek a változására kezdődik a mintavételezés.
A kiegészítő áramkörnek két bemenete van. Egy analóg bemenet, amely egész egyszerűen lemásolja a szkóp bemeneti osztóját a J1 (BNC) és az R12 között, hogy mindenben azonosan viselkedjen vele. A másik bemenet egy digitális bemenet, amivel közvetlenül a szkóp mikrokontrolleréhez (továbbiakban μC) csatlakozhatunk, kihagyva az analóg komparátort. Itt egy optocsatoló galvanikus leválasztást is biztosít. A szkóp eredeti kapcsolásában nem tetszett, hogy a trigger műveleti erősítőjének kimenete mindössze egy ellenállással kapcsolódott a μC I/O portjára, mert így üzemszerűen negatív feszültséget köt rá, ami szerintem nem túl elegáns megoldás. Ezt kiegészítettem egy Schottky-diódával, amelyen keresztül a logikai magas szintet kapja meg a μC, és egy GND-re kötött ellenállással, ami pedig a logikai alacsony szintet biztosítja. Egymástól függetlenül választható, hogy a szkóp a belső, vagy külső bemenetre adott jelek közül melyiket mutassa meg, és melyiket kapcsolja a triggerre. Külön kapcsolóval választható, hogy az analóg bemenetek valamelyikéről, vagy a digitális bemenetről fogadja-e a triggert.
A cikk még nem ért véget, lapozz!
Értékeléshez bejelentkezés szükséges!