Fórum témák
» Több friss téma |
Üdv ,mindenkinek. Hegesztőgépre akarok impulzusszámlálót rakni,ami számolja hogy hányszor nyomom meg a hegesztőpisztoly nyomógombját. Vettem egy elektromágneses impulzusszámlálót,12V-os. Úgy gondoltam,az előtoló motorról kapna áramot,csak ha hosszan tartom nyomva a gombot(hosszabb hegesztéskor), nem fog e leégni a kis számláló. Arra gondoltam,hogy egy monostabil multivibrátorral kiegésziteném,ami csak egy pillanatra ad impulzust a számlálónak. Valakinek van ötlete esetleg,vagy javaslata,hogy lehetne egyszerűen,megbizhatóan megcsinálni?
Hello! Bár ez nem astabil feladat, inkább bistabil. De néhány alkatrésszel egy Fet-el megoldható. (A "relé", maga a számláló tekercse. A műszer rajta csak a szimuláció miatt van.)
A hozzászólás módosítva: Márc 27, 2017
Kérdezem, tudnátok-e olyan számítási képletet megadni, ahol az adott frekvenciához lehet az ellenállás és kondi értékeket megkeresni? (Az itteni segédprogrammal ez nagyon macerás)
Ha passzív RC szűrő törésponti frekvenciájára gondolsz, akkor ez a Te oldalad.
Hello! Ha 555-re gondolsz, akkor vagy az adatlap, vagy Pld. ez.
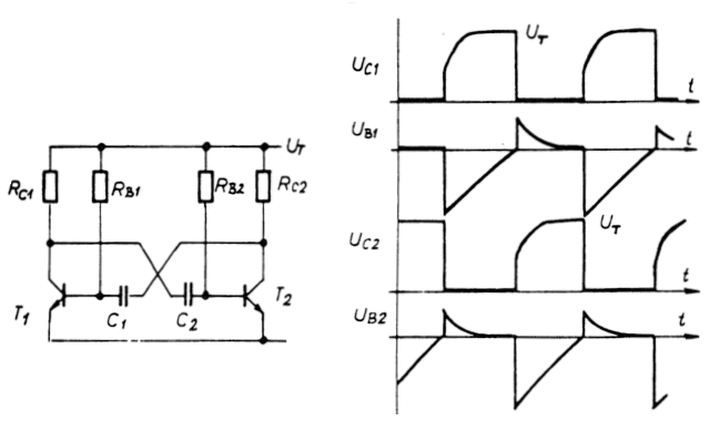
Ha tranzisztoros astabilra, akkor nem igazán fogsz találni, mert sok minden tudja befolyásolni. Tápfesz, béta, munkapont stb.
Ki lehet számolni, bár (mint fentebb láthattad) nem lesz atompontos -de megközelítőleg jó lesz az.
Ha szimmetrikus astabilról beszélünk, aminek a frekvenciáját úgy számolhatjuk (egyszerűsítve): 1÷(R1XC1X07X2) akkor az (egyszerűsített) képlet a frekvenciából számolásodra: 1÷frekvencia÷2÷0,7 Kaptál egy számot, amit ha elosztasz a rendelkezésedre álló ellenállás értékével, akkor megkapod a szükséges kondenzátor (körülbelüli) értékét. És fordítva is igaz, ha a rendelkezésedre álló kondenzátor értékével osztod a fentebb kiszámoltat, akkor megkapod a szükséges ellenállás (körülbelül) értékét. Farádban és ohmban számolj. Adok hozzá olvasnivalót, nem hosszú: Bővebben: Link |
Bejelentkezés
Hirdetés |







