Fórum témák
» Több friss téma |
Sziasztok.A cím nem biztos hogy találó ezért előre is bocs.Olyan kapcsolásra lenne szükségem ami ha megkap egy 12v-os feszültséget(a tápon kívűl)Akkor egy pillanatra meghúz egy relét kb 0.5s.Ha a 12v megszűnik akkor egy másik relé húz meg pillanatra.
Amihez kellene:egy videót alakítok át úgy,hogy kűlső jelre induljon el.Ha kap egy 12v-os jelet a mozgásérzékelőtől akkor a relé összezárja a felvétel kapcsoló lábait ha a 12v megszűnik akkor a másik relé a stop kapcsoló lábait zárja össze.Már régen alakítottam át videót így de már nem emlékszem,hogy milyen kapcsolással csináltam.A relé 0.5s időnél ne legyen tovább zárva. Remélem érthetően írtam le.
Nem lenne egyszerűbb ha a pause gombot indítgatod?
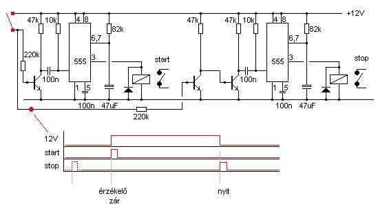
De lehet akkor a fej eszi el a szallagot mert ott forog rajta 1 helyben ?!Olyan 2 monostabil multivibrator kell neked amiből az egyik felfutó(12Volt megjelenik) másik lefutó(12 Volt folyamatosan van de megszünik) élre indul.
Szia Kera Will.Igen valami ilyennel csináltam meg annó de már nem tudom hogy milyen ic-t haszáltam és hogy időzítettem.
Próbáld ki...
A tápfesz bekapcsolásakor valszín ad egy stop-ot, de az nem érdekes. A többit az érzékelő vezérli.
Köszönöm ferci.Megépítem de szerintem így rajz alapján ez a megoldás kell nekem.
.Annó én 74XX és 40XX ic-kkől csináltam de ez egyszerrűbb lesz.Mégegyszer köszi.
Sziasztok!
Van egy elromlott ultrahangos párásítóm, aminek a LED-es részét még fel tudnám használni kerti tóban, persze megfelelő szigetelés mellett. Ezt úgy szeretném megoldani, hogy egy fotodiódával vezérelném, hogy sötétedéstől működjön. Ezzel nem is lenne gond, de a panel vezérlése úgy működik, hogy a mikrokapcsolója csak egyetlen impulzust ad és működésbe lépnek a ledek. Ha hosszan nyomom ezt a mikrokapcsolót, akkor nem történik semmi. Egy olyan egyszerű kapcsolásra lenne szükségem, amivel a mikrokapcsoló impulzusát helyettesíteném sötétedéskor emberi beavatkozás nélkül a fotodióda segítségével. Légyszíves segítsetek ennek a megoldásában. Tuti, hogy szögegyszerű, csak már olyan rég foglalkoztam ilyesmivel, hogy teljesen kikopott. ![]() Köszönöm szépen!
Se kép, se típus...!?
Nekem van egy szatyornyival ezekből... De az az egy nyomógomb nem csak ON/OFF funkcióval bír, hanem a további nyomogátásra még váltja a színeket...
Úgy voltam vele, hogy nem szükséges se kép, se típus, hisz csak egy mikrokapcsolót kell imitálni, tehát nem egy ipari feszültséges eszközt kell kapcsolgatni egy fotodiódával. Igen több funkciós, ahogy írod, de nekem nem kell a többi funkciója. Egy jelet küldjön ki egy áramkör (a lehető legegyszerűbb kapcsolású), akkor amikor a fotodióda átvezet és kalap-kabát.
![]() Típust nem tudok mondani, anno asszony rendelte, tök nem figyeltem, hogy miféle.
Az átmeneti időszakban előfordulhat egy kis prell. A szituáció nem korlátozódik a ki-be kapcsolásra.
Szia! Valami ilyesmire gondoltál? (V1, R6 csak a sötétedés-világosodás szimulációhoz kellett.) Fotó-ellenállás az R1 vagy R3 helyére kell.
A hozzászólásom második felét válasz nélkül hagytad!
Pedig fontos lenne tudni, hogy a kapcsoló hogyan működik (hányszor kell megnyomni/melyik funkcióhoz), az enyémeknek a LEDjei csak csak X-dik (7-9) impulzusra kapcsolnak ki! Meg az sem tiszta, hogy melyik módba működtetnéd a 3 RGB LEDet...csak feltételezem, hogy a "színváltó" módba. A kérdés, hogy következő gombnyomásra mi történik? Ha kikapcsolnak a ledek, akkor nem szóltam. Persze, ha megszakítod a 12V-os tápot, akkor "kihúnynak"... A "12V" is kérdésed, mert a vezérlő chip valószínűleg 5V-os...vagy nem? (3,3V?) A hozzászólás módosítva: Júl 10, 2021
|
Bejelentkezés
Hirdetés |




?!
.Annó én 74XX és 40XX ic-kkől csináltam de ez egyszerrűbb lesz.Mégegyszer köszi. 




