Fórum témák
» Több friss téma |
Sziasztok!
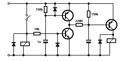
Van két 12 V-os mágnesszelepem, amiket egy kapcsolóról működtetek, de az egyik kikapcsolását 1 perccel késlelteteni akarom. Mekkora legyen R5, R7, R8 értéke, hogy az áramkör működjön? A mágnesszelepek ohmikus ellenállását vettem csak figyelembe, induktivitását elhanyagoltam. RC tagként a 2,7k-s ellenás + 1M-s trimmer és a 220µF kondi szolgál. Az ármakör megépítve jelenleg nem működik.
Sziasztok!
Előre is köszönöm ha valakinek lenne hozzászólása, ami közelebb vinne a megoldáshoz. Sajnos az Electronics Workbench 5.12-vel szimulálva nem jutottam eredményre, mondjuk nem igazán tudom ezt a progit használni. Valaki esetleg meg tudja próbálni valami más progival?
Hello. Szerintem egy 555 IC-vel építs egy monostabil időzítőt 1 percre. Ennek a kimenetére is tudsz tranzisztort tenni hogy kapcsolja a mágnesszelepet.
Az első szelepet direktben kapcsolgatod, a másodiknál pedig a kapcsoló indítaná az 555-t, ami 1 perc után lekapcsol. Nem tud mennyire lényeges hogy pontosan 1 perc legyen.
Köszönöm a hozzászólást.
A kapcsoló bekapcsolt állapotában mindkét szelepnek nyitva kell lennie, a kikapcsolást követően a 2. szelepnek még tovább nyitva kell lennie kb. 1 percig. Nem zavarja az 555-t, ha a bemenetére esetleg kikapcsoláskor az 1. szelep tekercse egy feszültség tüskét generál? A jelenlegi kapcsolásban ezt próbáltam kivédeni a ZPD 15-el. Sajnos nincs a közelben alkatrészbolt, ezért csináltam a jelenlegi kapcsolást az otthoni elfekvő alkatrészeimből. A jelenlegit nem lehetne valahogy életre kelteni? Ha semmiképpen sem megy a jelenlegi, akkor megépítem NE 555-el.
Hali!
Amíg 100 Megás(?) ellenállás van a BD 244 báziskörében,addig nem fog működni.Cseréld jóval kisebbre,kezdd 10k-val.Nekem egyébként kicsit túlbonyolítottnak tűnik a kapcsolás. Életre lehet kelteni kis átalakítással,de ha érdekel van egyszerű rajzom 555-tel is. Üdv.
Hello!
A +12V és a BC182 collectora közötti 100M-s ellenállást nem építettem be, jelenleg szakadás. A BC182 collectora és a BD 244 bázisa közötti 1 ohm jelenleg egy rövidzár átkötés. Melyiket kellene megváltoztatnom? Érdelkel az 555-höz a kapcsolás, mert ha nem sikerül a jelenlegi, akkor újat fogok építeni, ha alkatrészbolt közelébe jutok. Kössz szépen.
Hali!
R7 helyére tégy egy 1-10k-s ellenállást,az 1k-s ellenállást helyettesítsd az 1Megás potival,a 2,7k-s ellenállást és a potit illetve a zénert vedd ki.R5 és a BC182 bázisa közé kellene egy 5-10Voltos zéner,anódja a bázis fele nézzen.A 4148-as diódát rövidzárral helyettesítsd,és a mágnesszelepekkel párhuzamosan köss be egy-egy diódát (1N4001-4004 jó)katód a pozitív fele nézzen.(tehát a kollektor illetve a kapcsoló felé.)R5 értékét csökkentsd 1k-ra.Kicsit játszani kell az alkatrész értékekkel,hogy beálljon az 1 perces időzítés. Itt az 555-össel a rajz,kicsit ezen is módosítani kell. http://www.hobbielektronika.hu/forum/files/ecc0748dfefdc6b86dc7d31b...98.jpg Üdv.
Kössz.
Erre gondoltál? (csatoltam az új változatot). R8 rövidzárat töröltem az ábrából. 555-el a kapcsolást még nem volt időm áttanulmányozni.
Lemaradt egy változtatás, csatolom mégegyszer az aktuálisat.
Igen,de mint mondtam,az alkatrészek értékének változtatásával be kell állítani az időzítést.A BC182 akkor nyit,amikor a kondenzátoron a feszültség eléri a zener dióda feszültségét+0,6 Voltot.Lehet hogy a 10 voltos zener nagy lesz,próbáld először kisebbel!R7-et is valószínűleg csökkenteni kell.
Sok sikert! üdv!
Kössz az infót!
Azért tettem ZPD10-et, mert az van itthon. Valószínűleg tényleg magas a 10,6V, nagyon gyorsan eléri a kondi 1M-s potin kisütve 12V-ról indulva. Ellenállásaim, kondijaim vannak itthon, tudom varálni, azzal nincs gond, zener-em nincs kisebb. Üdv!
Ezzel a kapcsolással épeszű méretű kondival nem lehet egy percet késleltetni! A PNP taranyó bázisába helyezett kondi azt az előnyt kínálja, hogy csaknem tápfeszig kell töltődnie ahhoz, hogy a BD lezárjon. Biztos működést eredményez, azonban egy kis hűtés kell a lassú lezárás miatt. Ha kisebb kondival akarod megoldani, akkor darlington kell a BD helyére, akkor 1Megáig növelhető a töltő ellenállás (ami egyben a kapcsolótranyó lezáróellenállása is)
Én ezt javaslom megépítésre.
Válasz Mate78-nak:
Elgondolkodtam a kapcsoláson és az jutott eszem, hogy bekapcsoláskor a 2. mágnesszelep csak késletetve fog bekapcsolni, hiszen a kondi az 1 megás potenciométeren keresztül töltődik. Mi lenne ha betennék egy diódát (pl 1N4148-at) párhuzamosan a potival, katóddal a kapcsoló felé?
Válasz Sebi-nek:
Kössz szépen a kapcsolást. Azt az egy problémát látom, hogy ha a kapcsoló ki van kapcsolva és az áramkör megkapja a +12V tápfeszültséget, akkor a 2. mágnesszelep be fog kapcsolni arra az időre, amíg a BD bázisára kötött kondi feltöltődik. Ezt hogyan lehetne kiküszöbölni?
Ebben igazad van. A kapcsolót kösd egyszerűen a táppal sorosan, a helyét zárt rövidre.
Átalakítottam a meglévőt a kesleteto_uj.jpg szerint,
1N4001-et párhuzamosan kötve a potenciometerrel, és ZPD 10-zel (mert csak az volt). Működött, kb 2 másodpercet késletetett kikapcsoláskor. Mértem a kondenzátor feszültségét is, kb 15 másodperc alatt csökkent 0-ra. Ezek szerint kéne vagy 4700µF-os kondi bele a 60 másodperchez.
Ez nem igazán megoldás, mert ha sorosan kötöm a kapcsolót a táppal, akkor a kikapcsolás után honnan fog 12V-ot kapni még 60s-ig a 2. mágnesszelep?
Vagy félreértettem a javaslatodat?
Csináld meg 555-el.
Egyszerűbb, stabilabb. Alkatrész egyszerűen beszerezhető a HQVideo-tól, nagyon jó áron postán keresztül. (ennyit az alkatrészek beszerzéséről)
Nem értetted félre, hülyeséget írtam
.Egy járulékos rövid időzítővel kell neki egy "reset", ha így már tetszik, kipróbálhatod.
Szia Zoli. Nekem is van Electronics Workbench-em, de XP alatt nem látszódnak az alkatrészek. Lehet, hogy régi verziójú??? Neked XP alatt, vagy Win98 alatt fut? Elég jó progi pedig...
Udv sracok!
Mielott uj topic-ot inditottam volna, szetneztem, hatha valaki szenved mar ezzel a problemaval, es voila, megvan... Tehat, nekem is van egy ilyen bajom: 230V-rol mukodo ventillatort akarok kesleltetve kikapcsolni, a kesleltetes ideje allithato kell legyen mondjuk 0.5 es 2 perc kozott. Ez a forumbeli kapcsolas igeretesnek tunik: http://www.hobbielektronika.hu/forum/files/ecc0748dfefdc6b86dc7d31b...98.jpg Itt R4, R5, C3 alkatreszeket kell valtoztatni, hogy elerjem a kivant kesleltetest?
R4, C3 elég, de nem muszáj mindkettőt... kb. az R*C*0,7 szorzat adja ki az időt.
Az R1-et viszont lecsökkentheted 2k2-re. R3 lehet 10-22 k, hogy ne legyen túl érzékeny esetleges zavarokra.
sziasztok!
abban kérném a segítségeteket, hogy hol lehet a neten rendelni 12voltos mágnesszelepet, 3/4"-os csatlakozással? vagy esetleg olyan 230voltost, amit át lehet tekercseltetni? köszi
Vagy még itt, bár úgy látom, itt is nagyon lecsökkent a lap tartalma, régebben részletesen lehetett keresni.
Húha!12 V-ra nehéz lesz találni, mert általában 24V-tól indulnak a tekercsek, és 48-110-230 szabvány feszültségűek, AC-DC-re ,amik nem áttekercselhetőek mert beöntött típusúak. Legalábbis én mással még nem találkoztam. A gugli a mágnesszelep szóra rengeteg vásárlási helyet megad.
|
Bejelentkezés
Hirdetés |








.





