Fórum témák
» Több friss téma |
Halihó!
Szereztem 2db 300W-os toridot. Ha jól figyeltem szimetrikus és +20Voltot ad le egyen írányítva. Az lenne a kérdésem, hogy mennyire egészséges az teljesítmény erősítőnek ha sorba használom a 2 toroidot így +40-ot kapva és itt is igaz e, ha sorba kötöm akkor a teljesítménye is ebbe az esetbe 600W lenne.....?
megnéztem ismét jobban és lehetséges, hogy +-20 volt, és hogy ha nincs gond a sorba kötéssel akkor hogy lehetne sorba kötni a +- rész??
Előre is köszi
Hát mivel kiszúrtam, hogy ez igazából +-20v egyenírányítva 300w toroid. Egy labortápból volt kiszedve és az írás szerint 16A maxot bír. Én ebből 600W ot szeretnék +-40ra. Gondolom, ha sorba kötöm akkor működik így, de mivel nem vagyok nagy szakértője a véleményeteket kérném, hogy +- hogy lehet sorba kötni...
Hát valami Móricka rajz nem ártott volna.
De mi itt a gond? Az egyik +-20V, az ugye 40V és ez lehet a +40V. A másik +-20V, az megint 40V és ez lehet a -40V üdv! proli007
Szia!
Lehet. Megcsinálhatod, hogy külön-külön egyenirányítás után kötöd össze az egyik pozitívját a másik negatívjával, vagy azt is, hogy egyenirányítás előtt, a két szekundert kötöd sorosan, a primereket párhuzamosan, de ezesetben figyelni kell a fázishelyességre. Összekötöd egy módon, ha megvan a rendes kimeneti fesz, akkor jó lesz, ha jóval alacsonyabb mint vártad, akkor az egyik szekunder két kivezetését fordítsd meg.
Jól mondod, nem kell ezt bonyolitani.
Csá!
Szerintem így csináld! Így működni fog!
Elvileg így kellene csinálni, így használhatók ki legjobban a trafók.
Hát így nézem a Rajzodat Pafi de nem nagyon értem azt a 4 kivezetést a trafóból, hogy melyik vezeték melyik.
Én így gondoltam az egészet::
Hát így ne gondold, mert ebből semmi jó nem lesz! Először is egy trafóból soha nem jön ki egyenfeszültség, tehát eleve nincs plusz és minusz. Másodszor, ha így kötöd be, az zárlat.
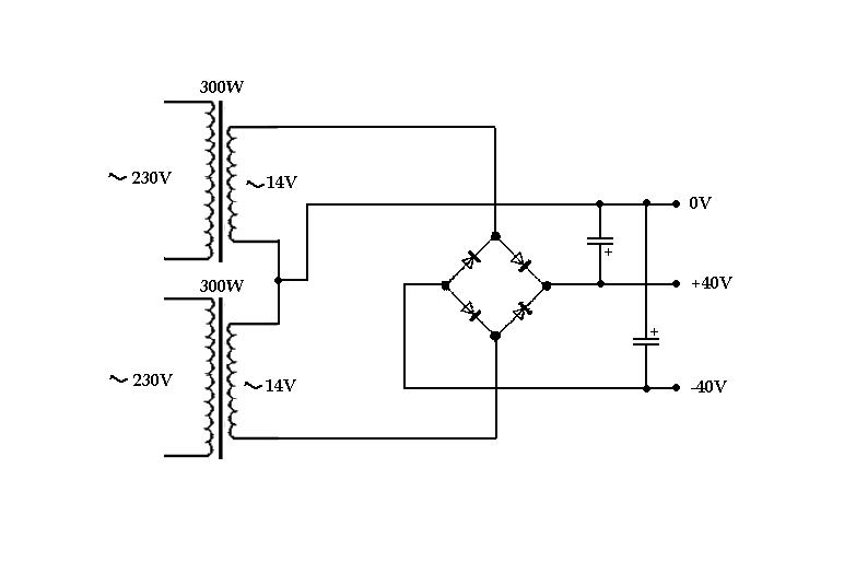
Ha a trafódból kijön három szekunder vezeték, akkor abból az egyik belül két vezetéket rejt összekötve. Azt szét kell bontani, és akkor már 2*2 vezeték jön ki, amit beköthetsz a rajzom szerint.
Hát én azt úgy írtam, hogy egyenirányítás után van már nem úgy hogy egyből a trafóból jön ki....De akkor jolvan megkeresem a vezetéket rajta és 4re szedem és akkor az eredmény +-40W lesz 600w teljesítménnyel
![]() Köszönöm az eddigi válaszokat.
Hát ha már rajta vannak az egyenirányítók, akkor egyszerűen sorba kell kötni őket, és kész. De jobb eredményt ad az, amit én rajzoltam, csak kicsit bonyolultabb kitotózni, hogy melyik vezetéket hová.
Megpróbálom megcsinálni amit mutattál, de érdekelne, hogy ez így mivel lenne jobb. A terhetelhetőség, vagy milyen értelemben??
Ha mindenképpen külön akarod egyenirányítani, akkor így csináld. (csatolom). De megspórolhatsz egy graetz hidat, és kisebb veszteséget érsz el, ha a trafókból kijövő váltófeszeket kapcsolod sorba.
Igen, a terhelhetőség valamivel nagyobb lenne aszimmetrikus terhelés (tehát amikor csak az egyik feszültséget terheled, vagy mindkettőt, de nem egyszerre, hanem felváltva) esetén (300 VA helyett kb. 400 VA), és a graetz feleannyi hőt termelne.
Forsat!
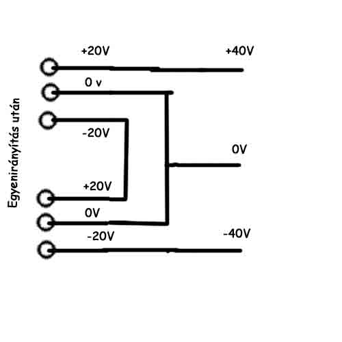
Ha mégsem tudnád szétszedni a középmegcsapolást, akkor a következő módon szinte azonos eredményre jutsz. (Persze, ha a terhelés szimmetrikus, de egy erősítőnél közel az.) Rajz üdv! proli007
Hát azért kis frekin én nem mondanám szimmetrikusnak a terhelést. Simán kialakulhat DC komponens is a szekunderen, és az ugye egy trafónál nem túl egészséges. Persze nem tragédia, de azért...
Na mindegy, ha nem sikerül úgy bekötni, akkor nem nagyon lehet válogatni. Valószínűleg úgysem lesznek kihasználva a trafók. |
Bejelentkezés
Hirdetés |









