Fórum témák
» Több friss téma |
Sracok, szuksegem lenne egy 4-20 mA konverter kapcsolasi rajzra (egyszeru valami) amivel egy szint erzekelot tudnak vezerelni.
Ezt ugy kepzeltem el, hogy egyszeruen az erzekelo helyere illesztenem a konvertert amivel aztan be alittom magamnak a kivant erteket. Email: edgar18@freemail.hu
4-20mA konverter? Ez mit jelent?? 4-ből 20mA vagy 4-20mA-ig állíthatóság?
hát ez kicsit kevés infó....többre lenne szükség!
smúgy szerintem változni fog a konverter kimenete is ha a szint változik? amúgy milyen szint? feszültség szint?
A 4-20mA-os átvitel azt jelenti,hogy az érzékelő által kiadott jel 4és 20mA közötti értékeket vesz fel.Tehát az érzékelt jel áramformában továbbítódik.
Ez azért előnyös.mert az áthidalható távolság nagy,mivel nem számít a feszültségesés,mivel áramjel van.Egyébként létezik 0-20mA-os is.
Ezt ugy kepzeltem el, hogy egyszeruen az erzekelo helyere illesztenem a konvertert amivel aztan be alittom magamnak a kivant erteket.
Ezt úgy értelmezem, hogy egy 4-20mA-es távadó helyett Te akarod vezérelni annak fogadóegységét. Ebben az esetben Neked egy pontos 4-20mA-ig állítható áramgenerátorra van szükséged. Tkp egy áramkorlátos táppal is megoldható, hohy beállítod mondjuk 25mA-re az áramkorlátot, hogy védve legyen a fogydóegységed, a kimenettel sorbakötsz egy milliampermérőt és a fesszel tudod állítani az áramot a műszer alapján.
Koszi a valaszokat. Lenyegeben arol van szo, hogy van egy szinterzekelom (Nivelco )aminek a bemenete 4-20 mA kovetel.
Ezt a szintet egy erzekelotol kapja. Mivel javitas alatt van a keszulek (a tapja kiment) ezert en szeretnem, hogy az asztalon tudjam szimmulalni a bemeneti jelt(ha beindul). Tehat be tudjam alittani peldaul 50 %-os szintet vagy mas erteket (egy viztartaly szinterzekelojerol van szo). Hirtelen egy kicsit megzavart a 4-20 mA mert nem foglalkoztam automatikaval. A lenyeg az lenne ,hogy egy egyszeru kapcsolas amely egy adott taprol a kimeneten bealitja a kivant aramot egy potmeter segitsegevel amit a sziterzekelo mind egy valos jelt erzekeljen.
Kétvezetékes jeladó szimulálására egy pl:100ohm-os helitrimmer nemfelelne meg?
(Helitrimmer = többfordulatú finombeállítású trimmerpotenciométer) A pontops ellenállásértékhez kellene a műszerböl kijövő fesz értéke. Vagy három vezetékes a jeladód?
Szia Edgár !
A RT pár évvel ezelőt leközölt egy 4-20mA-s jeladó kapcsolást. Megépítettem szuper ezt haználom és bevált .Van LCD-s kijelző a beállítás detektálására .Ha kell elküldöm az infót.:yes: Szasz Stefy
Szia Stefy.
Legyszives kuld el a kapcsolasi rajzot a cimemre. Koszi.
Üdvözlet emberek. Egy szelep teszteléséhez lenne nekem szükségem egy ilyen 4-20 mA-es jeladóra. A kapcsolást nem tudnátok esetleg felrakni ide az oldalra, vagy elküldeni az email címemre.
A segítségetek előre is köszönöm. Üdv.
Nagyon jól írtad, annyit tennék hozzá, hogy azért indul 4 mA-ről, hogy aktív legyen a "0" pont, az-az ha "0" mA (fesz bemenetnél "0"V) a bemenőjele, akkor 4mA kimenőjele van.
Vonalszakadás, vagy zárlat esetén könnyű kiszűrni a hibát, hiszen "0" mA jel nem lehet, az hibás jel. :yes:
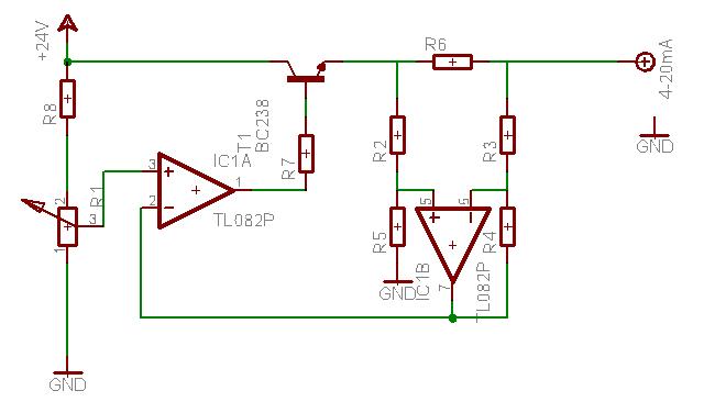
Üdv emberek!
Gyorsan lerajzoltam egy áramgenerátort amit szeretnék megcsinálni. A kérdésem az lenne, hogy ezek a 4-20mA-es bemebetek védettek a fordított polaritással szemben? Nem szeretném, hogy ha rákötöm ezt a kis kapcsolást, akkor elszálljon az egész. Bár ezeknél az ipari eszközöknél szerintem gondoltak erre, de nem akarom tönkreteni a cuccot .
Esetleg valakinek nincs infója ezekről a 4-20mA-es be, illetve kimenetekről? Sematikus rajz, vagy kapcsirajz esetleg?
Elméletileg te magad is tudod védeni, egy soros diódával. Én amivel eddig találkoztam az iparban, azoknak nem okozott gondot a fordított polaritás.
Gyanítom, hogy már az elmúlt 10 évben megtalálta a választ
|
Bejelentkezés
Hirdetés |




:yes:
. 
Igazad van! 