OK
Mégsem
Hobbivasút
|
HESTORE
|
Kislexikon
Hírek
Cikkek
Fórum
OK
Hírek
Cikkek
Fórum
Lexikon
Segédprogramok
Apróhirdetés
Fórum témák
[OFF] Pihenő pákások témája
- Elektronika, és politikamentes topik
Elektronikában kezdők kérdései
NYÁK-lap készítés kérdések
Ki mit épített?
PIC kezdőknek
Ez milyen alkatrész-készülék?
AVR - Miértek hogyanok
ARM - Miértek hogyanok
•
Gázlézer, házilag
•
Fejhallgató erősítő
•
Számítógép hiba, de mi a probléma?
•
135.6 kHz-es HGA22 vevő
•
WiFi / WLAN alapkérdések
•
Crystal radio - detektoros rádió
•
Elektromos kerekesszék vezérlése
•
Hegesztőgép
•
Földhurok, avagy mit csináljunk, mikor minden zúg
•
Erősítő mindig és mindig
•
Westen 240 Fi gázkazán hiba
•
Jókívánság
•
Villanyszerelés
•
Napelemes rendszer kérdés
•
Felajánlás, azaz ingyen elvihető
•
GPS Time Server
•
Gázkazán vezérlő hibák
•
Univerzális távirányító
•
Elfogadnám, ha ingyen elvihető
•
Mosógép vezérlők és általános problémáik
•
LCD TV probléma
•
Kombikazán működési hiba
•
DSP - Miértek, hogyanok
•
Hifi erősítők tervezése
•
Vag-com-hex interfész (kábel hibák)
•
DVB-S Műholdas digitális TV problémák
•
Elektromos fűtés autóba
•
RIAA korrektor
•
Wifi rádió
•
Villanymotor bekötése
•
Kapcsolóüzemű táp autóba Hi-Fi-hez
•
Villanypásztor
•
Távirányító
•
Oszcilloszkóp, avagy hogyan kell használni?
•
Multiméter problémák
•
Erősítőhöz való hangsugárzó védelem (koppanásgátló)
•
Kapcsolási rajzot keresek
•
Tina
•
Gigatron TTL számítógép
•
Rádió javítás
•
Autó-generátor nem tölt rendesen
•
Hegesztő inverter javítás
•
Skoda Octavia elektromos probléma
•
Inverter javítás
•
DVB-C (digitális kábeltévé) és annak készülékei
•
DC-DC konverter
•
Rádióamatőrök topikja
•
TV hiba, mi a megoldás?
•
BEAG erősítők
•
Érdekességek
•
Napelem alkalmazása a lakás energia ellátásában
•
Quad 405-ös erősítő tapasztalatok és hibák
•
V-FET és SIT erősítő kapcsolások
•
Biciklilámpa / bringalámpa
•
Kapcsolóüzemű tápegység
» Több friss téma
Fórum
Keresendő kifejezés
Keresés módja
Intelligens keresés
Hozzászólás keresés
Fájlmellékletben
Fájlmellékletben (képek)
Kategória
Minden kategória
Alapismeretek
Ellenállások
Kondenzátor
Áramforrások
Tekercsek
Kapcsolók
Érzékelők
Motorok
Műszerek
Egyéb
Analóg áramkörök
Erősítők
Szabályzók
Egyéb
Digitális áramkörök
Flip - Flop és tárolók
Kapuk
Vonali választók
Multiplexerek
Dekóderek
Demultiplexerek
Bufferek és meghajtók
Számlálók
Regiszterek
Aritmetikai áramkörök
Logikai áramkörök
Memóriák
Egyéb
Mikroprocesszorok
PIC
Memória / EEPROM
Memória / EPROM
Memória / RAM
Egyéb
AVR
STM32
STM8
Espressif, ESP
LPC
SAM
PIC32
ARM általános
Speciális
Csövek
A/D konverterek
Időzítők
Komparátorok
Egyéb
Technika
Audiotechnika
Fénytechnika
Vezérlés technika
RF technika
Méréstechnika
Keresés
Új téma nyitása
Lapozás:
1. - 50. elem
51. - 100. elem
101. - 150. elem
151. - 200. elem
201. - 250. elem
251. - 300. elem
301. - 350. elem
351. - 400. elem
401. - 450. elem
451. - 500. elem
501. - 550. elem
551. - 600. elem
601. - 650. elem
651. - 700. elem
701. - 750. elem
751. - 800. elem
801. - 850. elem
851. - 879. elem
OK
18 / 18
DSCF3874.JPG
DSCF3875.JPG
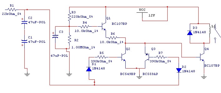
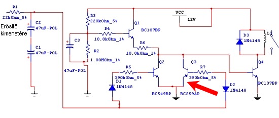
rajz.jpg
rossz.jpg
img_.jpg
IMG_0277.JPG
IMG_0278.JPG
névtelen.JPG
Védelem.JPG
NYÁK.GIF
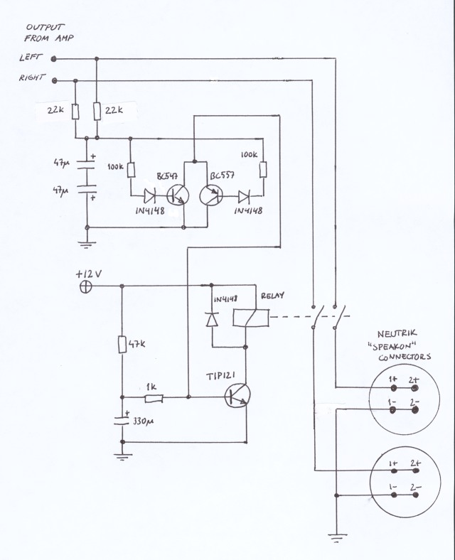
hangfalvéd...jpg
vedelem2.JPG
Kopp.GIF
netfilter_sc...gif
Névtelen222.jpg
vedelem.JPG
Névtelen.jpg
P1010034.JPG
protect.gif
n04.jpg
rajz.jpg
hangfalvéd...gif
400W_vegfok.jpg
400W_vegfok_...jpg
KESL1.gif
120W vedelme.jpg
tr.jpg
dcprot.jpg
rajz.jpg
Következő:
1. - 50. elem
51. - 100. elem
101. - 150. elem
151. - 200. elem
201. - 250. elem
251. - 300. elem
301. - 350. elem
351. - 400. elem
401. - 450. elem
451. - 500. elem
501. - 550. elem
551. - 600. elem
601. - 650. elem
651. - 700. elem
701. - 750. elem
751. - 800. elem
801. - 850. elem
851. - 879. elem
»»
18 / 18
Bejelentkezés
Felhasználónév
Jelszó
Jegyezz meg!
Belépés
» Elfelejtett jelszó
» Regisztráció
Hirdetés
A használat feltételei
•
Adatvédelem
•
GY.I.K., Használati útmutató és szabályok
•
Impresszum
•
Elosztó
•
Hiba jelentése
Az oldalon sütiket használunk a helyes működéshez. Bővebb információt az
adatvédelmi szabályzatban
olvashatsz.
Megértettem