Fórum témák
» Több friss téma |
Azért nyitottam ezt a témát, hátha fény derül egy két kérdésre airsoft témában, amire máshol esetleg nem tudnak válaszolni.
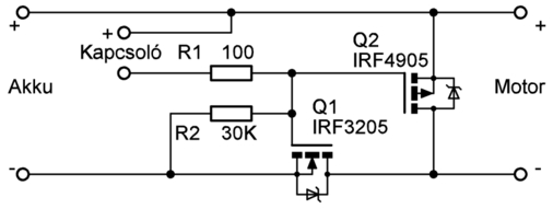
Épitettem egy Active Brake vezérlést a fegyverembe egy N-es (IRF3205) és egy P-s (IRL4905) FETből. A kapcsolási rajzotot mellékelem. A fegyvert egy 7.4V os 3000mAh-es 40C-s akksi hajtja. A következő problémákat kellene még megoldanom: Melegszenek a FET-ek, ez nem tudom miből adódhat, talán a kis feszültségtől nem nyitnak ki teljesen, de elvileg működnie kellene, sokaknak nincs vele problémája.
A másik probléma a motor kefeszikrázása a pillanatnyi polaritás váltástól a FET miatt. Ezt elvileg kondival kell megoldani, de hogy mekkora, hány db és hogy hova tegyem azt sajnos nem tudom. Valaki segithetne kitalálni mi lehet a probláma. Főként a melegedés zavar. 16AWG-s teflon vezeték van a fegyóban. Az ellenállásokon kellene esetleg módositani?
Szia!
Használj logikai gate-típusú FET-et, mert ezek a most meglévőek nagyobb gate-feszültségen nyitnak rendesen.
Tudnál rá példát mondani? Mert airsoft körökben csak ezeket javasolták. 1404, 3803, 3034, és most rendeltem egy elvileg jobbat IRLB3034 et, de probáltam már IRF1324 el is...
Amelyiknek a típusjelében "L" betű van, az ilyen "Logic Level Drive" fajtájú. Keresés. Érdemes a tápfeszültséghez mérten a legkisebb DS feszültségűt választani a kisebb bekapcsolási ellenállás miatt, mert ezzel csökken a FET melegedése.
Szia!
AB-FET kapcsoló lényege, hogy aktívan fékezi a motort, amikor elengeded az elsütő billentyűt. (ahogy a neve is mutatja Active Brake) Ezt a fékezést nem úgy hajtja végre, hogy kis időre fordított polaritású akkumulátort köt a motorra. Amikor elengeded az elsütő billentyűt a motor szabadon fut tovább. Ekkor lényegében egy generátor lesz belőle, aminek a kimenetét rövidre zárod a P csatornás FET-el. És ez a terhelés fékezi le gyorsabban a motort. Na most a szikrázás az sajnos ezzel a fékezéssel jár együtt. Ha kondit raksz a motorra, az nem nagyon segít, mert akkor a FET-nek még azt is ki kell sütnie, és lehet az egész fékezés lényege elveszik. (én amúgy csak sima FET-es kapcsolást használok) A FET melegedésének okát legjobban pár méréssel lehetne kideríteni. Lehetne tudni a kezdő és folyamatos terheléses áramot és hogy mennyire esik le az akku feszültsége menet közben. Az ellenállások... Nincs mit rajtuk méretezni. R2 (30K) a FET G. lábát húzza negatívra. A FET nem kapcsolna ki nélküle, mivel nem áram, hanem feszültség vezérelt. Arra kell, hogy "kisüsse" a FET-et. Itt nincs nagyfrekvenciás kapcsolás, tehát semennyire sem befolyásolja a működést a kisütés sebessége. Lehet akár 10K vagy 100K ellenállást is használni. R1 (100) egyfajta biztosíték lenne. Akár teljesen el is hagyható. Abban az esetben jön jól, ha mondjuk a FET elhalálozik, és teljesen összeég, azaz zárlatos lesz. Ha nem lenne R1 akkor könnyen rá tudnád kapcsolni a pozitív pólust a negatívra. Ha ott az R1 akkor, a max. 12V azon keresztül záródik. Ekkor a rajta árfolyó áram: I = U / R >> I = 12 / 100 I = 0,12A Ekkor a rajta árfolyó teljesítmény: P = U * I >> P = 12 * 0,12 P = 1,44W Általában max. 1/4 W-os ellenállást szoktak ide javasolni, ami rögtön szét is ég a terheléstől. Ez annyira nem lényeg, hisz a FET-el együtt cserélni kell úgy is. Vagy bele kell tenni egy 2W-os ellenállást és akkor max. melegedni fog.
Sziasztok! Erről az oldalról szeretném megépíteni az AB FET-et, itt a kapcsolása. 7,4V-os 1300-as LiPo aksival lesz meghajtva a kis gyári fegyver. A kapcsolón már van egy nagyon kicsi égés, mert az előző tulaj FET nélkül használta Li-Po-val.
Ebbe a kapcsolásba szeretnék beépíteni egy Li-Po őrt. Nem feltétlenül kell, hogy világítson, arra gondoltam, hogy a FET gate lába elé tennék be olyan diódát, aminek a nyitási feszültsége 6V, mivel az alá nem mehet a Li-Po aksi feszültsége. (Vagy 6,2V, azon már lehetne finomítani...) Nem tudom, hogy ez eddig mennyire lehetséges. Továbbá az kérdés lenne még számomra, hogy hogy oldom meg azt, hogy lövés közben - terhelés alatt - ne kapcsoljon le..? Esetleg valahogy kondival? Érdekel LED-es megoldás is, szerintem az sem bonyolult, csak jobb lenne, ha segítene valaki, ne csináljak hülyeséget... Köszi előre is! Vagy terheléssel nem mehet cellánként 6V alá? Mert akkor egyszerűbb dolgom lenne...
Mellékeltem egy kis szösszenetet amiben elég jól látható a motor pillanatnyi illetve folyamatos áramfelvétele. Sajnos ennek ellenére ez nem sokat segit nekem a probléma megoldásában. De remélem hogy amit most rendeltem FET IRLB3034 olyan hideg lesz mint az Orosz tél, és megoldja a problémát
Én nem úgy általában gondoltam.
Már végeztem jópár ilyen mérést, de az én fegyverem adatai nem fognak segíteni a te fegyvered hibafeltárásában. Én a te fegyvered paramétereire lennék kíváncsi.
Cellánként 6V kicsit sok lesz
![]() Én amúgy nem használok akkuőrt, az akku az előtt elveszti az erejét, hogy a cellák feszültsége kritikusan alacsony szintet érnének el. Azaz mikor húzod az eb-t tudni fogod mikor merült le az akku.
Sajnos azt meg nem nagyon tudom kivitelezni
Nincsenek meg a hozzá kellő műszerek, suliba meg nem igen örülnének a tanárok neki szerintem...
Igazad van, valóban elírtam. Cellánkénti 3V-ot akartam írni.
)Lehet, hogy elveszti az erejét, de az attól is függ, hogy milyen fegyód van nem? Lehet, hogy a tiédet már nem húzza fel, de az enyémet még igen. (Amúgy egy CA MP5 SD6 fullfém az alany.)
Nézz szét EtioP.A.C. oldalán, sokat lehet tanulni. Amúgy volt NiMh aksi kötve a FET-re? Az képes kivégezni... Utána melegszik.
Köszönöm a tippet, már végigtanulmányoztam korábban az oldalt, tényleg hasznos!
Nem, csak a LiPo akksimmal volt próbálva!
Nemrég szedtem ki a fegyveremből a FET-et. Valamiért nem úgy teljesített, mint ahogy kéne. M110-es rúgót FET-el nem bírta felhúzni, rámértem a motorra 8.4V 8A-t (nicd) vett fel. Miután kivettem a FET-et a rúgót felhúzta és 13A volt az áramfelvétel. LIPO akksival ugyan ez volt a helyzet, nem dolgozott megfelelően. Többen írták, hogy nem éri meg bele FET-et tenni, csak a gond van vele. A csapattagok LIPO akksival játszanak, mindenkinek a gyári tűzkapcsoló, eddig senki nem panaszkodott, hogy elégett volna a kapcsoló.
Emiatt a topik miatt regisztráltam. Ebben a hónapban 4 db szénné égett kapcsolót cseréltem AEG-ben. A FET nagyon is kell, főleg ha Lipo akkut használsz. Boltban 6-7 ezer körül dobálnak egy tűzkapcsolót. Azok a FET-ek, amiket az airsoft sztárszerelők bepakolnak a fegyókba, semmit nem érnek. Egy normál AEG motor 20A körüli árammal indul, induláskor egy normál 1200mAh-s akku kapocsfeszültsége a béka segge alá esik, ami számszerűsítve 3-4 voltot jelent egy 8 cellás akkunál. Na *, ebből jön a melegedés, mivel szerencsétlen FET nem képes nyitva maradni rendesen, és melegedik, valamikor el is pukkan. A 13A áram is azért lett csak 8A, mert a FET képtelen volt kinyitni. Ehhez jön még AB-Fetek esetén, hogy a kapcsoló, az nem is kapcsoló, hanem csak egy darab réz, amit LASSAN tolsz be az érintkezők közé, ezáltal prell jel keletkezik, ami gyors indítás fékezést produkál, és olyan szikrát a kommutátoron, hogy öröm azt nézni. Sokan nem veszik figyelembe, hogy ezek az apró motorok sok esetben elérik a 250Watt teljesítményt, egy gyufásdoboznyi helyen, 9,6 Volton. Az nem semmi áramokat produkál ám. Ezenkívül számomra ismeretlen elgondolásból valamelyik agyalágyult kitalálta, hogy a FET Gate vezérléséhez szükséges, feszültséges nem az akku kapcsairól veszi, mert akkor +1 db vezetéket át kell húzni a GB-n, hanem a motor mellől közvetlen, ami terheléskor messze a legalacsonyabb potenciál a rendszerben, a * 0,5mm2-es vezetékeken, amiken áttuszmákolnak 20A-t. Elvileg már a vezetéknek sem szabadna bírnia a terhelést, csakhát ugye a sok fém elviszi róla a meleget. Én rajzoltam egy fetet, már vagy másfél éve semmi baja, alap motorral rángatja a SYSTEMA M120-at a fegyómba, és nem pukkan el ha lemerül az akku. De az nem 2 ellenállás+2 fet, hanem annál sokkal bonyolultabb, és a sok sztárszerelő lefujjogta, mert akkor nem kell hetente fetet cserélniük. Egyébként meg az a véleményem, hogy aki nem ért az elektronikához az egy FEGYVERBE ne tegyen mókányolt cuccokat, mert ha bekekszel akkor frankón kilövöd vele valakinek a szemét. A sima FET is meg Az AB fet is rendelkezik ugyanis aazal a megnyugtató tulajdonsággal, hogy mobiltelefon közelségére elputtyant pár golyócskát, mert a kb 20 cm Gate vezeték tök frankó antenna. Aki érti amit írtam, az ezek után 1 db kondival és 1 db jó helyre kötött diódával ki tudja küszöbölni a kapcsolási bizonytalanságot, aki meg nem tudja mit beszéltem, az ne fetezzen be egy olyan fegyvert, ami képes komoly sérülést okozni, ha olyankor sül el, amikor a kiállón beszélgetsz, senkin nincs szemüveg, és neked megcsörren a mobilod.
A hozzászólás módosítva: Dec 2, 2012
-Konkrét mérésekkel alá tudnád támasztani az írásod?
-Prell jelenséget mérted is, vagy csak feltételezed? -Mérted már a vezetéken eső feszültséget? (csak mert igen jelentősnek írtad) -Sikerült már előidézned, hogy telefon hívásra működésbe jöjjön a fegyver? Nekem csak a két ellenállásos fet van, még sincsen vele gondom kb. 3 éve, pedig az én fegyverem nem 20A-el, hanem 73A-el indul. Amúgy örülök az írásodnak, mert érdekes dolgokat feszeget, amivel nem igazán foglalkozott senki se eddig. Csak mérések nélkül nem kéne kijelenteni semmit! A hozzászólás módosítva: Dec 2, 2012
Én úgy oldottam meg a melegedést hogy 2db irf1405 ös fetet párhuzamossan kötöttem
A hozzászólás módosítva: Aug 18, 2013
Sziasztok
Airsoft fegyvert kellene FET-esre megcsinálnom. Sok képet láttam, ahol IRF3205, ill IRF4905 párost használnak. Be is kötöttem, de a 3205 nagyon melegszik, 1-2mp után már szinte izzik. A 4905 nem tudom melegszik-e a fékezéstől, odáig nem jutottam. Itt írta vki, hogy IRLB3034-et rendelt. Rendelnék én is, de itt a HEstore-ban nincs. Mit rendeljek helyette, ami tuti jó? A 4905 helyett is kell másik? Köszi |
Bejelentkezés
Hirdetés |






Nincsenek meg a hozzá kellő műszerek, suliba meg nem igen örülnének a tanárok neki szerintem... 

