Fórum témák
» Több friss téma |
Sziasztok! Bocs, hogy belevaú, de -sztem- semmiképp sem jó megoldás ez a diódás "párhuzamosítás". Abban az esetben még rendben is lenne, ha a két aksipakk közel azonos állapotú lenne. Azonban mivel itt arról van szó, hogy a két pakk erősen eltér egymástól, ezért könnyen előfordulhat, hogy a két akkupakkra méretezett töltő (kétszeres töltőáram) nem egyenlőenfog megoszlani, hanem az a pakk fogja felvenni nagyobb vagy esetleg a töltő teljes max ármát, amelyik jobban merülve van. Ugy gondolom, a tapasztalat és a gyári adatlapok azt mutatják, hogy habár az akku oldalára a max pl 3,6 A initial current van irva,hosszabb távon nem egészséges az akkunak,pláne egy már halódófélben levőnek. Én úgy csinálnám, hogy továbbra is maradnék az egy akkupakk és kapacitás egytizede töltőáramnál és akkor nincsenek meglepetések. A két akkupakkot pedig egyzerüen átkapcsolnám mind töltésnél mind kisütésnél.
Továbbá a germánium és a szelénegyenorányítókat nem igazán "modern, 21.századi" megoldás használni. Vannak m már olyan schottky diódák melyek a közel 0V-os nyitófeszültséget is lazán teljesítik nagyobb áramok mellett is. Üdv! Imre
Üdv mindenki. Szeretnélek megkérni titeket: ha8lls és fater0827 ne marakodjatok inkáb egy sör mellet probáljátok meg meggyözní egymást a maga igazárol ne itt ide azért járunk hogy egymást segitve probáljunk boldogulni és hogy tanuljunk egymástol nem akarok bántani senkit távol álljon töllem, viszont a napokban feldobtam 1 kérdést és sajna efektiv megoldás még nem született viszont nagy szükségem lenne rá mert nem szeretnék semmit tönkretenni remélem nem bántok meg senkit irományommal pusztán csak ösztönözni szeretnék mindenkit a közös munkára.
A hozzászólás módosítva: Nov 15, 2012
Üdv Zoli az akú tipusok feljebb láthatoak és az akuk már megvannak csak össze kéne öket hozni tettem fel rajzot is az elképzelésemröl is viszont nem vagyok benne biztos meik a jobb megoldás megtennéd h megnézed és véleményt mondasz, esetleg észrevételeid közölnéd vagy csak tanácsot adnál ezzel kapcsolatban. A fekete a régi készlet a szürke viszont még vadi új. A lényeg h emberünk mind 2-őt a gépben akarná tudni és a kapcsolos megoldástól óckódik szerinted hogyan tovább?
Ha az eredeti töltőről tölti fel akkor sem lesz semmi gond, mindössze az lesz a hátránya, hogy tovább tart a töltés....
Üdv Zoli. Köszönöm válaszod és a rám fordított időt, esetleg ha ez a megoldás jó 1 töltővel akkor így is megoldható vagy erről mi a véleményed
Idézet: „Ha az eredeti töltőről tölti fel akkor sem lesz semmi gond, mindössze az lesz a hátránya, hogy tovább tart a töltés........” Vagy maradjon az át kapcsolós megoldás ha nem akarna másik töltőt vásárolni, vagy erre az esetre is lenne biztonságos megoldási javaslatod?![]() Válaszod előre is köszönöm!
Szia! Kösz a gyors választ. az lenne még a kérdésem hogy az nem baj ha ez egyik garnitúra akú már 1 1.5 éves és használt nem fogja bántani az új készletet
A töltési idő nemgond mert délután 5-töl reggel 8-ig lenne ideje tölteni
Értem ,de akor ez most hogy van ha 3x12V/12Ah van benne akkor mér modják hogy bele lehet tenni a 24Ah at is ez esetben is kel 1 másik töltő vagy hogy van ez most ha 2db 12V 12Ah-s akut párhuzamosan kötök az nem 12V 24Ah lesz vagy akkor ez most hogy van??
![]() ha a 2 pakkot párhuzamosan kötőm az ?V/?Ah.Bocs ha marhaságot kérdezek de ez most nem tiszta számomra.
Üdv Zoli. Be kötöttem a kapcsolós verziót, és most így megy mert emberünk nem kíván új töltött vásárolni montam neki valamit valamiér azt akarta olcsó legyen és egyszerű nos hirtelen ennél jobbat nem tudtam.
![]() Köszönök mindent. ![]()
Sziasztok!
Kezdő vagyok villamosság terén, egy egyszerű kérdésem lenne, remélem, tudtok segíteni rajtam! A garázskapu-nyitó rendszeren van 2db egyforma, 12V, 7AH-s akkumulátor párhuzamosan kötve. A házat ezzel a rendszerrel vettem pár éve, de akksiról nem működött sohasem. A kérdésem az, hogy ráköthetem-e egy autós töltöre ezt a két párhuzamosan kötött akksit? Mintha az rémlene, hogy egy "min. 15AH" felirat lenne a töltőn. Ez még belefér? ![]() Előre is köszönöm a segítséget! A hozzászólás módosítva: Dec 7, 2012
Még annyi, hogy nézd meg az akkukon a maximális feszültséget és arra figyelj, hogy ne menjen efölé...
Üdv Inhouse
Sziaztok!
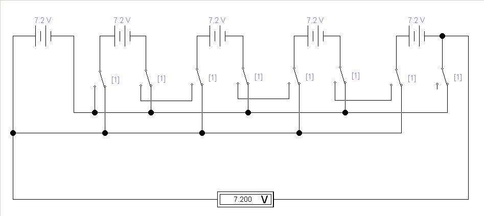
5x7.2v (NiMH) akkupakkot kellene úgy kötnöm, hogy a 7.2v töltővel tudjam tölteni (párhuzamos), de átkapcsolás után 36v (soros) legyen az ebike meghajtásához. Melyik a legegyszerűbb és költséghatékonyabb megoldás? Köszönöm a segítséget.
Szia! Ennél egyszerűbben én nem tudom elképzelni. Egy 3 állású (7,2V - ki - 36V), 8 áramkörös yaxley kapcsolón kívül nem kell semmi hozzá. Ennek hiányában 4db 2 áramkörös váltókapcsoló is megteszi, de az egyes aksik kivezetései csak együtt válthatók, de az aksik külön-külön igen.
Van 2 db 12V 4.5Ah aksim sorba van kötve, direktbe megy rá egy 24V-s motor. Szeretnék nyomógombbal 12v-s relét vezérelni, ami a gomb lenyomásáig párhuzamosan kapcsolja a két aksit, nyomás idején meg egy akkus fúrógépet üzemeltetek(önindító). Tehát csak a gomb nyomásáig kell nekem a 12V 9Ah. Segítség
A hozzászólás módosítva: Júl 7, 2013
Hello!
Elolvastam a korábbi hsz.-eket, és úgy látom, hogy nem lenne jó ötlet megvalósítani a tervemet, de ezért csak megkérdezem itt is. Van nekem egy ilyenem amiben egy darab ilyen 550mAh-s akku van. De 2,5 óra alatt megadja magát. Arra gondoltam, hogy van egy eredetileg 1200mAh-s Li-Poly akkum, ami egy telefoné volt, csak már hamar lemerült vele, fél nap alatt, de talán be lehetne szerelni ebbe a hangszóróba az eredeti akkujával párhuzamosan kötve. Ez egy EP500-as Sony Ericsson akku. A kérdés az, hogy lenne-e értelme, tovább bírná-e a hangszóró, illetve töltene-e mindkét akku, amikor bedugom tölteni. Vagy inkább vegyek egy ilyet? Illetve mi a harmadik érintkező szerepe a Sony akkun?
Köszi a válaszokat!!!
Párhuzamosan töltenék 3 db 22 Ah AGM akksit, 12 voltosat, hogyha van egy 6A automata töltőm hozzá. Olyanra is gondoltam, hogy külön-külön mindegyikhez egy elektronikát teszek ami szabályozza a feszültséget és az áramot. Valaki esetleg csinált már ilyet, vagy van ötlete, hogy hogyan kell? Üdv.
Üdv, hátha olvassa még valaki a topicot, nem nyitok újat.
Van 6db 12V 38Ah akkum, és ezekhez egy darab 12V-os szünetmentes tápegységem. ( intex 400w ) Az akkuk egyfomák, gondozásmentes, szünetmentesbe való ólomakkuk, de használtak. Simán párhuzamosan köthetem őket? Vagy kéne esetleg valami elektromika ami óránként továbbkapcsol, hogy egyszerre csak egy akku töltődjön / merüljön?
Szia. Helyes
, Mivel az akkuk 6 voltosak, és a szünetmentes miatt a töltés az 12Voltos, ezért soros és párhuzamos kapcsolás kell Neked. Így mindenféle elektronika nélkül használhatod akár mind a 6 darabot. Arra figyelj, hogy kellően vastag és rövid, és üzembiztos jó kontaktust adó összekötéseket használj. Kettesével sorosan kötöd, így lesz 3 darab két akkuból álló de 12Voltos pakkod, ezeket meg már párhuzamosan... Illetve ha úgy jobb akkor hármasával párhuzamosítod, és a kettőt meg sorosítod. Így lesz 12 Volt ~100Ah kapacitású pakkod. És lehetőleg a terhelést ill. a töltést "pakk" átlójából kösd be, Így az áramutak azonosak lesznek ami nem árt meg. A hozzászólás módosítva: Aug 18, 2016
Ebből:
Idézet: „Van 6db 12V 38Ah akkum, és ezekhez egy darab 12V-os szünetmentes tápegységem.” Ezt: Idézet: „Mivel az akkuk 6 voltosak” Hogyan kivonatoltad ![]() Persze ez nem segít a kérdezőn. Szerintem válassza ki a leginkább egészségeset, és használja azzal. Ha pedig az összes "beteg" akkor kötheti ahogy akarja. De ha már köti, akkor inkább párhuzamosan, mint sorba, úgysem fog komoly eredményt elérni...
Ritka eset hogy elismeri az ember. Nagyot nőttél a szememben
Nincs leginkább egészséges, mind hibátlan.
6x38Ah az a maximális 400W terheléssel is közel 7 óra áthidalás időt biztosít, tán nem komoly, de nekem elég.
Közben tisztázódott, hogy 6db x 12V, de a lényeg, hogy nem kell trükközni, csak bekötni, és kész.
Rövid, vastag, átlósan, magam is így terveztem. Köszi.
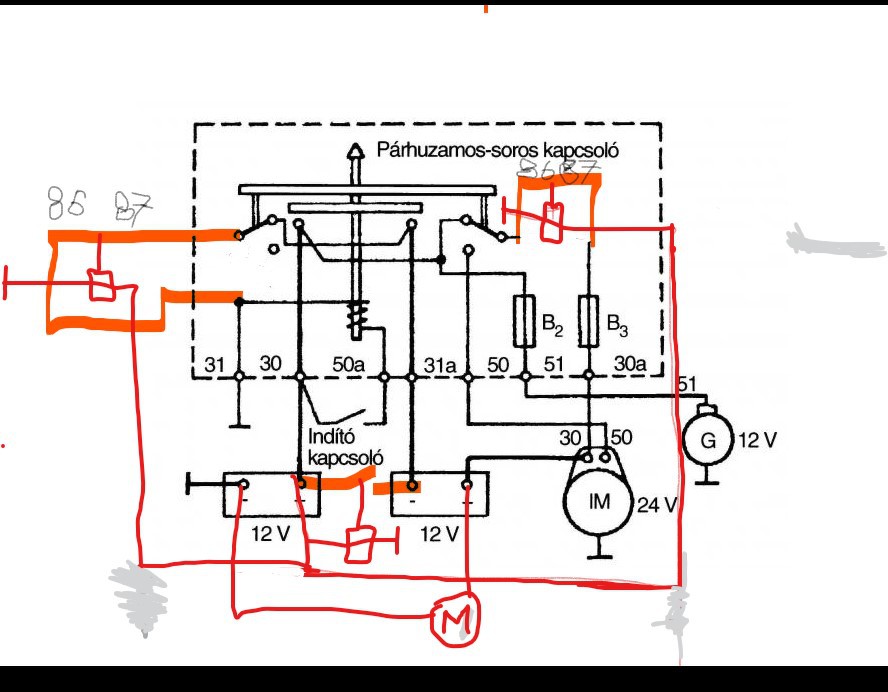
Lenne egy kérdésem van egy két párhuzamosan kötött 12 v-os akkumulátor a jármű 12v-os hálozattal a gyujtás 24v-al megy párhuzam kapcsoloval,A kérdésem az hogy hogyan lehet bekőtni egy 24v-os fogyasztot?
Szia! Nem tudom milyen járműről van szó, én az Ifa-t tudom, ami ilyen ( volt) . 24V-os fogyasztót nem tudsz bekötni, esetleg DC-DC konverterrel, ami 12V-ból csinál 24-et. A 24V-ot általában csak az önindító kapja az indítás pillanatában, minden más fogyasztó 12V-ról megy. A generátor is 12V-os.
Kombájnrol van szo minden fogyaszto 12v-os az önindíto 24v-os most lenne egy 24v-os fopgyaszto arra gondolta hogy valami elektromos relékel lehetne 24v-os kapcsolni neki.
Nem lehet, m,ert amikor működik a motor, akkor a két akkut párfhuzamosan köti, hogy mindkettő btöltődjön. Ha ezt megszünteted az egyik akku lemerül egy idő után. Ha nem az meg rövidzárlat.
Ezzel a három relé modositással gondoltam a piros M-el jelölt motor lenne az uj 24v-os fogyaszto addig amig ez a motor dolgozik a generátor csak az egyik aksit tölti
Elárulnád a konkrét igényedet, teljesítmény, motor, mit-miért stb. ?
Mert ha itt valamit elrontasz, egy rövidzár esetén hosszú tűz lesz a jutalom.
Igaza van Hutty-nak. De nem kell még elrontani sem. Elég ha az alsó relé kicsit előbb zár, mint a bal oldali nyit és már össze is ragadtak az érintkezőik - ég a vezeték. Nem tudom mekkora teljesítményre kell, de én biztos egy dc-dc konverterrel oldanám meg. ( Vennék vagy építenék egyet: pl egy 4060 IC ,egy NFET, egy schottky dióda, egy-két kis tranyó, egy zener, egy tekercs és ennyi)
|
Bejelentkezés
Hirdetés |











