Fórum témák
» Több friss téma |
Akkor annyi a helyzet, hogy kirelézed a riasztót és a relén keresztül hajtod meg a motort. Én a leírásból és a bekötésből ezt vettem ki, nem én írtam a könyvet.
![]() Itt van a megvalósítás, mellékeltem.
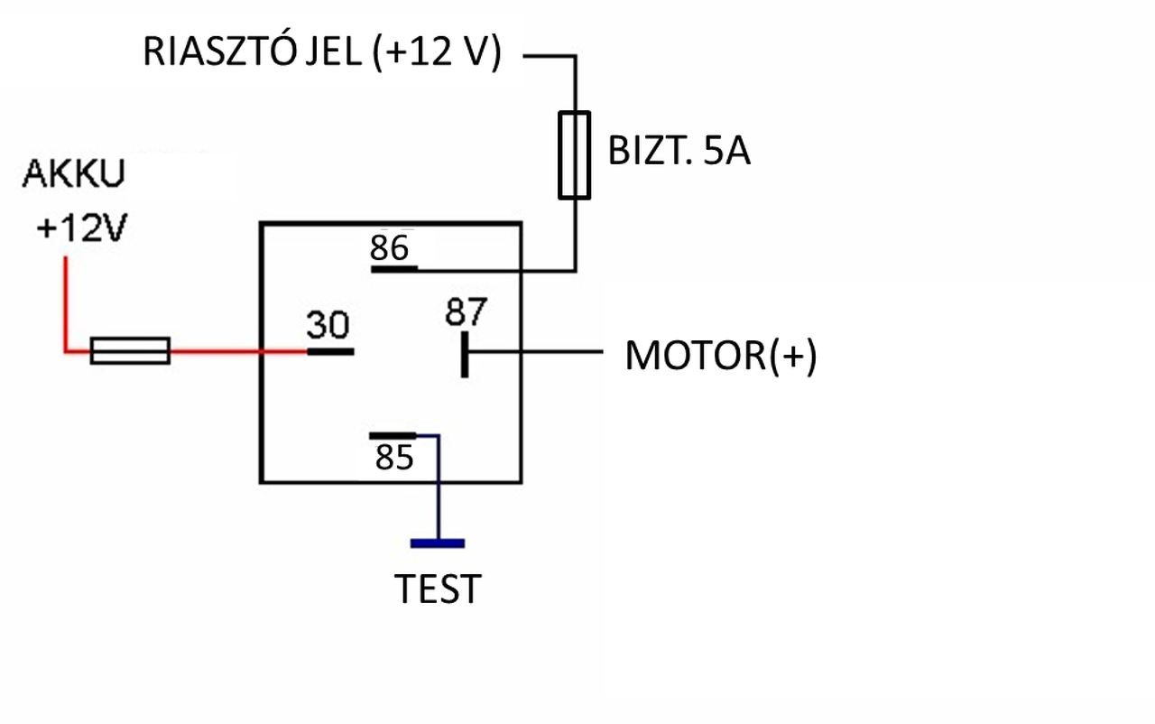
Zosza Köszönöm a segítséget még egy megerősítő válaszra lenne szükségem. A fent említett relét ha a csatolt rajz alapján bekötöm az megfelelő? Illetve rajzoltam az állandó +12V -hez egy biztosítékot. A kérdésem szűkséges az oda, ha igen mekkorát érdemes odarakni?
RELÉ KÖSZÖNÖM!!! A hozzászólás módosítva: Jún 21, 2014
Nézd meg a rajzomat jobban! A biztosíték a motornak kell, 5A-es. A dióda a riasztó védelmére van betéve. Úgy csináld ahogy lerajzoltam.
Itt a számozott rajz, a relédhez. A hozzászólás módosítva: Jún 21, 2014
Nézem nézem, de nem vagyok az a nagy rajzról olvasó figura... (tudom minek kezdek akkor hozzá).
Inkább vizuális típus vagyok.... De megértem ha már ha fogod a fejed.... ha még is megszánsz írd le kérlek a gyakorlati megvalósítást. Köszönöm!!!
Mindjárt megrajzolom Neked akkor érthetőbben.
Kis türelmet.
Sikerült összevarázsolnom Neked fapadosra a rajzot. Így már be tudod Te is kötni!
Több idő volt ezt megcsinálni, mint egy kapcsolási rajzot vagy NYÁK-ot egy egyszerűbb áramkörről.
Így már érthető. Köszönöm a segítséget és befektetett időt is.
Diódáért elszaladtam de csak 1 amereset kaptam. Két boltban sem volt nagyobb :S Ebben a kisvárosban meg nincs több bolt ahol ilyesmit kapni.... remélem ez is elég lesz....?
Elégnek kell lennie bőven.
Nincs mit, nagyon szívesen!
Szóval!
Elkészült a remekmű, hála neked. Köszönöm a rajzot még egyszer. Nem lett profi de az átlagtól jobb lett és ami fontos működik is!!! Ami még fontosabb közelebb kerültem eme területhez és nem ment el a kedvem főleg mert volt aki segített a személyedben! Minden jót!
Örülök neki, Gratulálok! Annak meg főleg örülök, hogy nem ment el a kedved ettől a területtől.
Szaisztok, lenne nekem egy olyan problémám , hogy kezembe került egy bontott SPAL AS-80 típusú riasztó, nemtudom , hogy életképes-e, ezt szeretném kideríteni, viszont nem kaptam hozzá csatlakozó dugaszt és nemtudom meik láb mien szín. Valakinek ha lenne egy ilyen csalakozója és lenézné nekem a szinsorrendet azt nagyon megköszönném. Bekötési rajzom az van hozzá, csak nemtudom meik láb mien szín.
Üdv. Szabi
Talán itt régebben már volt kérdés ez és benne van...
A hozzászólás módosítva: Júl 2, 2014
Valóban, nem láttam pedig keresgéltem, nagyon szépen köszönöm a linket .
![]() Üdv: Szabi
Új projektet szeretnék kivitelezni. Gondolom már zosza18 fogja a fejét
![]() A lényeg. Ismételten adott a riasztó amit vettem és sikeresen megvalósításra került a csomagtér nyitás funkciója zosza18 fórumtárs segítségével. A riasztóm tudja azt a komfort fokozatot hogy felhúzza az ablakokat központi zár zárásakor. A kérdés hogyan kell ezt kivitelezni ![]() Riasztó Az elektromos ablak kapcsolási rajzát csatolom.... Kérdés a vezető oldali konzol csatlakozójánál elég lehet a bekötés vagy más módon kell megoldani? Köszönöm!
Szia! Nem fogom a fejem, szívesen segítek.
Most nem érek rá, leülni, de ha nem egít senki addig mire ráérek, akkor ígérem segítek!
Köszönöm előre is!!!!!
A hozzászólás módosítva: Júl 9, 2014
Logikusnak az tűnik, hogy az AU/AD által jelzett helyre kell bekötni a riasztó ezen részét. Viszont ez nem jelenik meg a központi csatlakozón. Továbbá kérdés az, hogy meddig kell húznia az ablakokat, nem e égeti le a motorokat vagy az elektronika erre fel van e készítve.
Az a kérdés, hogy mit jelent, hogy a riasztó tudja a komfort fokozatot? Ha csak annyi, ami szokott lenni, hogy van egy kimenet, ami mondjuk 30mp-ig kapcsolt pl. testet élesítéskor, akkor ahhoz kell még egy ablak komfort elektronika. Ez utóbbi oldja meg, hogy ne égjen le a motor.
Megnéztem a riasztó adatlapját, de én nem láttam leírva a komfort kimenetet. AUX 1/2-es kimenetekkel lehet ezt megoldani, de az nem komfort kimenet, hanem csak egyszerű programozható kimenet, max 250mA-es terhelhetőséggel. Ehhez akkor ugyebár kell tranyó, dióda meg egy relé, amivel megoldható az autómata felhúzás lábainak a zárása. Az ablakemelő rajzán, ott van leírva, hogy az 1-es kapcsoló az autómata fel-le húzás kapcsolója, ezt kel a relével zárogatni, hogy magától menjen. Jóformán, ugyan azt kell elkövetni mint a csomagtartónál, csak itt még egy tranyóval meg kell felelni a gyári kimenetet, hogy tudjon egy relét kapcsolni.
Sziasztok!
Elnézést hogy csak most reagálok, de el voltam havazva. Szóval a nagy reklám szöveg nem takarja a valóságot és nem tudja alapból a funkciót. A trafót hová kell pontosan raknom ha esetleg hozzákezdek? Köszönöm
Ha trafót akarsz hozzá, akkor ne kezdj neki egyedül! Keress szakembert! Nagyobb kárt tudsz okozni, mint amit spórolnál.
Sziasztok!
Opel tigránál (A) a jobb oldali ablakot hogy tudnám kpzár záróparancsra felhúzatni? A bal oldali megy szépen, ha testre húzom az egyik szálat az ablakmotornál, de a jobb oldalon nem működik a dolog. Valószínű az kavar be,hogy a jobbnak van az a funkciója, hogy ha a csomagtartót lecsukom, akkor lehúzza 10 centire, majd vissza. A légnyomás miatt... Emiatt bármit húzok itt testre nem hajlandó magától felmenni. Egy régebbinél nincs ez a funkció, ott gond nélkül meg tudtam csinálni.
Nézd meg, hogy mit csinál a jobb oldali ajtónál a kapcsoló, amikor megnyomod és felmegy magától.
Az csak gyújtáson megy fel és nekem anélkül kell felmennie.
Nagyon jó. Nézd meg, hogy hova kap +12V-ot, amikor gyújtás van! Ezt kell pótolnod és zárni a gombot. Magyarán 2db kis relé kell. Az egyik egy váltó (morze) érintkezős. Megszakítod azt a szálat, amin jön a gyújtás +12V-ja és bekötöd közé a relét. A bejövő +12V a NC, a tovább menő a COM. Viszel egy fix +12V-ot, ezt pedig bekötöd a NO-re. Így megmarad minden alap helyzetben olyannak, mint volt. Amikor behúzatod a relét, nem a semmit kapja (nincs gyújtás), hanem a fix +12V-ot, közben zárod a másik relét is, ami zárja a gombot. Gondolom a +12V-nak meg kell lennie amíg fel nem ért. Arra kell egy időzítő, egy monostabil. Remélem automata ez az ablak is?!
Idézet: „bármit húzok itt testre nem hajlandó magától felmenni.” Ilyet ne csinálj többet!
Ha van más megoldás, relék nélkül szeretném megoldani.
Igen, tudja az auto módot. |
Bejelentkezés
Hirdetés |









Nincs mit, nagyon szívesen!


