Fórum témák
» Több friss téma |
már próbáltam. nekem az nagyon tömény. Azért nagyon szépen köszönöm!
Üdv!
Azt szeretném megkérdezni, hogy az avrdude-ban fel lehet e valahogy cserélni a COM port láb kiosztását? Konkrétan arra gondoltam, hogy felcserélhető e a CTS a RXD-vel? SB
Sziasztok!
Építettem egy MKII klónt. Miután a FLIP-el feltettem rá a megfelelő programot (ATMEL Studio-hoz), az eszközkezelőben az első kép szerint meg is jelenik. Viszont az ATMEL Studio nem látja, illetve tools firmware-n ismeretlen hibát jelez. Van valami ötletetek mi lehet a gond? Köszönöm a válaszokat!
Upgrade-t nem tudsz Studio-ból csinálni. FW verzióval lehet a baj.
Nem is szerettem volna, csak azért tettem fel a képet mert ott látja a programozót. Megpróbálok más FW-t beégetni, hátha segít.
Köszi a tippet! Tényleg rossz szoftvert égettem bele! Valamiért mégis az avrdude-s került bele. Most már működik a cucc!
Pontosan. A libusb_compatible_driver részt a makefile-ben ki kell venni kommentbe.
Megkérdezhetem hogy melyik fajtát építetted meg? A hozzászólás módosítva: Dec 29, 2012
A Pluto-félét csináltam meg. Tegnap este segített is "táv szerelni". Le a kalappal előtte!
A hozzászólás módosítva: Dec 29, 2012
A GTL2003-al mik a tapasztalatok? Jól viszi a terhelt lábakat is?
Egyenlőre annyi tapasztalat van hogy azt sikerült beszerezni. A programozó annyira lett csak kipróbálva hogy az ATMEL Studio felismeri, tehát elvileg működik, most a lakk szárad rajta. Úgy hallottam a MAX-ost sokan szidják.
Idézet: „Úgy hallottam a MAX-ost sokan szidják.” Köztük én is, mivel már kipróbáltam a MAX3002-t és az első perctől kezdve nem jött be. Főként a RESET-nél voltak problémák, mivel azt folyamatosan LO szinten kellene tartani, de a ~6kOhm-os csatornaellenállás szépen betett neki. Jézus! Még a 10kOhm-os felhúzó ellenállással sem bírt el, amit elvileg "kötelező" a RESET lábra tenni. Hasonló csalódás volt a Texas lábkompatíbilis típusával(TXB0108) aminél a "csak" 4kOhm csatornaellenállás már majdnem vonzó, de a kimenő oldalon max. 3.6V-ot enged meg, fölötte megbolondul. Ennél még a natúr ellenállásos leválasztás is stresszmentesebb! A hozzászólás módosítva: Dec 29, 2012
Tudomásom szerint nem.
Szevasztok! Találtam a neten egy kihagyhatatlan ajánlatot:
égető Kipróbálásához gyorsan csináltam egy villogtató progit, és eXtremBurner-rel beégettem. Az alábbi, -számomra- érthetetlen eredményt kaptam. Hibás lenne az égetőben lévő Mega8 proci, vagy időzítés probléma lehet? (bal oldalon az eredeti, jobbra a visszaolvasott program)
Hát ez tényleg kihagyhatatlan, főleg úgy hogy nem működik.
Lehet hogy csak a kábel van megtörve, vagy a céláramkör nem kap tápot? Ez utóbbi elég valószínű...
Szia! Köszi a segítséget. Alapból 4megára volt beállítva az égető órajele, azt levettem 1 megára, és hibátlanul működik.
Sziasztok!
Kezdő vagyok avr témában, segítséget szeretnék kérni. Nagyon sok féle/fajta avr programozó található melyiket célszerű megépíteni vagy megvásárolni? Köszi Tamás
Hello!
A kérdés hogy mit szeretnél építeni, hogy előre megépített kapcsoláskoat akarsz vagy saját magad is fejlesztenél. A megépítésnél a legegyszerűbb a nyomtatóportos, ezt csatolom. Ha nem bajlódnál programozóépítéssel, akkor USB-set érdemes venni, azt mindenhol használhatod. Hardveres csatolású STK500(tehát nem Doper), vagy AVRISP-mkII klónt érdemes keresni. zombee
Építeni szeretnék meg később fejleszteni is saját kapcsolást és programot.
USB-s be gondolkozok.
Építs egy AVRISP mkII clone-t, GTL2003 szint illesztővel, az eddigi tapasztalatok alapján tökéletes. Ő rendelkezik ISP, PDI és TPI csatikkal. Így néz ki.
Köszi a segítséget úgy döntöttem ezt építem meg
NE! Nehogy ezt megépítsd, szívás lesz! A MAX3002 nem erre való!
Vagy GTL2003, vagy ellenállásos legyen a leválasztás! De az egészre nem érdemes többet költeni 5000Ft-nál, kivéve ha az "én építettem" érzés megéri. A hozzászólás módosítva: Jan 13, 2013
Itt írja is, hogy a gtl 2003 kell bele és a kód is módosítva van.
Vagy nem jól értelmezem?
Ismerem az oldalt, de amit belinkeltél, ott MAX3002 volt.
A kód elvileg nincs módosítva(maximum újabb), ugyanaz belemegy mindkettőbe.
Sziasztok!
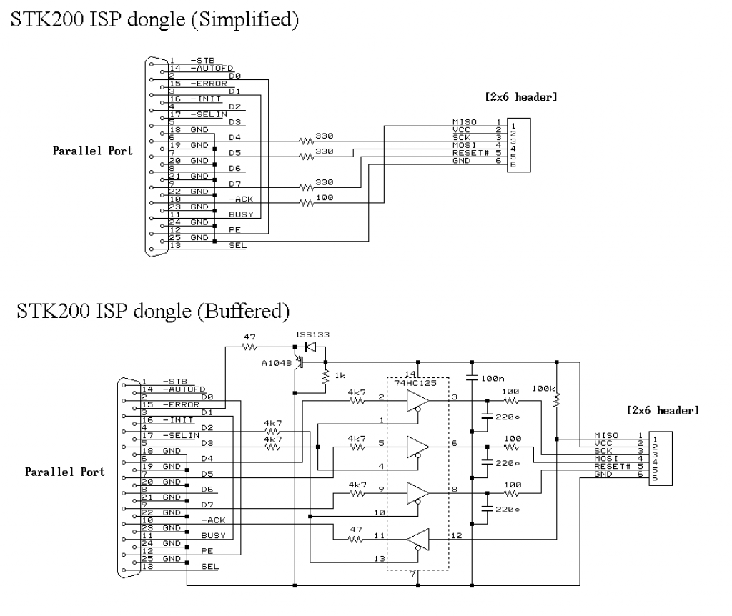
Kérdésem a következő EZ az égető egyrészt működőképes-e, másrészt mennyire célszerű használni? És van egy nem túl szép, de saját tervezésű NYÁK tervem hozzá, esetleg arra is vethetnétek egy pillantást, hogy van e benne valami hiba. Köszönöm
Ha ez egy STK200 akar lenni akkor legjobb ismereteim szerint MŰKÖDÉSKÉPTELEN, pár dolog nincs bekötve.
Egyébként Téged valószínűleg egy ilyen érdekel: Bővebben: Link Itt láthatod hogy a 2-12, 3-11 is össze vannak kötve, a tiédből ez pl. lemaradt. Ez az égető már működni fog, csak számolnod kell azzal hogy feljeszteni már nem lesz az igazi. Egyrészt lassú(még a Doper is gyorsabb), másrészt az AVR Studio nem támogatja. A PonyProg viszi, egyedül a FUSE bitekkel leszel bajban ha azokat is piszkálnád.
Értem, köszi! Egyenlőre nagy fejlesztgetést nem tervezek, de egy jobb égetőhöz is kell egy felprogramozott AVR, legalább ahhoz jó lesz.
Üdv
Egy kis sgitség kellene. Van egy ILYEN programozóm amiből elszállt a program. Hogyan lehetne ezt felprogramozni? Usb-n keresztül meg lehet ezt oldani? Másik programozóm nincs. Köszi
ATMega8 vagy ATMega48. De a 8-as az gyakoribb. USB-n nem lehet, kell hozzá másik programozó.
Ha nincsenek kivezetve a programozólábak(nem egyenlő a kimenettel!) akkor be kell drótozni, illetve az SCK-n szokott a LED lenni(legalábbis Dopernél), azt a programozás idejére ki kell kötni. Ha megér egy postát akkor tudok segíteni, az IC-t is ki tudom venni, van TQFP-programozó foglalatom, így akár egy nagyfeszes programozás is megoldható. Végső esetben az IC-t is cserélem ha tönkrement. Úgyis vennék NYÁK fúrót... A hozzászólás módosítva: Feb 14, 2013
|
Bejelentkezés
Hirdetés |













