Fórum témák

» Több friss téma
Fórum » AVR-es alkatrész (tranzisztor) teszter
Lapozás: OK   23 / 84
(#) mps válasza orcika70 hozzászólására (») Szept 1, 2013 /
 
Merre laksz?
(#) orcika70 válasza mps hozzászólására (») Szept 1, 2013 /
 
Van távolság kettőnk közt, Marcali kistérség.
(#) morgo válasza orcika70 hozzászólására (») Szept 1, 2013 /
 
Mindenképp jobban járnál egy saját égetővel, mert önteszt ide, önteszt oda, előfordul, hogy módosítani kell a szoftvert. Ez megoldható távsegítséggel, de az AVR-t neked kell újraírni.
(#) Aklankrisz válasza eyess hozzászólására (») Szept 2, 2013 /
 
Tehát a linkelt fájlok verziója 1.09 ?

Mik az új funkciók ?

( Leírást nem találtam a mikrocontroller.net/svnbrowser -en az új verzióról a changelogban. )
(#) eyess válasza Aklankrisz hozzászólására (») Szept 2, 2013 /
 
Igen

1: Megjelenjen a μ előtag kondenzátor mérésekor , és ne csak az, hogy C
2: Standard kijelző használat
3: Selfteszt
4: Automata kalibráció 1-2-3 pontok zárásával
5: Feszültség mérés , és zéner mérés 01:10 osztón keresztül PIN, PC3 ponton
6: Alacsony akku kijelzés 3.0 v nál.

Itt keresd
(#) sector99 válasza eyess hozzászólására (») Szept 2, 2013 /
 
Zenert én még nem mértem a műszerrel, légy szíves magyarázd már el, hogy hogyan kell csinálni. Köszönöm !
(#) eyess válasza sector99 hozzászólására (») Szept 2, 2013 /
 
Már az ezelőtti verziókban is benne volt ez a lehetőség .És nem csak ez hanem a +50v ig való egyenfeszültség mérése is.
Persze ehhez az kell , hogy ezt a kapcsolást építsd meg.Nem tudom te melyiket építetted meg , de a zéner méréséhez kell egy MC34063 DC DC konverter áramkör , ami az atmega PC3 bemenetére dolgozik.
Mellékelem a rajzot hozzá jó után építést kívánok hozzá.
(#) sector99 válasza eyess hozzászólására (») Szept 2, 2013 /
 
Én EZT a rajzot használtam némi kis módosítással. Telepes táplálás nincs, csak dugasztápról megy.
A föltett képen nem látom rendesen az alkatrészeket, lehetne egy kicsit nagyobb fölbontásban ?
(#) eyess válasza sector99 hozzászólására (») Szept 2, 2013 /
 
Az enyém se telepes .Melyik alkatrészre vagy kíváncsi ?
De esetleg van egy ilyen fajta is , vagy egy másik is.
(#) sector99 válasza eyess hozzászólására (») Szept 2, 2013 /
 
Azt hiszem sikerült mindet leolvasni, ha elakadok, akkor majd írok. Köszi !
(#) eyess válasza sector99 hozzászólására (») Szept 2, 2013 /
 
Jó , ha esetleg mégsem tudsz valamilyen alkatrészt leolvasni segítek.
Esetleg annyit , hogy én a 0,33 ohm os ellenállást 3db 1 ohm os ellenállás párhuzamos kapcsolásával oldottam meg.
(#) sector99 válasza eyess hozzászólására (») Szept 2, 2013 /
 
Azt jól látom, hogy a konverter kimenő feszültésgét megkapja a Zener ellenállás nélkül ?
(#) mps válasza sector99 hozzászólására (») Szept 2, 2013 /
 
Van ott 10 K Ohm
A hozzászólás módosítva: Szept 2, 2013
(#) sector99 válasza mps hozzászólására (») Szept 2, 2013 /
 
Hú tényleg. Elnéztem...
(#) eyess válasza sector99 hozzászólására (») Szept 2, 2013 /
 
Elnézted , vagy benézted , mert nem mindegy.Amint látom belemélyedtél jól látom ?
A hozzászólás módosítva: Szept 2, 2013
(#) sector99 válasza eyess hozzászólására (») Szept 2, 2013 /
 
Igen, belemélyedtem. Megtaláltam az orosz oldalon is, de ott se nagyobb. És már tényleg úgy járnak a szemeim, mint a jelecske mutatja....
(#) eyess válasza sector99 hozzászólására (») Szept 2, 2013 /
 
Melyik rajz érdekel a legjobban hátha tudok vele valamit csinálni neked .
(#) sector99 válasza eyess hozzászólására (») Szept 2, 2013 /
 
Amit EBBEN a hozzászólásban mutattál, azt akarom megcsinálni. Egyébként csak a letörési feszültséget mutatja, vagy mást is ?
(#) eyess válasza sector99 hozzászólására (») Szept 2, 2013 /
 
Az pont elég nem ? Ha azt mutatja.Bár nem tudni , hogy a szoftver fejlesztés következő lépése mi lesz , de , ahogy halad szerintem itt még nem lesz vége.
Pl nagyon jó olyankor , amikor egy felirat lekopik ez zéner diódáról , és ezzel megmérve hellyel közzel tudható lesz , hogy milyen is volt valójában.
(#) sector99 válasza eyess hozzászólására (») Szept 2, 2013 /
 
De elég. Most már csak konverter IC-t kell beszerezni. (esetleg bontás ? Miben használnak ilyent ?)
(#) eyess válasza sector99 hozzászólására (») Szept 2, 2013 /
 
Én vettem , mert nekem sem volt ilyen.
(#) mps válasza sector99 hozzászólására (») Szept 2, 2013 /
 
A legtöbb szivargyújtós töltő ezzel van csinálva.
(#) sector99 válasza mps hozzászólására (») Szept 2, 2013 /
 
Köszi !
(#) morgo hozzászólása Szept 3, 2013 /
 
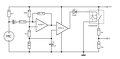
Lehet, hogy a tapskapcsolós topicban lenne a helye, de a teszterhez építettem egy hangkapcsolót.
Mivel a mérőcsipeszem tönkrement, kellett egy harmadik kéz a teszt gomb megnyomásához. Talán másnak is van hasonló problémája. A kapcsoló 20x13 mm-es nyákon van, egyik oldalán egy dip tokos reed relé, a fóliaoldalon pedig egy MC4558 és néhány passzív elem. Tápot a teszter 5V-ja adja, ezenkívül egy szál vezeték csatlakozik az AVR 12. lábára. Természetesen az eredeti nyomógomb is megmaradt. Az ellenállások 0805 méretűek, így is kissé szét kellett hajlítani a relé lábait.
Maga a kapcsoló Proli007 kapcsolásán alapul, némi módosítással. Megbízhatóan működik, bár egy csavarhúzó asztalra ejtése már elindítja a mérést. Mivel tapsolni nem igen lehet, ezért egy fütty, vagy "mér" parancs indítja normál esetben.

*A rajzot lásd később ...
A hozzászólás módosítva: Szept 3, 2013
(#) morgo válasza (Felhasználó 13571) hozzászólására (») Szept 3, 2013 /
 
Igen inkább fütty, vagy hang kapcsoló...
Egyébként az oldalamra kitettem egy bővebb leírást, a nyákterv is letölthető lay6 formában.
Bővebben: Link
A hozzászólás módosítva: Szept 3, 2013
(#) eyess válasza morgo hozzászólására (») Szept 3, 2013 /
 
Mindig van új a nap alatt .
Tényleg mindig rossz az a mozzanat , amikor csipesszel mérünk , és oda kell nyúlni a gombhoz
elindítani a mérést , és közbe meg elmozdul az a fránya csipesz.

Jó ötlet volt tényleg , és én is bele fogom tenni több mint valószínű , mert sok mérésnél jól jön egy ilyen kiegészítő áramkör.

Ügyes .
(#) morgo válasza eyess hozzászólására (») Szept 3, 2013 /
 
Viszont most nézem, hogy a kapcsolási rajzot rosszul rajzoltam, a relé "alsó" kontaktusa testre megy, és a "felső" az ellenállásosztó felőli vége kapcsolódik az AVR-re. Javítom is a honlapomon lévő rajzot, aztán ide is felteszem... A nyákterv viszont jó, azt építettem meg.

Na készen is van:
A hozzászólás módosítva: Szept 3, 2013
(#) morgo válasza (Felhasználó 13571) hozzászólására (») Szept 3, 2013 /
 
Köszi!
(#) eyess válasza morgo hozzászólására (») Szept 3, 2013 /
 
Nem tudom te hogy vagy vele , de én így fogom bekötni.
Mivel csak egy pillanatnyi kontaktus kell .
(#) morgo válasza eyess hozzászólására (») Szept 3, 2013 /
 
Szerintem a komparátor +- bemeneteit cseréld fel, mert nekem - ha tápfeszt kap a kapcsoló - behúz a relé. Hang hatására ejt egy pillanatra. Ezért van az ellenállásosztó a kimeneten. Az oldalamon így is van egy rajz, de kipróbálva nem lett.
A hozzászólás módosítva: Szept 3, 2013
Következő: »»   23 / 84
Bejelentkezés

Belépés

Hirdetés
XDT.hu
Az oldalon sütiket használunk a helyes működéshez. Bővebb információt az adatvédelmi szabályzatban olvashatsz. Megértettem