Fórum témák
» Több friss téma |
Fórum » DC feszültség vezérelt műveleti erősítő (VCA)
Témaindító: mrx23, idő: Aug 29, 2007
Témakörök:
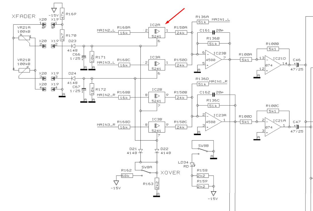
Sziasztok! Egy COOLAUDIO V2164M VCA sistergő zajt produkál. Ha az utána lévő JRC4580-al még tovább is erősítem a jelet akkor zene közben nem zavaró, de ha csönd van elég idegesítő. A JRC4580 hibája szerintem kizárható, mert ha kikerülöm a VCA-t akkor a legnagyobb erősítésnél is csöndes. A típus hibája lehet a sistergés? Esetleg tudnátok nekem egy jobb alternatívát ajánlani? Analog Devices SSM2164-ra gondoltam helyette, de kérdés hogy megoldódna-e a probléma vagy a kapcsolásban okozhatja valami. Csatolom képként a kapcsolás ezen részét. A rajzon 5241 van, de a panelra V2164M IC van ültetve.
Coolaudio V2164M datasheet: Bővebben: Link Analog Devices SSM2164 datasheet: Bővebben: Link Köszönöm szépen a segítséget!
A hütö kondikat odaraktad a táp lábára (2x0,1 µF)?
Nem kellene sisteregnie, hiszen 120 dB-t ir az adatlap. Azt sem tudjuk mekkora jelet hajtasz át rajta. Lehet, hogy a földelés is rossz. Azért 120 dB már nem játék. Az már sok mindenre érzékeny lehet. Meg sok minden nem ugy van a te rajzodon, mint a gyár ajánlásán. Pl hiányoznak a bemeneti szürök ( 8. Oldal) 500 Ohm/560 pF. A kimenet sem optimális a gyár közvetlen kapcsolatot ajánl te meg 24 kΩ-mal csatlakoztatod a következö fokozathoz. Ezek mind dolgok, amit meg kellene vizsgálni, és csak azután gondolkogni a cseréröl. Az IC GND-jét a bemenetek legközelebbi pontjára kell kötni, ha lehet csillagban direkt a tápbol. Stb Esetleg mutasd meg a NYAKot hogy néz ki.
Ez egy Behringer DX626-os keverőben van így. Az a probléma, hogy nagyon sok helyen nem stimmel a kapcsolási rajz a nyákon szereplő alkatrészekkel. Például a 2. oldalon az IC14 a nyákon nem IC 14. Több verziót kerestem már a kapcsolásból de egyik sem egyezett meg, pedig ahhoz a keverőhöz van. Csatoltam a teljes kapcsolást.
Edit: Az alap probléma, hogy ha a Master potit rendesen feltekerem, akkor a kimenet sistereg. (Rövidre zárt bemenetek és mindent 0-ra húzva is.) Végignéztem a kapcsolás további elemeit, a csatornák kimeneteit közvetlen a főkimenet ICjére kötve még nem sistereg, viszont ha a V2164M-re kötöm akkor már hallható. A hozzászólás módosítva: Máj 17, 2020
Akkor azok sem igen tudják mi a jo.
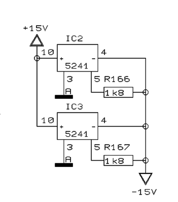
És minden hibát - legalábbis a rajz szerint, elkövettek amiröl elöbb irtam. ( Amugy a Behringernél ez nem ritkaság, meg az sem, ha valami sistereg a dobozban). Nem hiszem, hogy IC cserével jobb lesz. Ezt komolyan meg kellene vizsgálni mi minden tenne neki jo. Esetleg probáld odaforrasztani a bemenetekre azokat az RC tagokat amit elöbb irtam. Az adatlap kimondottan hangsulyozza. Érdekes modon minden IC-re odabiggysztették a 2x0,1µF hütökondikat a táp lábakra, kivéve a VCA-t, holott ezt is hangsulyozza az adatlap.
Full SMD az egész, a szokásos. Így nem nagyon állnék neki forrasztgatni, megvárom míg megérkezik a "hőpisztoly". Csatolok egy videót amiben hallatszik a sistergés. Minden csatorna a legkisebb állásban. Hogy hallható legyen, a főkimenetet feltekertem a maximumra. Most azon gondolkozom, hogy újonnan is ilyen volt-e, de sajnos nem emlékszem.
Bővebben: Videó link E: Egyáltalán nem is tudom, hogy megéri-e vele foglalkozni ha már a kapcsolási rajz se egyezik a nyákkal... Így elég nehéz megtalálni bármit is. A hozzászólás módosítva: Máj 17, 2020
Az a két alkatrészt a bemenet meg a GND közé talán még furatos alkatrészekböl is oda tudod forrasztani, ahhoz nem kell semmi büvész eszköz...
Tipikus sercegés, hasonlit az én Behringer gitárerösitömhöz hi gain üzemben. Az ilyesmi rendszerint impedancia balhé és föz az erösitö. Probáld ki azokat az RC tagokat, mást nem igen lehet ezzel kezdeni. Valoszinü ilyen volt a kezdettöl..
Időközben szétcsavaroztam újra és megnéztem. Megtaláltam az 500 Ohm, 560p párost. Kipróbáltam a táp 100nF-et is, attól nem javult a helyzet.
(Csatolok egy képet a panelről. Meg tudnád mondani, hogy én nézem félre és egyezik a kapcsolási rajzzal, vagy tényleg nem?)
Én is ugy látom, hogy minden ott van aminek kell. A rajz nem stimmel. A rajzon 2 darab VCA chip van IC 2,3 a panelon meg csak 1.
Ami viszont sokat mond. A zajszint mindössze 87dB ami nem sok, igy gyanitom ez a zaj is még belefér.
Belefér, de ha +4dBu-ig szeretnék valamit kivezérelni, például egy 0dBu bemenő jellel akkor már nagyon hallható a sistergés. Kár érte, gondoltam hátha lehet tenni ellene valami, ha már a keverő többi része teljesen csöndes. Ha más megoldás nincs, arra gondoltam még, hogy kikerülöm a crossfader részt, mivel úgyse használom. Ez a végső megoldàs lenne, ha nincs más ötleted, vagy talán még kipróbálnám egy másik típussal.
Most nem értem, korábban azt irtad, hogy a zene alatt a zaj elveszik, most meg azt irod, hogy 4 dB emelsz a szinten akkor a zaj növekszik?
Ha a zaj a master felnyomásával növekszik, akkor baj van mert a bemeneti zajszint átkerül a kimenetre (87 dB). Az alkatrészek jellemzöi valoszinü ezen nem tudnak javitani, Behringer valamit nagyon sporolosan akart megoldani. Ezen más alkatrésszel nem lehet változtatni. Itt vagy a NYAK sikerült rosszul, vagy kihagytak egy fokozatot ( a gyárto ajánlása szerint) aminek ez lett az eredménye.
Ha éppen szól a zene akkor nem hallatszik, de ha hirtelen csönd lesz akkor nagyon sistereg. Ha a VCA bemenetéről viszem át a kimeneti ic bemenetére a jelet, kikerülve a VCA-t, akkor nem zajos így azt gondolom hogy a VCA környékén van a baj. Köszönöm szépen a segítséget, ha tervezési hiba, akkor marad így!
Mem éptettem ezzel a VCA-val semmit, de régebben épitettem elég sok VCA-s áramkört soha ilyen gondom nem volt. Ezért gondolom, hogy tulsporolták a berendezést.
(Tul nagy impedanciákat hagytak benne amik szedik a zajt.) A hozzászólás módosítva: Máj 18, 2020
|
Bejelentkezés
Hirdetés |








