Fórum témák
» Több friss téma |
Fórum » Digitális termosztát modding
Témaindító: drotostot77, idő: Júl 13, 2010
Témakörök:
Igen, de inkább egy LM358. Mert míg az LM741 kb. 1,5V..9V-ig képes követni a feszültséget, addig az LM358 kb. 0,6V..10,5V-ig. De nem tudom mekkora a hőmérsékleti tartomány, amin belül használni szeretnéd, valamint az ábrádon szereplő alkatrészek és feszültségek valósak-e.
A hozzászólás módosítva: Okt 24, 2023
Csinálsz két három + elektronikát , ahelyett hogy behúznád egymásmellé a 3 érzékelőt ? Mi értelme ennek ?
A készülék működési tartománya lakáson belül, az elektronikus készülékek szokásos tartománya. A melléképületben levő kazánházban általában hideg van -10 -től +20 C° -ig, értelemszerűen az előremenő csövön és a visszatérőn max 80/60, de a gyakorlatban 60 C° -nál magasabb előremenő hőmérsékletre még nem volt szükség.
Valósság: csatolok egy képet ami egy korábbi változat készítésének azon pillanatát örökíti meg amikor Nyüszk nevű cicuskám leellenőrizte a tokozott készültségét. A mostani alkatrészek is valósak, a mérési értékek is, a 12 V -ot stabil táp adja, a 10,3 V -ot a hőérzékelőn csővoltmérővel mértem.
Nyitott kapukat döngetsz, pillanatnyilag van 5 érzékelő, de még kettő kellene, sőt a füstgáz most a hatodik, ezen felül kellene még kettő. Az ok az, hogy (biztonsági okokból) a kazán nem a lakóépületben van, így a távkezelése kívánatos. Na most télen kijárni állítgatni nem egészséges. Ráadásul sokat tartózkodom a műhelyben is, ilyenkor oda kívánom kapcsolni a vezérlést, nem a házba.
A Idézet: kérdés viszont nagyon időszerű - csak épp teljesen más aspektusból, mint ahogy föltetted. Amikor ebbe a projektbe belekezdtem 2019 -ben, úgy fűtöttünk, hogy ősszel bekapcsoltam, tavaszig ment egyfolytában, fix előremenővel, amin időnként állítottam.„"Mi értelme ennek ?"” A tavalyi agyament áremelés miatt viszont az egész távszabályozás értemét veszítette, hiszen nem a C° -okokat nézzük, hanem a gázórát és így bizony ki-be, de főleg ki kapcsolgatjuk.
Kicsit érdekes az amit írsz. Mert nem írtad, hogy milyen érzékelő hőmérséklet mellett mérted a 10,3 fokot. Mert ha az érzékelővel sorban 10k ellenállás van, akkor ilyen feszültség mellett, kb,-12 foknak kellene lenni a mérés alatt. Ez az elmúlt 5 évben nem volt. De miért írom?
Mert ha kisebb ellenállás van vele sorba, akkor pedig az OPA-val ez lesz a minimum érzékelési tartománya a komparátornak amilyen hőmérsékleten mérted ezt a feszültséget. Mert nem gondolnám hogy 12V tápfesz mellett ennél magasabb feszültséget dolgozna fel a határérték képző. Vagy is mindenképpen célszerű megállapítani azt a hőfoktartományt, amin belül üzemeltetnéd. Kaqkk pedig azért írta amit írt (már bocs hogy tolmácsolok), mert Te elvileg azért készítenéd ezt a megoldást, mert egy mérési pontról (egy érékelőről) képeznél több határértéket. És Ő észszerűbbnek tartja, hogy a több komparátor érzékelő elemét egy mérőpontba helyezni, mint bármiféle kiegészítő áramkört építeni. Mert az csak akkor célszerű, ha jó messzire kellene kábelezni az érzékelőt a komparátortól. És esetleg a vezetékezés adott, vagy nem cserélhető. Minden esetre ha Te csővoltmérőre hivatkozol, akkor Te sem vagy egy "fiatalember" mint én sem. Mert utoljára kb. '75-ben volt kezemben ilyen műszer, amit azért hívtak ennek, mert elektroncsöves mérőköre volt. Talán itthon ez volt az első "nem hideg műszer".
Van benne valami, mármint, hogy nem vagyok mai gyerek. Az első kéziműszerem 65'-66' -körül vettem a Tangón. Csővoltmérőt ipari tanuló koromban 71' -körül láttam először, ma számos műszerem van, köztük félvezetős nagy belső ellenállásúak is, épp ilyen célra jók, mint amit leírtam, dolgozni azonban a hagyományos elektronika nélküliekkel sokkal jobb. Például amikor egy 3x5x(4x0,4) -es kábelt átcsöngetünk a hagyományos azonnal jelez, a mikroprocesszoros "okos" meg gondolkodik annyit, mint Energiahivatal a gázáremelésen. Az utóbbival ugyanaz a munka többszörös idő alatt lenne elvégezhető.
Ha kívánod kimérhetek neked hőfok szerint egy érzékelőt, de ezek már évek óta működnek, nincs gond velük. A koncentrálásra ok egyrészt a korlátozott érszám az épületek között lefektetett kábelezésben, de a nagyobb gond, hogy nagy számú érzékelőt gépészeti átalakítás nélkül már nem lehet elhelyezni a kazán közelében.
És mi lenne ha vennél egy vezeték nélküli termosztátot és mindíg oda vinnéd ahonnan kezelni akarod a kazánt ?
Hát, akár csővoltmérővel, akár digitális műszerrel méred, az érzékelőn nem lehet 10.3 volt.
Valamikor réges régen egy messzi messzi galaxisban csináltam ilye csak "fordítva" egy termosztátot használtam 10 szondához . Valószínűleg megoldható lenne amit szeretnél analóg kapcsoló ic vel a szondát rákapcsolgatni sorban a termosztátokra ... (egy próbát megér)
Hello!
Kivétel, ha +12V-hoz képest mérte és akkor épp 35 fokon volt az érzékelő.
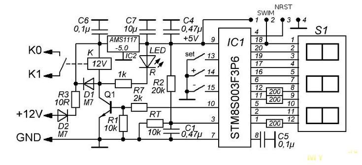
Ez az általam használt kütyü kapcsolása lenne? Nem találom a bemenetet, illetve az a négy érintkezős valami kapcsoló féle, jumper, ilyesmi lenne?
Pedig ott van az. A termisztor az "RT". Meg ott van az átkapcsoló is SWIM és NRST jelöléssel, csak nem Jumper formában. De majd Te visszarajzolod és kijavítod. Nem egy ördöglakat.
Hát az enyéim nem ilyenek, ez valami szobatermosztátnak tűnik, amiben belül van a hőérzékelő, cselesen RT -nek álcázva.
Amik nekem vannak (egy kisebb doboznyi kb) azok külső csatlakozón kapják meg a csőtermosztátok jeleit. A csatlakozó egy soros ellenállással megy egy kondenzátorra, először integráló tagnak gondoltam, de inkább a zavaró szuperponálódások levágást célozhatja. Tovább nem bogoztam az áramkört, mert csak a csatlakozó kiváltása miatt bonyolódtam bele, később sikerült beszereznem kellő számú kanos csatlakozót. SWIM, meg nRST jelű elemek sincsenek rajta, gondolom ez valami hardvers resetálást okoz, az enyémekben másképp van megoldva
Igen hosszúlenen ennek a kérdéskörnek a kifejtése és más topicokban foglalkoztak már vele részletesen. A lényeg, hogy a szobatermosztát - mégha hordozható is - nem egy igazi szabályozás, pusztán egy korlát, leginkább ott jó, ahol kicsi a ház hőkapacitása és ritkás az ott tartózkodás, akkor viszont hamar kell fölfűteni a légteret (a falakat viszont nem).
Nekem egyáltalán nem volt idáig a levegő hőmérsékletét figyelő termosztátom, mivel fix előremenővel fűtöttem, amit néha a tél hidegebbre fordulásával állítottam. A mostani projektben is leginkább figyelés lesz a W1208 és STC -k dolga. Az érdemi szabályozás a teljesítmény szabályozás, amit egy motoros hajtómű végez a főgázszelepen. A cél az, hogy a hőterhelés és a kazánteljesítmény egyensúlya egy stabil munkapontban vagy annak közelében legyen és lehetőleg magától beálljon. Ilyenkor nem történik ki-be kapcsolgatás ami olyan, mint amikor az autók a dugóban araszolnak. Kijön ugyan az átlag, de az olyan is. Az, hogy mikor milyen szabályozás a legmegfelelőbb életmód, falazat, család létszám, stb függvénye is. Van egy Computherm Q3RF készletem, de évekig egész másra használtam: betegszoba hőmérséklet csökkenése esetén adott ki riasztási jelet. Ezért erre esett a választás, hogy ne kelljen vezetékekkel, szerelvényezéssel bolygatni a helyiséget, csak berakni összelövés után és már működött is. Van egy további gond is a mobil szobatermosztátokkal: nem a termosztatikus radiátorszelepekkel val együttműködésre találták ki, ha áthurcolkodik az egyik helyiségből a másikba az ember, állítgathatja még a szelepeket is. Ennyit röviden
Pedig hidd el, ez a kapcsolása csak így rajzolták az érzékelőt.
Az a 4 csatlakozási pont pedig az IC felprogramozásához kell.
Hogy Te mit nézel, arról fogalmam sincs. De ha a képen felrakott áramkört, akkor az pedig nagyon hasonló. Ezt a rajzot a stílusából nézve, valamelyik orosz kolléga rajzolta vissza. Az, meg hogy a nyákra esetleg mi van rászitázva, a kutyát nem érdekli, mert az esetleg idővel változhat. Szemre ez egy kínai cucc.
De ott a termisztor csatlakozója mellett a 20k, a kondi, ot a csati mellett a 12V-nál a dióda a relé diódája. a stabi. a tranyó. Szinte minden látszik. Akkor ez, miért nem az? Ami kamu, amit mértél 10V-ot. Mert szemmelláthatóan egy mikrokontroller van benne, ami 5V-ról megy. Akkor hogy kerülne 10V az érzékelőre, mikor 5V a tápja. Miért kötnék az érzékelőt a 12V tápra, hogy legyen problémájuk a tápfesz változással? Na, itt van az árulás, nem a rajzon.
Hello!
Néha a kérdésre is válaszolhatnál.. ![]() Ha a mikrokontrollerre gondoltál, akkor még szép. Ha meg hogy a gombok nyomkodva voltak, az meg a témától független. De megpróbálhatod egy panelben benne hagyni a 20k ellenállást (203) és a többiből kivéve, párhuzamosítani. De arra kínosan ügyelni kell, hogy a -12V (GND) közösítve legyen. Mert különben "repülj pújka" lesz.
Igen, hát egyetértünk:
......> Néha a kérdésre is válaszolhatnál. Helyette lassan nem a főtéma, a fölvetett problémára a megoldás találása megy, hanem annak bizonygatása, hogy a kérdező milyen luzer
Na, reggel még tudok valamennyire gondolkodni!
![]() A kijelzés egy lm358-al, ahogy proli007 írta, megoldható, még nyák sem kell, de a szabályzás ilyen egyszerűen NEM! Gondolj bele, ha az egyik pl. 40 fokra van állítva Te hiába akarsz egy másikon 45 fokot állítani, a 40 fokos korábban belép. Valóban, egy vezeték nélküli lehet esetleg a megoldás.
A leg célravezetőbb talán az lenne ha minden radiátorra tennél egy digitális termoszelepet.
Így minden szobában egyedileg beállítható és ellenőrizhető a hőmérséklet ,kábelezés nélkül . A hozzászólás módosítva: Okt 31, 2023
Már meg van oldva, egyik kezelési hely adja át a másiknak a vezérlést egy prioritási sorrendben.
Van minden - kivéve egy helyiség, nem ez a probléma, hanem a kazán állítása. A radiátor szelepek csak a hálózati oldalon fojtanak. Kábelezni csak a kazánház és a vezérlési helyek között kellett, de az le lett fektetve építéskor. Sőt gondolva a jövőre megy egy-egy hálózati kábel is.
A probléma amit vetettem föl a kérdést az elején: egy érzékelővel több kijelzőt meghajtani (mert kevés a hely a kazán előremenő és visszatérő csövén és magas a lengő kábelek száma. A rendszertechnika már kész van abban nincs szükség a segítségre, de köszönöm. A legvalószínűbb megoldásnak az egységnyi erősítésű áramkör kipróbálását tartom, majd a hosszú téli napokon kísérletezek vele és beszámolok az erdeményről. Mégegyszer: köszönet mindenkinek a hozzászólásért.
Na, azért ez nem teljesen így van.. Többen próbáltak itt segíteni, olyan tanáccsal, amilyennel tudtak a Te kérdésed és a megadott információ alpján alapján. De amit írtál, az részben általános, nem érinti a témát a kérdéssel kapcsolatban. Nyilván Te más szemszögből nézed az egész kérdéskört a komplett rendser alapján. A válaszadók meg nem ismerik az egész kérdéskőrt.
A 10,3V pedig ha úgy vesszük, "dezinformáció". Mert számomra egyértelmű, hogy a +12V-hoz képest mértél tévesen. Mert most már tudható, hogy a panelen 20k-van az NTC-vel sorba. Így ha a +12V-hoz képest számítjuk akkor 24..25Cfok mellett van meg a +12V-hoz képest a 10,3V. De azt mellőzted, hogy "Bakter tényleg elmértem!". A másik, hogy megkaptad a rajzot és váltig állítod, hogy az nem a Te áramköröd. Pedig szinte biztos hogy az. Nos, ezek tükrében nem helytálló az, hogy.. "Helyette lassan nem a főtéma, a fölvetett problémára a megoldás találása megy, hanem annak bizonygatása, hogy a kérdező milyen luzer"
Van olyan digi szelep ami rádiós és kapcsolja a kazánt is , ha ilyeneket használsz minden radiátornál a beállított hőfok lesz , és ha mind eléri a hőfokot leáll a kazán .
Az nagy baj lenne, mert akkor a padlót sem fűtené.
Prolinak: majd télen ha sok időm lesz kimérem neked különféle mérőim karakterisztikáját. Lehet, hogy a '+' -hoz mértem, de felhasználásom szempontjából tök mindegy, hogy mekkora feszültséget kapnak a műszerek, csak egyformát. Vedd úgy, hogy kijavítottam UNTK -ra A többi kötekedő kitételedre inkább nem reagálok |
Bejelentkezés
Hirdetés |












