Fórum témák

» Több friss téma
Fórum » DUAL CV1120 teljesítmény tranyok melegedése
Lapozás: OK   1 / 1
(#) pali_2006 hozzászólása Márc 23, 2009 /
 
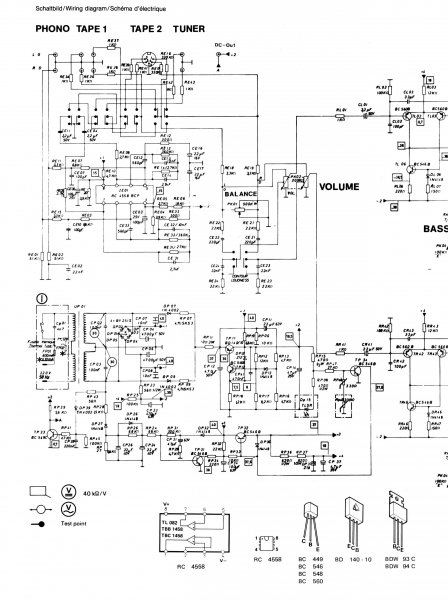
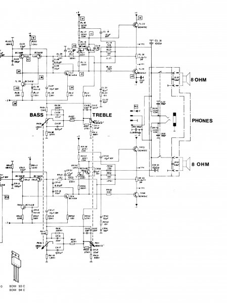
a Teljesítmény tranzisztor vagyis a BDW93c TR73
BDW94c TR69
bázisukon tápfeszültséget lehet mérni holott minden alkatrész jó és ami nem volt jó cserélve lett a kapcsolási rajz szerint amit mellékeltem .Rajz szerint a teljesítmény tranyok bázisán 1,1V van irva .
Ezuton kérek segítséget a javításához.
Köszönöm mindenkinek a segítségét.
Üdv: Pali
(#) Thomas10100 válasza pali_2006 hozzászólására (») Márc 23, 2009 /
 
Helló!

Ennyire ne kicsinyisd le a képeket.

Nem a tranzisztor nem jó?
(#) sebaj_tobias hozzászólása Márc 23, 2009 /
 
Hali!

Melyik tranyón milyen tápot mérsz?
Mindkettőn a pozitívot? Nem cserélted fel őket? A kép tényleg borzalmas.
Tessék alaposan leírni

Bye
(#) pali_2006 hozzászólása Márc 23, 2009 /
 
Hy
A tranyok nincsennek fell cserélve .
Mind a két tranyon pozitiv tápot mérek.
Ezen a linken meg találjátok a kapcsolást.
Az alkatrészek mind jók .
A teljesítmény tranyok kívételekor is a táp fesz mérhető a bázison amikor +/-1,1V kellene mérni

nagyitva.JPG
    
(#) didyman válasza pali_2006 hozzászólására (») Márc 23, 2009 / 4
 
BC548 és báziskörét nézd át.
(#) watt válasza pali_2006 hozzászólására (») Márc 24, 2009 /
 
A hangszínszabályzó szerves része a visszacsatolásnak. Ott is lehet baj. A többi visszacsatoló elemet is vizsgáld meg, nem szakadt e valamelyik.
(#) dual cv 1400 hozzászólása Márc 29, 2009 /
 
CSŐ 1 hónappal ezelőtt vettem 1 dual cv 1400 erősítőt de másnap a kimeneti kapcsolók elromlottak vettem hozzá újakat és megcsináltattam. 6 kimenetes az erősítő és abból 3 nagyon halkan szól 3 meg még halkabban szól. mi lehet a baja? előreis kössz
(#) gery20 hozzászólása Máj 20, 2012 /
 
Üdv mindenkinek akinek van dual cv 1400 hoz kapcsolási rajza az meg oszthatja velem. Vagy legalább is a végfok részéről képek.
Következő: »»   1 / 1
Bejelentkezés

Belépés

Hirdetés
XDT.hu
Az oldalon sütiket használunk a helyes működéshez. Bővebb információt az adatvédelmi szabályzatban olvashatsz. Megértettem