Fórum témák
» Több friss téma |
köszi
pár hét és talán kész lesz a nyák rajz is
Kérdés!!! Van ott magában az a supply csatlakozó, az hova megy??? és a MOD IN-re mi megy???
na erre énis kiváncsi lennék
nekem gözöm sincs rola de ha van valakinek egy müködö nyákrajza és megosztaná velem azt jonéven venném :yes: üdv Sergei
Olvassatok vissza a fórumban, és van nyákterv.
jogos :yes: megent átsiklottam felette de megvan
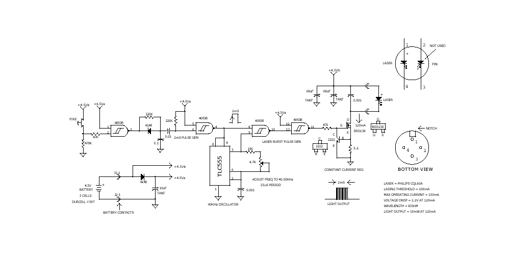
Áhh, feladom komolyan... most leírom harmadszorra, hogy nem szabad feszültséggenerátorról hajtani, mert megdöglik a dióda! Áramgenerátorral kell hajtani!!
Hello!
Sztem csináld úgy, ahogyan Csibi weboldalán látható: Itt keresd a lézershowt! Én már régóta így használom.
Megint kihalt a fórum, vagy mindenki megvakult?
Sikerült valakinek már megépítenie szupepe áramgenyóját? A napokban szétszedtem egy cd és egy dvd írót, a cd író lézer diódáját 1 perc alatt kivégeztem. A dvd író 16szoros a fénye brutális, a ledet egy kínai lézerpointerbe építettem. A fekete műanyagba lehet vele gravírozni, bár gyufát nem égeti pedig 100mA-el hajtottam. Nemtudja valaki hogy ezt a diódát mekkora max árammal lehet hajtani? A lejátszó tipusa ND-3520A.
A Szupepe féle kapcsolást én megépítettem, és tökéletesen műxik.
heló
nekem a 4*-es DVD író lézere döglött meg 110 mA-nél, gondolom a tied elbírna többet is.
Kár hogy a dvd lejátszón nem tüntetik fel a lézer teljesítményét vagy a számát. Hát lehet hogy bírna többet de nem merem följebb húzni az áramot, félek hogy tönkremegy.
Max 2V-ig mehetsz vele fel. Addig tekerd az áramot, míg kb 1,9-1,95V nem lesz rajta, de az legyen a maximális áram.
Én is megépítettem, dobozzal együtt ezer forintomba került. Amit még nem írt senki, az az ,hogy zárlatvédett, tehát ha simán csavarhúzóval rövidre zárja az ember, ez akkor is a megfelelő áramot adja, kicsit sem ugrál. Szóval tökéletes kapcsolás. Kicsit majd felturbózom, valami panelmérőt akarok rárakni, megy egy két cuccot, kép hamarosan lesz.
Megmértem, de nem ájultam el az eredménytől. A kaját két AA elemről adtam, a diódával sorosan kötöttem egy 22ohmos potit. Az eredmény 1.95v-on csupán 20mA áramot kért. 100mA-nél mŕr 2.3v lett az eredmény. Érdekes.
Jah, télleg, vörös diódánál más a helyzet kissé.
Azt szeretném megtudni hogy minden lézerdiódába van fotodióda is? Ezt persze a dvd írókból kiszereltekre értem.
Nekem az eddig kiszereltekbe mind volt.
Bővebben: Link
Na, mit találtam Meg kéne kérdezni, hogy egyesével nem-e ad diódát. 18$/darab lenne 180mW piros, 16x-os dvd-rw-ből.Hopp, de találtam 3 darabosat, 20$/darab Bővebben: Link Eladó ugyanaz. Ha valakinek van paypalja, akkor én az egyikre vevő vagyok.
Vaterán is találtam hibás dvd írókat, és azokban nem feltétlenül a lézer megy tönkre. Ezekhez olcsón hozzá lehet jutni, csak nem biztos hogy most találsz 16x-at.
Találtam egy áramgenya kapcsolást, kicsit bonyolultabb mint az eddigiek. Az áram fix 120mA. Véleményeket várok.
Mi a fenének? Már ne haragudj, de a már említett szupepe féle áramgenerátor szabályozható, és egyszerűbb, ez feleslegesen túl van bonyolítva, és drága.
Ezek a diódák működnek, nem kell problémázni vele. Bár szállítással együtt már nem éri meg egyenként, mert 5kból veszek 18x-os írót itthon.
Hamarosan elkészül a lézermodulom. Már csak a fet és az ic hiányzik belőle ami remélhetően holnap meglesz. Addigis feltettem pár képet a remekműről.
:yes:
Ez aztán pofás kis szerkentyű!nagyon tetszik a doboza! honnan van?
A doboz váza egy ic-nek a hűtőbordája volt, az eleje és a hátulja 3mm vastag alulemez, van benne egy kínai lézerpointer ház, és ebbe raktam a 16szoros dvd író lézerdiódáját, ill. a Szupepe féle áramgenerátort.
16X-os DVD-író lézert hány mA-re hajtod?
heló
És próbáltad már a diódát? Ha igen, akkor mekkora árammal hajtottad? (és még nekem mondták, hogy túl zsúfoltak a paneljaim ) Nagyon tetszik, gratula. |
Bejelentkezés
Hirdetés |




de ha van valakinek egy müködö nyákrajza és megosztaná velem azt jonéven venném :yes:
Meg kéne kérdezni, hogy egyesével nem-e ad diódát. 18$/darab lenne 180mW piros, 16x-os dvd-rw-ből.
:yes: 



) Nagyon tetszik, gratula. 




