Fórum témák
» Több friss téma |
- Ez a felület kizárólag, az elektronikában kezdők kérdéseinek van fenntartva és nem elfelejtve, hogy hobbielektronika a fórumunk!
- Ami tehát azt jelenti, hogy a nagymama bevásárlását nem itt beszéljük meg, ill. ez nem üzenőfal! - Kerülendő az olyan kérdés, amit egy másik meglévő (több mint 17000 van), témában kellene kitárgyalni! - És végül büntetés terhe mellett kerülendő az MSN és egyéb szleng, a magyar helyesírás mellőzése, beleértve a mondateleji nagybetűket is!
Hello!
Persze. Az egyik Led helyét rövidrezárod. A TINA-ban tranziens analízissel kell próbálni, de ahhoz hogy működjön is, az egyik tranyó bétáját meg kell változtatni. Mert különben enm fog elindulni. (A valóságban a tranyók zajától megy egy astabil, itt meg eltérésnek kell lenni a két oldal között, mert ha nincs difi, a számításnál mind két oldalon ugyan az az eredmény fog kijönni. Úgy meg hogy billenjen el először?) üdv! proli007
Oké köszönöm!
Az Alldatasheet a biztos, vagy Datasheet Arhive. De DVM-el rámérsz és, máris tudod.ha tudod-
A₂AUPC
115C°F₁₁ 2A250V~ Ez egy hőmérséklet függő ellenállás lenne? Magas 115Fok felett nem menne rajta áram? Hol lehet ilyet venni?
Hello!
Volna egy kérdésem. Egy LPT portot akarok rákötni a demultiplexerre. Az lenne a kérdésem, hogy valaki meg tudná mondani melyik lápra mi kell kötnöm. Sikerült szereznem leírást is hozzá de igazán jövök ki belőle :S Ha tud valaki, léci segítsen.
Sziasztok!
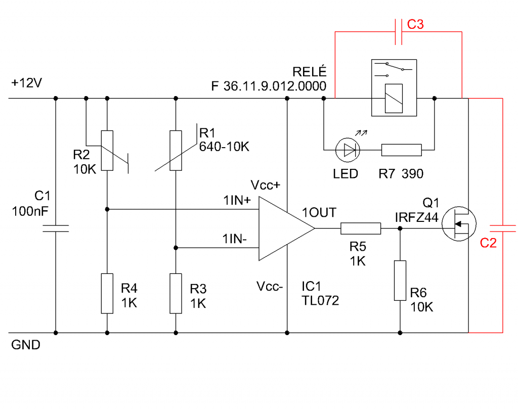
Elkészítettem ez alapján a melléklet szerint módosítva. Kérdésem, hogy a relé kattogását hogyan tudnám megszüntetni, mert zörög sajnos. Próbáltam C2 és C3 kondenzátorokat beépíteni, de ezek csak a kattogás frekvenciáját módosították. Aki tud kérem segítsen. Köszönöm
Milyen tápegységet használsz? Elegendő a teljesítménye, megfelelő a szűrés?
Használj reed relét. Az nem kattog.
"hagyományos" relé kattani fog meghúzáskor és elengedéskor is. A mechanika hangja ezt elektronikával nem tünteted el. A hozzászólás módosítva: Szept 28, 2012
ATX tápegységről megy, a teljesítménye gondolom elegendő, amikor néha bekapcsol, akkor teljesen jó. Valami olyasmi lehet a gond, hogy az elengedés és meghúzáshoz szükséges feszültség környékén van sokszor a relé. Szerintem.
Reed relével lehet sok (10-15) ampert 3,3 V-ot kapcsolni? Hogyan kell? A kattogással az darabszám a gondom, másodpercenként néhány 100 (talán ezer is). A ki és bekapcsolás kellene valami valahogy megoldani, hogy egy-egy kattanás legyen csak.
A relé nem arra való, hogy pár 100 Hz-en vagy kHz-en működjön.
Erre tranzisztor (BJT/FET) vagy triak vagy optocsatoló kell.
Ez addig kattogni fog, "fogyasztja a relé élettartamát", (reed relével is, csak az nem olyan hangos), míg nem csinálsz neki hiszterézist. Azt pedig azzal lehet, hogy bekötsz az 1OUT és az 1IN+ lábak közé egy ellenállást. Minél kisebb az ellenállás, annál nagyobb a hiszterézis, vagyis az a feszültségkülönbség (hőmérsékletkülönbség) ami a bekapcsolás és a kikapcsolás között van. Lehet pontos számításokat is végezni, de lehet azt is, hogy a két pont közé egy 1 MOhmos potmétert teszel, majd óvatosan csökkented az értékét. Megnézed mekkora az az érték, ahol stabilan nem kattog, és utána akkora (ahhoz közeli, de inkább kisebb) szabványos értékű ellenállást beépítesz.
kender256-nak igaza van. Én eddig galád módon meg sem néztem a kapcsolást csak olvastam.
Valóban hiányzik a visszacsatolás. Így a komparátorod folyamatosan billeg, ha lassan változik a hőmérséklet.
Sziasztok. Van egx Hp Laserjet 6L nyomtatóm. Egy 35 pines csati van rajta. Ehhez vettem egy sima parallel kábelt rákötöttem asztali gép portjára és mindne jó volt. A gond onnan jött hogy én a nyákjaimat laptopon tervezem másik szobában stb nálem lenne helye a nyomtatónak az azstalinál nem.
Neten találtam egy olyan kábelt ami ezt a 36pines csatit egy szabvány USB-re alakítja. Viszonylag olcsón vettem is egy ilyen kábelt. Összedugtam az gépeket az Xp egyből jelete új hardver stb telepítés, majd telepítve üzemkész. Próbáltam vele nyomtatni de azt írja minden fájlra hogy nem nyomtatható... Mi lehet a gondd? Sajnálom ha rossz témában kérdezek de ez nem anyomtató hibája szerintem mivel asztali alaplapra kötve jó a gép.
Ha rövidre zárom, gondolom az nem tesz jót. 4,7K-val megpróbálom.
Kipróbálom, köszönöm.
Hello!
Például így. De program is kel hozzá.. üdv! proli007
Akkor a Z a föld lenne, és az Y -ok a logikai kapcsolások eredménye
A táp + és - lábaihoz minek kell amit odaírtál?
Hello!
Ez egy bilaterális, vagy analóg kapcsoló. Ha a Z-t a GND-re kötöd, akkor azt gogja kapcsolni. Ha a tápra, akkor azt. Vagy is olyan mint egy választó (szelektor) kapcsoló, ahol a közös pont a "Z", és az S1..S3 bináris variációjától függően zárja össze Z-t Y0..Y7-el. A kapcsolt feszültségnek, persze valahol az IC tápok között kell lenni. (pld. 5V táp mellett, 12V-ot nem kapcsolhatsz..) üdv! proli007 A hozzászólás módosítva: Szept 28, 2012
Úgy akarom, hogy ugye a táp vezérli a demultiplexert majd attól függően, hogy melyik lábra adja a jelet, mit fogok kapcsolni. Persze majd az aktív lábat felerősítem hogy megfelelő legyen. Nem ledeket akarok kapcsolgatni
Hello!
Nem lett volna egyszerűbb megmondani mit akarsz kapcsolni, mint felsorolni mit nem akarsz? ![]() üdv! proli007
Bocsi, csak sok a kidolgozatlan részlet és már volt rá példa, hogy idő előtt lehordták a tervet, noha végül teljesen rendben volt.
LPT -al akarok egy robot funkciót működtetni. Előre, hátra, emelés, döntés -- ilyenek. Ezért kell a demux, mert ugye több funkció van és 8 kevés. A demux segítségével szétválasztom az egyes jeleket és mikor hova adja a jelet, azaz a " + -t " mondjuk elindít elindít egy motor ami előre mozdítja a robot egy karját.
Hello!
Oké, de ha akkor nyolc kimenet elég, minek a multiplexer? A párhuzamos porton akár 10 kimenetet is találsz. A multiplexer hátránya, hogy egy időben csak egy kimenet lehet aktív.. Ha meg 8-nál több kell, akkor bővíteni is kel az MPX-et, vagy 16-osat kell használni. üdv! proli007 A hozzászólás módosítva: Szept 28, 2012
4,7k nagyon kevés lesz, túl nagy lesz a hiszterézis. Nem véletlenül írtam 1 Mohm-ot!
Sziasztok!
Segítséget szeretnék kérni. Van egy speeddome kamera ami 24VAC müködne, de 24VDC kötöttem rá véletlen. Van benne egy kapcsolóüzemű konverter ami AC24-ből DC12-öt csinál. Elszállt rajta valószinüleg a szekunder oldalon egy 1000/16 os kondi. A táp most kiadja a 12VDC-t de terhelésre leesik 3V-ra. A kérdés hogy ezt okozhatja az az egy kondi hiánya, vagy más is kipukkanhatott a tápba? A tápra van egy 3A bizti forrasztva (smd kerámia, primer oldalon) az nem szált el. Segitséget előre is köszi. Üdv
Hello!
Elég érdekes. Ha 24Vac-t kötsz rá, és egyenirányító+kondi van a bemenetén, akkor ott, kb. 32V feszültség van. Te pedig 24V-ot kötöttél rá. Vagy is csak kevesebb volt a táp, mint kellett volna. Egy kapcsolótáp, ilyenkor nagyobb áramot vesz fel, mert ebből kell előállítania ugyan azt feszt. De tisztességesben van feszültségcsökkenésre védelem. Ha meg nincs, akkor bírnia kellett volna. (Trafó meg nem lehetett benne, ha kapcsolótáp volt.) ![]() üdv! proli007
Szia.
Lehet hogy én fogalmaztam rosszul. töltök fel képet az átalakítóról. egyébként én sem értem a dolgot, véleményem szerint 24AC helyet 24DC-nek nem kellene kárt okozni, bár a legtöbb kamera 24AC/12DC és aminek gondolom van valami oka. Eddig még sose fordult elő hogy így elnézzem. Csak nem olvastam bele a könyvébe a bekötésnél meg rajta volt hogy + -, ami kiderült hogy azért van rá irva mert a kistesójával azonos a kábele és az csak 12DC kér.
...úgy értettem, hogy az 1M elé, ha netán nullára tekerném. Közben próbálgatom, úgy tűnik, hogy a C2 22micro, az általad javasolt ellenállás 100K körüli értéken jó lesz.
Holnapra kiderül
Hello! Kondi hiány semmiképpen nem lehet benne. üdv! proli007
Hello!
Fet-re párhuzamosan nem illik kondit tenni, kinyírhatja. Ha már szűrni akarsz, akkor inkább az R6-al tedd párhuzamosan. üdv! proli007
Szia!
Egyelőre úgy tűnik, hogy végre működik Fet-tel párhuzamos kondival is, nem is zörög a relé, ugyanígy jó lenne akkor is ha úgy csinálom, ahogy írtad? Ha a Fet helyett egy tranzisztor lenne akkor is így helyes a kondi, ahogy írtad? VP A hozzászólás módosítva: Szept 29, 2012
|
Bejelentkezés
Hirdetés |










