Fórum témák
» Több friss téma |
- Ez a felület kizárólag, az elektronikában kezdők kérdéseinek van fenntartva és nem elfelejtve, hogy hobbielektronika a fórumunk!
- Ami tehát azt jelenti, hogy a nagymama bevásárlását nem itt beszéljük meg, ill. ez nem üzenőfal! - Kerülendő az olyan kérdés, amit egy másik meglévő (több mint 17000 van), témában kellene kitárgyalni! - És végül büntetés terhe mellett kerülendő az MSN és egyéb szleng, a magyar helyesírás mellőzése, beleértve a mondateleji nagybetűket is!
Ha ott egy az egybe elvágom, gondolom nemcsak azokkal a billentyűkkel marad el a kommunikáció.
Az elektronikát átraknám a másik sarokba az nem gond. (vagy egy picit visszább mint ahol levágnám) az új sarokba.
A hozzászólás módosítva: Jan 26, 2013
Értelmesebb, ha veszel egy kisebbet (lehet kapni).
Ha mindenáron műteni akarsz, akkor - ha fóliás - csak a fóliát kell levágnod. Na persze, ha nem pont azon a részen van az elektronyik csatlakozója A hozzászólás módosítva: Jan 26, 2013
Okés köszi! Van vagy 3 ilyen billentyűzet megmaradva és ha megoldható akkor nem vennék(pont ez a lényeg benne) az egyiket megműtöm.
vagy kibírja vagy nem. Azért kértem segítséget hogy nehogy az ütőerét vágjam széjjel . Köszi a választ. Üdv.
Nem tartom valószínünek, hogy háttérvilágítás, ugyanis totál fekete kép, aztán EKG szerü vagy zöld vagy piros cikcakkok aljától felfele, fentről lefele, ezek erősödnek és utánna kapcsol be... amugy minden megy rendesen ezután...
Úgy tudunk segíteni, ha lefotózod a belsejüket.
LM2931 regulatort szerintetek mivel lehet ne helyettesíteni
Műanyagot(borítást) vágd le a belsejét meg hajtsd alá
A billentyűzet egy roppant egyszerű jószág, legalábbis elektronikus szempontból. Sajnos a billentyűk mátrixba vannak kötve, és ezt kérdezi le folyamatosan egy 8042 típusú mikrovezérlő. Ez egy cél mikrovezérlő, semmi más dolga nincs, mit érzékelni a lenyomott billentyűt, vagy billentyűket, és sorosan kiadni a hozzá tartozó kódot.
A szétfűrészelésnek az az akadálya, hogy megbontod ezt a mátrixot.
Attól függ: mekkora a bemeneti feszültséged, kell-e LDO-s, és milyen pontos 5V kell?
Írtam oda is, de azt nem látogatja senki.
Sziasztok.
Olyan ötletem támadt, megelégelve az adaptereket, hogy a router-modem pároshoz kellene készíteni egy kis egyszerű adapter-t, ami 220ról megy, stabilizált és szűrt. A jelenlegi felállás, hogy a router igénye 9V-800mAh, a kábelmodemé 12V-1A. A dogot úgy képzeltem el, hogy a két eszköz kap egy szép házat, és ebben lesz a táp, az adapterek vége a sima dugós dolog (mi ennek a neve?), ilyet gondolom kapni szerelhető változatban. Tehát a dobozba lesz egy sima PC tápkábel aljzat, ebbe megy be a feszültség, belül pedig egy egyszerű kapcsolás kellene, trafóval. Aminek a kimenete egy 9V 1A terhelhetőségű és egy 12V 1A terhelhetőségű ág, stabilizálva, szűrve, biztos, ami biztos, illetve külön kapcsolhatóra a két ágat. Mennyire bonyolult ezt megművelni, és milyen alkatrészek kellenek? Gondolkodtam még biztosítékok beiktatására is, nem tudom, szükséges-e. Illetve ezek az alap routerekhez adott adapterek milyen minőségűek...A két adapter három helyet foglal, mert pont akkora, hogy az elosztóba nem fér be egymás mellé a kettő, kell egy szünet, és oda sem fér be semmi.... A hozzászólás módosítva: Jan 26, 2013
De most hogy? Mi a problémád? Az a baj, hogy van egy tápja a routernek, és van 1 tápja a modemnek is, és mindkettőt be kell dugni a konnektorba? Ha egy valamit dugsz a konnektorba, akkor is rá kell kötnöd mindkét eszközt. Mivel jobb? Akkora trafók kellenek, amik leadják azt a teljesítményt, és lehetőleg olyan feszültséget is adjanak le, aztán egy 2 utas egyenirányító, és egy stabilizáló IC a legegyszerűbb szerintem. De a meglévő tápok már kész vannak, és pont nekik való.
Sziasztok!
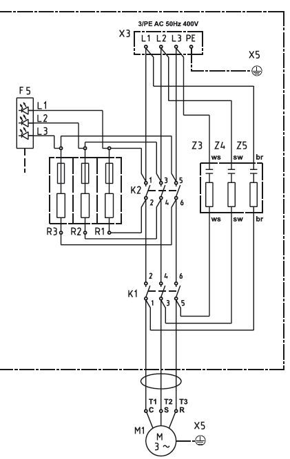
A mellékelt rajzon egy motor indítás látható. Jól értelmezem a működését? Ami szerintem: X3: a betáp; F5:fázisőr; K1,K2:kontaktorok; R1,2,3:lágyindításhoz ellenállások; Z3,4,5: hevenyészett fázisjavítás; M1 a motor Szóval, ha a motornak indulnia kell akkor először K1 meghúz és R1,2,3 ellenállásokon keresztül kapja a motor a tápot. Majd kis idő múlva meghúz a K2 ezzel söntölve az R1,2,3 ellenállásokat így már 'direkbe' kapja a tápot a motor. Z3,4,5 nem igazán világos mert azok állandóan rajta vannak a motoron. Én úgy gondolom valamiféle fázisjavítás lehet. Mit gondoltok?
Szia!
A Z-vel jelzett R-C elemek inkább szikraoltó-zavarszűrő szerepet töltenek be. A hozzászólás módosítva: Jan 26, 2013
És ez mit jelent pontosan? Az eredeti leírásban ez van: Anti-interference capacitors
Ezzel sajnos nem tudtam mit kezdeni. Azt jól látom, hogy a K1,2 nyitott állapotában ezek ott vannak a motor kapcsain és amikor a kontaktorok meghúnak akkor ezek is söntölve lesznek?
Mindent jól látsz, és az interferencia (elektromos) zavart jelent.
Mi a baj? hatalmas a kábelkavalkád az asztalom alatt, három elosztó van, hogy nagyjából külön lehessen mindent kapcsolni. Ezzel a megoldással, amit felvázoltam, egy elosztó kiesik. A tápok készen vannak, de nem igazán van kedvem szétkapni őket (mondjuk lényegesen egyszerűbb lenne, nem kellene semmit építeni. Akarok egy kis házat kreálni a kütyüknek, és ebbe akarok tenni egy a tápot.
Tehát akkor kell egy trafó, amiből 12V jön ki, és legalább 4A terhelhetőségű, a két utas egyenirányító, így lesz 2x12V DC feszültség, 7812 IC (vagy UA7812-ST), a 12V-ra, és 7809 IC a 9V-ra, és kész? Ennyire egyszerű lenne?
Akár, hogy nézem a soros RC tagokat akkor sem értem.
Azt tudom, hogy az interferencia elektromos zavart jelent. De egy mezei 3 fázisú motornál eddig nem láttam ilyen megoldást. Mivel az RC tag sorba van a motorral miért áll mikor a kontaktorok nyitva vannak? A kondenzátorok reaktanciája akkora, hogy nem tud elindulni? A hozzászólás módosítva: Jan 26, 2013
Azok nem sorban vannak a motorral, hanem párhuzamosan a két kapcsolóval. Az RC kör impedanciája olyan nagy, hogy a motor észre sem veszi, viszont a kapcsolók nyitásakor keletkező impulzus feszültség csúcsokat csillapítja.
Persze, hogy nem a motor zavarát csökkenti, mert annak nem nagyon van, hanem a kapcsolók zavarát csillapítja.
Igen látom, hogy a kontaktorokkal párhuzamosan van. De mikor ezek nyitva vannak akkor sorba van a motorral.
Ekkor elvileg nem mérek feszültséget a motor kapcsain. Valamit nem értek/nem fogok fel ezzel kapcsolatban
Sziasztok!
A segítségeteket szeretném kérni a képen látható az áramkör működésének megfejtésében. Az áramkör akkumulátor töltöttségét jelzi ki színes ledek kigyulladásával. A kérdéseim: - az áramkört egyszerűen kössem be párhuzamosan az akku által működtetett áramkörrel? - a ledeken a rajzon írt feszültség esik, vagy ilyen feszültségű ledet kérjek a boltban? - ha az akku feszültsége például 10,6V, akkor csak a narancs színű led világít? - milyen Watt-értékű ellenállásokat érdemes használni? Köszönöm!
Mekkora a motor ellenállása? Kb néhány ohm körüli, vagy alatti a motor teljesítményétől függően, a zavarszűrőben pedig biztos hogy 100 ohm nagyságrendűek.
A hozzászólás módosítva: Jan 26, 2013
Elnézést az értetlenkedésért.
Közben rajzolgattam és számolgattam. A váltakozó áram néha még összezavar. Főleg, ha három fázis és induktív a fogyasztó. Most már értek mindent. Köszönöm kadarist és pucuka.
9V-ról lenne üzemelve , csak a rajzon ez van megadva és biztos akarok lenni benne hogy ha be helyettesítem a működésében nem lesz gubanc
9V-ról 5V-ot bármelyik stab.kocka tud (minek egy ilyen spéci LDO-s??), de nézd meg a PIC mennyire kényes a pontos 5V-ra (szerintem nem nagyon, de nézd meg az adatlapján), max. beraksz egy cénert még. Egy 78l05 is tud 100mA-t. Persze a szűrő tagokat szépen bele kell tenni (adatlap).
A hozzászólás módosítva: Jan 26, 2013
De nem változtat semmin amit csinálni akarsz. Tegyük fel 1,5m hosszú kábel jön ki az adapterekből. Most a routertől, és a modemtől 1,5m-re vannak a tápok, és onnan vannak bedugva a 2 eszközbe. Te 1,5m-re egy valamit akarsz bedugni, és a tápok dobozát gondolom az eszközök mellé tenni, és abból a dobozból adsz tápot a routernek, és másik vezetéken a modemnek. Felesleges. Ugyanezt megteheted egy hosszabbítóval, vagy elosztóval. De ha annyira külön akarsz kapcsolgatni, még olyan hosszabbítók is vannak, amiken minden csatlakozót lehet külön kapcsolni. A kétutas egyenirányítás nem=2 külön feszültséggel, csak a váltakozó feszültség mindkét periódusát felhasználja, és valamivel nagyobb feszültség lesz egyenirányítva (Tán 1,2xUbe). Aztán még egy nagy pufferkondenzátort sem árt tenni az egyenirányítás után. De a legjobb, és legegyszerűbb, és legolcsóbb azt használni, ami van hozzá.
Látom nem tudom megértetni magam. Képzelj el egy 20x20x15cm-es dobozt (SzxHxM), ebben van benne a modem és a router. A dobozban van egy ventilátor oldalról szellőztet. A dobozba hátul bedugsz egy darab PC tápkábelt, és ennyi. Belül pedig a már említett épített táp, nem sokkal nagyobb helyen elfér, mint egy adapter mérete, ebből kijön két dugó, amit a megfelelő eszközökbe csatlakoztatva öröm és boldogság van. De lehet tényleg jobban járok egy külön kapcsolható hosszabbítóval, de van egy olyan gyanúm, hogy nem olcsó mutatvány...
Hello!
- Ez egy egyszerű de nem korrekt kapcsolás. De párhuzamosan kellene kötni az aksira. - Nem, a feszültség ami a Led hivatkozásával van felírva, azt jelentené, hogy attól a feszültségtől "felfelé" világítani fog az adott Led. - Ha az akku feszültsége eléri, vagy meghaladja a 10,6V-ot, világítani fog a D1. (Ha szerencséd van.) - Az ellenállásokra jutó teljesítményét mindig ki kellene számolni, és az alapján meghatározni hogy mekkora teljesítményű kell bele minimum. Mindig a leg rosszabb esetet kell számításban venni. Itt ez akkor van, amikor az aksi mondjuk 15V-ot eléri. Ekkor kell meghatározni az ellenállásra jutó feszültséget. Majd U^2/R alapján számolható a teljesítmény. De ez a kapcsolás, nem sokat érő. Ugyan is, az, hogy hol fog a Led jelezni, az attól függ, hogy mekkora a zénerdióda, és a Led nyitófeszültségének összege. Innen kezd el majd világítani, és nő a fényerő, ahogy a feszültség emelkedik. (Természetesen ez után ahogy az ellenállás korlátozza az áramot. A Led nyitófeszültsége függ a színétől, de függhet egyedi példányától is. Tehát a jelzés kezdetének feszültsége annyi lesz épp amennyi. Valamint beállítani sem lehet, csak a zéner cseréjével. Határozott feszültségpontú jelzésre sem lehet számítani, valahol el kezd világítani, aztán nő ahogy nő a fényerő. A Led fénye az Led áramától függ. Leszimuláltam számodra az első D1 dióda áramát. 1,5V-os Led és 9,1V-os zéner esetén. Nézd meg, szerinted melyik feszültségnél fog már világítani? üdv! proli007 A hozzászólás módosítva: Jan 26, 2013
|
Bejelentkezés
Hirdetés |




vagy kibírja vagy nem. Azért kértem segítséget hogy nehogy az ütőerét vágjam széjjel . 








