Fórum témák
» Több friss téma |
- Ez a felület kizárólag, az elektronikában kezdők kérdéseinek van fenntartva és nem elfelejtve, hogy hobbielektronika a fórumunk!
- Ami tehát azt jelenti, hogy a nagymama bevásárlását nem itt beszéljük meg, ill. ez nem üzenőfal! - Kerülendő az olyan kérdés, amit egy másik meglévő (több mint 17000 van), témában kellene kitárgyalni! - És végül büntetés terhe mellett kerülendő az MSN és egyéb szleng, a magyar helyesírás mellőzése, beleértve a mondateleji nagybetűket is!
Az astabil dolgok az EWB-ben sem működnek.
üdv!Szerintem vegyél zöldet.A 3mm-es a boltban MAX. 20 Ft!
Helo
Remélem nem nagyon off a téma, a topik címe talán illik rá. Van egy akkus villanyborotvám, ami hálózatról is működik, de csak ha benne vannak az akkuk. Azt szeretném kérdezni, hogy ki lehetne-e váltani valahogy az akkukat (elromlottak), hogy hálózatról tudjon működni a gép? Úgyis mindig így megy. (Braun 4775; 2 db gyári (valszeg 1,2V) Ni-Cd ceruzaakku) Köszönöm
Hello!
Hát meggondolandó! Az aksik jelentős áramot tudnak produkálni, tehát elég izmos tápegységre lehet szükség helyettesítésnél. A másik kérdés, hogy nem szivesen dugnám a képemet egy barkácsolt szerkezethez. Ezeknél a gépeknél, a legtöbbesetben az aksitöltéssel van a baj, mert fittyethánynak a töltési előírásokra. Folyamatosan rajta tartják az aksit a töltőn, és általában szabályozás sincs. Annak pedig arra van szüksége, hogy feltöltsed, majd lemerítsd. A "pufferüzemet" nem szívesen viselik. (Bár a Braun-t nem ismerem, de sokat azért nem feltételezek róla.) Amúgy Én borotvával borotválkozom, és szerintem egyszer olyan gyorsan, mit Te a Braunnal. üdv! proli007
Köszönöm. A barkácsolásra csak azért merészeltem gondolni, mert a hálózati adapter (annak hívják?) külön van. A dugasszal van "egybeöntve". Magába a készülékbe már csak 12V megy be. Volt egy régi brotva (szintén Braun), ott még házon belül volt a trafó. Abba nem piszkáltam volna bele semmi pénzért.
Amíg meg nem oldódik a dolog, Én is pöngét használok. Ha megjavult a gép, majd versenyzünk
Akkor marad az akksi. Bár felvetődött bennem egy kérdés. (remélem nem untatlak benneteket.). Szóval ha bedugom a konnektorba, akkor is működik, ha az akksik le vannak merülve. Ilyenkor honnan veszi a nagy áramot a motor meghajtásához
. A hálózati csatlakozó "outputja" 12V 400 mA.Egy egyszerű kis digi multiméterrel megmértem azt a két pontot, ahová az akksik érintkeznek. 1,17 A -t mutatott. (Az lehet, hogy ekkora árammal tölt?) Beraktam 2 db 2100-as akkut és kb másfél-két óra múlva kész voltak. Lehet úgy működik, mint a gyorstöltők?
Galvanikus leválasztás, kis áramfelvétellel kapcsolás.
Olyan helyeken, ahol szükség van jelátvitelre, de közvetlenül nem lehet összekapcsolni áramköri részeket (távolság, eltérő potenciál, galvanikus leválasztás igénye, stb), optikai elven működő csatolókat is fel lehet használni. Kivitele: Pl. Egy LED, és egy fototranzisztor, közös, sötét tokozásban. A LED csak a fényerejének változásával vezérli a tranzisztort, köztük más kapcsolat nincs. Így akár 1000V feszültségkülönbség is lehet a két kör között, a jelátvitel mégis létrejöhet.
Ugyanilyen elven működik a fénykábeles adatátvitel is, csak itt az (fény)adó, és vevő között a távolság fénykábbellel át van hidalva.
Szia!
Áramot mérni úgy szoktunk, hogy sorosan kapcsoljuk a fogyasztóval a multimétert. Ha jól értem, te párhuzamosan kapcsoltad, ezért kaptál 1,17A-t, ami a táp rövidzárlati árama. Szerintem a motoroknak bőven elég 12V 400mA. Én megpróbálnám, hogy ha az elemek helyére bekötném polaritáshelyesen a 12V 400mA-es tápot (remélem egyenirányított, pufferelt és szűrt!) , működik-e a borotva. (Szerintem kellene neki működnie.)
Sziasztok
Ezt a kapcs rajzot átlehet alakítani úgy, hogy ne felváltva villogjanak a ledek hanem egyszerre? Mint a bicikli lámpánál.
Nem. Csak olyan formában, hogy az egyik tranzisztor helyére egy erősebbet raksz be, és a hozzá tartozó egy LED helyett több LED-et kapcsolsz párhuzamosan.
Idézet: „a második villoftatót, csak leszeded” jdani: Mi az a második villogtató?!?!? Mutasd már meg.
Sziasztok!
A kérdésem az lenne, hogy az összes típusú diódán mérnem kellene ellenállást az egyik irányba, (bármilyen áramkörben van)? Mert egy panelon a sok közül az egyiken nem mérek ellenállást, lehet azért nem működik a cucc, mögötte épp egy LED van ami nem világít.
Áramkörbe építve legfeljebb a rajta eső feszültséget tudod mérni. Legalább az egyik lábát ki kell forrasztani, ha többet akarsz tudni, és akkor sem ellenállást kell mérni, hanem diódavizsgáló módban nyitóirányú feszültséget, illetve záróirányban szakadást, ha jó a dióda.
Köszi! Tényleg... a feszmérés teljesen kiment a fejemből. (Ezek szerint nem vagyok kipihenve)
Azért ez nem teljesen igaz. Áramkörben is mérheti a nyitóirányt. Tehát, ha egyik irányban sem mutat a műszer semmit, akkor biztos, hogy rossz a dióda.
A másik, hogy csak az utóbbi időben - a DMM-ek elterjedése óta - mérünk feszültséget diódán, valaha egyértelműen az átmenetek egyenáramú ellenállását mértük mutatós műszerrel. Ez ugyan nem jelentett sokat, de a diódák hibái (zárlata, szakadása, stb) teljes biztonsággal megállapítható így is. Tranzisztormérés esetén pedig sokkal informatívabb volt, mint a DMM által mutatott érték.
Üdv
Egy quad opampnál a nemhasznált erősítőkkel mit kell csinálni? A nem invertáló bemenetet 10k-10k ellenálással a táp és a föld közé kötni az invertálót és a kimenetet pedig tápra? Vagy hagyni a fenébe? Előre is köszönöm a válaszokat.
hali
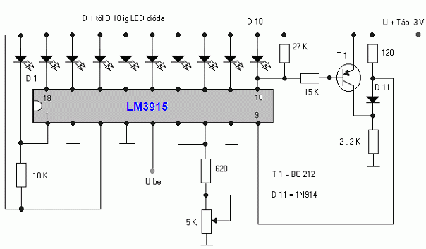
szeretnék egy egyszerű kivez.jelzőt építeni, találtam is egy kapcsolást, amelyet működőképesnek nyilvánítottak. (LM3915-el)...elolvastam az adatlapot, és aszerint ha a 9es lábat V+-ra kötöm (3as láb), mint az ábrán, akkor ugye bar mód lesz - ez kell nekem, hogy olasmi hatást árjek el, hogy fel le mozognak a ledek, és nem csak egy világít, igaz? (az egy világít az meg a dot mód gondolom én) 12-20V az ajánlott V+, tehát a számítógép 12 voltja pont jó...de a ledek is ezt a tápot kapják meg? szóval pl. nem ég ki az első led, ha csak az világít? illetve ha akarom szabályozni a fényerőt, akkor elég az 1es láb és az első led közé egy 10K-s potit kötni?
illetve azt kihagytam, hogy ez a kapcsolás működne-e LM3914-el is? különbözik valamiben a két IC?
Szia
Én megépítettem már ezt a kapcsolást,és nekem müködik Igaz a 9-es láb,és a föld közé egy kapcsolót javasoltak beépíteni,mert ezzel lehet váltani a "bar" és a "dot" módot! de én nem tudtam váltani,ha zártam azt a részt,ha nyitottam,nekem igyis-ugyis,az összes led világított,és igy üzemelt kivezérlésjelzőként,bár én nem tapasztaltam,valami túl nagy érzékenységet,én inkább az alábbi kapcsolás melett döntöttem,és nekem ez jobban is tetszik!(csatolva) (mellesleg ezt is megépítettem,most ezt használom) köszi Tomi
Amiért idejöttem,az egy javaslatkérés...
Javasoljátok-e ,hogy a telefon hangszorójának a "learanyozott" érintkezőit lecinezzem?Egy nokia 5200-ás hangszorójáról lenne szó,amiről én is tudom,hogy nagyon sokan jelzik,hogy gyári hibás a hangszoró kontakthibája miatt IS(meg a 2-es,5-ös gomb kopása miatt is) Már számtalanszor szétszedtem a telefont,és felhajlítottam az érintkezőket,de egy pár nap után ugyanúgy jelentkezik a kontakthiba... Garanciája most járt le májusban,de amugysem lenne,mert már kicseréltem a kijelzőt,és a hangszorót is(a hangszoró recsegett,de nem a kontakhiba miatt) és nem szervízben végeztem el ezeket e teendőket ahogy felénk szokás mondani,ezen a telefonon már csak a balta segít Köszi elöre is Tomi
Igen. Valóban erről van szó.
A táp egyenirányított, de hogy pufferelt és szűrt-e...? Lehet most nem kötözgetek, még végleg elrontom. Egyébként csak azért önállóskodtam, mert a szervizben azt mondták, hogy panelcsere: 8000 Ft! Egyelőre beraktam 2 NiMH akkut, remélem nem okoz gondot, hogy nem kadmiumos. Meglátjuk, mi lesz. Kösz, hogy időt szántatok rám.
azt olvastam valahol, hogy kell egy 2.2 vagy egy 10 uFes kondi az 1es láb és az első led közé, ha ezek között 6-7 centinél hosszabb vezetősáv/vezeték van, és ezzel lehet elekrülni a folyamtos világítást.
de azt mondod, hogy nem elég érzékeny? mert akkor megépítem azt ak apcsolást, amit te raktál fel, de még mindig nem értem, hogy akkor most a ledeknél az az U+ Táp 3V az mit is jelent? illetve itt az U-be az audiojel, jól értelemzem?
U+ Táp 3V jelentése az, hogy oda kell kötni a 3V-os tápot.
Igen, az Ube a hangbemenet (esetedben, de nem mindenki kivezérlésjelzőt épít belőle!).
de 3 volt nem kevés ennek az IC-nek? mert az IC V+-a is erre van kötve...olvastam pár helyen, hogy 3 voltról alig akar működni az IC, ezért gondoltam, hogy akkor a számítógép 12 voltos tápjára kötöm. bár az meg sok a ledeknek....
jobb lenne, ha a PC 5 voltjára kötném?
Szia!
Ha az adatlapban lévő kapcsolást építed meg, akkor biztosan nem fogsz szívni a kivez.jelzővel. nekem is ez működik, és szeritem elég érzékeny (én egy 10kohmos potival szabályzom a jelet, és pont az összes led világít, mikor a hangkártyán a legnagyobb jel jön le!) A tápról: ha nem a tranzisztoros kapcsolást építed meg, hanem az adatlapban ajánlottat, akkor szinte mindegy, hogy 5V-ot, vagy 12V-ot kap az IC, mert mint már mondtuk, áramgenerátoros az IC felépítése! így bármekkora feszültség esetén max.20mA fog a ledeken átfolyni, akármennyi led is világít egyszerre!
valaki nem tud segiteni egy kis utmutato kellene:mi a külömbség egy bc139f,bc139g,bc139h...stb és egy sima bc139 tranyok között?
|
Bejelentkezés
Hirdetés |




. A hálózati csatlakozó "outputja" 12V 400 mA.







