Fórum témák
» Több friss téma |
- Ez a felület kizárólag, az elektronikában kezdők kérdéseinek van fenntartva és nem elfelejtve, hogy hobbielektronika a fórumunk!
- Ami tehát azt jelenti, hogy a nagymama bevásárlását nem itt beszéljük meg, ill. ez nem üzenőfal! - Kerülendő az olyan kérdés, amit egy másik meglévő (több mint 17000 van), témában kellene kitárgyalni! - És végül büntetés terhe mellett kerülendő az MSN és egyéb szleng, a magyar helyesírás mellőzése, beleértve a mondateleji nagybetűket is!
Köszönöm mindkét választ!
"efraim" A kék a V-ot mutatja ,a piros meg az A-t? "nedudgi" Ja kinézetre majdnem ugyan az(de a hátulján látszik hogy mégsem az) Ezekhez kell külön tápfesz? vagy csak bekötöm a másiknak a helyére ami tönkre ment?
Kell hozzá tápfeszültség. De jobban jársz a kettős kijelzőssel.
A hozzászólás módosítva: Feb 20, 2014
Ezt ugy kell erteni hogy lecsokenti az aramot???
Köszönöm. És a tápfeszültséget lehet lopni a töltőtől? Vagy külön kell neki? Ha jól értelmezem kell neki DC 4.5~30V.
Szia! Köszi szépen,tehát a lényeg,és ami érdekelt,hogy 1000 mcd = 1 cd??
Nem egyértelmű, meg kell nézni, össze van-e kötve a két föld. Ha igen, akkor lehet. Sajnos ez a típus sok verzióban kapható, és nem egyértelműek a leírások. Ezért írtam, hogy jobban jársz a kettőskijelzőssel.
A hozzászólás módosítva: Feb 20, 2014
Hello! Dehogy! Egy kapcsolón a feszültség és áram adat, a maximumot jelenti. Vagy is azok az maximális értékek, amik még kapcsolható vele. Természetesen kisebb lehet. Az áram tényleges értéke pedig akkor lesz, amit a fogyasztó felvesz. Nincs köze a kapcsolón feltüntetett adathoz. üdv!
Igen,én a kettős kijelzősre gondoltam. Vagy annak más a használata? Vagy valamit nagyon félre értek?
A transzformátor a váltófeszültséget transzformálja ("átadja") az elsődleges (primer) oldalról a másodlagos (szekunder) oldal (-ak)ra, persze a teljesítményt is transzformálja - ez a két oldal között (a veszteségeket nem számítva) mindig egyenlő. Az áramviszonyok fentiekből, valamint a konkrét konstrukcióból számíthatók. Az ügy persze a valóságban ennél összetetteb, gondolom kiindulásnak ez is elég lehet.
Bővebben: Link
Sziasztok!
Egy szélgenerátort szeretnék építeni,találtam is leírást a neten. A kérdésem az lenne ha megduplázom a tekercsek és a mágnesek számát,mekkora fordulaton adná le a 28v-ot.
Sziasztok!
Ha mikrótrafó szekunderét leszedem és én újratekerem 1.3mm átmérőjű zomácozott huzalból, hogyan tudom meghatározni mennyi lesz a várható teljesítménye? Pl. 12V AC mellett. Előre is köszi.
Az eredeti primerrel, az eredeti teljesítmény. Mivel erősen alul van méretezve a primer (más üzemmódhoz), nem leszel boldog vele, mert melegedni fog erősen (leég), bár előbb leveri a biztit. A primerhez hozzá kell tekercselni, 1/4-1/5 annyi menetet, úgy talán működni fog ( a mágnes-söntöket ki kell szedni!). Legjobb az egészet újra számolni, tekercselni.
![]() 1.3-as huzalból ~4A-t vehetsz le (J=3); töredéke az eredeti teljesítménynek. A hozzászólás módosítva: Feb 21, 2014
Kösz a válaszokat, a másik két fórumról töröltem a kérdést. Tehát: Multiméterrel 200 Ωos méréshatárnál a mikrofon felőli hangszóróvezetéknél mérve / fehér-sodrott/ ellenállása 188,2 Ω, a másik hangszóróvezetéknél mérve / barna-sodrott / 187,5 Ω. A PC: integrált hangkártya, sztereo hangszóró kimenet, vonal, mikrofon bemenet. A képen látszik hogy összesen két szál vezeték jön le az egész szerkezettől, nincs külön mikrofon vezeték. Ha ráteszek egy sztereo Jack dugót, hová kössem a mikrofondugót? Elnézést az értetlenkedésért, de nem akarom kapásból elba....ni az egészet.
Érdekes feladvány. Zörgesd ki egy elemmel a végeket a hallgatókhoz, és aszerint kösd be, a jackbe.Mikrofon; passz.
Én is ezen filóztam, hogy a mikrofont egy külön vezetéken kötöm be, /van itthon néhány elektret mikrofon betét/ mert átböngésztem a hasonló témával foglalkozó oldalakat, ám ilyen típusú szerkentyűvel nem találkoztam. A hallgatók bekötése a jackbe nem probléma. Tulajdonképpen csak a kíváncsiság hajtott, hogy meg tudom-e csinálni, de feladtam, nem éri meg az időtöltést. Mindenesetre kösz hogy válaszoltál.
Sziasztok!
*** Köszi! Apróhirdetés erre van. -moderátor- A hozzászólás módosítva: Feb 21, 2014
Hello! Húzd le a fejed! Dobom.. De remélem azzal tisztában vagy, hogy egy biztonsági trafó, csak addig az szabály szerint, míg egyetlen fogyasztó van rákötve. Mert ez a 3kVA nagyon gyanús.. üdv!
Sziasztok!
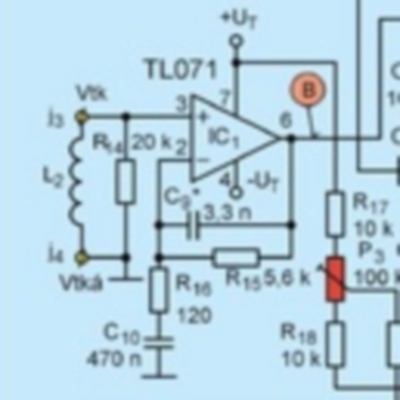
A kérdésem az lenne , hogy a csatolt áramkörben a tekercs két kivezetésén 0 V -ot mérek. Jól gondolom, hogy ott nem annyinak kellene lenni? Az IC szimmetrikus tápról táplált , 6 V-ot kap.
Szia! A TL071 tipikus bemenő árama 65pA. Ismerve a tekercs ohm-os ellenállását ki lehet számolni mekkora feszültségnek kellene esni rajta és a vele párhuzamos 20k eredőjén. A méréséhez rendkívül érzékeny műszerre lesz szükség.
Gondolom egy oszcilloszkópra lenne szükségem. Sajnos az nincs.
A hozzászólás módosítva: Feb 21, 2014
Tessék egy szkóp. Hogyan is működik?
A lényeg, az L2 tekercsen gyakorlatilag 0V egyenfeszültséget, és a gerjesztésnek megfelelő váltakozót kell tudni mérni.
Üdv! lehet hogy neked gyanús a 3kv de nálunk a faiparban nem!
Eddig 1.8 kw-os volt fen és melegedett! Csupán ennyi a történet.
Megépítettem EZT az órajel generátort. Itthon SN70LS04N ic volt csak. A katalógusok azt írják, hogy kompatibilis a cikkben szereplő 4069-el, de mégsem működik. Lehet az ic miatt?
A 74LS04 egy TTL IC., tehát 5V-os tápfeszültség kell neki. Ezen kívül a visszacsatoló ellenállás sem jó hozzá: Bővebben: Link.
Köszönöm! Van a képek között pár szimpatikus, de nem igazán tudom melyiket válasszam. Több kapcsolásban nincs kondi csak ellenállás. Melyik a használhatóbb? A pontosság számítana inkább!
Hello! Azért írtam hogy "gyanús", mert ha utána nézel, nem igen találsz ekkora teljesítményű elválasztó trafót. Én legalább is maximum 1,6kVA-eset láttam. Tehát nem az az eszköz, ami bármely bokorban megtalálható. Várhatóan tekertetni kell, ha tényleg szükség van rá. De a helyedben az apróban tettem volna fel a kérést, de legalább a villanyos topikban. Mert ott járnak azok, ahol esetleg ilyennel találkoznak is. üdv!
A hozzászólás módosítva: Feb 22, 2014
Sziasztok! Hazimozi erosito vasarlas elott allok es segitseget szeretnek kerni a dontesben hogy melyiket valasszam nagyjabol egy arban yamaha rx-v3800 onkyo tx-nr709 onkyo tx-sr876 . Hazimozira ey zenehalgatasra egyarant! Segitsegeteket elore is koszonom!!!
Próbálj ki többféle kapcsolást is, mert a gyakorlás és az ismerkedés soha sem árt.
A pontosságot frekvenciamérővel ellenőrizheted, de az oszcillátor után tegyél egy bufferkaput, amivel az oszcillátort terhelésmentesítheted. A cikkben ez a második inverterkapu lesz az. |
Bejelentkezés
Hirdetés |















