Fórum témák
» Több friss téma |
- Ez a felület kizárólag, az elektronikában kezdők kérdéseinek van fenntartva és nem elfelejtve, hogy hobbielektronika a fórumunk!
- Ami tehát azt jelenti, hogy a nagymama bevásárlását nem itt beszéljük meg, ill. ez nem üzenőfal! - Kerülendő az olyan kérdés, amit egy másik meglévő (több mint 17000 van), témában kellene kitárgyalni! - És végül büntetés terhe mellett kerülendő az MSN és egyéb szleng, a magyar helyesírás mellőzése, beleértve a mondateleji nagybetűket is!
Ön nyert! Jár a hangszóró.. De ha lehet polaritás helyesen kell bekötni!
Mezei egyenirányító dióda helyett lehet Schottky-t alkalmazni? Csak ilyenem van most itthon. Áram, feszültség stimmel.
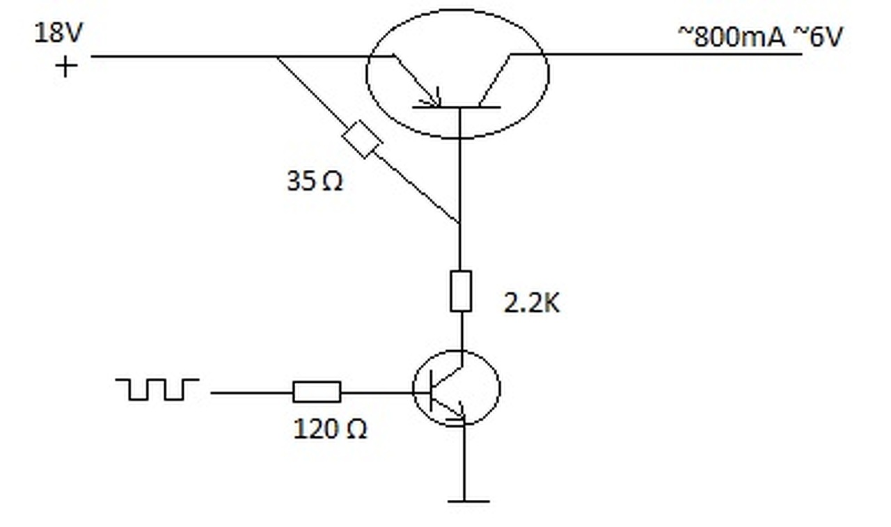
Sziasztok, a képen látható kapcsolást szeretném használni hogy járassak egy léptetőmotort viszont a 18V-os akksi túl sok ehhez, a motornak kb 800mA az áramfelvétele és kb 6V-os. A képen látható kapcsolással tudok 6V-ot előállítani ha nincs bent a 35Ohm-os ellenállás (a PWM megfelelő megválasztásával), viszont ha bentvan 6V helyett csak 0.04V-ot mérek, szóval nagyságrendekkel kevesebbet. Mi a szerepe annak a 35Ohm-os ellenállásnak?
A léptető motor vezérléséhez nem négyszögjel és PWM kell, hanem a tekercsekre megfelelő sorrendben kell "kapcsolgatni" a feszültséget. Ez igy nem lesz jó.
Kemenyen felhuzva tartja a bazist, nehogy "ugy maradjon" a tranyo.
Mindemellett csatlakoznek Doncso figyelmeztetesehez. Talan erdemesebb lenne FET-et hasznalni.
Sziasztok!
Lehet,hogy rossz helyre teszem fel a kérdésemet,de szeretném megépíteni ezt az órát.Ebben kérnék segítséget,mert a main.c file-t nem sikerül lefordítani.A main.c file-t,ha lefordítom MPlab programmal,ezt a hibát kapom.Ugyanerről az oldalról ezt a kapcsolást megépítettem,hiba nélkül fordította a main.c-t és működik is.Az 5 hibás sorban mit kellene átírni,hogy fordítható legyen?Köszönöm előre is a segítséget.
Sziasztok, köszi a válaszokat, ez a kapcsolás csak a tápot szolgáltatná, a négy tekercs földre huzogatása már megy, működik is a léptető motor, de eddig 6V-os telefontöltőről ment viszont a cél, hogy menjen a 18V-os akksiról. Esetleg tudnátok kapcsolási rajzot ajánlani(pwm+ tranzisztor-os fesz szabályzáshoz)? Illetve az eredeti kérdésre visszatérve az az egy ellenállás miért okozza hogy csak pár század volt lesz a kimeneten a várt 6V helyett? (FET es megoldás is érdekelne).
Szia!
Léptető motoroknál nem is a feszültség a lényeg, hanem az áramgenerátoros meghajtás. Tehát jó a 18V de egy kéttranzisztoros áramgenerátor kell neked. Belátható, hogy álló helyzetben a motor áramát csak az Ohm-os tekercsellenállás korlátozza. Minnél gyorsabb a motor fordulata,a tekercsben indukálódó feszültség ellendolgozik az áramforrásnak, tehát csökken at áramfelvétel, és egy adott fordulat fölött "kiesik" a motor a szinkronból és csak sípol. Ezt védi ki egy bizonyos határig az áramgenerátor. A hozzászólás módosítva: Okt 26, 2014
Szia,gondolom nem léteznek a változók, vagy kommenteld ki őket, vagy hozd létre, gondolom valami funkciójuk van
Nem felejtettél el valami header file-t include-olni?
Szia foxi, köszi a válaszod, a kérdésem: ez nem egy pazarlóbb kapcsolás mint az én PWM-es verzióm? Nem fogok túl sok energiát feleslegesen elfűteni? Természetesen cél, hogy az akksit minél jobban kihasználjam.
Ezeknek a memória kondiknak van valami élettartamuk? Hogy lehet tesztelni, hogy jók e? Jelen esetbe 0,047F 5,5V-os példány van egy erősítőbe, aminek elmegy a memóriája, és ki szeretném cserélni. Találtam itthon egy ugyan ilyen paraméterrel rendelkezőt, és szeretném tesztelni, hogy ne tegyem be feleslegesen, ha nem jó az se.
Szia!
A PWM-es mindenképp energiatakarékosabb mint ez, de a pwm-eshez meg nincs áram visszacsatolás, hogy áramgenerátoros legyen .létezik olyan kapcsolás is, kutakodj. Barátod a GOOGLE A hozzászólás módosítva: Okt 26, 2014
Szia!
Az a problémám, hogy a program íráshoz nem értek.Találtam ezt az órát,gondoltam után építeném egy az egybe,lehet nem fog sikerülni.
Az lehet hogy ez a header file nincs meg: #include <htc.h> ? Nem tudom honnét akarja szedni a GP1 GP2 és OPTION_REG változókat... sajna PIC-et nem vágom
Az oldal ahonnét leszedted ezt is írják : "HiTech C" lehet a compilered nem megfelelő?
Üdv!
Nagyon egyszerűen ki tudod próbálni. Feltöltöd, majd figyeled, hogy megtartja e a töltést. Rárakhatsz egy ellenállást a test felé, s akkor jobban látod a feszültség esést. Összehasonlítod a rosszal s, ha tovább megtartja, akkor jó. A rosszaknak általában már a feszültség lakapcsolása után is nagyot esik a feszültségük.
A régivel való összehasonlítás, nem kivitelezhető, mert abból már "kijött" a tartalom. Betettem, és hagytam pár percig bekapcsolva, kikapcsolás után 1,5Vra esett a fesz benne. A töltőfesz 4,7V. Akkor amit találtam se jó.
Igen, akkor nem csak a telefóniában jellemző, hogy kijön a belük...
![]() Sajnos úgy néz ki, hogy az sem lesz jó.
Üdv!Van egy panelom amin van egy rossz induktivitás ennek értékének megállapításához kérnék segítséget.Az alapszín zöld a sávok pedig úgy jönnek balról jobbra hogy:barna fekete,vörös szürke.
Találtam itthon másikat de az egy kicsit más.Az úgy néz ki hogy:barna,fekete,fekete,arany.Az lenne a kérdésem hogy ez utóbbit betehetem a rossz helyére?Előre is köszönöm! A hozzászólás módosítva: Okt 26, 2014
valaki írna nekem egy csomó rf power tranzisztor típust????
Sziasztok.
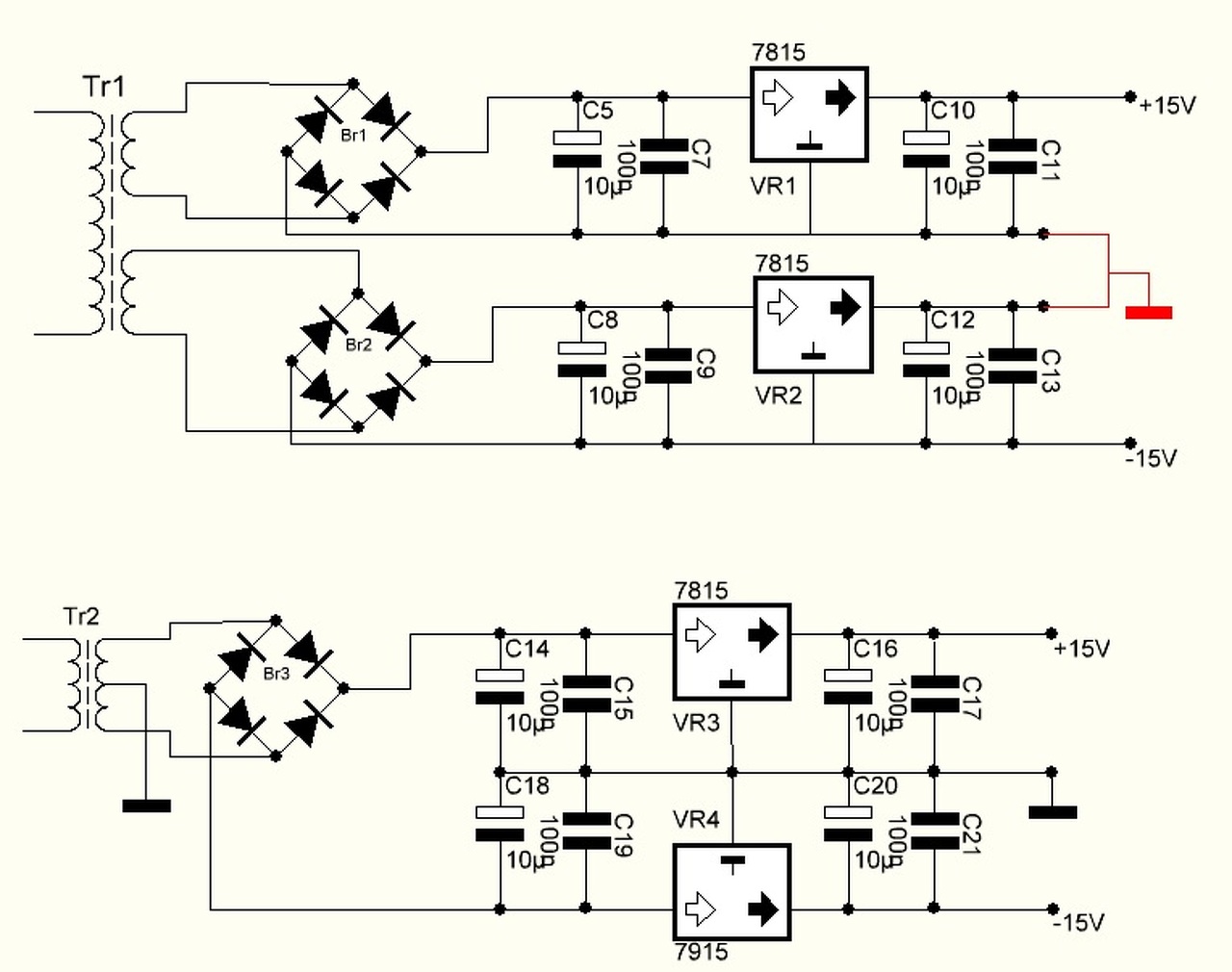
Kezdő láma kérdés ![]() Egy műveleti erősítőt szeretnék megtáplálni. A csatolt képen lévő mindkét kapcsolás működőképes? Illetve a felsőbe 2 7815 kell ugye, nem pedig 7815, 7915 páros.. Köszi a segítséget.
Mindkettő működőképes. A felsőbe ahogy mondod, 2x7815 De egyébként ha nem graetz hidat használsz csak két diódát, akkor is tudsz szimmetrikus tápot csinálni, ami egy müveletit elbir. Tehát egy szekuderről.
A hozzászólás módosítva: Okt 26, 2014
Szerintem egy sima zéneres stabi egyszerűbb lenne,ha csak egy opampot akarsz meghajtani.
Az első 1 millihenry a második 10 mikrohenry
Köszönöm!Nem nagyon értek hozzá(ezért vagyok itt) de akkor ezek szerint jól gondolom hogy jobb ha nem teszem be helyette?
Valószínűleg 100 szoros eltérést nem tolerál a kapcsolás....
Találtam itthon még egyet.Az úgy néz ki hogy arany barna fekete barna.Az vajon jó?Illetve van ezekhez valami táblázat amiből le lehetne olvasni a színjelölés alapján az értékeket?
Bővebben: Linkbarna,fekete,barna,arany 100 mikrohenry nem tudom, hogy jó-e egy számomra ismeretlen kapcsolásba...
A hozzászólás módosítva: Okt 26, 2014
|
Bejelentkezés
Hirdetés |







Nem felejtettél el valami header file-t include-olni?

