Fórum témák
» Több friss téma |
- Ez a felület kizárólag, az elektronikában kezdők kérdéseinek van fenntartva és nem elfelejtve, hogy hobbielektronika a fórumunk!
- Ami tehát azt jelenti, hogy a nagymama bevásárlását nem itt beszéljük meg, ill. ez nem üzenőfal! - Kerülendő az olyan kérdés, amit egy másik meglévő (több mint 17000 van), témában kellene kitárgyalni! - És végül büntetés terhe mellett kerülendő az MSN és egyéb szleng, a magyar helyesírás mellőzése, beleértve a mondateleji nagybetűket is!
Honnan lehet tudni hogy helyettesíthetem -e azzal amim van??? mit kell megnézni
Találtam ezt az oldalt ennyi tulajdonsága van ez minden??? http://www.radiovilag.hu/tranyok.htm A hozzászólás módosítva: Jún 21, 2015
Na eddig Eljutottam én is
Leírtam: net> adatlap mindkettőről és összehasonlítod. Ha a tiéd többet tud vagy ugyanakkora Uce, Ic, Pd, ft, stb., ill. pnp-npn struktúra is stimmel, akkor valószínű. Mindenki így csinálja, ameddig nincs a fejében vagy a gépén..
A hozzászólás módosítva: Jún 21, 2015
Beirod a (google) keresobe a nevuket, vagy a tranzisztorok helyettesitése témàban megnèzed.
Szerbusztok!
![]() Az érdekelne, hogy egy feszültség komparátorral szeretnék egy 38volt körüli tápot figyelni és ha annak feszültsége leesik 33V körülire akkor történjen X dolog. Tudna valaki ajánlani ic-t ehhez a feladathoz? A legtöbb műveleti erősítő csak kb 30 voltig kezeli a bemenetet. Nézegettem például a 741es ic-t, de papír forma szerint ő is csak +-30 voltot ír Vid-re. Találtam a neten lm143 nevű ic-t ami szép és jó, de kb sehol se lehet kapni. Valakinek ötlete?
Szia!
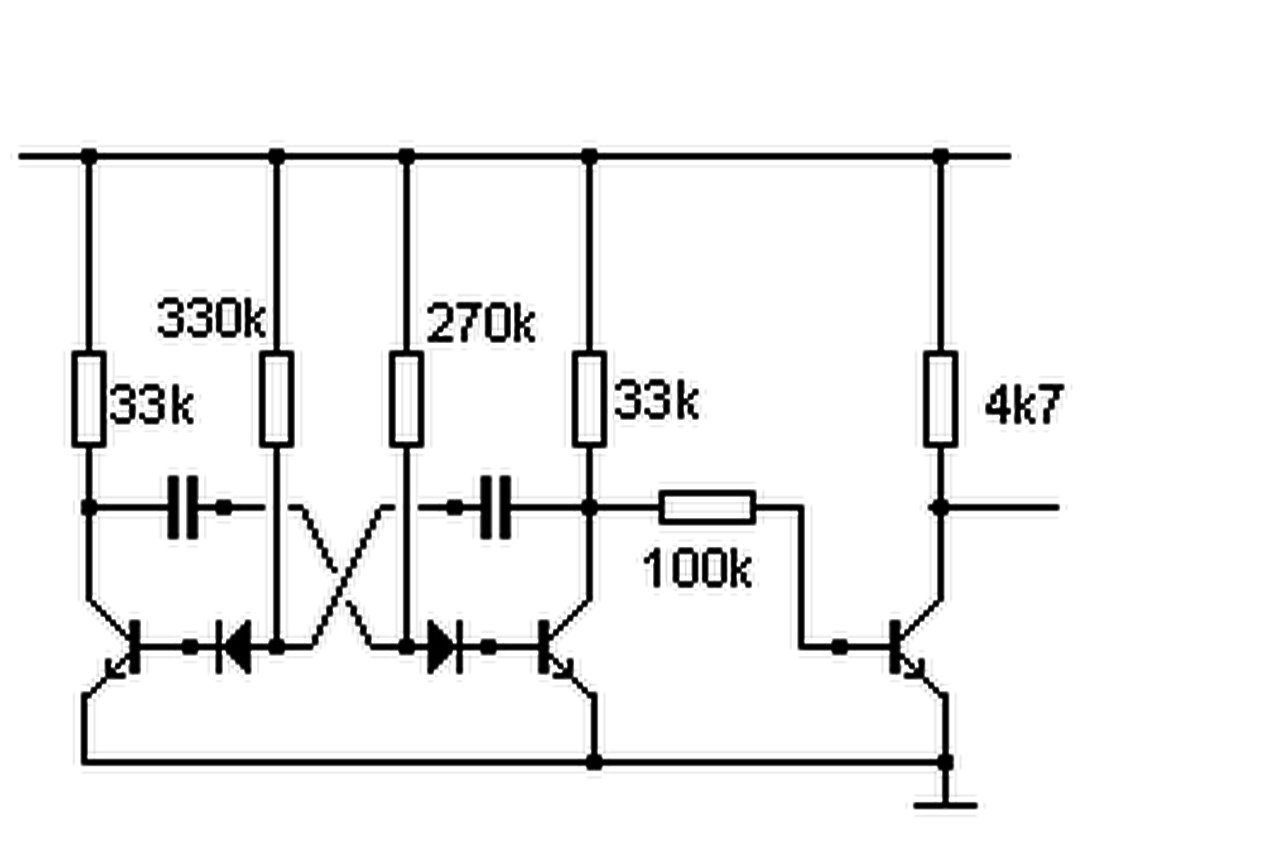
Elég oda egy 33 volt körüli zener, 2 ellenállás és egy nyitott kollektoros tranyó, ami az x dolgot működteti. Ha lezár a tranyó, lekapcsol valamit, ill. ha pontosan akarod, van trigger kapcsolás is 2 db-bal. A hozzászólás módosítva: Jún 21, 2015
A megvalósítás világos, zénert, ellenállásokat, potit, kapcsoló üzemben működő tranyót már szereztem, viszont komparátor IC-t nem találok ami 30volt fölött kezelne a bemenetén feszültségeket.
Ja, hogy te csak ic-vel szeretsz dolgozni? Aha..
Kapcsoló üzemben működő tranyód is van? Nem semmi.. ![]() Különben elárulom neked, hogy fogsz egy 30 voltos ic-t, lehetőleg kis fogyasztásút és egy sima zenerrel és egy ellenállással, elkóval megfogod a tápját, aztán beállítod komparátor üzembe. ![]() Gondolom, feszültségosztót tudsz csinálni, hogy ne kelljen direkt 33 voltot nézned, hanem egy leosztottat, amihez hasonlítod, az meg lehet akár 10 volt "referencia" is. A hozzászólás módosítva: Jún 21, 2015
Nem gondoltam, hogy ez komparátor nélkül megoldható.
Le tudnád rajzolni, vagy elmondani, hogy te hogyan gondolod a tranyós megoldást? Próbáltam én is szimulálni zéneres, kapcsoló üzemű tranyós dolgokat, de nem sok sikerrel...
Beírtam néhány tranzisztort 1 magyar oldalon a "ctrl f" kereséssel de nincs olyan ott ami nekem az egyik alaplapon , nem tudom megnézni az adatait.
Tud-e valaki linkelni pár oldalt ahol jó sok tranzisztor van adatokkal?? (én is keresgélek közbem) És ferci-től kérdezem visszatérve az egyenáramból váltóáramra alakításhoz: mi van ha nekem váltóáramra van szükségem és elemről megy . 2. - Kis fogyasztású kapcsolást tud valki küldeni? 3. - Ha a képen látható KÉK részt megcsinálom toroid vasmaggal pl. és 5kv lenne a kimenő(secunder) jó-e marx. generátorhoz
Nem kell 30 akárhány volttal kínlódni, le kell osztani 2db ellenállással a mérendő feszt olyan szintre, amekkorával már könnyen boldogul a komparátor. (Feltéve, ha mindenképpen IC-val akarod megoldani.)
Persze.. de mivel ic-vel akartad megoldani, fogod pl. egy direkt komparátor ic adatlapját és ahogy írtam, teszel egy osztót pl. az invertáló bementére, a neminvertálóra pedig referenciát és ennyi.
Aztán csak be kell állítanod, hogy 33 voltnál billenjen. Leírtam már azt hiszem előzőleg, miket kell csinálnod, olvass vissza. A hozzászólás módosítva: Jún 21, 2015
Sziasztok, nem tudtok egy nagyon egyszerű egy-két tranzisztoros kapcsolást amivel 20-700 kHz között tudok előállítani órajelet? Egy fetet kéne kapcsolgatni ilyen frekvencián... Válaszokat előre is köszönöm
Tranzisztoros astabil multivibrátor, tranzisztorok alapkapcsolása.
2 bázisellenállás, 2 kondi egyik kollektorról a másikra, 2 kollektorellenállás. Ha szebb jel kell, utánakötsz még egy tranyót. A hozzászólás módosítva: Jún 21, 2015
Szeretnék csinálni egy egyszerű kapcsolást amiben világít egy led ha feltöltődött az akku , kondi stb.
Valaki tud-e segíteni? Kondinál pár 100 voltos lenne a kondi . A hozzászólás módosítva: Jún 21, 2015
Köszi
Kondi feltöltődését sokkal könnyebb egy árammérővel jelezni, mert ha feltöltődött akkor nem folyik áram bele. Akkut kicsit nehezebb, mert függ az akku fajtájától. Ahhoz olyan töltőelektronika kell, ami kijelzi.
A hozzászólás módosítva: Jún 21, 2015
nekem ledes kell , valami áramfigyelő elnevezése van így mondta egy ember
A hozzászólás módosítva: Jún 21, 2015
Akkor viszont nem lesz egyszerű. Főleg ha úgy akarod, hogy világítson, ha feltöltődött. Az ellentéte sokkal könnyebb, vagyis hogy kialszik a LED ha feltöltődött. Úgy is jó lesz? Na ez utóbbi az áramfigyelő.
A hozzászólás módosítva: Jún 21, 2015
Igen az egyszerűbb dolgokat jobban szeretem , köszönöm.
És ez akármilyen kondinál jó (különböző fezsnél) ? A hozzászólás módosítva: Jún 21, 2015
Egy soros ellenálláson figyelni kell a feszültségesést egy tranzisztorral. Amíg folyik az áram a tranzisztor nyitva van, és világít a LED. Minél kisebb áram folyik annál jobban becsuk a tranzisztor, halványodik a LED fénye és végül elalszik.
Sőt az se rossz ha le is kapcsolna , ha elalszik a led , feltöltődött a kondi és én nem kapcsolom le az áramot baja lesz a kondinak?
Akkor nem gond ha (csak képzeletben) 1 órán át rajta van a 9v-os elem a kondin.
1. Kapcsolást kaphatok róla??
2. az áramfigyelőt a kondi elé kell bekötni ?? vagy jó az áramforráshoz is és utána jön a többi elektronika A hozzászólás módosítva: Jún 21, 2015
A kondenzátor kb. másodpercek alatt fel tud töltődni, természetesen ez kapacitás és töltáram függvénye. Ha nem kapcsolsz rá nagyobb feszültséget, mint amekkorát elbír, akkor elméletben bármeddig rajta lehet a "töltő".
Akkumulátornál már más a helyzet.
Köszönöm,
Te tudnál nekem áram figyelőröl kapcsolási rajzot adni ,ha a kondi feltöltődött akkor elalszik a led.
Hello! Az a baj, hogy nem konkretizálod a dolgot. Kondit töltesz, aksit töltesz stb. Általánosságokra csak általánosságokat lehet válaszolni. Konkrétumot nem..
Nem mindegy, mekkora kondi, milyen feszültségről töltődik, mekkora a Led-hez a tápfeszültség. Mi is a cél. Mert ami rajzokat máshol felraktál, ott 1,5V a rendelkezésre álló Led táp és lehet nem is találsz olyan Led-et, amit erről ki lehet gyújtani. Ez csak egy modell, ahol a 10µF-os kondi, 400V-ra töltődik, de a szimulált 400V-nak 10kohm a belsőellenállása, különben egy szemvillanás alatt feltöltődne. De hogy kb. tudd miről van szó, íme.. Mellesleg az áramfigyelő topikban feltett rajnál az "NE"-vel jelzett Glimm lámpa tökéletes megoldás a jelzésre. Ez egy adott feszültség felett begyújt, és jelzi a feltöltött állapotot egyben le is állítja a töltést. Ahogy Pucuka is írta/ajánlotta.. A hozzászólás módosítva: Jún 22, 2015
Köszönöm ,
Glimmlámpa van a régi karácsonyfa égősoron is , nézegettem képeket róla sokféle van. Ha igen akkor nem kell venni . A hozzászólás módosítva: Jún 22, 2015
És a kapcsolás alapján (gondolom láttad a kodakosat , felrakom ide) lassan elkezd világítani vagy hogy jelez?
A hozzászólás módosítva: Jún 22, 2015
|
Bejelentkezés
Hirdetés |









