Fórum témák
» Több friss téma |
- Ez a felület kizárólag, az elektronikában kezdők kérdéseinek van fenntartva és nem elfelejtve, hogy hobbielektronika a fórumunk!
- Ami tehát azt jelenti, hogy a nagymama bevásárlását nem itt beszéljük meg, ill. ez nem üzenőfal! - Kerülendő az olyan kérdés, amit egy másik meglévő (több mint 17000 van), témában kellene kitárgyalni! - És végül büntetés terhe mellett kerülendő az MSN és egyéb szleng, a magyar helyesírás mellőzése, beleértve a mondateleji nagybetűket is!
Köszi! Így már értem!
Bocsi a linkért!
Akkor úgy látszik, muszály beszereznem egy hangkártyát.
A változtatható frekvencia a bökkenő. Az xr2206 -tal aránylag egyszerűeket lehet építeni, némi kompromisszummal a jelalakot illetően, kb 1:10 frekvencia átfogással. Lehet műveleti erősítővel is biztosan, de szerintem azok nehezebben kezelhetők, és a szabályzási tartományuk sem több.
Sziasztok!
Érdekelne, hogy ha van egy 2-tő csatornás autóerősítőm hídban, és egy fej egységem, amin csak 2 db rca kimenet van, mi a megoldás, hogy mindkét oldal mélyeit élvezhessem? Mert most csak az egyik rca bemenet működik az erősítőn, ha hídban van.
Sziasztok!
Egy olyan kérdésem lenne felétek,hogy kellene nekem egy olyan elektronika ami12-15 Voltból csinálna 1,2-1,5 Voltot. Egy Robbanómotoros RC autóhoz kellene megoldanom az izzítást,hogy akkumulátorról is tudjam használni. Áramát sajnos nem tudom pontosan,hogy mennyit vehet fel az izzítószál,de szerintem kb 1-1,5 Amper elég lehet oda. Köszönöm.
Szia!
Ha kezdő vagy, célszerű lenne a hirdetésekben "kérni" egy step-down panelecskét ... kevesebb lenne az ára, mint gyakorlat nélkül összerakni, aztán drágább is alkatrészenként és megy vagy nem megy.
Köszönöm,akkor jobban járok ha megveszek egy kész izzítót ami 5500Ft ?
Ennél olcsóbban nem hozom ki ha magam építem meg?
Egy db step-down itteni ára ennél jóval kevesebb, ill töredéke..
Sziasztok!
Már fél órája keresek olyan ingyenes rajzolóprogramot, amivel megtudnám ezt rajzolni méretarányosan. Szégyen- nemszégyen régen használtam ilyet utoljára.. A háttér transzparens. Tudnátok ajánlani? Vagy ha valamelyikőtöknek van a gépén, megrajzolná nekem?
Corel paint shopban, de gondolom más kép szerkesztő szoftverben is: először rajzolsz egy ívet vagy egy kört, rá klikkelsz a szöveg bevitelre, majd rá az ív belső vagy külső részére. Ott lesz a kurzor és írhatod is a szöveget. Kis ajándék pálinkás hordó előlapjára kellett egyszer így szöveget nyomni.
Hogyan kell egy fütöbetétet csatlakoztatni?
A hozzászólás módosítva: Júl 17, 2015
Mihez, mibe a mit?
Egy ilyen forrasztóhoz
Sziasztok!
Műveleti erősítőnek kéne előállítanom 12V dc-ből +/- 9V-t. Addig meg van, hogy 7809 meg 7909, de ezeket hogyan kössem? A válaszokat előre is köszönöm!
Abból direktben csak +/-6 voltot tudsz csinálni.
L2722 pl. jó lenne erre a célra, vagy egy kisebb végfok IC. +/-9 hez először step-up, 18 voltra kb. és azt már lefelezheted.
Van olyan verzió is, hogy ha már megemelted a 12 voltot 24-re kb., 2 db 7809-cel is lehet csinálni +/-9-et.
+/- 6V is jó. De nincs valami egyszerűbb megoldás? Mármint amiért nem kell boltba menni, mert ilyen IC-m nincs itthon.
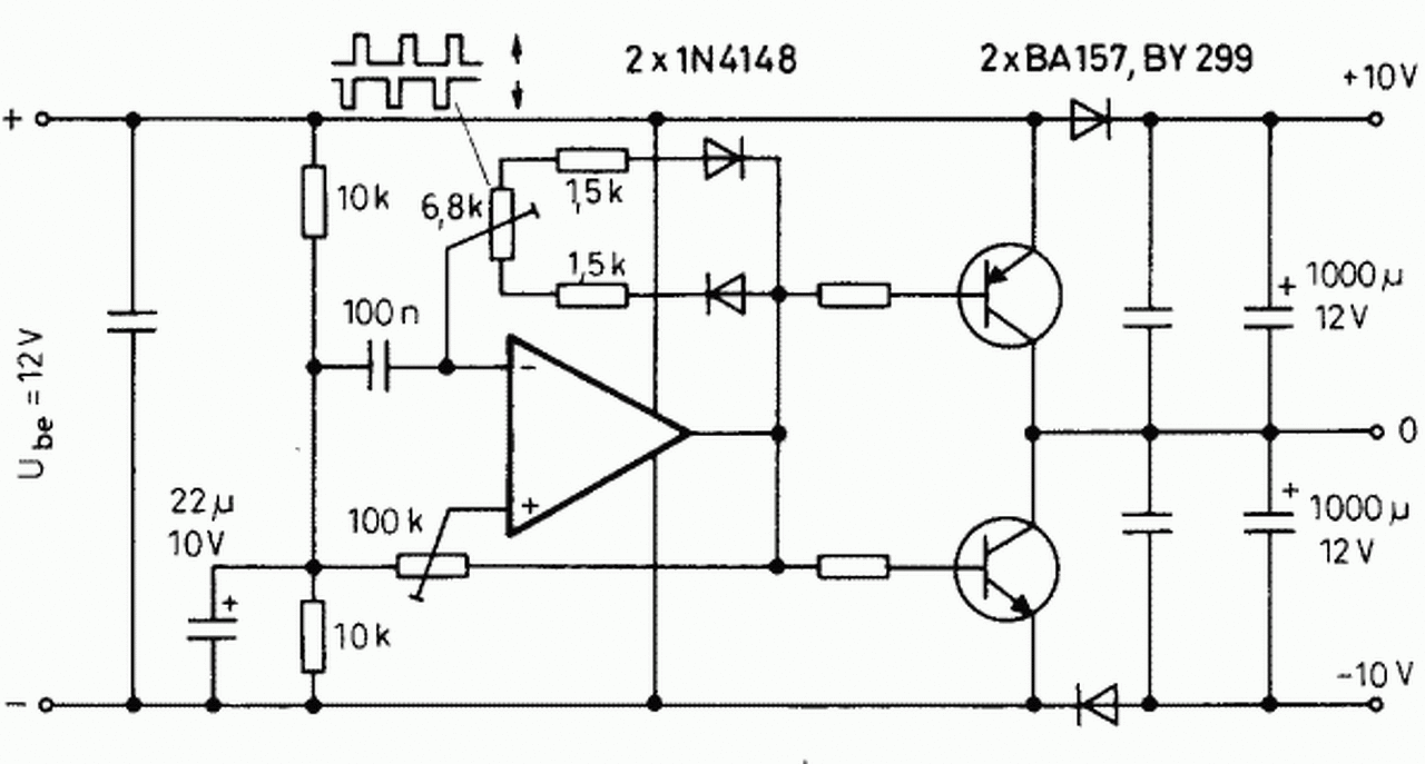
Szia! Esetleg próbáld meg ezt. A műveleti erősítő akár 741 is lehet, nem kritikus.
A tranzisztorokat a szükséges áramerősség függvényében válaszd meg, a bázisellenállásukat meg ez alapján ki kell számolni. A hozzászólás módosítva: Júl 18, 2015
LM386 van itthon. Ezzel hogy lehet szimmetrikus tápot csinálni?
Én régebben hallottam egy olyan megoldásról, ahol csak két kondenzátort kellet használni... Csak nem tudom hogyan.
Az invertáló bemenetet rákötöd a kimenetre, az lesz a GND, a nem invertálót pedig pl. 2 x 1 kohm-mal tápközépre. Beállítod max erősítésre és ennyi.
Időközben megtaláltam, ez működhet ha a graetz híd helyére a már meglévő 12V-t kötöm?
Bővebben: Link
Ez majdnem ugyanaz, mintha két ellenállással közepelnél...pl. 100x akkora árammal az osztón, mint a műver áramfelvétele. Nem díjazom, mert a kondis oda csúszkál, ahová akar..
A hozzászólás módosítva: Júl 18, 2015
Az áramkör felvétele max 10mA lesz. Ide sem elegendő?
Nem !
Nem tudod kikerülni az ic-s dolgokat.. egy elkós semmire se jó.
Helló ezt tényleg lehet használni forrasztásra?ez elég érdekesnek tűnik számomra. Meddig bírhatja az az a pár elem?
Szia! Mit fog csinálni a műveleti-erősítő? Azt azért jó lenne tudni. Hangfrekvenciás jelet például így erősíthetnél vele.
Akkor egy kapcsolási rajzot az lm386-os ról tudnál küldeni? Mert az alapján amit írál, nem tudom elképzelni, hogy hogy kéne...
|
Bejelentkezés
Hirdetés |













