Fórum témák
» Több friss téma |
- Ez a felület kizárólag, az elektronikában kezdők kérdéseinek van fenntartva és nem elfelejtve, hogy hobbielektronika a fórumunk!
- Ami tehát azt jelenti, hogy a nagymama bevásárlását nem itt beszéljük meg, ill. ez nem üzenőfal! - Kerülendő az olyan kérdés, amit egy másik meglévő (több mint 17000 van), témában kellene kitárgyalni! - És végül büntetés terhe mellett kerülendő az MSN és egyéb szleng, a magyar helyesírás mellőzése, beleértve a mondateleji nagybetűket is!
Mint proli007 barátunk is ajánlja, szerintem se szükséges megszüntetni a kapcsolót.
De így, hogy más kapcsoló (és vezetékek) is került(ek) a képbe, biztosan jobb ötlet volna hívni egy barátot / szomszédot, akinek legalább egy fázisceruzája van, és kb tudja is hogy kell használni, és mit keressen pontosan...
Nem csak mozgásérzékelők vannak. Van fali kapcsoló is ezekhez az izzókhoz, csak azt nem kell bekötni az elektromos hálózatba, mert kinetikus energiával működik és vezeték nélkül, zigbee szabványon át adja ki a parancsot az izzónak.
Csak így viccesen néz ki, hogy ott vannak a hagyományos kapcsolók és mellette az új kapcsolók. A vendégek is ha jönnek össze vissza nyomogatják,és azt mondani sem kell, hogy ha a hagyományos kapcsolóval lekapcsolják az izzót, akkor onnantól kezdve se a mozgásérzékelő, se az új fali kapcsoló nem tudja vezérelni, mivel nem kap feszültséget. Úgy oldanám meg, hogy meghagynám a kapcsolók dobozai a falban, csak egy ilyennel zárnám le például: Bővebben: Link glett és festés után láthatatlan lenne, de ugyanakkor könnyen ki lehet bontani ha szükség lenne rá . A hozzászólás módosítva: Dec 27, 2016
Valaki átszerkesztette a hozzászólásomat és kicserélte a linkemet. Gondolom a moderátor, véletlenül.
Nem tudom mi ez az ábra, de én az Obi honlapját linkeltem, ezt: OBI
Kösz, értem.
Mi a különbség az "R" és a "K" ellenállás között? (mert a HEstore kínálatában mindkettő látszólag egyforma)
Valószínűleg az ezres szorzó.
Az mi?
ORLA B fogkefe elektronika hibafeltárásban van valakinek esetleg tapasztalata? LED elkezdett villogni rajta, azóta nem lehet bekapcsolni (aksija fel van töltve) és úgy tűnik tölteni sem tölt.
Én úgy értem, hogy a "68Ω K" és "68Ω R" között mi a különbség, mert a Hestore mindkettőt sima "68Ω" ellenállás szűrésre adta ki...
Gyorsan átnéztem a kínálatot, ilyennel nem találkoztam. Hogyan hozod elő ezeket a találatokat?
Itt szűrtem ellenállás szerint "68Ω", de folyamatosan változik a készlet, ha jól látom, mert 13:45 körül amikor rendelést raktam össze, még volt "R" meg "K" is!
Látod, gyorsan megoldották a problémád.
Viszont amikor éppen összeállítottam a megrendelésemet, akkor mindkét féle volt, úgyhogy kíváncsi lennék a különbségre (mert a kettő között jó egy forint különbség volt)...
Helló!
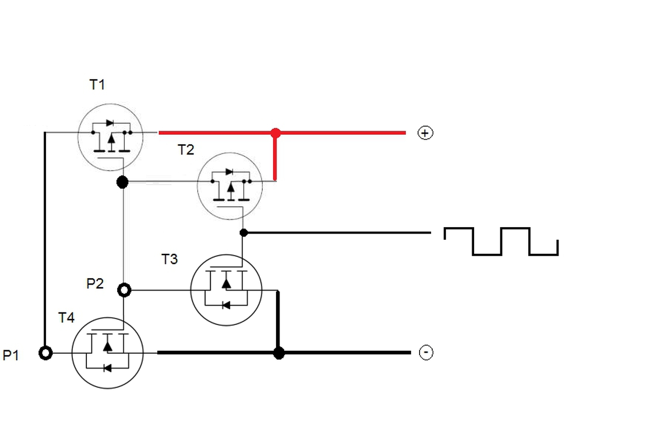
Polaritásváltó kapcsolás építése lenne a cél, Paint-ben leskicceltem. 555 biztosítaná a bemenő jelet. Az ilyen megoldás helyénvaló, vagy más javasolt?
Ezek így összenyitnak. Abból nagy füst lesz!
Mért nem használsz hagyományos H hídkapcsolást? Azt erre találták ki. A hozzászólás módosítva: Dec 28, 2016
Mondjuk az "R" 68 Ohmos, a "K" pedig 68 kOhmos?
Ha nem tölt, szerintem lemerült, ennek ez a hibaképe.
Egyébként honnan tudod, hogy az aksi fel van töltve? Okok: 1) bedugva a 220-ba? 2) Jó a töltő? (másik töltőegységen próbálmi, ha lehet) 3) Más Oral-B megy ezen a töltőn : ennek az Oral-B-nek a töltőelektronikája vagy akkuja rossz: kuka (3-4 évet ki kell bírniuk, ha fiatalabb: nem valószínű, hogy ez a hiba) Eddig én egy szettet dobtam ki, az kb. egyszerre lett elektromosan és mehanikailag kuka, kb 6 év után. Ezek elektromosan annyira egyszerű szerkezetek, hogy 1-2 év alatt nem mehetnek tönkre (tisztelet ? a kivételnek) A hozzászólás módosítva: Dec 29, 2016
Sziasztok!
Egy 9V-os motort szeretnék momentary nyomógombbal leállítani és elindítani. Ehhez létezik egy "Kapcsolási frekvencia átalakító 3V -35 V 1,5 A, 1 x be/ki, öntartó" a conrad.hu-n. Direktbe ráköthetem a motorra, vagy kell hozá egy relé is? Ha igen, akkor milyen relé? Specifikáció Köszönöm!
Az adatlapon ott van a kapcsolási áram is 1A max, ha a motorod kevesebbet vesz fel 9V ról táplálva, akkor ráteheted direktben is az áramkörre...
Csak akkor fognék neki, ha mindent tudok.... vagyis azt is, tudnám, mit kell csinálni, ha valami mégsem úgy működik, mint ahogy a nagy könyvben le van írva!
Tudomásul kell venni, hogy késő segítséget hívni, ha már baj van.... és a legkisebb baj itt egy lakástűz lehet!
Sziasztok!
Találtam egy EAA91 névre hallgató csövet, ami elvileg egy dupla dióda. Valahogy rá szeretném venni, hogy egy torzító áramkörben levágja a szinusz tetejét mint ezek a szilicium diódák ebben a kapcsolásban: Bővebben: Link Valmiért azonban nem akar működni. Lehet, hogy csak nagyobb feszültségnél "nyit" és kéne neki előfeszítés? A hozzászólás módosítva: Dec 29, 2016
Egy ilyen csővel nem lehet úgy "vágni", mint egy szilícium diódával, mert a "nyitófeszültsége" gyakorlatilag 0V, és a karakterisztikája sem meredek.
Bővebben: Link (Esetleg csak nagyon nagy feszültségen, amihez képest a 5-10V kicsi, és előfeszítve.)
Köszönöm a válaszod!
Az előfeszítést (a reverse-bias lenne angolul?) hogyan tudnám e legegyszerűbben megoldani? A hozzászólás módosítva: Dec 29, 2016
Idézet: „reverse-bias lenne angolul?” Nem forward bias? A hozzászólás módosítva: Dec 29, 2016
Üdv!
4 db 7- szegmenses led kijelzőt mekkora frekvenciával érdemes meghajtani, hogy ne villogjon? Értem ez alatt, hogy a kijelzők egymás után kapcsolnak be.
Lágyabban fog vágni, az egyértelmű, de a csövek már csak ilyenek.
Azt mondjuk nem írtad le, hogy miért és mihez szeretnéd levágni a szinuszok tetejét? Tippem szerint valami effekt/torzító lenne belőle. ![]() A mellékelt kapcsolásban természetesen bármiféle hatása gyakorlatilag kimutathatatlan. Kérlek válogasd meg, hogy mit linkelsz, bőven elég maga a rajz linkje is, nem kell a többi "hóbelevanc"
Egyébként nem ilyen (clipper) kapcsolásra gondoltál?
A Zener diódák cseréjével módosítható, hol vágja le a színuszt (vagy egyéb más jelet). A szimmetrikus táp kötelező, ellenkező esetben a kapcsolás nem működik a negatív tartományban! Az erősítést -R2/R1 aránya adja, és a kapcsolás fázist fordít. A hozzászólás módosítva: Dec 29, 2016
Elnézést a linkért! Igazad van, torzító lenne. Pontosan a légyabb vágást szeretném elérni, amiről Te is beszélsz, csak nem tudom, hogy hogyan vehetném rá a csövet.
|
Bejelentkezés
Hirdetés |








