Fórum témák
» Több friss téma |
- Ez a felület kizárólag, az elektronikában kezdők kérdéseinek van fenntartva és nem elfelejtve, hogy hobbielektronika a fórumunk!
- Ami tehát azt jelenti, hogy a nagymama bevásárlását nem itt beszéljük meg, ill. ez nem üzenőfal! - Kerülendő az olyan kérdés, amit egy másik meglévő (több mint 17000 van), témában kellene kitárgyalni! - És végül büntetés terhe mellett kerülendő az MSN és egyéb szleng, a magyar helyesírás mellőzése, beleértve a mondateleji nagybetűket is!
Sziasztok
)Elkeztem egy szintenként(5db szint) 8ledes( RGB ) egy szinten ilyen villogó eszközt DDSegítséget szeretnék kérni hogy jó e a gondolkodásom. 74hc595 el szeretném vezérleni 3db shift| 1. shift pirosat 2. zöldet 3. kéket vezérelné. 74hc595 kimeneteén korlátozó ellenálást 20mA állítom. Egyszinten 20+20+20 =60*8=480 mA megy a minusz fele vagy is elég oda 5db bc337-40 ? Ledkorlázoját számításba veszem a bc337en eső 0,6 voltot??? 74hc595 esik feszültség?? Segítséget elöre köszönöm
Ebbe belenyúltam!
Tehát most már értem, hogy miért nem akart fényt kibocsátani!Tehát ez már jó helyette?
Megint csak az adatlapra tudok hivatkozni, ott van benne "Infra-red emiting diode" tehát infravörös fénykibocsájtó dióda. Ha adni akarsz akkor ilyen kell neked. Egyébként ha adhatok egy tippet, ha az okostelefonodon keresztül megnézed, akkor láthatod, hogy "világít" -e, mivel a kamerák érzékelik az infravörös fényt is. Ezzel a módszerrel a TV távirányító is ellenőrizhető. Ha nem látod, hogy villog az adó dióda, valószínű, hogy lemerűlt az elem...
Ha ez ónozott, akkor ha bárhol blankolom meg, akkor egy "tömör" eret kapok elemi szálak helyett?
Idézet: „Ónozott elemi szálak Ér felépítése Sodrat” Adatlap!
Dehogy kapsz tömör eret. Elemi szálanként van ónozva, hajlékony vezeték...
Olvasom: ónozott elemi szálak. Ergo: nem tömör, csak bárhol forrasztható, ill. felület-védett.
Tehát inkább "ónozható" és elemi szálak alkotják? Rendben. (Maga az "ónozott" kifejezés vezetett logikusan félre, hogy a szigetelés alatt végig ónnal futtatott az elemi szálas sodrat, így "tömör".)
Nem, nem, a szálak ónozottak... és ezeket az elemi szálakat sodorják össze és ebből készült az amit ott megvehetsz... a réz magában oxidálódik és nehezebb forrasztani... de a képen látszik is, hogy nem réz, hanem ón színűek a szálak...
De persze tovább is ónozhatod őket, tetszőlegesen... A hozzászólás módosítva: Máj 1, 2017
Szerbusztok.Régenben volt ezen a honlapon a videók között ami Magyarul magyarázta az Eagle nyáktervező használatát. Sajnos géphiba miat eltünt a gépemről és itt a videok között nem találom.
Ha valaki tudna segiten( videó vagy link küldéssel ) nagyon megköszöném Majorka. A hozzászólás módosítva: Máj 2, 2017
Idézet: „Sziasztok) Elkeztem egy szintenként(5db szint) 8ledes( RGB ) egy szinten ilyen villogó eszköztDD Segítséget szeretnék kérni hogy jó e a gondolkodásom. 74hc595 el szeretném vezérleni 3db shift| 1. shift pirosat 2. zöldet 3. kéket vezérelné. 74hc595 kimeneteén korlátozó ellenálást 20mA állítom. Egyszinten 20+20+20 =60*8=480 mA megy a minusz fele vagy is elég oda 5db bc337-40 ? Ledkorlázoját számításba veszem a bc337en eső 0,6 voltot??? 74hc595 esik feszültség?? Segítséget elöre köszönöm” Valaki?
Bővebben: LinkBővebben: Link
Ezt kerested? A pdf szerintem hasznosabb. A hozzászólás módosítva: Máj 2, 2017
Talán ha készítenél legalább egy kapcsolási rajzot (és érthetően fogalmaznál), több válaszod lehetne...
A hozzászólás módosítva: Máj 2, 2017
Sziasztok!
Adott egy 40W 230V fürdőszobai elszívó ventilátor. Ha valami idegen test vagy szennyeződés miatt a lapátok megszorulnak és így nem nagyon tud forogni, és ezt nem vesszük észre, akkor gondolom tönkremegy, esetleg leég a motorja. Sajnos nem tudom, hogy ezek hogy működnek. Tarthatok-e attól, hogy esetleg túlmelegszik és akár tüzet is okozhat?!
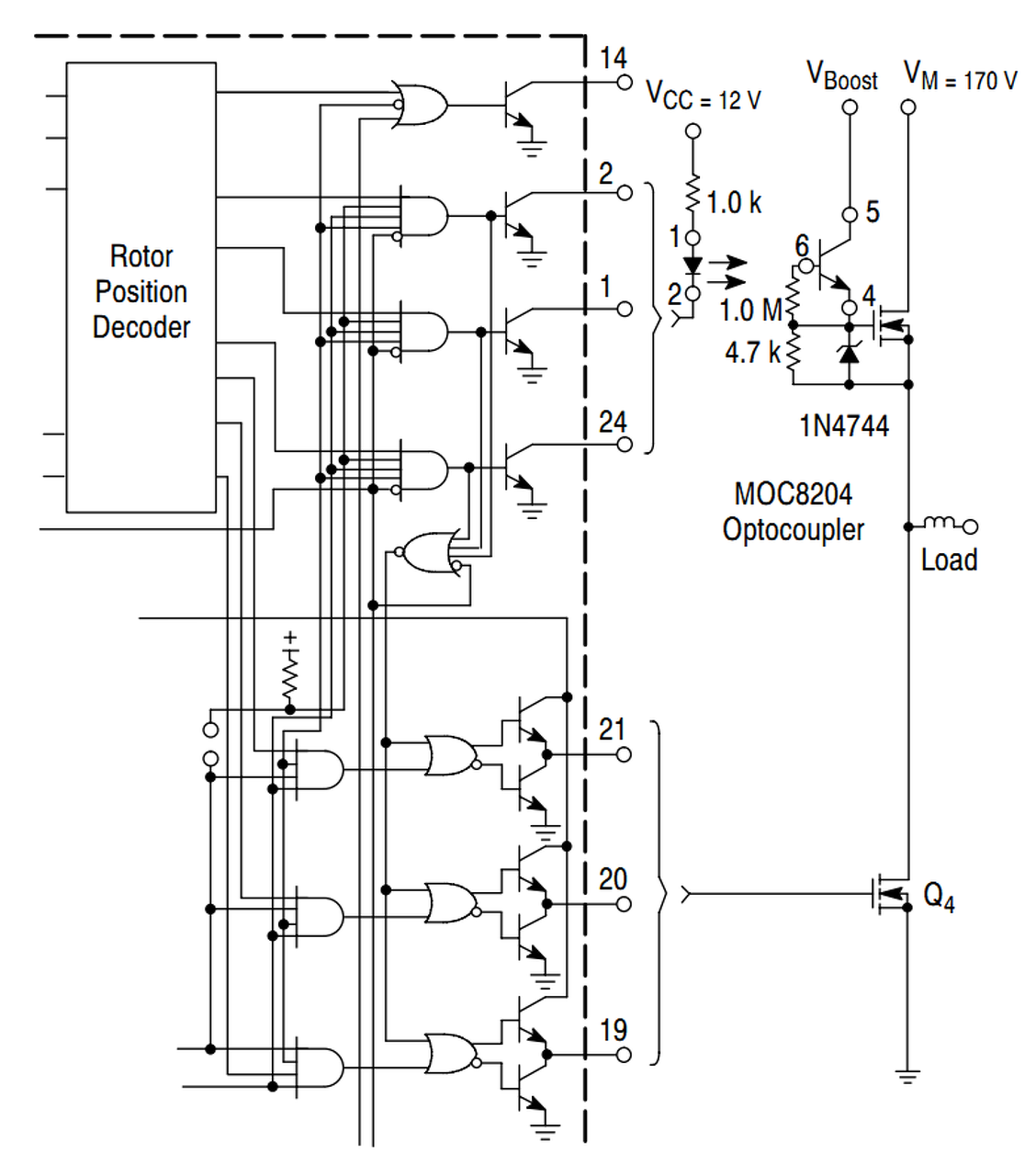
Alábbi rajzon (MC33035 BLDC motorvezérlő adatlap), hogyha a Vm (motorfeszültség) = 72 V,
akkor a Vboost feszültségnek 15V -al magasabbnak (tehát 87V -nak) kellene lennie hogy kinyisson a felső FET rendesen, jól gondolom? A hozzászólás módosítva: Máj 2, 2017
Hogyan üzemeltethetem a mellékelt kép adataival rendelkező kütyüt?
Ez tipikus amerikai kütyü!
Ha hajlandó 50Hz-n müködni? (Mivel ithon csak ez van!) Akkor egy osztott primer tekercsü trafo (2*120V, 2A) 2 szélső kivezetésére kötöd a 230V-ot Igy az egyik szélső és a középső vezetéken kapsz 115V 50Hz -et. A szekunder oldalt lógva hagyod.
De vehetsz kifejezetten ilyen jellegű feszültségcsökkentésre való trafót is. Bővebben: Link.
Sziasztok!
Létezik olyan HALL sensor,amelyik akár 7-10 cm távolságból is érzékel egy kisebb mágnest? Előre is köszönöm!
Üdv!
Lehet hogy hülye kérdés, de a régi sok lapból csavarra fűzött Konverta szelén egyenirányítók javíthatóak a lapok cseréjével? Van ezeknek még bármi értékük vagy tegyem vissza a hulladékgyűjtőbe?
Az elégett darabokat lehet cserélgetni, vagy összerakni nagyobb teljesítményre vagy feszültségre de nem érdemes.
Erre nem lehet egyértelműen válaszolni. A mágnes "ereje" a távolság függvényében csökken. Az sem mindegy, hogyan áll a mágnes, illetve az azt körülvevő mágneses vonalak. Ekkor jön még csak képbe az, hogy az érzékelő mennyire érzékeny. Pl. TLE 4905 L ára kb. 200 Ft, nem igényel nagy beruházást egy teszt.
Érzékelőnek fel lehet használni Reed csövet is, az is elég érzékeny lehet és egyszerű, mint a faék. Ajtónyitás jelzése gyanánt használtunk párszor ilyet, ott bizony megesett, hogy kb. 10 cm távolságból (mágnes, reed relé) már összezártak az érintkezők. Hasonlóval kísérletezgettünk, mint ez: HEStore.
Helló!
Egy gyors de fontos kérdésem volna. A kapcsolóüzemű tápok fekete műanyaga milyen műanyag? Epoxival gondoltam ragasztani, azzal pedig bizonyos anyagokat nem lehet.
Ami most a kezemben van, az polisztirol... de ez sokat nem jelent, ezer gyártó, kétezer féle fröccsöntőanyagot használ.
Én valami „meleg" megoldást keresnék.
Köszönöm a választ! Mindenképpen hall szenzorral szeretném megoldani, vettem is egy ilyen modult,de még potméter tuninggal is csak kb.két centiméter távolságot sikerült elérnem.
Holnap még veszek egy iridium mágnest,ami ugye jó lenne,ha minél kisebb lenne. hall sensor modul A hozzászólás módosítva: Máj 2, 2017
Arra gondoltam én is eredetileg, de biztonsági megfontolásokból én melegedő elektromos eszközt nem ragasztanék össze azzal.
Megpróbálhatod erősebb, pl neodym (pl N50 nem tudom van -e erősebb) mágnessel...
A hozzászólás módosítva: Máj 2, 2017
Régen leolvasztottam róla az ónbevonatot és fényérzékeny elemként használtam a lapokat. Leolvasztásnál vigyázni kell a hőmérséklettel, hogy csak az ón jöjjön le, a szelénréteg ne sérüljön.
igen,köszönöm,holnap nézek is egyet.
Most is egy nagyon erős mágnessel próbálkoztam,de csak kb.2 cm... |
Bejelentkezés
Hirdetés |




)
DD
Tehát most már értem, hogy miért nem akart fényt kibocsátani!








