Fórum témák
» Több friss téma |
Mielőtt kérdezel, a következő két dolgot ellenőrizd!
I. A helyes tápfeszültségek megléte.
II. A kimeneten van-e egyenfeszültség.
Élesztés.
Sziasztok kerdezek en tolletek(profiktol) ,hogy hany embert lehet hangositani, vagyis hany emberre eleg a kovetkezo technika
szubok JBL JRX118S-kopia dobozban vannak, 2 darab kinai jbl 2240-hangszoro 18" 600w 98 decibel 4" tekercs 2 darab Martin Wisman 18" 300w rms - 98 decibel 3" tekercs 2 darab tolcseres kozepmagas hangdoboz, jbl Bullet Tweeter model 2402/075-magassal, es eminence kappa pro 10" kozeppel,97 decibel 500watt 3" tekercs vegerositok szubokra -yamaha 2x 1000w rms kozepmagas- t-amp 800as Ezer ember re szamoltam en... szerintetek?
Sziasztok!
Ha én egy végfok bemenetet párhuzamosítok, mert a keverő kimenet monó, és hídba használom a végfokot, az úgy oké? SUB-ra akarom.
Sziasztok!
Szeretnék kérni tőletek, egy kapcsolást, esetleg komplett tervet... Adott 2 db 70W-os 6ohm-os 3 utas Sony hangfal. Szeretnék hozzájuk egy erősítőt építeni. Vagy egy trafóm is, aminek több szekunder tekercse van. 2x26,5V-ot tudnék szolgáltatni az erősítőnek. Sajnos nem tudom, hogy ezek a hangfalak mennyire jó minőségűek, de szeretném ha az erősítő azért odatenné.. ![]() Köszönöm szépen a segítséget.
Oké, de a híd üzemű végfoknak általában meg van adva, hidalt állapotban melyik a bemenete és a kimenete. Tehát ilyenkor csak 1 bemenet és 1 kimenet van csatlakoztatva.
A hozzászólás módosítva: Okt 8, 2012
Én szerintem 144,2 dB SPL (ennyinek vettem 3kw nak az erősíłtőt 98dB/W nak a hangfalat) 1x1Km-es körzetben hallható, hangosnak hangos olyan 40x40m es körzetben, de figyelembe kell venni a hangnyomás táblázatot hogy menyi óra hossza alatt mennyi hangnyomás megengedhető!!
A hozzászólás módosítva: Okt 8, 2012
Hello
Vannak hangszóróim és szeretnék készíteni belőlle egy 2.1es hangsugárzó szettet de nem tudok erősítőt összerakni ezért nézelődtem ebay-en és találtam pár erősítőt és a véleményeteket kérném hogy menyik lenne megfelelő ezekhez a hangszórókhoz (nem várok sokat tőlük de azért akarok kezdeni velük valamit). A hangszórók: 2db. 130 mm Magnat LS 213 45WSAL srp 1315 50W (mélynyomónak) A kinézett erősítők: Bővebben: Link - Bővebben: Link - Bővebben: Link Kérlek segítsetek! A link gomb a linkeknek van, szerkesztettem . A hozzászólás módosítva: Okt 8, 2012
Rendben, a kimenetről tudom hogy egy van, meg fogok győződni a bemenetről is. Ezzel nem vagyok teljesen tisztába.
Sziasztok
Van egy régebbi sony hifim a gépre kötve esti halkabb zenéhez.van rajta egy 2állású basszuskiemelő gomb(DBFB),ha azt a legnagyobbra teszem torz a hangja a mélynek...nem a hang(fal)sugárzó hibája mert más hang(fallal)sugárzóval is ugyanezt csinálja és kis hangerőn is,ha viszont egy jópár órát bevan kapcsolva elég sokat javul a helyzet és csak olyan számnál hallani a torzítást amiben elég sok mély van.Szerintetek melyik alkatrész lehet az ami ha bemelegszik "jótékony" hatással van a hangzásra? kondi esetleg?vagy ic is csinálhat hasonlót? Egyébként azért kell a legnagyobbra kapcsolni mert ha csak felesre rakom egy szem mély hang sem szól,kikapcsolva pedig teljesen beleszól a hangzásba eltünnek a magasak...stk végfok van benne.Előre is köszi a segítséget. A hozzászólás módosítva: Okt 9, 2012
Szia! Régi Sony-nál a kapcsoló táján keresném a hibát. Nekem legalábbis az produkált ilyet. A csúszó érintkezők eloxidálódtak.
Túl nagy jelet adsz a számítógépből a HIFI-nek. Vedd halkabbra legalább 20%-al, s a HIFI-n adj több hangerőt rá. Néhány próbálkozással, szintillesztéssel (hangerő állítgatással) megtalálod azt a pontot ahol már nem torzít.
A hozzászólás módosítva: Okt 9, 2012
Úgy is ugyanazt csinálja már egész kis hangerőn is ilyen érdekes torz hangja van...
Ez egy fh-g70 tipusú hifi,alapból el sem akart indulni.... a panelen két pontot vezetékkel is összekötöttem ami egyébként is összevan kötve a nyákon,és így jó....pedig nem szakadt a sáv..érdekes van egy másik panelem azon is eztcsinálta valaki és ígysikerült bekapcsolni addig semmit nemcsinált.
Sziasztok.
Remélem jó helyre írok. Szóval kaptam egy autóerösítöt javításra, de a tipusa nem ismert. Sem a panelen, sem a dobozán nincs felirat. Sok méregetés után cseréltem pár elégett dolgot, viszont 3 alkatrész hiányzott belole. Ebbol 2-ot kitippeltem, az egyik a 3055-ös NPN tranyó, a másik a piros nyíllal jelölt stabilizátor. Ezeket berakva el is indul az erösítö. Egy alkatrész azonban nem tudom micsoda lehetett. A sárga nyillal jelölt alkatrész. A panelen U-val van jelölve (a többi stabilizátor mellett is U van) tehát nem tranzisztor. A neten találtam egy rajzot, ezen látszik a TO92-es tok - a hiányzó alkatrész. A kérdés: vajon milyen stabilizátor ez? Mellékeltem egy rajzot, hogy mi hova van kötve. Minden segítséget szivesen várok. Ha esetleg nagyobb felbontású kép kell, teszek fel, mert ez, amin bejelöltem a dolgokat, ez az originál netes kép - nem túl minöségi. Elöre is köszi.
Köszönöm a válaszod!
Megnéztem most így a diódahidat, és érdekes tapasztalatom volt hogy váltó áram sincs a híd bemenetén, szóval elkezdtem szét szedegetni és egyszerűen a trafó nem is működött, most jelenleg ott tartok hogy visszamentem a primer 2 kivezetéséig, és furcsa módon tapasztaltam hogy a 2 kivezetés azonos potenciálon, méghozzá a fázison van mindkettő! Ez kapcsoló hiba lehet? köszi előre is! A hozzászólás módosítva: Okt 9, 2012
Üdv Ifjúság!
Szeretnék valami elviselhető hangerejű erősítőt a kocsimba.... Mit ajánlotok amit 12 VDC 10 X 10 000 µF puffertől meg lehet hajtani? TDA2050-re gondoltam de ott szimmetrikus táp kell. Előre is köszi!
Szia!
Csináld meg az egytápos hidalt verziót.
Heló! Ha a paraméterek meg felelőek,minden gond nélkül be építhetők.
Hátha a trafó nem kap áramot,az lehet kapcsoló,biztosíték,prímér,és vezeték hiba.
Üdv mindenkinek! Szeretnék most feltenni egy furcsa kérdést. Éppen kicserélem a hangrendszerem, és szeretnék venni valami igazán jó hangfalat elérhető áron. Ti mit javasoltok? Videoton Preludium B31/32? Orion HS? Heybrook? Mindent meghallgatok. Ja, és egy Hiraga Le Monstre 8W A osztályú erőlködőm van, de építés alatt áll egy EL84-es PP csöves is.
Sziasztok!
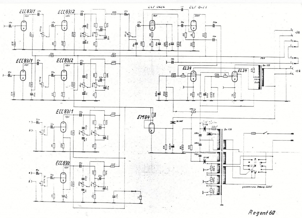
Egy Regent 60W-os gitárerősítőhöz szeretnék kötni mp3 lejátszót és lemezjátszót. Csatolt képen látható a kapcsolás, a bemenetekre -40dB van írva a képen. Bővebben: Link A kérdés az, hogy közvetlenül tudok e rákötni a bemenetre mp3 lejátszót, vagy lemezjátszót? Az egyik biztosan nem megy a jelszintek miatt,de nem tudom melyik, valamint hogy mi a -40dB jelölés. 4 bemenet van 2 az egyik stereo-nak, 2 a másiknak... Milyen illesztést kell építeni,vagy változtatni az csövek előtt, hogy stimmeljenek a jelszintek? Köszi előre is a segítséget! A hozzászólás módosítva: Okt 10, 2012
Gitárerősítő zenehallgatásra nem alkalmas. Torzít és óriásit erősít, a zaja is magas általában.
A -40dB annyit jelent, hogy a névleges teljesítményhez - ami itt 60W -, 7mv kell a bemenetre. A CD kimenete meg 1V nagyságrendű. Szóval borzalmas.
Ok... Köszi,ezt vágom, de azért valahogy biztosan meg lehet oldani, mondjuk valahogy leosztani a jelet... De a lemezjátszó a fő irány... Annak kicsi a kimeneti jele nem?
A hozzászólás módosítva: Okt 10, 2012
Szia!
Idézet: „4 bemenet van 2 az egyik stereo-nak, 2 a másiknak” Nem így van. Ez egy mono erősítő. Célszerűbb előbb a lejátszó kimeneteit közösíteni azután rákötni valamelyik bemenetre. A rajzon alul található bemenetek kisebb érzékenységűek, azzal lehetne próbálkozni. A lemezjátszódnak csak akkor kicsi a jele, ha dinamikus hangszedő van benne. Ahhoz RIAA korrektort kell építeni és máris megnő a jelszint.
Esetleg, a TDA1554 vagy a TDA1558-as kifejezetten autós használatra gyártott IC-t is használhatnál.
A hozzászólás módosítva: Okt 11, 2012
Sziasztok olyan problémába ütköztem hogy csináltam egy véget amit 2x55v + - próbáztam ki koppgátlóval,akkor az egyenfeszre nem tiltott,most 70v +- ról megy és tiltogat folyamatosan kicsit nagyobb hangerőnél. Elöször csak villog a visszajelző aztán levág,letilt.Szerintetek?
Köszönöm U.i nem melegszik egyáltalán. A hozzászólás módosítva: Okt 11, 2012
Szerintem túl érzékeny a DC védelem és amikor klippel az erősítő akkor letílt.
TDA2050 -et 12V-ra semmiképpen. Nézd meg az adatlapját milyen kis teljesítményt ad 12V-on. (Hídban 4-5W)
Köszi lehet,viszont észre vettem kicsit tolja is a hangszórót zárt bemenettel
Szia! Ugye nem mondod, hogy nem mértél egyenfeszültséget az erősítő kimenetén?
|
Bejelentkezés
Hirdetés |













