Fórum témák
» Több friss téma |
Mielőtt kérdezel, a következő két dolgot ellenőrizd!
I. A helyes tápfeszültségek megléte.
II. A kimeneten van-e egyenfeszültség.
Élesztés.
Nem. Helyette vannak a 10Ohm ellenálások...
A hozzászólás módosítva: Máj 16, 2013
A TL431-et illő megnézni FET beültetés előtt, hogy 6V beállítható-e az anódja és a katódja között.
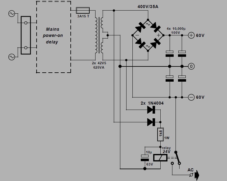
Sziasztok, Csináltam 2 PA300-as panelt. Élesztettem dobozolás nélkül és minden rendbe volt, szólt szépen. Bedobozolom és bekapcsolom erre világít a D13-as LED és nem csinál semmit. Mi lehet a baj szerintetek? Hol mérjek?
http://www.elektron.si/forum/files/pa300_elektor_11_1995_angl_241.pdf
Szia! A "B" ponton ellenőrizd a 0 voltot és nézd meg, kap-e a védelem AC-t!
"B" pont rendben az AC kap -60V-t de a LED világít...
Az AC kapjon AC-t ne -60V-ot. Esetleg elírás?
Nem elírás. Az AC kimenetre-re én -60V-t kötöttem.
AZ AC figyelőt kihagytam ezért a direkt -60V
Az helytelen. A T12-nek túlságosan negatívra teszi a bázisát. Az AC-re az egyik szekundert kösd amiből a +/-60V-ot nyered. Így tud gyorsan oldani a relé a hálózati feszültség lekapcsolásakor. Remélem a T12 nem pusztult bele, a 120k eléggé korlátozta az áramot.
Mit jelent az, hogy kihagytad az AC figyelőt? Mi a szerepe így a -60V-nak? A hozzászólás módosítva: Máj 16, 2013
Hu ez nem teljesen világos. A tápbol jön a 42V ezt rárakom a Graetzre így megvan a +/- 42V-m ez megy a 4 kondira akkor látom a +/- 60V-t. Honnan kellene akkor az AC-re rákötnöm?
A transzformátorodból nem +/-, hanem váltófeszültség jön ki, ezt rövidítik AC-vel (Alternating current). A két 42V-os ág egyikét (tetszőleges) kösd a védelem AC jelű csatlakozójára.
Dehát itt a relé a -60V-t kapcsolja az AC-re...
Meggyőztél, R33 és R50 tényleg erre van méretezve. Mérd meg T12 bázisán a feszültséget testhez képest, az feszültség előjele is fontos adat!
A D12 és az AC felirat teljesen azt sugallta, hogy szokásos módon épített AC figyelő van a kapcsolásban. Itt valami utólagos módosítás történhetett.
Jaaaj most szétvágtam a javaslatodra az AC-t de visszakötöttem már. A T12 bázisánál +0.64V van.
Közben elolvastam az építési leírást, abban is az szerepel amit ösztönösen ajánlottam.
Idézet: Ha nincs extra reléd berakva, akkor a javítás befejeztével mégis csak arra kéne áttérni a tranziens mentes lekapcsolás érdekében.„The ‘AC’ terminal on the PCBis linked to one of the secondary outputs on the mains transformer.” A T12 bázisán 0-(-2V) a helyes érték. R50-et (120k) és a hozzávezetést ellenőrizd! A hozzászólás módosítva: Máj 17, 2013
120K rendben. De igazábol mit jelent ha világít a D13?
IC2 5ös lába negatívabb mint a +1,4V-on lévő 6-os. Ennek természetes okai: tilt a hővédelem, de akkor D14 is világítana, egyenfeszültség van kimeneten, T10, vagy T11 kinyit, végül a harmadik az imént vizsgált AC figyelő.
Akkor azt mondod, hogy kössem az AC-t a trafó kimenő részének valamelyik 42V-végére abbol nem lehet baj. Ugye?
Még ne tedd át mert nem lesz jobb tőle. A T12 nyitott állapotát meg kell szüntetni!
A 120k-ra megérkezik a -60V?
Keresd meg a szakadást, D12 is okozhatja. (Lehet ezt frissen és pihenten is, holnap is van nap
)
Oks majd folytatjuk...Lehet csak jövő héten. Köszi!
tudna valaki segíteni vagy egy erösitöm amikor kikapcsolom pukan egyet a hangfalak mivel tudnám ezt a hibát elháritani?
Koppanásgátlónak hívják, amikor megszűnik a 12V-os tápja 0,2s-os idő alatt lekapcsolja a hangszóró kimenetet így nem lesz pukkanás illetve bekapcsolásnál késlelteti a hangszóró kapcsolást és ott sem lesz pukkanás.Itt megtalálod! mellékelek képet is.
Na megvan a hiba! Valaki jól kiszúrt velem! A nyáktervet erröl a fórumrol töltöttem le layout-ban és az AC - CLIP fel volt cserélve rajta. Ugyhogy nézze át mindenki aki majd nekiáll és innen szedi le a nyáktervet.
Ráraktam így már helyesen a D12-elé a -60V-t és minden rendben ezen a panelen.
Erre nem gondoltam, mivel korábban normál működésről számoltál be. Amúgy tényleg visszatérő hiba, más is esett bele.
|
Bejelentkezés
Hirdetés |





) 





