Fórum témák
» Több friss téma |
Mielőtt kérdezel, a következő két dolgot ellenőrizd!
I. A helyes tápfeszültségek megléte.
II. A kimeneten van-e egyenfeszültség.
Élesztés.
Szia már utánna néztem.
Tényleg a 28 v-s a jobb minden téren
helló
betettem azt a sub filtert amiről szó volt de lehalkitotta az erősitőt igen szépen ez ellen mit lehetne csinálni?
Hello!
Kicsit alacsony a szűrő bemneti impedanciája. Ha az erősítőd kimenőellenállása nem kis értékű, akkor jelentősen terhelni fogja. Esetleg próbáld meg, az ellenállásokat a tízszeresére növelni, a kondikat meg a tizedére csökkenteni. (10k, 15n,220k) De a 220k-ba be kellene számolni a subláda erősítő bemeneti ellenállását is. üdv! proli007
Azt hogy aktív hangváltót használsz, mert ez egy passzív hangváltó csupa passzív alkatrészekből. nincs benne semmi amitől nagyobb feszt adna le mint amit benyel. Mivel passzív alaktrészek ezek úgymond csak nyelik azt amit beleadsz és mint egy passzív elemekből felépített hangváltó csak azokat engedi át amire hivatott, jelen esetben csak a mély hangokat.
Megoldás: marad ez a passzív hangváltó, és utánna kötsz egy előfokot, vagy fordítva, ahogy jobb a rendszeredbe. Vagy építesz egy aktív hangváltót.
Nézd meg az alldatasheet.com oldalon,ott írd be a keresőbe és agyári adatlapon található egy csomó ajánlott kapcsolás amikről még mérési adatokat is közölnek
sziasztok.
abban kérnék segítséget tőletek, hogy nem tud e valaki egy nagyon egyszerű de jó minőségű fejhallgató erősítő kapcsirajzot ? Itt az oldalon a kapcsolások között csak egy mikrofon előerősítő rajzot találtam de nemtudom át lehet azt alakítani fejhallgatóhoz ? ha valakinek volna rajza az előre is köszönném.
ezt találta a kereső:Bővebben: Link
TDA 1562 IC van benne és 55 W-os. Nem tudom h milyen hangja lesz, de érdekes h sehol nem találtam dokumentációt az IC-hez.
Mondjatok véleméányt léci h szerintetek milyen lesz a hangja.
Kösz a dokumentációt és a rajzot. A kapcsolás amit küldtél különben majdnem ugyan az amit én építek.
Sziasztok!
Nem tudom feltehetem e itt ezt a kérdést, de szerintem igen! Szóval vettem egy 100W/ 8ohm/-os magassugárzóba Dóm betétet. 50W-os erősítővel használom, de nem tudom miért égett le a fél tekercse a dómnak(halkan szól már és büdös). Fordítot hangszóró polaritás okozhat ilyet, ha az volt, nem tudom előfordulhatott, a kondenzátor polaritása így tán nem jó akkor! Ezt azért gondolom, mert van egy házi hangfalam régi BEAG 12W-os sugárzókkal és mikor fordítva kötöttem rá véletlen az erősítőt akkor a magas éppen közép hangszínben szólt! Előre is köszi!
Szia!
Ennek lehet 1000 és 1 oka kb... Talán a hangváltó lehet kókány munka, esetleg a gyári váltóba valaki belekókányolt. Hangváltóba nem szokás polarizált ELKO kondenzátorokat rakni, Minimum bipoláris, vagy inkáébb MKT vagy fólia kondi. De ha csak két elkód van, akkor azokat sorba kötve megfelelő azonos polaritásokkal szemb, úgy már kapsz is egy bipoláris kondit. A kondenzátor sorbakötésének szabályaival. Esetleg egyenáramot kaphatott... Talán.... és még írhatok nagyobbnál nagyobb hülyeségeket is....szóval szerintem elég sokminden miatt lehetett ez.
heló!
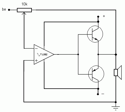
A kapcsolás egyértelműen működőképes, de a minőségi alkalmazásokra nem igazán felel meg. A B-osztályú beállításban működő végtranzisztorok ugyanis nagy keresztezési torzítást okoznak. Előnye az egyszerűsége és gyakorlatilag kevés alkatrésszel is nagy teljesítményűre építhető.
hmmm hát érdekes!
Nem tudom mi lehet az oka, hirtelen, mert Gyári Videoton erősítő(EA 6383S 50W), semmi gondja sincs. A váltó eredeti fólia kondik vannak benne, ha jó figyeltem. A történet úgy volt megvettem a Dóm betétet, beleraktam a tokba és a 3utas rendszerbe egyedül szólaltattam meg kezdésnek! 22KHz-et küldtem rá max hangerőn! Elvileg bírni kellene hisz nagyon kicsi teljesítményt vesz fel a magas! Szólaltatom és egyszer kezd így elhalkulni, hát a fele tekercse befeketedett. A másik verzióm, hogy lehet a torz jeltől lehet talán még, mivel magashangnál én nem igazán halottam mikor torzít! Vagy a gyári dobozban a hangváltó után van egy 47R ohmos/1w-os ellenállás amivel szabályozhatom a magas-t. Lehet ott volt valami gond? Most a másik még működik szépen, de abba ezt a potit lehúztam közép állásba. A Hangfal Videoton DCR 3090 -es. Bővebben: Link
Tudom én azt!
Megkérdeztem a boltba és a katalógusba ez volt benne., de ha még nem is 100W-os, akkor is ha 10W-os az is elégnek kell lennie! van 4 BEAG 12W-os hangszóróm, abból 2-őt hajtok magasként és 2-t középként ugyanezen a teljesítményen szinte minden nap max hangerőn és bírják!
A 6383-ról ha váltó nélkül megküldöd a dómot maximummal, akkor szerintem ne csodálozz, hogy leég...
Idézet: „Elvileg bírni kellene hisz nagyon kicsi teljesítményt vesz fel a magas!” Ez bizony nem igy mukodik! Attol hogy ra van irva egy teljesitmeny ertek a hangszorora nem azt jelenti, hogy annyit vesz fel a hangszoro! Az a szerencsetlen akkora teljesitmenyt fog felvenni amekkoraval megkuldod. Egeszen pontosan a rajta atfolyo aram ejt valamekkora feszultseget a tekercsen es a ketto szorzatabol adodo teljesitmeny fog nagyreszt hove atalakulni (a koztudottan rossz hatasfok miatt). Mivel valtakozo feszultsegrol van szo nem mindegy a valtakozo jel alakja sem ... pl. nem szerencses negyszogjellel probalgatni nagy teljesitmenyen a hangszorokat, mert azt nem szeretik De ha tul nagy az atoflyo aram, akkor mindegy lehet neki a jelalak. Sztem ilyen butasagot maskor ne csinalj, hogy 22kHz-es jellel max. hangeron megkuldod csak a magassugarzot.
Szilva: Más erősítővel is, ha megküldöm váltó nélkül akkor is leég ezzel tisztába vagyok! Váltó meg volt
![]() Lamalas: Hát utánna érdeklődtem volt egy olyan verzió is, hogy a váltó a rossz, de aztán egy másik szakember mondta, hogy írtó nagy hülyerséget csináltam, mert maxon 22K Hz-et nem szabad neki küldeni! így lehetséges az volt a baj, mert ugyanabba a hangfalba most szépen zenél .A két magas sugárzó és egyik középsugárzó meghallt még régen , akkor még nem Sinusosztam, nem lett pedig túlhajtva. Nem tudom hogy most a miatt is tönkre mehettek, hogy már kemény 20 évesek?
Amúgy nem gondoltam, hogy így szét tudja nyomni 22KHz a dómot, azt gondoltam, mivel igen magas és a váltó se enged át más tartománybeli frekiket, hogy íígy nem lesz vele semmi baj. De akkor most már tudom, hogy ezeket a jeleket nem szabad 1-2W jobban kihajtatni a hangszórókra.
Köszönöm a Segítő válaszokat!
Azt hiszem amit leírtál pontosan ráhúzható pl aktív mélyládákra végfokára is, miszerint, hogy nem kell nagy teljesítmény egy adott hangszóró széthajtásához.
Ha csak 22kHz szinuszt engedtél a hangszóródra akkor elvileg a végfokod teljes teljesítménnyel csak a 22kHz szinuszt erősítette, azaz ez egy 30-50W-os végfoknál már brutálisan nagy teljesítmény otthoni hifi szinten szerintem. Szóval hiába van csak mondjuk 9-ig feltekerve a hangerő poti, ha csak a 22kHz-et erősíted akkor is szét hajtod vele a hangszórót, mert abba érdemes belegondolni, hogy zene hallgatásnál 9-es poti állásban az összes többi frekvenciát is erősíti a végfok, és a mélyek teljesítményének jó részét elviszik. Szóval 9-es poti állásnál a 22kHz nem mondjuk 50W-tal hanem csak 2-3W-tal szól arányaiban. Itt utalok vissza az aktív mélyládákra, mert azok végfokának csak mondjuk a 20-150/200Hz közé eső frekiket kell csak erősítenie, szóval egy akár 50-70W-os végfokkal vígan ki lehet akasztani egy akár 30cm-es hangszórót így (aktív hangváltó). Ja és most kapcsolok, hogy rossz embernél nyomtam a válasz gombot.... Ja és most így átolvasva ugyanazt írtam mint lamalas, de már nem törlöm ki.
Nem baj, hogy félre nyomtad, mert te leírtad miért nyomta szét a 22K Hz és így már értem! Nagyon szépen köszönöm!
Mostmár óvatosabban dolgozok velük. Holnap viszem a mélyeket tekercseltetni, mivel levannak esve a tekercseik elvileg, mert zizeg. És akkor még egy kérdés, ha leesett a tekercs a hangszóróról, de mmég attól minden nap halgattam ilyen olyan hangerővel az okozhat valami torzulást a csévetesten?
Én egyszer valahol azt olvastam, hogy egy átlagos zenei hangzás esetén kb. a 1.5kHz az a pont, ahol az az alatti és az a feletti összetevők teljesítménye megegyezik.
Magyarul egy 20W zenei összteljesítménnyel meghajtott hangfalban 10W 1.5kHz alatti és 10W 1.5kHz feletti frekvencia jelenik meg.
Zizeghet az attól is, hogy a túlhajtás miatti hőtől deformálódik a csévetest. Az majd akkor derül ki, hogy milyen állapotban van, amikor a hangszórós szétszedi.
Akkor inkább súrlódik ha a csévetest torzult.
Súrlódik, ha kézzel mozgatod, hallani is rendesen, de az zene közben simán hallható zizegésnek.
|
Bejelentkezés
Hirdetés |





De ha tul nagy az atoflyo aram, akkor mindegy lehet neki a jelalak. Sztem ilyen butasagot maskor ne csinalj, hogy 22kHz-es jellel max. hangeron megkuldod csak a magassugarzot.
.




