Fórum témák
» Több friss téma |
Mielőtt kérdezel, a következő két dolgot ellenőrizd!
I. A helyes tápfeszültségek megléte.
II. A kimeneten van-e egyenfeszültség.
Élesztés.
Köszönöm, hogy leírtad a tapasztalataidat! Ezeket meg fogom próbálni, mivel nagyon egyszerű kis kapcsolás és próbanyákos is, hamar tudok módosítani rajta.
Szia! A korábbi mérésnél az 1-3 mutatkozott egyformának, lehet csak a számozás lett elnézve.
Kövessük a csatlakozó 7-es pontjára érkező jelet a BASS szabályzónál: a poti állásától függetlenül legalább 20k/3,6k arányban csökkentett jelet kéne észlelni a 3-assal jelzett lábon. Ennek legvalószínűbb magyarázata, az R505 szakadása, vagy szakadt a hozzávezetés a csatlakozó 6-os lábára érkező testhez. Azt sem zárhatjuk ki, hogy a 6-os csatlakozási pontra az erősítő panelból nem jön el a test. Ezt egyszerű szakadásvizsgálattal megállapíthatod, az egyik tapogatócsúcsot helyezd a készülék biztos test pontjára (a bemeneti RCA-t szoktam választani), a másikkal pedig mérj rá R505-re. Mivel a magas szabályzó is teljesen hatástalan a mérésed szerint, a közös test vezetőben gyanítom a hibát.
Nagyon jól néz ki! Annyi kérdésem lenne, hogy az alkatrész értékeken kell módosítanom? A képemen látható toroid 2x12V-os ez a váltófesz, szekunderenként 50W. Kimenetemen pedig, ahogy írtam korábban, 15-20W-nál nem kellene több.
Köszi a segítséget!
Kábelen keresztül mérve R505 mindkét végén teljesen jó.
Átmegy a test. És a kábel végén adtam rá a jelet,tehát az erősítő többi részét kizárhatjuk.
A poti csúszka milyen pozícióban volt? Milyen frekvenciát használtál?
Mindkét poti maximális emelésen, 1KHz-et használtam mert nem találtam 100Hz-es mérőjelet.
Most már azt csinálom hogy minden forrasztást átforrasztok,és kondikat átcserélgetem.
Gyorsan megszerkesztettem a szimulációját. Potik 99%-on.
A jobb csatorna maga tökély a mérés és az alkatrészpontosság figyelembevételével. A bal csatorna azért is sántít mert magasabb feszültséget mértél a potenciométer lábakon mint amit belevezettél. Ennek nézz utána!
Értem ,köszönöm.
Annál az is volt a baj hogy ahány szór rámértem mindig mást mértem.
Igen, írtam a 100Hz szerencsésebb lenne. Bővebben: Link
A hozzászólás módosítva: Okt 21, 2014
100Hz-el újra mérve:
1: Bemenő 1,87V 3: Kimenő 0.08V 7: Bemenő 1,87V 5:Kimenő 0,12V
Így ebben az állapotában már összerakható az erősítő, az 50%-ot éppen csak érzékeli az ember füle.
Két dolog lehet: a korábbi mérések pontatlanok voltak, vagy érintkezési hibás valahol a hangszínpanel amin egy átforrasztgatás sokat segít.
Összeraktam fülre jó is teljesen,mindkét oldal szabályozható.
Szerintem az átforrasztgatás most bejött. Nagyon szépen köszönök minden segítséget! Pár nap múlva Onkyo A-8450-es fogom csinálni,abban hangerő potmétert kell cserélnem,meg valamiért a Tuner bement nem szól csak nagyon halkan,és Video kapcsoló is kicsit problémás.
Szia!
Elvégeztem még egy pár mérést. Bekapcsolás után a Q3 kollektorán nincs 0V, és hang sincs. - Q2 kollektorán: -53mV van (a -2.5V helyett) - De már a Q4 kollektorán sem jó, ott -551mV van a 0V helyett. - Q4 bázisán - 37V van. Próbáltam a Q3 kollektor emiter rövidzárat is, az egyik csatorna nem a koppanásgátló miatt halkabb úgy néz ki.
Üdv,
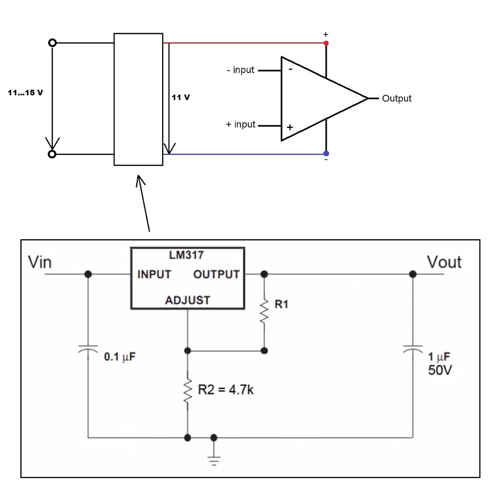
BLDC motor vezérlésével foglalkozom és adódott egy problémám, ami a kapcsolásban lévő műveleti erősítőt érinti. A probléma, hogy a kapcsolásban a műv. erősítő és a motor tápellátása megegyezik (ezt másképpen nem tudom megoldani), és a motor induktivitása miatt forgása közben feszültséget dob vissza a tápra, ez a változó tápellátás tönkre tette a műveleti erősítőmet. A probléma megoldására egy feszültség stabilizátort szeretnék beépíteni, a táp és a műv. erősítő közé. (Kép csatolva). Mielőtt vásárlásba kezdenék, szeretném megkérdezni, hogy az elképzelésem jó megoldás lehet e a problémámra, azaz tudok-e így állandó 11 V-os feszültségszintet biztosítani a műveleti erősítőm számára ?
Szívesen.
Ha gondolod adhatok nyáktervet is a párhuzamosított műveleti erősítőhöz.
Sziasztok!
Kis segítségeteket kérném.Múlt hónapban vettem egy kész d osztályú erősítőpanelt. Gyárilag csak rca csatlakozó van rajta, végfokként működik. Az adatlapja szerint 13-16.9 KOhm között változik a bemenet. Milyen értékű potit válasszak hangerőszabályzónak?
A Q2 elkezdhet nyitni a -550mV-tól, ezek szerint visszább kell keresni a hibát. Ehhez a Q4, Q5, Q6 bázis-emitter feszültségét kéne megmérni. Mindhárom helyen kevesebb mint pár 10mV lehetne csak vezérlés nélküli állapotban.
A rövidre zárt Q3 esetén a végfokok bementi differenciálerősítőinek jelelnyomó hatását egyelőre kizárhatjuk. A Phoenix82 kollégával folytatott beszélgetésemet görgesd már vissza, ott is hasonló problémát vizsgáltunk ki. Esetedben az annyival bonyolultabb, hogy a kritikus alkatrész, vagy forrasztás a rajta fellépő áram illetve feszültség hatására "megjavul". Csuda egyszerű volna méréssel behatárolni, marad kontaktusok esetében a kíméletes mechanikai ráhatás (nyomkodás, kocogtatás), illetve módszeresen hűteni az alkatrészeket valami gyorsan illó, de nem roncsoló anyaggal Bővebben: Link. A hozzászólás módosítva: Okt 21, 2014
A végtranzisztorok emitter-ellenállásait lehet valamelyest csökkenteni a jobb kivezérelhetőség érdekében. Ha erős építési szándékod van utána számolok. A műveleti erősítő megengedett legnagyobb kimenő áramának és a végtranzisztor bétájának szorzata eléggé behatárolja a leadható legnagyobb áramot, illetve ebből kifolyólag az elérhető teljesítményt, ezzel is számolni kell.
Meg ne feledkezzünk a jó öreg TEXAS-ról ![]() Az alkatrészkészleted ehhez is nagyon közel áll.
Szia! A műveleti erősítőt túlfeszültségtől illetve fordított táppolaritástól egy 100 ohm 100µF RC szűrővel és egy 18V-os Zener-diódával meg lehetne védeni.
A Q4 bázis-emitteren -130mV van, ennyitől nem kellene nyisson a tranzisztor, de ilyenkor legalább -550mV körül van a kollektorán. Nekem R13 ellenállás gyanús, de inkább Q4 tranzisztor. Mit gondolsz?
Felrakok egy fotot az előerősítés részéről, nem tudom eldönteni, hogy melegedés nyomai e a tranzisztorok körül. De ha azok, akkor már nem is csoda, ha a két csatorna nem szól egyformán.
Jó nyomon jársz, az elszenesedett NYÁK kényére-kedvére vezet.
Sziasztok!
Adott egy Yamaha DSP-A5-ös erősítő. Napok óta küzdök a fent említett géppel. A következőt tapasztalom: Bekapcsolás után 1-2 sec-ig bekapcsol majd rögtön ki. A kijelző világít reagál a módválasztó gomb tekergetésére (amíg nem kapcsol ki). Teszteltem a főtápot ami megfelelő értékeket produkált. PRY pont a front paneltől átjárható a bekapcsoló reléig. Nézegettem a hasonló gonddal küzdők hozzászólásait (plusz a youtube-os EEVblog-os videót is) rá is ellenőriztem a tápoldali fólia kondikra de azok beleférnek a tűrésbe. A SM szerint az erősítő "operation" kapcsolásán van valamiféle védelem a végfokok körül. Arra gondoltam kiiktatom hogy tudjak mérni legalább. Gyanaxok még mikrovezérlőre de annak a cseréjét hagynám a végére (ninc$en hozzá kedvem)... Továbbá a kapcsolás szerint van egy "POWER DOWN DETECT" is de ennek meg nem jöttem rá a szerepére. Szerintetek? Nagyon hálás lennék amennyiben megosztanátok velem ha hasonlót tapasztaltatok és sikerült valamire jutni vele. Az SM letölthető itt de szívesen át is küldöm! Kösz előre is! A hozzászólás módosítva: Okt 23, 2014
Szia!
Végfokok kimenetein ellenőrizted a DC szintet? Végfok hiba is lehet, amíg nem tilt, mérni kellene közvetlenül a végerősítők kimeneti pontjain, relé előtt.
Szia!
Igen én is gondoltam a végfokokra (rendeltem is belőle egy párat) ezért kellene valahogy kiiktatnom a védelmet mert mielött mutatna valamit a műszer már ki is kapcsol. Ötlet?
Sziasztok!
Olyan segítséget szeretnék kérni, hogy egy ilyen erősítő panelt szeretnék rendelni: Bővebben: Link Itt a leírásban azt írják AC 18V-tól 26V-ig működik. Ha jól tudom elméletileg DC-ben is üzemeltethető ami nem lépi át a ~34V-ot ugye? Előre is köszönöm a válaszokat!
Szia!
Az adatlap +-40V-ban maximalizálja a feszültséget.
Köszi! Mivel elterveztem, hogy minden variációt kipróbálok
ezért szívesen fogadom! Érdekelne, hogy itt mennyire számít a vezetősávok elhelyezkedése, mérete, illetve, akkor már meg is csinálnám.
Lehet, hogy nagyon alapot kérek, és csak a fától nem látom...
de engem a méretezés, az utána számolás igen csak érdekelne. Megnéztem a 139-40-es pár és a 243-44-es párok adatlapjait is, a grafikonokat, a béta alakulását, de bevallom nem tudtam értelmesen kiszámolni, mi is kerül/kerülhet a végfok kimenetére. Csak néhány sorban ha le tudnád írni, nagyon megköszönném!
Bekapcsolás előtt a kimenetre tett mérőzsinór segíthet, több időd marad mérésre.
Ha tranyós végfok van benne, akkor a tranzisztorokat benne is átvizsgálhatod, kideríthető ha van zárlatos közöttük. |
Bejelentkezés
Hirdetés |







Ha gondolod adhatok nyáktervet is a párhuzamosított műveleti erősítőhöz. 






