Fórum témák
» Több friss téma |
Mielőtt kérdezel, a következő két dolgot ellenőrizd!
I. A helyes tápfeszültségek megléte.
II. A kimeneten van-e egyenfeszültség.
Élesztés.
Sziasztok en azt szeretnem kerdezni hogy egy Tda7294es erositohoz nem e lenne sok 2x28.5v AC-s toroid.Csak azt nemtudom hany VA-es.Kép a mellékletben.A tulaj azt mondta hogy egy aktiv hangszoroban volt
AP k115a-ban.
Épp határeset.40 v +- ig még nyugodtan használható.Persze a szimpla panelek esetében.A hídalt ic s panelek esetében ez a tápegység már kicsit sok,le kell tekerni a szekunderekből pár menetet.
A hozzászólás módosítva: Márc 3, 2016
Hat csak sztereora hasznalnam amugy 2x27v van rairva lemertem es 2x28.Akkor sztereora epp hatareset?
Szia. Nekem megvan az eredeti BEAG szervizkönyve (orosz nyelvű
), de abban is nagyon pocsék minőségben van benne a végfok panel beültetési rajza.Szkennerem sajnos nincs, mobilos alkalmazással szkenneltem be. De élőben sem jobb, ilyen ramaty... A hozzászólás módosítva: Márc 3, 2016
Azt írtad, hogy 2×28,5 AC. Az egyenirányítva, pufferelve 40,3V-ra jön ki kb. Ezért határeset. Bár a diódákon még esik egy kevés, így valószínűleg jó lesz, de nagyon hűteni kell majd.
Mekkora bordat ajanlasz ket darab 7294-hez?Mert mostIlyen van rajta
Megmondom őszintén fogalmam sincs. Próbálgasd! Hajtsd meg és közbe figyeld az ic hőmérsékletét. Ha nagyon melegszik akkor vagy nagyobb borda vagy ventilátor kell.
Szia! A témájában mindent megtalálsz, kivitelezési ötletekkel és képekkel illusztrálva.
Aktívan hűtsd ventillátorral,vezérlőelektronikát mindent találsz hozzá témájában ha beírod a keresőbe itt.Amúgy igen,elég!
Sziasztok !
A segítségeteket szeretném kérni, adott egy Strato A-9009 sztereó erősítőm. Kölcsön adtam egy barátomnak és leégett a vég fok. Javítatni nem akarom. Az lenne a kérésem, hogy egy egyszerű olcsó vég fok ra ki lehet e cserélni. Illetve ötleteket, rajzokat szivesen fogadnék. A cél egy könnyen megépíthető végfok ami nem túl drága. Előre is köszönöm.
Ki lehet a vég fok ot cse rél ni. Pl. VF2-re vagy valamelyik válto zatára.
Van saját témája, abban minden megvan az után épí téshez.
Az a 2 pár tranzisztor plusz esetleg a meghajtói nem egy nagy összeg,én nem mókolnám át másra....
Itt a bökkenő az alkatrész. Nem tudom az alkatrész listát. Egy új nyák sem ártana szerintem neki, és a hütését is ki akarom cserélni aktívra. Ezért gondolkodtam új vég fokon. Nem kell nagyon erős hisz a tápot nem akarom cserélni.
Kérdéseid alapján, ha már az alkatrészlistával is gondban vagy, biztos, hogy képes vagy egy új végfokozat elkészítésére, beépítésére?
A problémám az idő hiány. Csináltam már végfokot tda2030-al és sdk IC vel is. Csak néha használom az erősítőt , nem minden nap. Azt hittem itt hamar kapok egy megoldást. De ehelyett csak off. Nah mindegy köszi.
U.i: Akinek nem inge....
Mint írtam volt, csak felkellet volna keresned a VF2 topikot, ahol kapcsolások, paneltervek, leírások, orientált segítségnyújtás várt volna rád. Ehelyett....
Most mit vagy úgy oda? Lehet, hogy az ötödik sör után van... de a segítőkészség még működik... vasárnap van...
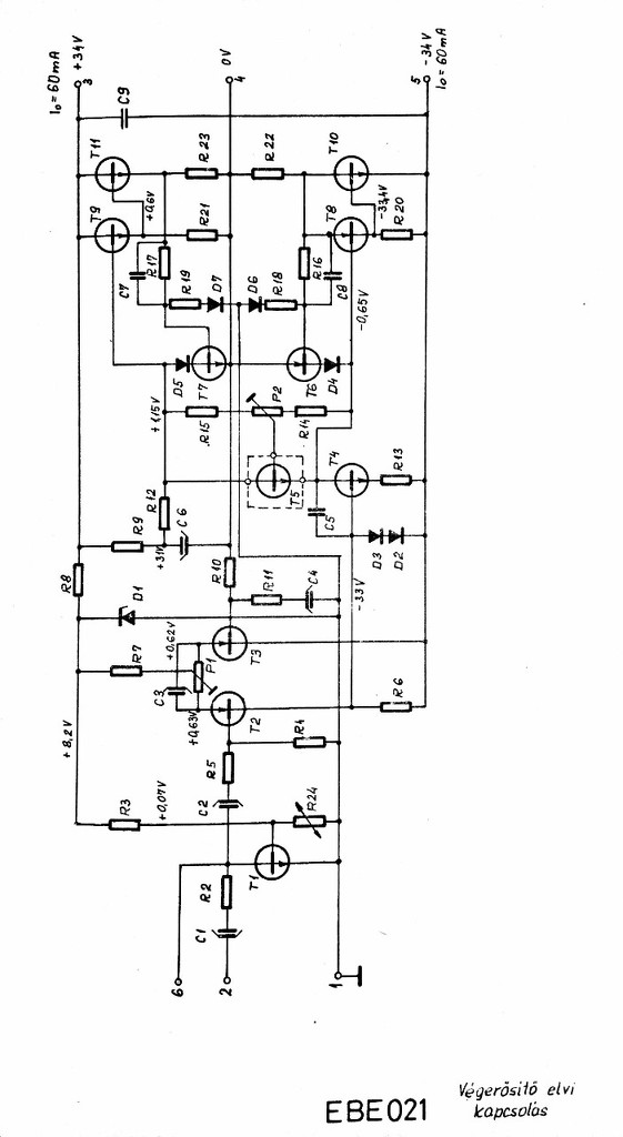
Helo en csak segitseget szeretnek kerni,megepitettem a mellekletben levo kapcsolast es meg szeretnem kerdezni hogy melyik tranzisztorokat hutsem a vegtranzisztorokon kivul?Esetleg a meghajtokat is?Mast nem kell?2x40v dc rol menne max.
Szia.
A T4- re menjen egy kis borda, vagy hűtőzászló, a T5, T8, T9 menjen a végtranzisztorokkal együtt a nagy hűtőbordára. A T5 helyett tegyél be BD139- et, vagy MJE340- et, amelyik épp akad, azt könnyebb a bordára fogatni, mint egy BC 547- et. Az elején a BC -ket nem kell hűteni, sem az áramgenerátort (T1). (A T5- öt nem kellene hűteni, de annak termikus kapcsolatban kell lennie a végtranzisztorok hűtőbordájával, emiatt a hőkontaktus miatt kell a bordára fogatni) A hozzászólás módosítva: Márc 8, 2016
T8,t9 et a panelon kis bordaval akarnam huteni.T5nek mar beraktam a bc547 et.fontos az a termikus kapcsolat?Mi baj lehet abbol ha en kulon hutom oket?Meg olyan kerdes hogy az a 3 darab trimeren mit kell allitani?Tudom hogy nyugalmi aramot de pontosan melyik mire valo es inditasnal milyen allasban legyen?
Idézet: „fontos az a termikus kapcsolat?” Fontos. Ez egy termikus visszacsatolás, ha a végtranzisztorok elkezdenek melegedni, ez a tranzisztor egyre inkább lezárja a végtranzisztorokat. Tehát egyfajta termikus negatív visszacsatolás.
A bemenettol számitott első trimmerrel a bemeneti ellenállást (annak mi értelme van?) lehet állitani és kimeneti egyenfeszültséget lehet vele nullázni. Körülbelül félállásban érdemes kezdeni. Vezérles nélkül a kimeneten 0 Volt egyenfeszültségnek kell lenni. Ez a második amit be kell állitaqni.
A középsővel az erősitést lehet állitani, ezt hagyd utoljára. Amikor minden jó, akkor addig tekerd fel az erősitést, hogy maximális hangerőnél ne torzitson. Az utolsó trimmerrel állitod a nyugalmi áramot. Ezt kell elsőként beállitani. Legfelső állásban a legkisebb, ott kell kezdeni. Idétlen konstrukció, mert ha nem érintkezik a csúszka, akkor elszáll a vegfok. Akkora nyugalmi áramot kell beállitani, hogy kis jelnél megszünjön a "keresztezési" torzitás, de még ne melegjenek a vegtranzisztorok.
Annyit tennék hozzá, hogy az erősítést állító trimmer teljesen felesleges, annál is inkább, mert ha nullára van tekerve (rövidzár), akkor gyakorlatilag nyílthurkú feszültségerősítéssel megy a végfok, ami tuti gerjedést, rosszabb esetben akár a végfok meghibásodását is okozhatja. A helyére inkább egy fix értéket tennék, 680 - 820 Ohm körüli értékkel.
Koszonom a valaszokat nekem eleg bonyolultnak tunik az egesz
.Akkor csak a t5 nek kell termikus kapcsolatba lennie?A t8-t9-et huthetem kulon?A nyugalmi aramot allito trimert meg tekerjem maximumra es ugy kezdjem?Bocs hogy ennyi kerdesem van csak nemakarok semmit elrontani
Hát, egyszerűbb végfok is van, az biztos...
Igen, úgy, ahogy írod. Annyi még, hogy indításkor a táp ágakba, a biztik heyére tegyél 20 Ohm -os, minimum 10W -os ellenállásokat. A bizti nem védi meg a végfokot, ha gond van.
Meg izzot is szoktak a 230as reszre sorba kotni nem?
Azt a tápegység indításához kell használni. Ha jó a táp, utána az már nem kell.
ertem de sajna nincs ithon 20 ohm-os ellenallasom 10w-os meg plane
.Maskepp nem lehet? A hozzászólás módosítva: Márc 8, 2016
Akkor hagyd benne az izzót a primer oldalon.
|
Bejelentkezés
Hirdetés |




AP k115a-ban. 


), de abban is nagyon pocsék minőségben van benne a végfok panel beültetési rajza.



.Maskepp nem lehet? 



