Fórum témák
» Több friss téma |
Mielőtt kérdezel, a következő két dolgot ellenőrizd!
I. A helyes tápfeszültségek megléte.
II. A kimeneten van-e egyenfeszültség.
Élesztés.
Azt a fránya "C" betűt nem is figyeltem rendesen.
Szia! Az a tisztán B-osztályú kapcsolás nagyobb keresztezési torzítással rendelkezik mint ami hangfrekvenciás célra elfogadható lenne.
Ertem koszi a valaszt.
Ha van elképzelésed tápfeszültségről, vagy teljesítményről és a leendő hangsugárzóimpedanciáról, szívesen ajánlok hozzá kapcsolást.
Hat van tobb trafom is ithon aztan valamit akarnek veluk kezdeni csak meg nemtudom mit.Van ithon 2x17v Ac-s meg 2x20 Ac-s 2x28v.Ezek valamire jok?
A hozzászólás módosítva: Aug 24, 2016
Azért másnap megoldódott a probléma! Lusta voltam kiforrasztani a trimmert, ezért lecsíptem a TL 071 1-8 as lábait. Megjött az erősítés szépen szól, de azért majd ha megjön a belevaló az csak más lesz. Köszönöm a tanácsodat Steelbird. Ennek örömére a hangszínrész - kimenet -felyhalgató - beraktam a megfelelő IC ket, ideiglenesen itt is TL 071 voltak. Lassan elkészűl A belcantóm. elektrik
Jó dolog egy fejhallgató kimenet.
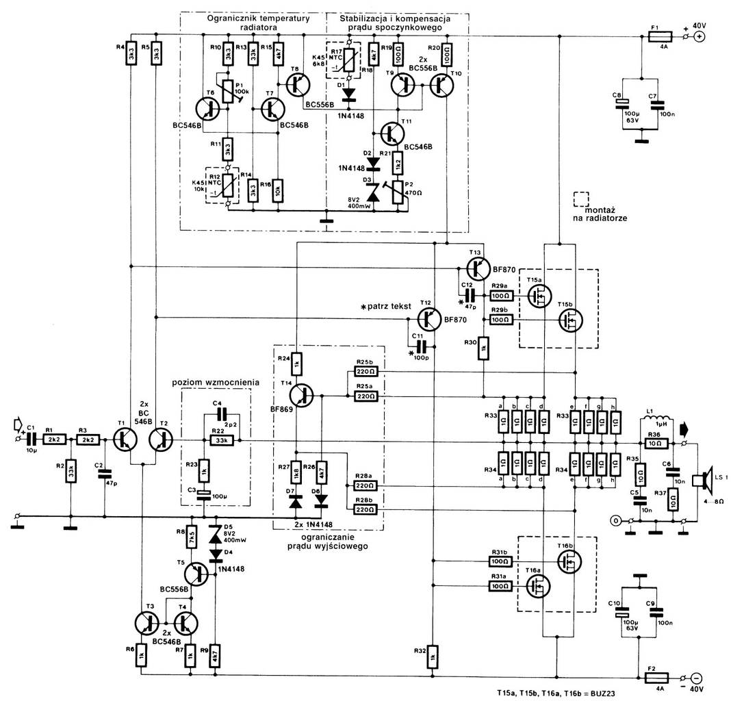
Szeretném kikérni a véleményeteket. Csatoltam egy kapcsolási rajzot. Ez a Fetes végfok van nekem megépítve ami egyszer túlmelegedett és leégett. A kapcsolási rajzhoz képest +-52V-ról megy és 6db Fent ven benne 4 helyett. Illetve a felső hővédelmes cuccból egy tranzisztor lemaradt mert a panelen csak 10db tranzisztort találok a 11 helyett. IRF240 van benne.
A kérdés: Ránézésre jó ez a kapcsolás? Foglalkozzak vele vagy inkább csere. Illetve ha amúgy jó kapcsolás milyen beállításokra, feszültség vagy mA-re figyeljek? Előre is köszönöm a segítséget!
Ezek a N-mos végfokok akkor jelentek meg, amikor még nem, vagy csak nehezen és drágán volt beszerezhető P tipusú fet. Mint látod, azért a talákékonyság nagy úr, ezért csupa N típusúból is lehet építeni. Viszont szerintem nem ez van az erősítődben. Ha készítesz olyan képet, ahol látszik a fetek felirata, talán előbbre lehetne jutni. A teljes beazonosításhoz pedig a fóliaoldalt is fotózni kell.
Lefotóztam a fólia oldalát. Átnéztem rendesen, meg van hogy mi hiányzik a panelról. A rajzon be is kereteztem. Kérdések:
1. Hasznos lenne pótolni az R17 hőérzékelőt? A K45 6k8 a szenzor száma lehet? 2. Ki van alakítva a hely még 2db IRFP240 Fetnek, érdemes beletenni vagy a meghajtó fokozat nem biztos hogy elbírja? 3. A kimeneti áram limit eleve nincs benne, kell-e és lehet e úgy pótolni hogy ne legyen instabil vagy gerjedékeny? 4. Hol mérjem a nyugalmi áramot? És mennyinek érdemes beállítani? Előre is köszönöm a segítséget és a türelmeteket is!
Ne csodálkozz, hogy leégett, ha minden védelmet kihagytál belőle...
Köszönöm, de nemrég vettem így ahogy van.
Sajnos én még ilyet sem tudok építeni. De a segítségetekkel talán fel tudom javítani. Köszönöm ha te is segítesz!
Bár nem nekem írtál, de most én akarom megelőzni steelbird-öt legalább 5 másodperccel. Ezt a kapcsolást én nem merném üzemeltetni, mert az élesztése is nagy elővigyázatosságot kíván. Ha van benne legalább 4 darab éppen maradt fet, vennék hozzá IRFP9240-et 4, vagy 6 darabot. Végül is van egy jó doboz, meg egy erős táp. Két nyákot kellene készíteni hozzá komplementer végfokhoz. Ha hangosításra kell, akkor a hőstabilizált Baji féle is szóbajöhet. Nem tudom nyák készítésben mennyire vagy jártas, de előbb-utóbb nem elég az alkatrészek cseréje.
Köszönöm a tanácsot! Minden Fet működik benne, már kicseréltem miután az első Bulin amit hangosítottam vele leégett. Csak nem merem "élesbe" használni csak itthon szobai erősítőnek. Viszont mivel ahogy írtad is van egy nagy kettős táp, doboz, hűtőborda, jó lenne hangosítani vele, lenne hova vinni hangoskodni.
Amúgy oldalanként 60W 8ohm -os topládát hajtott 4 órán keresztül. Ennyit sem bírt ekkora bordákkal. Nagy esélyt látok rá hogy a kapcsolás túl korszerűtlen, és még a védelmeket is kihagyták amik valamennyire megvédte volna. De nem bánom hogy megvettem, mert nagyon tetszik a Doboza. Ránézek a Baji féle Fetesre.
Arra inkább ne nézz rá. Olcsó, nem audió hanem kapcsolóüzemű felhasználásra gyártott feteket semmilyen kapcsolásba se tegyél, mert borzalmas lesz mindenféle szempontból. Egyedül a VF2 más ebből a szempontból, abba nyugodtan belerakhatod. Vannak a topikjában rajzok úgy 450W-ig tetszőleges teljesítményre, és ezekkel ellentétben annak még a hangja sem rossz. Meg áramkorlát is van benne (legalábbis az enyémben), ami egy nagyobb teljesítményű végfokba alap.
Hali!
Úgy látom a rajz egy Elektoros átirata az eredetinek, ami egy 84(?)-es Siemens ajánlásban volt benne 4 féle teljesítményre beállítva, én vagy 20 éve építettem az elsőt még BUZ24-ekkel, nem ment tönkre azóta. (4 panel 2-2 hídban 8R-ra, +- 50 V-ról. Az eredetit nem tudom kibontani, zenész barátom rack-jében csücsül, de a később épült panelekből teszek be fényképet. Hő, túláram és bizonyos fokig marhaság védett, a hőelemeket ne vedd ki, mert tönkre megy. A hozzászólás módosítva: Aug 25, 2016
A táp feszültség adott sajnos ahhoz kell keresnem végfokot, a Baji féle azért szimpatikus mert tág határok között működik, nekem +-54V van.
Körülnézek a kapcsolások között. Lehet, hogy butaságot kérdezek, de az APT100 végfokát lehet kompletten kapni 3500- bordával együtt, meg a Kiso quadhoz hasonlító panelét 5 ezer körül. Ezekkel mennyire érdemes foglalkozni?
Köszönöm, szívesen megnézném. Jó régi konstrukció! Amúgy a hangjával nem volt bajom. Persze nincs sok összehasonlítási alapom.
Az eredeti rajzot is meg tudod mutatni? Én nem vettem ki semmit belőle, nem én készítettem. Pont, hogy megmenteni szeretném. Persze csak ha lehet, és érdemes.
És gondolod az az egyetlen ami tág fesztartományban működik? Amiről beszélek az is mehet már úgy +/- huszonvoltokkal is, az enyém tápfesze kivezérlés nélkül +/-91,5V.
Nem tudom mit szeretnél, de az IRFP-kkel vagy VF2-t, vagy valami gyengébb minőségű D osztályút érdemes építeni, mást nem, nem erre való. Ha egyszerűt, olcsót és emellett jót akarsz akkor komplementer IRFP-kkel VF2, tranyókkal meg PA300 szerűség, a többivel nem nagyon érdemes foglalkozni. Esetleg Leach amp, az sem túl bonyolult, és egész szép irodalma van külföldi fórumokon. De ha magamnak építenék ilyet, akkor azzal a 108V-tal lehet hogy bepróbálnék egy HTA-t, 120V-os darlington végtranyókkal.
Nem ragaszkodok a IRFP hez, de még a Fetek-hez sem. Csak az erősítő többi részén nem szeretnék változtatni. És nem árt ha beszerezhető a panel, vagy legalább nyákrajz, mert utoljára 20 éve rajzoltam nyákot filctollal, a nagymamám szebb végfokot maratna. Utána nézek az általad ajánlottaknak.
Mivel otthon is ezzel hallgatok zenét, mind a két szempont fontos. Nem D osztályút szeretnék de nem is Hiend 100W 8 ohm-ost. Kösz a tippeket!
Üdv!
Tudtok ajánlani valami egyszerű 2x5W-os erősítő kapcsolást? Nem kell nagyon minőségi hangzás, minél olcsóbb legyen! Előre is köszönöm!
Bővebben: LinkTesék egy tökéletessen műkődő irfp 240 irfp 9240 es kapcsolás stabil 400w 8ohm
A hozzászólás módosítva: Aug 25, 2016
Megnéztem a videót, szép munka!
Ez a hidalás dolog engem is foglalkoztat. Viszont ezek a panelek nem szűk helyre lettek tervezve. Sokat olvasgattam itt a fórumokon megtaláltam a VF2 -t is, tetszik az egyszerűsége, de az sem férne be. Ahogy a legtöbb panel sem itt a fórumokon. Szóval valószínű hogy egy újratervezés lesz. Kíváncsi lennék ennek a Reflex PPA400 asnak az eredeti paneljére, vajon hogy oldották meg a hely kérdést.
Na ne viccelj. Ránézésre a 400W-os VF2-m panelja is beférne oda, de ugye a tápfeszedre még akkora sem kell, 2-2 FET is bőven elég. Szóval pl. az sem nagyobb mint a meglévő nyákod, és azt még annak idején szellősre is terveztem.
De bármelyik másik is belefér, csak ugye valamiért itt néhányan úgy terveznek nyákot, hogy a végfokpanelra ráterveznek mindent, tápot pufferestől, relés védelmeket stb.
Tudsz nekem, anyagot linkelni vagy küldeni róla?
Lehet persze hogy a szemmértékem nem az igazi. Lemérem mekkora helyem lenne.
Tessék. Nyákrajzom is van valahol de most nem a saját gépemről írok. Összeollóztam a tiéddel, saccolni lehet csak mert a méretek nem egyeznek meg.
Ez alapján tényleg beférne. Tetszik. Ez egy jó alternatíva. Gondolom +-54V-ról menne 4ohm-os hangfalakkal is.
Megpróbálok majd panelt rajzolni a terved alapján, kicsit szét kell húznom mert ha lehet megtartom a bordán kifúrt lyukakat. Köszönöm az ötletet, és a segítséget! A hozzászólás módosítva: Aug 26, 2016
Van kisebb egyszerűsitett nyákrazom is ha kell megoszthatom veletek ??!
|
Bejelentkezés
Hirdetés |




















