Fórum témák
» Több friss téma |
Mielőtt kérdezel, a következő két dolgot ellenőrizd!
I. A helyes tápfeszültségek megléte.
II. A kimeneten van-e egyenfeszültség.
Élesztés.
A következő erősítődben legyen hangszóró védelem, és jól méretezett biztosíték a primer oldalon.
A hozzászólás módosítva: Szept 17, 2018
Meg van a 3,3 volt.
Ezt a rajzot be tudta azonosítani, ez alapján mért. Egyenirányított 80 volt is van. Várjuk kíváncsian mi alakul ki. Szeretnénk értelmesen kérdezni, hogy segíthess de... itt tartunk.
Kérdezi az " szerelőm" hogy : A hállózati trafóból megy két kivezetés a kijelző panel csatlakozóhoz. Annak mi lehet a szerepe? Kb 0,3 voltot lehet mérni rajta. Azon áramnak kellene menni a kijelzőhöz, vagy inkább a kijelzőtöl megy valami célból (pl. trafó hőmérséklet mérés)?
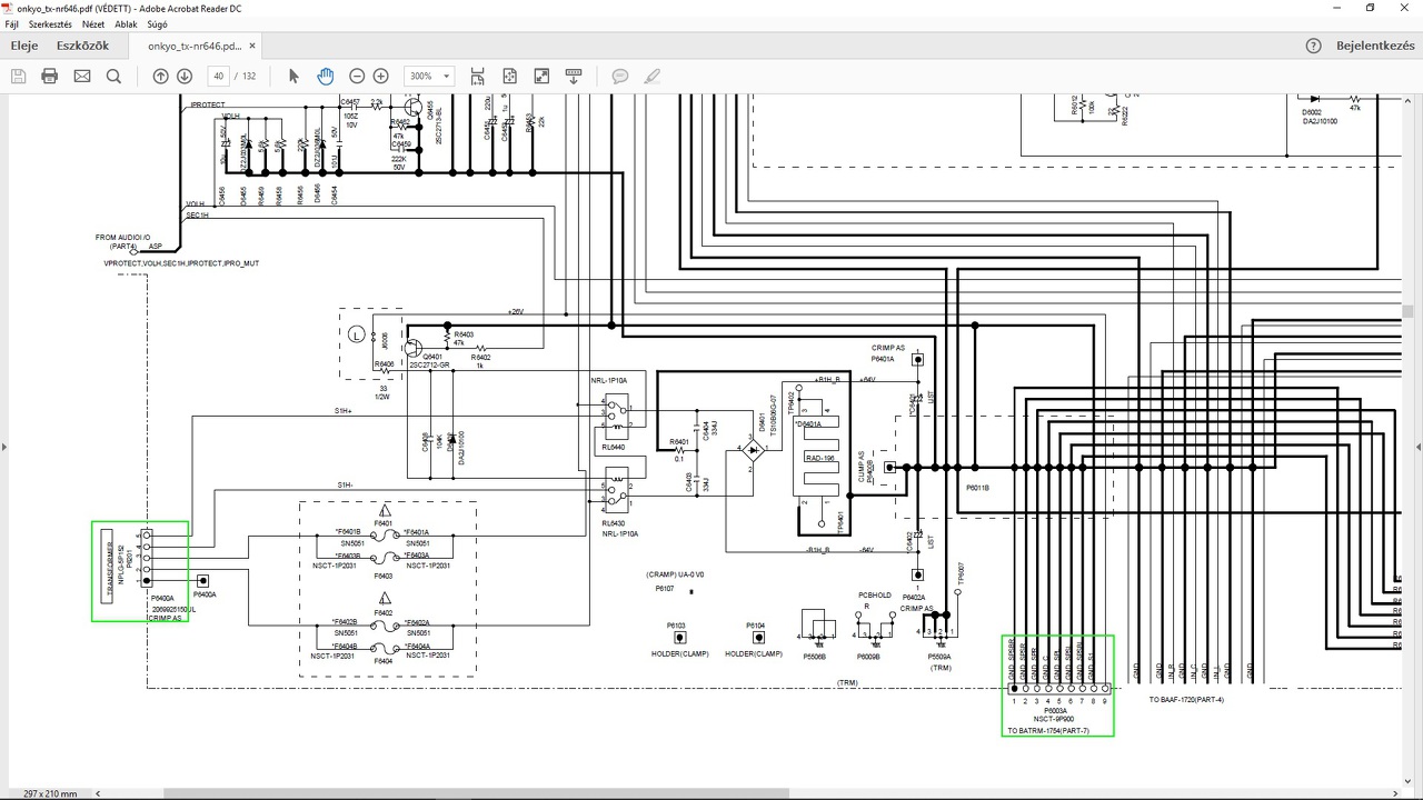
Úgy olvastam rajzod van hozzá. A MAIN ábra (41. oldal) J-K/4 mezőben találhatók a feszültségstabilizátorok, +5 V, +8,44 V, -24,85 V. Ezeket mennyire közelíti a valós érték?
A kijelzőbe a fűtés megy közvetlen a trafóból, annak a váltakozó feszültségnek inkább 3 V-nak illene lennie Bővebben: Link A hozzászólás módosítva: Szept 17, 2018
Szia! Ez egy gyári erősítő! Ebben kellene segíteni csak nem nagyon kapok választ senkitől! Most kivettem már őket mind a két hangfalból szét is szedtem! Vannak képek de gőzöm sincs hol lehet a hiba! Ezért szeretnék valami hozzáértő szakit aki tudna segíteni mert annyira nem vagyok jártas ebben! Még az is érdekelhetne hogy átalakítani normál egy kimenetre aztán külön lehangváltóznám és ennyi!
Szia!
Megkérnélek szépen segíts nekem! Van egy Onkyo erősítőm és azt alakítom át, de sajnos nem tudtam szerezni olyan kondenzátort a tápba amit szerettem volna, ezért a két eredeti kondi helyére 4 másikat szeretnék beletenni. Ehhez viszont egy kis panelt kell gyártanom egyedi formával. A problémám az lenne, hogy tanácstalan vagyok a helyes vonalvezetéssel ezen a formán. A kis panel sarus csatlakozással, vezetékekkel lenne hozzá kötve az áramkörhöz. A kondenzátorok mérete 35x55mm. Belinkelem a lay fájlt, légyszives nézzél rá ha időd engedi.
Szia!
A kondik beültetése túl szorosnak tűnik, a 0,5 mm ráhagyás a névleges átmérőre szerintem kevés. Ha lehet, növeld 2-3 mm-re. A hat forrszem egy-egy sarut szimbolizál?
Igen a hat furat egy-egy saru helye. Rendben növelem a távot ha hazaérek.
Felvágtam a Technics SU-V660 végfokját (SVI3205), és szénné van égve. 24000Ft a cseréje. Inkább rakok bele 2db ST151 végfokot, hely van benne hozzá. Olcsóbban jövök ki.
A hozzászólás módosítva: Szept 19, 2018
Szia! Picit módosítottam a kondenzátorok helyzetén, igy elférnek már leellenőriztem. A vezetősávok igy jók vagy tovább huzzam a test sávja mellett a negatívot és a pozitivot is??
Szia!
Jól gondolom hogy mindössze ezen a három sarus vezetéken keresztül fog csatlakozni az erősítő tápjához a pufferes panel? Ebben az esetben számolni kell azzal, hogy a vezetékek és a saruk átmeneti ellenállása miatt leromlik a szűrés. Az egyenirányítás során ugyanis csak a váltakozó feszültség csúcsainál történik a kondenzátorok töltése. Ez az áram többszöröse az erősítő által felvett áramnak. A töltő/ kisütő áram aránya ráadásul terhelés függő, ami azt jelenti, hogy minél kevésbé terheljük a tápegységet, annál nagyobb lesz ez az arány. Persze nem a búgás fog emelkedni lehalkított erősítőnél, csupán amíg a hangerő tizedére csökken, a búgás csak 3-5-ödére. Megoldást jelenthet, ha az egyenirányító is erre a panelre csatlakozik. Ilyenkor persze meg kell szakítani az eredeti fóliavezetést a gyári nyákon, és hat saruval csatlakozni a pufferes panelhez. Másik megoldás, hogy egy-egy kondit beforrasztani a régi helyére, a másik kettőt pedig lehet vezetékelni.
Igen úgy csatlakozna. Köszönöm az információt, ez is erdekelt, hogy igy nem e tűnne erősebbnek a búgás,de akkor igen, így elvetném ezt a megoldást. Melyik lenne a jobb megoldás, ha a dióda hidat is felemelném erre a panelra és ugy vezetékezném be, vagy ugyanolyan jó ha a ket extra kondenzátort külön panelon vezetékkel és a két uú kondenzátor a régi helyére??
Ez lenne a panel.
Az eredeti nyák fóliavezetése határozza meg, hogy melyiket lehet kevesebb roncsolással kivitelezni. Meg kellene nézni mi van a trafó szekundere és a pufferek között. Arra kell törekedni, hogy a szűretlen egyenfeszültség ne találjon rövidebb utat magának a végfok felé.
Most indulok dolgozni, de holnap ránézek.
Rendben, köszönöm! Itt a táp kapcsolása. Úgy érzem az eredeti helyére kellene beépíteni kettőt és kiegészíteni a másik kettővel, az lenne a legjobb megoldás nem!?
A hozzászólás módosítva: Szept 19, 2018
A hatékony szűrés alapja, hogy a tápáram ne tudja kikerülni a pufferkondenzátort.
Az eredeti nyákot el kell vágnod ennek érdekében.
Értem! Akkor válasszam le a tápról a trafó középkivezetését és ide kössem be? A táp AC része az eredeti pontokon menjen, a plusz-mínusz lábai után még vágja el a nyákot?
Sziasztok itt vannak a képek! Ebben kellene segítség
xxl inside top450p a hangfal!
Igen, ez lenne a helyes eljárás.
Az eredeti kondenzátor cseréjét mi indokolja és milyen méret felelne meg?
Ez egy Onkyo TX-NR646 - os erősítő, lejárt a garancia, és kíváncsi vagyok mit lehet kihozni belőle ha normális táp áramkört kap. Papírforma szerint 630W-os tápja van... Valójában egy 250W-os lemeztranszformátor van benne, 2x8200µF szüréssel, 10A-es diodahíd dal a 7x100W-hoz,amit tényleg le is tud adni egy csatorna terhelés mellett. Készítettem hozzá egy egyedi méretű toroid transzformátort ami 856W-ra sikerült kihozni egy 135x92mm-es toroid gyűrűvel. A kondenzátort 15 000µF-ra akartam cserélni de csak Kínából lehet onnan meg nem szerettem volna, így maradt a 4x10 000uF, amit itthon is megkaptam. Lesz benne egy 35A-es diodahíd, meg belső kábelezés is cserélve lesz a vegfokoknál, meg sok más apróság. ☺️
Sziasztok!
Adott egy Technics SA-EX120-as erősítő,ami nem reagál a bekapcsoló gombra csak a Standby LED világit.Tudna valaki segíteni,hogy mi lehet a hiba és hol?
Hoppá.
Ez a tunning nem biztos hogy jó ötlet. Az a 250VA terhelhetőségű transzformátor nem halogén lámpához készült, nem 24 órás nonstop szinuszt kell neki ellátni. Nagy zenei (mert zenét akarunk hangosítani nem invertert csinálni a szobai hősugárzóhoz) teljesítményt nagy tápfeszültségből lehet csinálni. Viszont a tápfesz és a hangsugárzó között ott vannak a tranzisztorok. Azokat egy bizonyos disszipáció felett már a folyékony nitrogén se hűti meg, tehát vagy többszörözni kellene őket, vagy nagyobb disszipációs teljesítényűvel kiváltani. Persze azok sem melegszenek kevésbé, tehát kellene egy nagyobb hűtő. Valahol azért egyensúlyban van az erősítőd. Bármit megerősítesz rajta, valahol lesz egy gyenge pont. Úgy gondolom, ha nem növelsz tápfeszt, nem lesz hallható hangerő növekmény. Ha meg növelsz, elpukkannak a végtranyók, és szerencsétlen esetben viszik maguknak a hangsugárzókat is.
Az eredeti tápegység és a végerősítők méretezése között szoros az összhang. Sem a transzformátor belső ellenállásának csökkentését, sem a pufferkapacitás növelését nem ajánlom.
Nagyon egyszerű felépítésű 100 W-os végfokok vannak a készülékben. A hűtésük számol azzal, hogy erősebb terhelésnél jelentősen esik a tápfeszültség. Ha meggátlod a tápesést megsütöd a végtranzisztorokat, mint azt a kolléga is említette. Ahhoz a toroidhoz és kondikhoz olyan erősítőt építs ami két pár végtranzisztort tartalmaz! A hűtőfelület csatornánként legyen legalább akkora mint ami az egész Onkyoban van.
Vettem hűtőbordát is bele ami 3,5x nehezebb és 35%-al nagyobb felületű. lágyindítót készítenék a toroid elé. Milyen problémákat vet fel, ha csökkentem a transzformátor belső ellenállását és növelem a pufferkapacitást?? Nem akarok nagyobb hangerőt kivenni, csak nem használok sub ládát, egy erőteljesebb táp meg gondoltam nem lenne hátrányos hangzás szempontjából. Meg a kis ördög motoszkál bennem, hogy jobbá tegyem, minden készitett erősítőm túlméretezett táppal készült és egyszer meg akartam próbálni milyen lenne egy ilyen erősítő ha nagyobb tartalékkal rendelkezne. Teljesen normál felhasználásra szánnám. Elég magas feszültségről működnek a tranzisztor párok, ez engem is aggaszt... olyan 60V környéke terhelve. Szerinted tönkre megy ha átlesz alakítva, úgy is ha megmaradnak a gyári feszültségek?? A ventillátora az elmúlt két évben csak egyszer ment, mikor műterhelésre tettem, 15 perc után le is kapcsolta a védelem.
Szia! relop-nak is írtam, hogy nem szeretnék falakat bontani a hangerő maximumon, csak tudjátok milyen ha az emberbe belebújik a kis ördög... úgy meg szeretném csinálni... Minden segítségnek nagyon örülnék, mert csak egy ilyen készülékem van és szeretném ha jó lenne a módosítással is. Még a tranzisztorokat is kicserélném, ha azt mondjátok, hogy úgy lesz üzembiztos. Sokat köszönhetek itt a szakemberek tanácsainak az elmúlt években ezen az oldalon, én csak egy lelkes tanuló vagyok, nem ez a szakmám, de nagyon szeretem, és minden tudást amit itt kapok - kaptam megbecsülve hasznosítom.
Tételezzük fel, hogy nem esik a tápfeszültség 60 V alá. Mikor 8 Ω-os terhelés mellett éppen 30 V a kimeneti feszültség, 30 V esik a végtranzisztoron is. Ennek disszpációja 30*30/8=112 W. A 130 W terhelhetőségű végtranzisztor, aminek °C-onként 1 W a deratációja 43 °C hőmérsékletet visel el ebben az üzemállapotban.
Komolyabb hűtőbordával sem tenném ki ennek a TO3P tokozású tranzisztort. A ±50 V amit üzembiztosnak mondanék. A védelem is be fog jelezni, mert 180 Hz alatt meredeken növekszik az érzékenysége. Szintem ez a készülék gondosan van tervezve, elállnék tuningolástól. Volt itt a portálon egy Onkyo a napokban aminek a tervezője még visszaülhetne az iskolapadba, de a te készüléked közelről sem ilyen. Sajnálom hogy vágom a fát a jó szándékú elgondolásod alatt, de rossz előérzetem van kimenetelét illetően. Jogosan kérdezhetnéd, hogy miért ilyen labilis táppal gyártják, nem csak ezt, hanem a házimozi-erősítők zömét. Arra az a válasz, hogy a specifikáció teljesítése mellett, így lesz kisebb, könnyebb és nem utolsó sorban olcsóbb a készülék. A hozzászólás módosítva: Szept 20, 2018
|
Bejelentkezés
Hirdetés |








xxl inside top450p a hangfal! 







