Fórum témák

» Több friss téma
Fórum » Erősítő mindig és mindig
Mielőtt kérdezel, a következő két dolgot ellenőrizd! I. A helyes tápfeszültségek megléte. II. A kimeneten van-e egyenfeszültség. Élesztés.
Lapozás: OK   2106 / 2574
(#) Karesz 50 válasza reloop hozzászólására (») Szept 14, 2018 /
 
Nem kerestem meg a rajzát, csak tippeltem - nem jött be - bocsi. Másszor előbb nézelődök aztán dumálok
(#) Karesz 50 válasza Karesz 50 hozzászólására (») Szept 14, 2018 /
 
Hirtelen, gyorsan és rosszul így lehet kompenzálni, hogy stabil legyen egy erősítő. Ahogy már GeLee is mondta, nézz utána más hogyan csinálja. Ez egy alapkapcsolás, nem érdemes vele sokat molyolni, de tanulni jó.
A THD-t sem jól számoltam az ujjaimon, mert egy nagyságrenddel nagyobb lett, de sebaj.
(#) reloop válasza bogumil13 hozzászólására (») Szept 14, 2018 /
 
Szia! Volt valami előzménye a meghibásodásnak? Nyolc helyett négy ohm-os hangsugárzó, erősebb igénybevétel, elégtelen szellőzés vagy egyéb változás az üzemeltetésben?
(#) bogumil13 válasza reloop hozzászólására (») Szept 15, 2018 /
 
Szia!4 ohm-os hangsugarzo volt rajta.Ugy kezdodott,mint mikor a lengotekercs es magnes koze por kerult volna,enyhe recseges.
(#) bogumil13 válasza bogumil13 hozzászólására (») Szept 15, 2018 /
 
Teszek fel par kepet,hol mit kellene mernem.Htg szerelo vagyok nem muszeresz
A hozzászólás módosítva: Szept 15, 2018
(#) reloop válasza bogumil13 hozzászólására (») Szept 15, 2018 /
 
A készüléked dokumentációjában azt olvastam, hogy 35 W-ot képes leadni 8 Ω terhelésre. Ebből a méretezésből az következik, hogy 4 Ω-os terheléstől simán tönkre mehet az STK463.
Magán az erősítőn csak az IC csere segít. Mérd ki azért a 0,33 Ω 1 W-os ellenállásokat, lehet közöttük szakadt. Az STK közepe táján találod őket.
Nagy a csábítás, rábeszéljelek a koppanásgátlót egészítsd ki hangszóróvédelemmel, de először működjön az erősítő.
Az alkatrész cseréje után vedd figyelembe az élesztés erre az esetre értelmezhető szabályait!
(#) mek-elek válasza reloop hozzászólására (») Szept 15, 2018 /
 
A rajz szerint lehetséges a 4 ohm
(#) tothbela válasza mek-elek hozzászólására (») Szept 15, 2018 /
 
Az meglehet, de ha 8 Ohmra tervezett táppal 4 Ohmos terhelést adunk neki, akkor dupla disszipációt kellene elviselnie. Ebből adódik a baj.

Főleg, hogy ezeket a Japán erősítőket szerették jó magas tápfeszről járatni.
A hozzászólás módosítva: Szept 15, 2018
(#) mek-elek válasza tothbela hozzászólására (») Szept 15, 2018 /
 
Az lehetséges.
Eddig is gyanakodtam, hogy az asszony 4 ohmos.
(#) Gémes2 hozzászólása Szept 15, 2018 /
 
Sziasztok!
Üdvözöllek benneteket, nem vagyok itt ismerős, de azért regisztráltam be, mert van egy Yamaha A-S201 erőrítőm és problémáskodik.
Az egyik ismerősömnek odaadtam , hogy nézzen bele, de nem boldogul vele, pedig már sok minden elektronikai problémát meg tudott oldani.
Így próbálom a siker elősegíteni, hogy kutakodzam a neten és ide jutottam, talán valaki tud itt segíteni.
A tápegység is jó, a végfok tranzisztorok is, eljut az áram a frontpanelhez is,de a kijelző nem világít, nem is szól. Bekapcsoló gomb megnyomásakor egyet kattan a relé, de le is tilt. Megpróbálta úgy , hogy a relét kikerülte, de akkor sem engedi, hogy ki lehessen választani mit erősítsen, lemezlátszót, magnót, stb-t.
Távszabályzója nincs meg, az erősítőt beszámítottam úgy hogy a gazdája sem tudott róla semmit, de mivel szép állapotú volt úgy döntöttem beválalom (hangszer csere-bere).
Kapcs.rajzot megtaláltam.
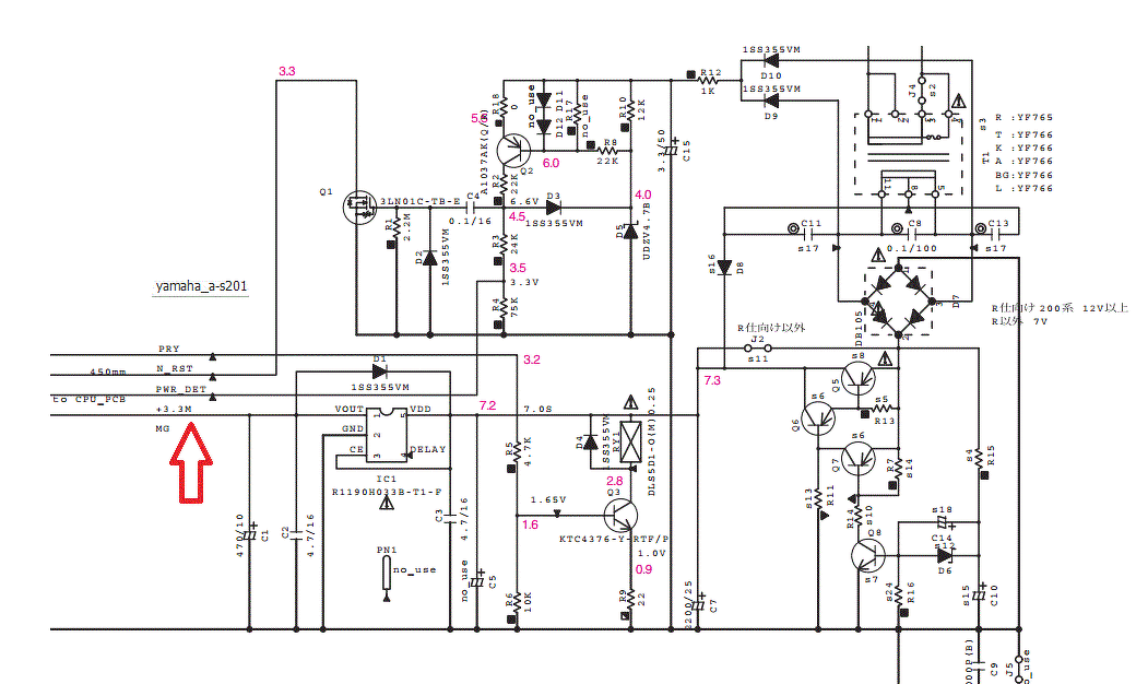
(#) reloop válasza Gémes2 hozzászólására (») Szept 15, 2018 /
 
Szia! A segédtápot is mérted? A piros nyíllal jelölt 3,3 V megvan?
(#) bogumil13 válasza reloop hozzászólására (») Szept 15, 2018 /
 
Egy biztos.A keszulek hatuljara a kimenetekhez 4 ohm van irva!
(#) Gémes2 válasza reloop hozzászólására (») Szept 15, 2018 /
 
Szia!

De jó,már van is reagálás. Holnap délután tudok beszélni vele, kérdezni - akinél van gyógykezelésen-
(#) mlaci989 hozzászólása Szept 16, 2018 /
 
Üdv.
Egy kérdésem lenne. EI SP 200 végerősítőről lenne szó. Leégették. Végtranyók cserélve nem volt itthon 2n3055 meg bdx18, kapott mj15022 meg mj15023 párokat. Meg R17 ellenállás volt kiégve. Más nem szenvedett kárt. Na most működik semmi rendellenesség nem tapasztalható,de nincs nyugalmi árama! R24 R25 emitter ellenállásokon nem mérhető feszültség. Ez normális lehet e kapcsolásnál? Szerintem kellene valami 50mA vagy hasonló. A kapcsoláson feltüntetett mérési adatok rendben vannak pár mV eltéréssel.
(#) bogumil13 válasza bogumil13 hozzászólására (») Szept 16, 2018 /
 
Le fotoztam
(#) Cinema válasza bogumil13 hozzászólására (») Szept 16, 2018 /
 
Ez nem 4Ohm, hanem több, vagy nagyobb ("More than"), mint 4Ohm!
Vagyis inkább 8Ohm, esetleg 6Ohm, amit elvisel, csatornánként.
(Nem láttam még ilyen feliratozást, érdekes.)

Üdv!
(#) zotya1983 válasza bogumil13 hozzászólására (») Szept 16, 2018 /
 
eEz azt jelenti, hogy 4 oOhm-nál NAGYOBB!!!! Tnagyobb terhelés akasztható rá!
A hozzászólás módosítva: Szept 17, 2018
Moderátor által szerkesztve
(#) bogumil13 válasza zotya1983 hozzászólására (») Szept 16, 2018 / 1
 
Most irtam be a frditoba:ÖSSZESEN TÖBB MINT 4 OHM CSATORNÁNKÉNT ezt adta ki.Magyarán szólva akkor ezért nyirta ki a 4 ohmos hangszorokat és az STK ezert halt meg?Akkor most 8 ohmos kellene rá?
A hozzászólás módosítva: Szept 16, 2018
(#) latyakosa válasza mlaci989 hozzászólására (») Szept 16, 2018 /
 
Nyugalmi áramot a P1 segítségével tudod beállítani.
(#) mlaci989 válasza latyakosa hozzászólására (») Szept 16, 2018 /
 
Azt gondoltam én is,de érdekes hogy ha a + vagy - táp ágba biztosító helyére kötöm a műszert akkor mérek 30mA t stabilan. Nagyon finoman lehet szabályozni a P1 segítségével. De az emitter ellenállásokon mindössze 0,3mV ot lehet mérni! Most akkor ez így jó lehet?
(#) reloop válasza mlaci989 hozzászólására (») Szept 16, 2018 /
 
Szia! Nem létkérdés, hogy mérhető feszültség essen a végtranzisztorok emitter-ellenállásán, az R17, R18 elég kis értékű ahhoz, hogy ne keletkezzen számottevő keresztezési torzítás.
Azért mérd meg mennyi esik rajtuk az előírt 0,6-0,63 V-hoz képest!
(#) latyakosa válasza mlaci989 hozzászólására (») Szept 16, 2018 /
 
Hidegen vagy bemelegedett állapotban mérted az értékeket ?
1-5mv közötti érték reálisabbnak tűnik számomra.
(#) mlaci989 válasza latyakosa hozzászólására (») Szept 16, 2018 /
 
Szoba hőmérsékleten (kb 30 fok).
(#) mlaci989 válasza reloop hozzászólására (») Szept 16, 2018 /
 
Megvolt a műterhelés 9 ohm-on 55 W jött ki csatornánként.
Rákötöttem a hangszórókat meghallgatásra és kicsit keményebb basszusnál bedurrantak a végtranyók. Nem forszíroztam agyon. Hozzáteszem ezek a Kínai végtranyók voltak.. Rendelek bele eredetieket és meglássuk mi lesz.
Még egy kérdés korábbi hozzászólásodban olvastam hogy a végtranzisztor helyére ellenállást ajánlott berakni és úgy ellenőrizni a meghajtó részt. Csak nem találom e hozzászólást. Mekkora ellenállás meg hova kell?
(#) reloop válasza mlaci989 hozzászólására (») Szept 16, 2018 /
 
Ebbe a kapcsolásba nem kell segédellenállás, az R17, R18 betölti ezt a szerepet. A hibás végtranzisztorok eltávolítása és esetleges egyéb hibák javítása után feltétlen számolj be a rajtuk eső feszültségről. Fűznék az értékekhez magyarázatot.
Lehet kár volt, hogy ez a mérés elmaradt az éles terhelés előtt.
(#) mlaci989 válasza reloop hozzászólására (») Szept 16, 2018 /
 
Rendben.Mindenféleképp beszámolok. Szerintem szerdára lesz belőle valami.
(#) Gémes2 válasza reloop hozzászólására (») Szept 16, 2018 /
 
Nem tudom hogy lesz ez, azt mondja az ismerősöm, hogy valami keveredés van.
Ő nem talál ílyen alkatrészeket, kapcsolást, mint amit amit küldtél.
(#) reloop válasza Gémes2 hozzászólására (») Szept 16, 2018 /
 
Az Elektrotanyán lévő dokumentáció van előttem.
Mellékelem hol található a mérési pont.
Természetesen lehet ettől eltérő a valós áramkör, a lényeg, a processzor megkapja-e a tápfeszültséget és az kellően simított-e. Ez utóbbira abból következtethetünk, hogy a stabilizátor kimeneti feszültsége mennyire egyezik a névlegessel. Szkóppal lenne a legegyszerűbb, de az elég ritka az amatőr javítók körében.
A hozzászólás módosítva: Szept 16, 2018
(#) Gémes2 válasza reloop hozzászólására (») Szept 17, 2018 /
 
Továbbítottam a majdnem szerelőmnek az általad közölteket, sajnos neki is kevés ideje van, de délután megint foglalkozik vele egy kicsit. Nem merem őtet se sűrgetni.
Köszönöm a türelmedet
(#) boxy88 válasza boxy88 hozzászólására (») Szept 17, 2018 /
 
Közben új hírek is lettek az egyik végfok kinyírta a mélyet elkezdett búgni egyik pillanatról a másikra és leégette a mélynek a tekercsét! Valaki Esetleg tudna ehhez konyítani?
Következő: »»   2106 / 2574
Bejelentkezés

Belépés

Hirdetés
XDT.hu
Az oldalon sütiket használunk a helyes működéshez. Bővebb információt az adatvédelmi szabályzatban olvashatsz. Megértettem