Fórum témák

» Több friss téma
Fórum » Erősítő mindig és mindig
Mielőtt kérdezel, a következő két dolgot ellenőrizd! I. A helyes tápfeszültségek megléte. II. A kimeneten van-e egyenfeszültség. Élesztés.
Lapozás: OK   2284 / 2566
(#) jani1987 hozzászólása Nov 13, 2020 /
 
Mond valamit az, hogy Yamaha R300? Az erősítő része még oké de a rádió része antenna nélkül csendes majd néha recseg egyet. Mi lehet a baj?
A hozzászólás módosítva: Nov 13, 2020
(#) Cannon válasza tothbela hozzászólására (») Nov 13, 2020 /
 
Sajnos nagy katyvasz az egész, ebben turkálni nekem már kicsit magas.
Tuti rosszul van méretezve. Csak a mély és a magas reléje ilyen forró, a többi 30 fok körüli. Leginkább azért aggaszt, mert a relé is azzal a sárga ragasztóval van rögzítve, ami idő után vezető lesz ha sokszor felmelegszik.
(#) mnyugger válasza jani1987 hozzászólására (») Nov 13, 2020 /
 
URH rádióhoz antenna kell! Nélküle csak az adó közelében mutat életjelet.
(#) jani1987 válasza mnyugger hozzászólására (») Nov 13, 2020 /
 
Sosem tudtam milyen antenna kell ezekhez. Mellesleg hajlítottam egy másfeles drótból egy pár menetet. Jobb lett a vétel de valahogy nagyon halk. Most vagy a jel kicsi vagy a jel erősítő gyenge.
(#) mnyugger válasza jani1987 hozzászólására (») Nov 13, 2020 /
 
Pár menet? Nem mobiltelefonról van szó!
Az URH valami 3-5m hullámhosszon muzsikál.
Az antenna dipól Lambda/2.
Szalagdipól
De erre biztosan van topic.
Bővebben: Link
A hozzászólás módosítva: Nov 13, 2020
(#) Laci66 hozzászólása Nov 14, 2020 /
 
Sziasztok!
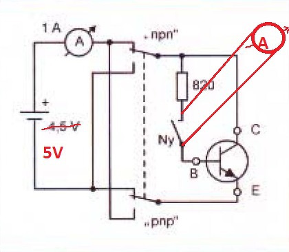
Tranzisztorokat válogatok az alábbi kapcsolás alapján.
2db DMM és egy zsebkalkulátorral + stabil táppal szerencsétlenkedek.
A mérési eredményeim már mások mint a "kici, óccó kínaival" . Amit az 1 Bétának mért az most 18,
amit 177-nek mért az most 233. Kb. 30 eddig kimért tranzisztor esetén azt tapasztaltam, hogy a Bázis
áramok tranzisztoronként 1,2-5,2mA között, a Kollektor áramok 80-350mA között váltakoznak. A Bétát
az egy időben mért értékek hányadosaként számoltam.
A kérdésem a következő: mi van akkor ha párba teszek két 30-as Bétájú tranzisztort, amiből az egyik
2mA a másik 5mA Bázisáramnál volt 30-as Bétájú? Nem lesz eltérő a kimeneti "félhullám"?
(#) jani1987 válasza mnyugger hozzászólására (») Nov 14, 2020 /
 
A második link hibás.
(#) Laci66 válasza Laci66 hozzászólására (») Nov 14, 2020 /
 
Egy ötlet: (lehet fikázni, ha hülyeség), de ha előre kimérném a B-C nyitó ellenállásokat és az egymáshoz közelieket mérném (közeli Bázisáram) és ez alapján válogatnék.....
(#) ferci válasza Laci66 hozzászólására (») Nov 14, 2020 /
 
Szia!
Célszerű lenne úgy mérned, hogy ugyanazzal az ellenállással ( pl. 22 kohm ) beállítasz egy bázisáramot, aztán némi védelemként 100 ohmot a kollektorba a +táp felé ( npn esetében ) és méred a kollektor áramát. Ezeket hasonlítsd össze.
Ha a nagyjelű béta kell ( ritkábban ) , mindig az éppen mért Ic/Ib az érdekes, ha a kisjelű ( általában ), akkor 2 különböző bázisáramot állíts be 1 tranyónál és az ( Ic1-Ic2 )/(Ib1-Ib2) lesz a jó érték.
Itt a majdani kapcsolásodban lehetséges kollektor áramokra gondolj, pl. 10 és 2 mA, vagy 18 és 5 mA, stb...
(#) mcc válasza Laci66 hozzászólására (») Nov 14, 2020 /
 
A bázisáram ilyen mértékű ingadozása valamilyen alapvető problémát jelez. 5V-os táp esetén a bázisáram (5-0.6)/820ohm=5.36mA körüli kell legyen. Ettől minimálisan térhet csak el a nyitófeszültség és a táp ingadozása miatt.
Kérdés, hogy milyen tranzisztorokat próbálsz mérni így, mert kisebbek 1-2mp alatt is megfutnak ekkora disszipációtól.
A hozzászólás módosítva: Nov 14, 2020
(#) Laci66 válasza ferci hozzászólására (») Nov 14, 2020 /
 
Szia!
Lásd a képen! Bázisáram 820 Ohmmal állitva.
(#) Laci66 válasza mcc hozzászólására (») Nov 14, 2020 /
 
Szia!
A tápom uA723 1A-es,. Eddig TO3-as tokozású 2N3442-es, 3055-ös és 2955-ös tranzisztorokat mértem. Ezeknél volt ekkora az ingadozás.
(#) mcc válasza Laci66 hozzászólására (») Nov 14, 2020 /
 
Én is hasonló kapcsolással mérem a végtranzisztorokat, de nekem nem volt ilyen problémám eddig. Én egy 7805-öt használok stabilizátornak, igaz eleve kisebb árammal mérek.
A TO-3-as tranzisztoroknál a megfutás talán nem annyira kritikus, de akkor sem érdemes 1mp-nél hosszabban mérni.
(#) mcc válasza mcc hozzászólására (») Nov 14, 2020 /
 
Jut eszembe: Nézd meg, hogy mekkora a multimétered belső ellenállása árammérésnél. Szerintem nem elhanyagolható a 820 ohmhoz képest, pláne 2mA, vagy 20mA állásban.
(#) ferci válasza Laci66 hozzászólására (») Nov 14, 2020 /
 
Ja, hát végtranyóknál a bázisellenállásnak ez jó érték, de a többi beírásom többszörös áramértékekkel és mérési eljárással akkor is helyes.
Így a kollektorba is célszerű 1-2 soros ohmot betenni és csak rövid idővel tesztelni.
Tehát báisfeszültséggel ne foglalkozz, hanem áramokkal.
A hozzászólás módosítva: Nov 14, 2020
(#) mcc válasza ferci hozzászólására (») Nov 14, 2020 /
 
A soros kollektor ellenállás nem biztos, hogy jó ötlet, mert akkor mérés során változik a kollektorfeszültség. Definíció szerint a hfe mérés konstans Uce feszültségnél történik. Ezt specifikálják is a gyártók. Általában 5V, de például a Sanken 4V-nál adja meg, ha jól emlékszem.
(#) ferci válasza mcc hozzászólására (») Nov 14, 2020 /
 
Azt csakis azért javasoltam, hogy ne a táp áramkorlátja avatkozzon be esetleg.
Persze hamisít kicsit, de azt figyelembe lehet venni.
Ha pedig már 1-2 amperben gondolkoztok, az 5 V / 820 ohm úgysem jó, mert a nagyjelű béta csak 20 körül lehet és oda nem 10-20 mA Ib kell.
2-300 mA Ic pedig mit keres pl 3055-ös végtranyónál?
(#) Laci66 válasza mcc hozzászólására (») Nov 14, 2020 /
 
Én 30-40 éves és most vásárolt tranzikat vizsgálgattam..... Tesla, Motorola, Texas, stb, vs. most vásárolt kitudja milyen gyártmányú 2N-ek. Ha jól okoskodok, a bázisáramot a bázisosztó (820ohm) + a tranzisztor belső ellenállása határozza meg. A mostani (távolkeleti?) tranzisztorok Bétája sokkal nagyobb..... össze fogom hasonlítani a B-C ellenállásokat.
Pár másodperc alatt 300mA-rel ezek a 10-15A-es kütyük meg sem langyosodnak.
A hozzászólás módosítva: Nov 14, 2020
(#) ferci válasza Laci66 hozzászólására (») Nov 14, 2020 /
 
Rossz úton jársz.
(#) mcc válasza ferci hozzászólására (») Nov 14, 2020 /
 
Ezt értem, de ott a multiméter, amin látja, hogy nem sok e az áram.
Én például a nyugalmi áram környezetében 100mA körül válogatom a végtranzisztorokat. Úgy tapasztaltam, hogy ott fontosabb az együttfutás, mint -mondjuk-, 5A-nél.
(#) mcc válasza Laci66 hozzászólására (») Nov 14, 2020 /
 
Nem jól gondolod. A bázisnál egy dióda van, amit kinyit a 820 ohmon átfolyó áram. Onnantól azon a ponton fix a feszültség, a befolyó áramot pedig csak az ellenállás értéke határozza meg. Ezért mondtam, hogy vigyázz az árammérővel, mert 2mA állásban akár 100ohm belső ellenállása is lehet, ami sorba kapcsolódik a 820ohmmal!
(#) ferci válasza mcc hozzászólására (») Nov 14, 2020 /
 
Nem írtam 5 ampert...az már nagyon szélső érték 3055 féle tranyóknál, viszont a 100 mA meg kevés.
Alig kivezérlésnél a nyugalmi áram ( keresztezési torzítás ) az érdekes, de ha >10-20 wattban gondolkozol, ott már az amper környéki együttfutás/béta lesz az érdekes.
Na jó, mindenki másképp csinálja.
A hozzászólás módosítva: Nov 14, 2020
(#) mcc válasza ferci hozzászólására (») Nov 14, 2020 /
 
Elnézést, ha félreérthető voltam, az 5A-t talán Motorola adatlapon láttam, ha jól emlékszem MJ21193/94-nél. 2N3055-nél valóban sok az 5A. Sajnos Amper nagyságú áramoknál házilag elég kilátástalan erősítést mérni, mert tized mp alatt változik az áram a megfutás miatt. Impulzusmérés pedig nehézkes...
(#) ferci válasza mcc hozzászólására (») Nov 14, 2020 /
 
Nem tudom, nem láttam, milyen végfokokhoz érdekes éppen a 3055 vagy hasonló, ehhez képest kell gondolkozni, tesztelni és mérni.
De az tuti, hogy nem 2-300 mA Ic az érdekes.
Házilag pedig muszáj mérni ilyen esetekben is, különben csalódás lesz esetleg.
Megfelelő műszerpark és táp nélkül nem egyszerű dolog.
Megfutás ellen pedig ott van az 1-2 sec mérési idő és egy alkalmi hűtőborda.
(#) Laci66 válasza mcc hozzászólására (») Nov 14, 2020 /
 
Szia mcc!
És Szia ferci! Nem azt kértem, hogy vitatkozzatok, hanem hogy Segítsetek!!!
Persze a vita is előbbre juttathat....
----Bázisáramot 20mA méréshatárral , Kollektort 10A-essel mérek.
Reloop már felhívta a figyelmemet a Lamalas által feltett tranzivizsgálóra, de egyrészt lusta vagyok
megépíteni, másrészt, ha már van több műszerem is miért ne mérjek pillanatnyi pontos értéket?
Visszatérve az eredeti kérdésre: ha ugyanakkora Bétájú--- különböző bázisáram mellett--,tranzisztorokat használok, nem kellene-e a meghajtó fokozatok erősítését változtatni, hogy a kimenet azonos amplitudójú legyen?
(#) mcc válasza Laci66 hozzászólására (») Nov 14, 2020 /
 
Laci,
nem igazán értem a kérdésed:
1, Ha azonos a B, akkor miért lenne különböző a bázisáram (feltételezve az azonos kollektor áramot)
2, Mit szeretnél pontosan módosítani a meghajtó fokozaton? Azt sem értem, hogy miért lenne más a kimeneti amplitúdó.
Egy kapcsolási rajz jó lenne...
(#) ferci válasza Laci66 hozzászólására (») Nov 14, 2020 /
 
Én egyáltalán nem vitázni akarok, hanem a megfelelő tartományú árammérésekre hívom fel a figyelmet.
Ide pedig kell egy szisztéma, táp és néha pár ohm/sok wattos ellenállás is.
Többféle módszer is lehet, de nem részletezem.
Annak semmi értelme, hogy a meghajtókat variáld a különböző bétájú végtranyók miatt és nehezebb is lesz.
(#) mnyugger válasza jani1987 hozzászólására (») Nov 14, 2020 /
 
FM antenna kérdés topic
(#) pucuka válasza Laci66 hozzászólására (») Nov 14, 2020 /
 
Már megbocsáss, de a méréstechnika egy külön szakma. Azt is meg kell tanulni. (Dr Tarnay Kálmán Elektronikus Mérések 23.§ 439 - 452 old)
Az üzemközi, és labormérések között jelentős különbségek vannak. Az üzemközi méréseknél odabiggyesztünk egy általános paraméterekkel rendelkező műszert, a laborméréseknél minden esetben figyelembe vesszük a műszer belső ellenállásait is.
A tranzisztor paraméterek mérésénél alapesetben is egyszerre négy pontos, ismert belső ellenállású műszerre lesz szükséged, (két feszültség, és két árammérőre) kapcsolgatni nem lehet, mert azzal megváltoztatod a körülményeket. Maga a mérés négypólus mérésekhez hasonlít.
Ha bármelyik tranzisztor adatlapját megnézed, hogy pl. az erősítési tényező (h12, hFE, β) jelentősen függ a kollektor áramtól (is).
A bázisáramot változtatható áramú áramgenerátorral, a kollektor feszültséget változtatható feszültségű feszültség generátorral kell előállítani.
Ez így elég bonyolult, de ha elhanyagolsz dolgokat, ne csodálkozz, ha nem jönnek össze a mérési eredmények.
(#) krisz69 hozzászólása Nov 14, 2020 /
 
Sziasztok van itt olyan aki nagyon otthon van erősítő pwm táp javításban ? Már mindent többször végig néztem . Hiba sajnos fen áll. Alkatrészeket át mértem mind ! Minden jó. Ic-k újak mind smd tranyok jók. Stb ..Egy a gond valamelyik kondenzátor lehet hibás ami smd.. viszont kapcsolási rajz nincs . Így már teljesen tanácstalan lettem. Maga a pwm vezérlésen rosz valami. De valyon mi ? 85khz kéne menni de 100felett ketyeg . A ,,C " tag cseréje sem hozott eredményt. Tüskés a négyszög jel, és nem megy lejebb a freki. ?! :/( T.amp tsa 2200 ) ról lenne szó.
A hozzászólás módosítva: Nov 14, 2020
Következő: »»   2284 / 2566
Bejelentkezés

Belépés

Hirdetés
XDT.hu
Az oldalon sütiket használunk a helyes működéshez. Bővebb információt az adatvédelmi szabályzatban olvashatsz. Megértettem