Fórum témák
» Több friss téma |
Mielőtt kérdezel, a következő két dolgot ellenőrizd!
I. A helyes tápfeszültségek megléte.
II. A kimeneten van-e egyenfeszültség.
Élesztés.
Szevasz Pafi!
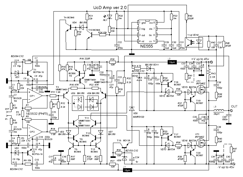
Téged, mint a kapcsüzem mágusát, megkérhetlek, hogy mondj véleményt erről? IRF 540Z -ben shottky van, vagy miben különbözik az 540-től? Nekem IRF 540N-em és főleg IRFP150-em van elég sok. Ja és a fetek között egymásranyitás előfordulhat ennél a cuccnál? Nem vélek felfedezni semmit, ami ezt megakadályozná.
Hmmmm, fogós kérdés! Talán azért, mert az kapható???
Hello, KD mester!
Még jó hogy van aki értelmes kérdéseket tesz föl! Az IRF540Z kisebb csatornaellenállású, és a belső diódája gyorsabb. Nem schottky, de a geometriájával és szennyezési profiljával játszva valahogy elérték. Azért az 540N is használható. Idézet: „a fetek között egymásranyitás előfordulhat ennél a cuccnál? Nem vélek felfedezni semmit, ami ezt megakadályozná.” Melyik cuccra gondoltál? A tranyókat az egymásranyitás határhelyzetében kellene üzemeltetni a legkisebb torzítás eléréséhez, úgyhogy egymásranyitás is előfordulhat a beállítás függvényében.
Hmmm... Pafi ismet megelozott...
Igen. konyebb beszerezni. A 350V Uce0-ra meg nyilvan ugy sem lesz szukseged.
Ja, most vettem észre a csatolmányt!
Dead time ügyében lehet játszani R36/38-cal, talán R20-szal is egy picit.
úgy érted ez is fake??
mert ha igen akkor: vagy arra gondolsz hogy a bourns nem gyárt ilyet? mert én találtam a BD250C-ről adatlapot az oldalán! Bővebben: Link
háát úgy indult a dolog, hogy google -> philipnes = nincs semmi hasznos infó -> biztos hamis?!?!
majd Norbertotól megkérteztem, szerinte hamis... fényképeztem.. kerestem újra.. NEM HAMIS ! :yes: :yes: üdv
De honnan tudod, hogy nem hamis? Azért, mert létezik ilyen gyártó, és gyárt ilyen tranyót? Attól még gyárthatta bárki más is!
Az árából következtetve valószínű, hogy eredeti, és rémlik, mintha pont ilyet használtam volna 6 évvel ezelőtt, és az jó volt, de ennyi alapján nem lehet biztosan állítani, hogy nem hamis! Ahogy azt sem, hogy hamis. Két esetben lehet biztosat állítani: - Ha egyértelmű eltérés van a tokozásban vagy feliratban, akkor biztosan hamis. - Ha minden egyezik, és tudja a gyári adatokat, akkor szinte biztosan eredeti.
Egyetertek Pafival meg annyi kiegeszitest mondanek, hogy akkor tudod 100%-osan megallapitani, hogy eredeti a cucc ha kozvetlen a gyartotol rendeled. Namost lehet nagyker mennyisegben rendelni (de minek?
) vagy mintapeldanyokat is lehet kerni ami a legtobb esetben ingyen van. Ha nem hasznalja ki szemet modon az ember a gyartokat, akkor erdemes lehet rendelni 1-1 darabot es akkor tudod hogy nez ki az eredeti es a jovoben tudsz hasonlitani. Nekem van MJL21193/94 tuti eredeti ill. MJ15003 szinten tuti. Ha vkit erdekel akkor teszek fel kepeket roluk. Jut eszembe .... ne nyissunk ennek a temanak egy uj topicot? Nem vagyok biztos benne, de mintha nem lenne meg ilyen topic ezen a forumon ... talan hasznos lenne es nem offolnank szet ezt az erositos temat.
Kösz szépen Pafi, hogy segítettél!
Szeretném kipróbálni a kapcsolóüzemet és ezt néztem ki megépítésre. Az IRFP 150 elég nagy belső kapacitással rendelkezik, meg gyanítom, hogy a benne lévő védődióda sem lehet elég gyors. Ha viszont egy 100V/20A-es shottky-t is tennék mellé, akkor lehetne ezt is használni?(Van kéznél 50db. Ja meg van még 4dbIRFP260N-is.)
remélem szabi83-nak igaza van mert már 8 darab ilyet vagyis 4db BD250C-et és 4 db BD249C-et vettem a hákúból ST151 gyártásra! külsőleg teljesen egyforma mind és az egyik már beüzemelt végfokban működnek! még a másikat éleszteni kell!
Heló mindneki! Segítsetek!
Az alábbi linken lévő előerősítő kapcsolást építettem meg, és gond van vele, 2 is: 1. Van ugye a 3 TL072. A szép színusz jel eljut a másodikig, aztután négyszög szerű jel jön ki rajta, akármilyen kicsi jelet is adok neki a hanggenerátorral. Ez lehet azért mert véletlen összekötöttem a 8 és a 7. lábát, mikor ott piszkáltam a mérőcsúccsal? Volt egy apró szikra, meg is ijedtem, nem füstöl-e mindjárt. Lehetséges hogy az egyik csatorna ettől meghalt? 2. A kimeneten (4. ábra a linkelt oldalon) van sorban egy 100 ohmos és egy 2,2µF-es tag. Ez utóbbi milyen kondi? Fólia? Kerámia? Mert angolul ban ott írva, hogy polyester cap, ez melyik? A válaszokat nagyon köszönöm. Előfok Idézet: „Próbaképpen hagyd ki az R117-118-119 ellenállásokat.” En ezt nem ajanlanam. WD40, a kovetkezoket csinalnam: a masik csatornat hasznalnam referenciakent ha azon meg nem zartad rovidre a 7-es es 8-as labakat. Ha azon is negyszogesedik a jel, akkor valoszinu vagy nem jo a forrasztas a visszacsatolasnal valahol (ezert nincs visszacsatolas es a marha nagy nyilthurku erosites kovetkezteben komparator szeru uzemmodba megy at a muv. erosito es negyszogesiti a bementojelet) vagy az is lehet, hogy a visszacsatolasban vmelyik ellenallas erteke nem megfelelo igy jo nagy lehet az erosites ami (a tulvezerles miatt) szinten negyszogesitheti a kimenojelet. De ha a negyszogesedes nem jellemzo a masik csatornara, akkor is eloszor a forrasztasokat ellenorizd es ha minden jonak tunik akkor lehet, hogy a muv.erosito szallt el. Ekkor a cseret probald meg.
KD mester!
Keszul az erositod ... igaz kicsit maskepp Valtoztattam a NYAK-on, a felvezetokon, +-28V tapfesz 100VA-es trafoval (sztereo megy 100VA-es traforol :eek2: ), ocska alkatreszekkel ... kivancsi vagyok mit tud igy De ne aggodj, direkt "rontom" el, mert csak deszkamodell lesz belole kiserletezesre. Azert kivancsi vagyok igy is ra. Ha az égiek is ugy akarjak, akkor holnap meg is fog szolalni.
Ok, kösz nektek, legközelebb kedden lesz alkalmam kisérletezgetni, majd írok hogy mi a helyzet.
Hát ha valaki szándékosan sz
xart akar készíteni, készítsen. De ha xar lessz, ne fikázd a fórumon, mert nem is azt csináltad meg végülis, amit leközöltem, hanem valami általam sem ismert dolgot. Ja és a dual-mono változat egyértelműen jobb hangúnak bizonyult. Tehát érdemes ezt a kábelezési fajtát megcsinálni. A mono erősítő próbáját főleg érdemes így végezni. (tehát a dual-mono nyákkal). Vicces vagy KD mester! Egyebkent az egyik csatornat mar felelesztettem, szepen muzsikal
Na! Mi van? Megcsináltad???
Pedig azt hittem soha nem építed meg. A következő lépés lehetne az, hogy eredeti félvezetőkkel azt a kapcsolást csinálod meg, amit leközöltem. :nyes:
Igaz hogy ez nem a "ki mit epitett" topik, de felteszem a kepet a felig kesz erositorol. Ahogy irtam ez meg csak az egyik csatorna. Egyebkent minimalisat valtoztattam a NYAKon a kapcsolason pedig semmit se, szoval nem kell megijedni
A felvezetok pedig majd lesznek jobbak is, csak eloszor szeretek ilyen deszkamodell erositoket epiteni ... kiprobalom milyen a kapcsolas, kiserletezek vele, stb.
Látom csak a végtranyókat cserélted le.
De még az audiodiy-en megírtam, hogy a leges-legrosszabb hangot a TIP35C/TIP36C-adta. Szándékosan ezzel hallgattad meg először mi? :banplz: Nem baj. annál jobb lessz MJL-ekkel. Meg hamis bd-k kel is egész jól szólt. A BD911/BD912 +-30Vig simán használható végtranyónak és nagyon jól szól az erősítő vele. (Ha valamelyik végtranyóval gerjedékeny lenne, akkor be kell építeni a két 3,9Ohm-os ellenállást a TIP-ek emittereibe.)
Nem emlekeztem amikor vasaroltam a lomexben hogy melyik tranyokat mondtad kevesbe jonak, csak tudom hogy az MJL-ekkel a legjobb. Egyebkent ennek a deszkamodellnek olyan mindegy, mert a darlingtonok mas gyartotal valok, az MPSA-k es a BC-k szinten kulonbozo gyartotol valok. Kerdeztem korabban toled, hogy szted mennyire van ennek hatasa a hangminosegre? Ugy ertem hogy szinte az osszes felvezeto mas gyartotol van. Nekem az lenne a szimpatikus, hogy a BC-k egy gyartotol legyenek, az MPSA-k szinten es a TIP-ek is, azaz minimum a parban levo tranyok legyenek egy gyartotol. Bar lehet hogy ez hulyeseg
A BC-k meg a TIP ek terén megnyugodhatsz, mert a különböző gyártók ellenére annyira hasonlítanak, mintha egy szilíciumból vágták volna ki őket. Az MPSA terén is megnyugodhatsz, (ráadásul az azonos gyártótól van a lomexban).
Régen vettem MEV BC-ket aztán párbaválogatásnál volt minden 120-600-as B-ig, csak két egymáshoz közeli nem. Most meg megveszem a japánt, elkezdem válogatni Aztán egyik gyártótól: B: 310 312 309 311 (npn) B: 315, 318, 325, 314. (pnp) Másik gyártó ugyanez. Na mondom fejlődött valamit a gyártástechnológia. Szóval nem kell beijedni.
En a TIP35/36-ot mertem csak. Azoknal az azonos tipusuak (NPN v. PNP) betaja szinte halal pontosan megegyezik, persze a PNP az NPN-el mar nem
Milyen darlingtonokat probaltal még a TIP-ek helyett? |
Bejelentkezés
Hirdetés |






) vagy mintapeldanyokat is lehet kerni ami a legtobb esetben ingyen van. Ha nem hasznalja ki szemet modon az ember a gyartokat, akkor erdemes lehet rendelni 1-1 darabot es akkor tudod hogy nez ki az eredeti es a jovoben tudsz hasonlitani. Nekem van
Szeretném kipróbálni a kapcsolóüzemet és ezt néztem ki megépítésre. Az IRFP 150 elég nagy belső kapacitással rendelkezik, meg gyanítom, hogy a benne lévő védődióda sem lehet elég gyors. Ha viszont egy 100V/20A-es shottky-t is tennék mellé, akkor lehetne ezt is használni?
En ezt nem ajanlanam.




