Fórum témák
» Több friss téma |
Fórum » Erősítőhöz való hangsugárzó védelem (koppanásgátló)
Témaindító: Thom, idő: Márc 14, 2006
Témakörök:
Ha nincs ott akkor 30V-ra elenged?
Pedig pont fordítva kellene lennie. Valamit észrevettem: amit belinkeltél fényképet, azon a két dióda mintha fordítva lenne berakva a leíráshoz képest. Bővebben: Link Bővebben: Link
Szerintem jól van. Én a pdf-ből építettem.
Párhuzamos 100k ohm-al sehogy se enged el a relé. Átcineztem az egész panelt bő gyantával, hátha valahol rosszul forrasztottam valamit/szakadt a fólia, de nem.. :no: Most már tényleg csak a tranyóra tudok gondolni.
De akkor a fényképre ahova azt írtad, hogy PNP oda az NPN-es tranzisztor kell a beültetési rajz szerint.
Az bizony lehet, hogy hülye vagyok!
Kicserélem őket, just a minute. ![]() szerk: ahol a panelra pnp van írva, ott a bc549 van. Ha jól tudom ez pnp, mert ezüstözött a feliratos oldala a tokozásnak.
Ó én oktalan hülye kezdő! Működik, ceruzaelemről is kikapcsol! Köszönöm hogy folyton kihúzol a bajból!
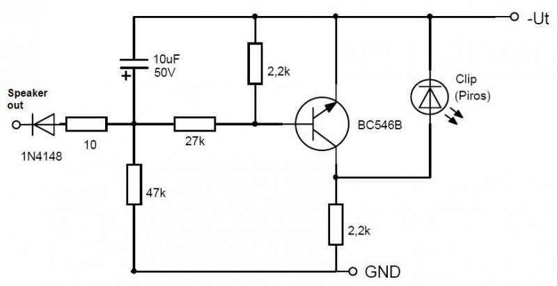
Üdv! Ezt a védőáramkört akarom megépíteni egy TDA 1554-es végfokhoz. Hídban üzemel a végfok! A kimeneteken vagyis a hangszóró + és - csatlakozóin 6v egyen van a földhöz képest, de egymáshoz képest 0v. Az volna a kérdésem hogy ehez hogy lehet védőáramkört építeni? Mert az előbb említett kapcsolásnál a végfok kimenetét a - le kell rakni a földre, de ez a végfok nem kedvelné!
Hali mindenkinek!
Megépítettem az alkotó féle nyákon ezt a kapcsolást. Minden működik szépen csak egy problémám lenne vele.. Próbálgattam hogy hány volton old le a védelem.. + Táp esetén: 4.0V Ez rendben.. - Táp esetén: 12V-nál kezd pislákolni a sárga led, de végül 15V nál old le. Ez már koránt sem jó dolog :no: Valaki tudna segíteni, hogy mi lehet a hiba? Előre is köszönöm! Üdv! ![]() Most nézem, hogy rosszul mondtam, nekem a +/- 40V-os van, de ugyan az csak az ellenállás értékek mások..
Szerintem nem a te hibád, hanem a kapcsolásé. Mint én is írtam korábban, valami hasonló eredményt kaptam. Éppen ezért nem kell sem ezt, sem a többi vitatható eredetű védelmet erőltetni. Én is csak úgy cseppentem bele, hogy megtetszett a túlvezérlés indikátor része.
Szerintem kifogástalan és olcsó az IC-s védelem, valamint a KD mester által tervezett kapcsolás, illetve még szintén kifogástalan, csak ma már korszerűtlen a sanyó védelem. Persze ezen kívül is van biztosan számos egyéb kapcsolás is, de szerintem ebből az áramkörből nagyon fontos a megbízhatóság, tehát nem igazán fér bele a kisérletezés kockázata.
Köszönöm!
Tudnál nekem mondani erre a célra való IC-ket? Létezik olyan IC-s kapcsolás amiben benne van a túlvezérlés jelző? Vagy azt a részt meg kell építenem külön? Előre is köszönöm! Üdv!
Vélhetően Vendelkirály ebben többet tudna neked segíteni. Ö nevelgette az elején ezt az IC-s védelmet.
Itt találsz tőlem rajzot, meg paneltervet, és még egy számoló segédletet is, ami tetszőleges tápfeszhez és reléhez kiszámolja a szükséges előtéteket.
Ha szeretnék túlvezérlés jelzőt, akkor csak ezt a részt kel megépítenem igaz?
Igen. Nekem is csak ez tetszik a kapcsolásban.
Nekem van valami hasonló terv. Azt sajnos nem tudom működik és pontos e...
Köszönöm!
De én inkább maradok a jól bevált rajznál
Hello.Működik ez a kapcsolás?Bővebben: Link
Itt is a tranyóknál az a lényeg hogy NPN és PNP legyen megy elbírja a feszt meg az áramot?Valaki fel tudná rakni a nyák rajzot nagyobba? Előre is kössz.
Tényleg.És a tranyóknál csak az a lényeg hogy NPN és PNP legyen.
Az jó.Relének valamit tudnátok mondani.Pl Hestoréről(mert onnan akarok most rendelni és akkor egy füst alatt minden.)Az ellenállások 1/4W?
Ne válassz túl kicsi relét, mert később megbosszulja magát. Minimum 5A, de inkább 10A tuti védelembe.
|
Bejelentkezés
Hirdetés |














