Fórum témák
» Több friss téma |
A legszerencsésebb az lenne, ha a trafóból tudnál leszedni pár menetet, a szekunderből... A többi lehetőség mind kicsit fusi megoldás.
Igen én is erre gondoltam első körben, de nem azt mondom, hogy lehetetlen. Sajnos a trafó az jól össze van rakva, biztosító lemez és egyéb megoldások. Ha volna egyszerűbb megpróbálnám még ha gányolás is.
Hali!
Van 2 db 22v/250va Toroidom. Milyen tápegységet tudok ebből csinálni? A kimenő +/- feszültség értékére gondolok elsősorban. Végfokhoz kellene olyan 38v- 45v ig
Üdv azt szeretném megtudni, hogy aszimetrikus trafóból lehet-e ily módon szimmetrikusat készíteni, de legfőképp az érdekelne, hogy egy erősítő végfok TDA7294 elmenne-e róla ugyanúgy min a szimmetrikusról?
Üdv! Igen, működő képes. Ebben az esetben nagyobb (kétszeres ajánlott) pufferekre lesz szükség azonos mértékű tápszűréshez.
Szerk.: ilyen táp mellett hajlamos az erősítő egy kis búgásra. A hozzászólás módosítva: Jan 28, 2013
köszönöm, megépítem 10000 mikróval aztán meglátom, hogy muzsikál...
Sziasztok!
Bocs ha nem jó helyre írok! Kaptam 1 HITACHI microhifit,ami bekapcsolás után rövid idővel kikapcsol,mintha kihúznám a 220v-ból. Majd pár Mp múlva visszaáll stendby módba.Arra gondoltam hogy a tápja hibásodott meg.A táp típusa: TOPOW POW181A.Melyik alkatrész hibája okozhatja ezt a jelenséget? Előre is köszönöm a hozzászólásokat!
Üdv.
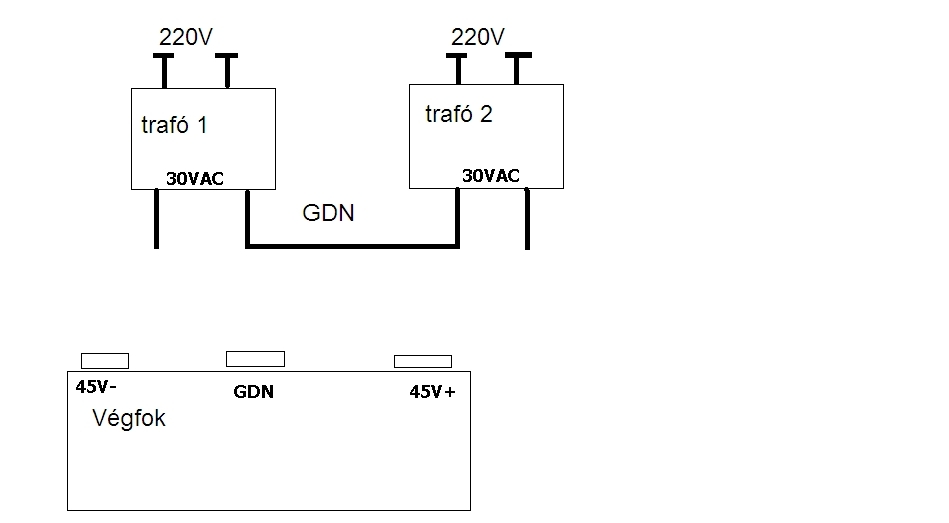
Szeretnék egy erősítőt építeni. A tápegységgel kapcsolatosan szeretnék tanácsot kérni bár nagyon kezdő vagyok és szinte nulla a tudásom azért írtam ide mert bízok abba hogy itt segítőkészebbek az emberek! A helyesírásért külön sorry! Egy megfelelően szűrt tápegységet szeretnék készíteni a leendő erősítőmhöz. Már több mint egy hónapja "nyálazóm" itt és máshol az oldalakat de nem szeretnék a saját hibámból tanulni ezért fordulok hozzátok. A helyzem a következő: Van egy végfok modulom. A leírtak alapján : Tápellátás: Plusz/Mínusz 45-50V Áramfelvétel: 4-5A (kivezérléstől és feszültségtől függ) Impedancia: 4Ohm Bemenet: Vonal szintű Kimeneti teljesítmény: 2x100W Kapcsolási rajzót az istenért nem sikerűl szereznem ezért max anyitt tudok hogy leírom mi van benne pl végtranyok,stb ha szükséges. Ehez kelenne nekem egy táp. Amihez van 2db 30VAC trafóm amik elvileg ha jól számolom olyan 42V +/- tudnak majd. De mindezek elött szeretnék egy hozzáértő által ajánlott kapcsolást vagy javaslatott kérni. ÉS hogy kész egyenirányíróval meglehete csinálni vagy csak dioda ... al. Szoval minden hibát kiszeretnék zárni ami szakszerűtlen kontárkodásombol adodhat.
Üdv! A diódahíd nem veszélyes beruházás Bővebben: Link A gyengébb sem kerül kevesebbe, az erősebb pedig örökös darab
![]() A kondenzátorok legyenek 50V, vagy nagyobb feszültségtűrésűek. Az elrendezést mellékelem.
![]() Köszi Ez már nagy segitség! De én is "hasonlót csináltam aztán jött a D betű a homlokomra mert mikkor megjött a végfok modul furcsán néztem hogy mi az a DGN a 45V+/45V- csatik közöt. Azt hitem hogy én voltam a hülye és fére értelmeztem azt a bizonyos Tápellátás: Plusz/Mínusz 45-50V. De ezek szerint csak a leírásban volt hiányoság, kivetnivaló. Egyszóval ez a kapcsolásal nem müködik vélhetően mert elfelejtete akkor odaírni hogy GDN-is kell a végfoknak én meg mert nemertem kécsékbevoni a mesterember szavát ezért külön elnézést kérek.De ezek szerint helytelenűl adtam meg az infokat. Elnézést kérek! Én valami ilyesmivel vagy is ezzel bírtam müködésre: A hozzászólás módosítva: Jún 18, 2013
Bocsi a képekért csak még nem találtam megfelelő softver.
NA akkor most inkább lefekszem mert most vetem észre csak hogy nagyon férre néztem az áltatad ajánlot kapcsolást az istentudja mért.
Vagy is hogy megvan a megoldás és örök hálám ! Erre soha nem jöttem volna rá magamtól mármint hogy két diódahíd kell. Köztünkszolva nem is értem de sokminenel így vagyok mindenesetre ezt fogom kivitelezni!Nagyon szépen köszönöm! A hozzászólás módosítva: Jún 19, 2013
Olvasd el Király Tibor tanácsait, különös tekintettel a Tápellátás fejezetre, meg fogod érteni Bővebben: Link
Köszönöm ez nagyon hasznos olvasmány meg is találtam hogy mért jobb.
De most kezdem az elejétöl mert kiváncsi vagyok mindenre. Mégegyszer NAGYON köszönöm a segitséget! !
Sziasztok! TDA 7294 erősítőt építek. Toroid szekunderén van 2x26v és egy 230-as. Melyikről vegyem le a craftot a hűtő ventinek(12v), és hogyan,
hogy ne rogyjon meg a táp? A hozzászólás módosítva: Máj 8, 2014
Szia! A 230V-ról semmi esetre sem. A 26V-ról pufferelt 35V-ot lecsökkentheted 12V-ra akár egy stabilizátorral akár DC/DC konverterrel. Ez utóbbi bonyolultabb, de jobb hatásfokú.
Praktikus megoldás lenne, ha tekernél a toroidra még egy 9V-os szekundert, átmérő 0,3mm-nél nem vékonyabb huzalból.
Nem akarom megbontani,pufferelve 26v,akkor ha egy stabkockaval szedem le akkor nem rogy meg a tap?
Csúnya lenne ha megrogyna. A ventilátor 100mA körül vesz fel, nem tétel az erősítő csúcsáramához képest.
Csak így lehet lecsapolni 26v-ról 12V-ot? Stabkockával? Valamint a betáp csatlakozó aljzat földjét le lehet földelni a fémtesthez?
Az erősítőm egy pc tápegy házában kap helyet,és be lesz zsúfolva nagyon minden,a toroid fog zavart kelteni,mert közel lesz a 7294 nyákhoz.?
Szia! Az érintésvédelmi földet rákötheted a házra. Tápegység korában is rajta volt.
A 12V megcsapolása alatt mit kell érteni, mi lesz a feladata ennek a feszültségnek? A végfok és a trafó közé helyezz lemezt, meg is hajlíthatod a kívánt mértékben. Mágnesezhető anyagú legyen, olyan mint a maga a PC táp doboza.
A pc ventivel akarom hűteni a bordát,ennek kell 12v 0.08A mellett.Én is arra gondoltam, hogy teszek lemezt a kettő közzé,csak nem lesz olyan szép.
Amennyiben 26V az egyik oldali tápfeszültséged, akkor 180 ohm soros ellenállás 14V-ot ejt rajta a ventilátor áramától. Az ellenállás melegszik (1W), érdemes 3-5W-ost használni. Használhatsz 7812 stabilizátort is, a végeredmény ugyan az.
A hozzászólás módosítva: Máj 13, 2014
Sziasztok!
Egy erősítő tápjának az alján találtam ezeket a pozitív és a negatív kivezetés közé forrasztva! Vajon milyen célt szolgálhatnak? Köszönöm
Szia! Kisütő ellenállások. Kikapcsoláskor hamarabb némul az erősítő.
Én azt gondoltam, hogy az egyik híd +/- ágát fordítva kellene összekötni, mert +/- feszt szeretnénk.
Rákerestem a neten is és találtam ilyet, az oldalon az utolsó ábra: TNT audio supply Most akkor melyik a jó kapcsolás?
Olvasd el a Tápellátás fejezetet!
Magad is el tudod majd bírálni melyik a helyes megoldás.
Hát nekem elsőre csak az jött le, hogy a töltő áram impulzusok miatt nálam sok a max 2A mellé a 19.000µF -os kondi...:
crazy: |
Bejelentkezés
Hirdetés |





















