Fórum témák
» Több friss téma |
Sziasztok, olyan kérdésem, lenne, hogy nagyon olcsón hozzájutottam egy Eurolux EL 5001 házimozi rendszer hangfalaihoz és a mélynyomóhoz. Ez a kis ketyere eredetileg egy DVD lejátszóvalegyütt menne. De azt nem kaptam meg hozzá, meg nem is igazán akartam. Szóval ebből szeretnék a számítógéphez (laptop) amin egy sztereo kimenet van készíteni egy használható cuccost. A benne lévő végfok az én igényeimnek (fülemnek) megfelel TDA 2030-as klónok lehetnek benne, mert kettőt kicseréltem ezzel az IC vel és működik. Ehhez kellene valamilyen elő fok kapcsolás.
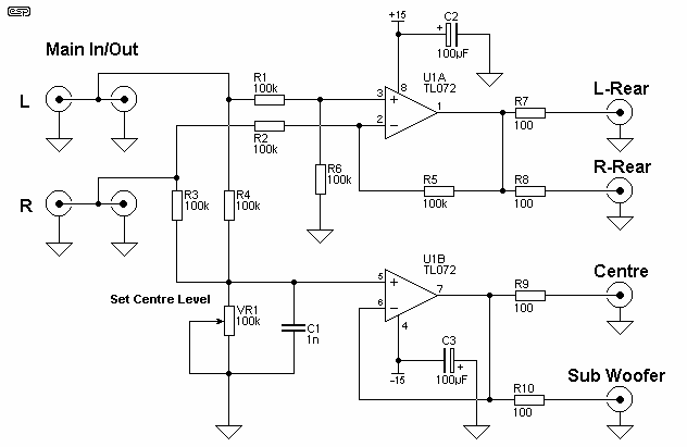
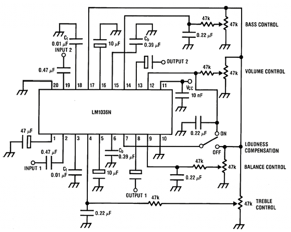
A bemenet után egy LM 1036 N-es szabályzóra gondoltam és utána szét kellene bontani valahogy a sztereó csatornát 5.1 re. Persze tudom még mielőtt beszóltok, ebből soha nem lesz igazi 5.1 de valami hasonló csak össze hozható. Két verziót találtam a neten. Az egyik egy sorround áramkör a uPC 1892 vel de ahogy nézem ez nem tartalmazza a mély láda meghajtásához a kimenetet. És van egy egyszerübb A TL072 IC vel ez már 5.1 kimenetet tartalmaz, a kérdés, hogy mennyire jó. Ezeket kötném egymásba tehát hangszin és hangerő szabályzó+TL072 re épülő dekóder+Az eredeti 7 db TDA2030-asal épített végfok. Ha valakineklenne ehhez bármilyen jó tanács vagy valami korektebb kapcsolás az nagyon jó lenne. Előre is kösszi. BLacko
Én az egyszerüsége és olcsósága miatt a tl072-es verzióra szavaznék. Az lm1036-ra sokan panaszkodtak a zaja miatt, igy ezt kihagynám. Ma már szinte minden számitógépes hangkeltö szoftverében van hangszin szabályzó igy felesleges mégegy(föképp zajgyárnak).Ha nagyon szükséges azt is inkább a tl07x-es ic-kkel oldanám meg(tele van a net ilyen jellegü kapcsolásokkal).
Alapvetően egyetértek és köszönöm a szavazatot, is. Igazából nem is a hangszin szabályozás miatt aggódom, inkább a hangerő. Ha magára hagyom a gépet kis időre a winamp is lemegy az óra mellé meg bejön az energia takarékosság, sötét képernyő stb...
Ilyenkor nehézkes a hangerő levétele ha hirtelen szükséges, egyszerűbb lenne egy gombot le csavarni, vagy megnyomni egy némítás gombot, oszt kész, de jó lenne ilyen elektronikus szabályzó megoldás, hogy ne keljen sztereó poti, meg az idő múlásával azok aztmondják recsegnek, az elektronikus meg nem. Na megyek, magam is rá googlizok a témára, addigis köszönöm.
Ha a poti miatt aggódsz ott van a TDA 8199-es ic egy monó potival állithatod a két oldalt és még a némitás is megoldható. Nem utolsó sorban itthon is kapható, viszonylag olcsó. Ha bonyolultabbra is válalkozol akkor TCA9148 és TCA9159 Ez infra távirányitós(ki-be kapcs,hangerő és némitás)
Üdv,
Köszönöm szépen a segítséget. Sajnos a TCA két IC-jéhez nem találtam semmit ha tudsz adatlapot vagy kapcsolást azt még szívesen venném. Köszönettel BLacko
Nos egy kicsit máshol jártam agyilag...Nem tca hanem TC, és nem is 9159 hanem 9153...a többi stimmel.
|
Bejelentkezés
Hirdetés |










