Fórum témák
» Több friss téma |
El tudom képzelni, hogy egy kutya közönséges csőkondenzátor, ami kapacitív ellenállásával korlátozza az áramot. Azért kell antiparalel LED, mert záróirányú terhelés esetén szinte a teljes fázisfeszültség az átmeneten esne, így az átütne.
A két led egyúttal a vastag mérőcsúcs polaritását is jelzi és már 4-5 volton is!
DC-n nem korlátozna semmit, ez a mérő DC-n is 4.5V-tól 380V-ig használható, ezt mondta sunside.
Egy jobb képel nem tudsz szolgáni? Alig látható szegény....
Szerintem a kondenzátort kilőhetjük, mivel egyenáramot is tud jelezni.
Én is arra gondolok, de van olyan PTC ami ilyen széles tartományban (4.5-380) hibátlanul bírja?
Sziasztok!
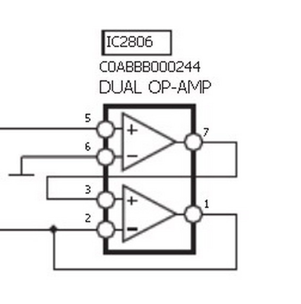
A segítségetekre lenne szükségem. Van egy Dual Op-Amp, aminek az adatlapja kellene, de valahogy nem akar ez összejönni nekem. Ennyit tudok róla: C0ABBB000244. Köszönöm
Ha csak a bekötése kell akkor itt van. Többet nem lesz egyszerű megtudni
A bekötéssel nincs gond, pont olyan infókra lenne szükségem amiket nem találtam meg, pl: +- max fesz, ilyesmi.
Azért köszönöm a képet! Most okosasbbnak kell lennünk a guglinál A hozzászólás módosítva: Okt 5, 2015
Cserélni akarod a hibás IC-t a Pana..-ban vagy egész más célra akarod használni?
Felhasználáni szeretném az ic-t, alulátresztő szűrőhöz kéne. "Szeretek" meglévő alkatrészekből dolgozni...
A lábkiosztás megvan, használd úgy mint bármelyik műv erősítőt, igen valószínű, nem ezzel lesz bajod.
Úgy legyen!
Köszönöm szépen sunside, pucuka!
Üdv mindekinek! Nem tudom hogy jó topikba fordulok e a kérésemmel. De nem találok megfelelőt. Egy számomra nagyon fontos dologban kérném a segítségeteket. Szeretnék egy olyan RC ic-t amely 4 elektromos kismotort mozgat, távirányító segítségével, rádiófrekvencián. Nevezetesen kormányzás 1db, hátsó hidraulika 1db, és összkerékhajtás 2db kismotor. A kormányzás és a hidraulika végállásos legyen, a hajtásért felelős pedig a távirányítón potméterrel szabályozható fordulatú. Honnan tudnám ezt beszerezni, vagy ki tudná elkészíteni. Előre is köszönöm a gyors választ.
Rendelsz egy ilyet : Bővebben: Link A távirányító pult adott, kiszereled a repülőből a vevőt és a szervókat, vagy nagyobb szervókkal kötöd össze a vezérlőt. Ennél olcsóbbat, egyszerűbbet nem tudok...
Értem! Szóval ettől olcsóbb nincs. Én két NYÁK ra gondoltam volna, mert távirányítóm van. Kormányzásra és hajtásra van motorom és NYÁK om is csak még két motor kellene és szabályozható fordulattal. Ilyen NYÁK ot honnan tudnék venni vagy milyen lenne a megfelelő erre a célra ebayen? Köszönöm a gyors választ pont!
Szia, A 2 nyákkal még nem is lenne probléma, de hogyan fejted vissza a kódot, amit a távirányító kiküld???? Megvan hozzá a forráskódod?
Idézet: „A varisztor ellenállása egy bizonyos feszültségig állandó, e felett hirtelen csökkenni kezd” Ezek alapján nem hinném, hogy tökéletes megoldás lenne.
Igen, most nézem hogy tényleg fordítva működik mint itt szükséges lenne. PTC a legvalószínűbb, csak nem tudom hogy míg nem éri el a hőmérséklete a kellő értéket, addig hogy viselik el a túláramot a ledek.
Ez vagy valami nagyon gyors PTC vagy valami más.
![]() A lényeg az lenne, hogy hol lehetne venni ilyet és főleg hogyan kérjem?
igazából nincs kódom. Egy távirányítós autóból szedtem a 2 nyákot és a két motort. De nem lehet kapni valahol két nyákot ami 4 motort vezérel ami változtatható fordulatú (potméterrel az irányítóról), kóddal együtt, kompletten? Úgy hogy ne vegyek még egy rc-t.
Nem tudsz nyákot csak így venni. Azt gonolod, olyan, mint a lego, de egy poti állását átküldeni egy motorokkal zavart helyre, valós időben, nagy hatótávval, elemes üzemmel, hát... Nem kis meló!
Szia,
Én így csinálnám: vennék egy 4 csatornás RC adót, hozzá való vevővel. Azonkívül kell egy szervó a kormányzáshoz és 2 (vagy 3) db kétirányú motorvezérlő (ESC). Ha még nincs semmid hozzá, akkor nem olcsó mulatság... viszont korrekt megoldás.
Gondold el, a multifuse (öngyógyuló bizti) is igen gyorsan növeli az ellenállását.
Amúgy én felvenném az alkatrész karakterisztikáját, az érdekes lehet.
Szia!
Nézd meg ennek a becsatolt PTC-nek a karakterisztikáját. Ez a LOMEX-ben kapható kb. 200 Ft-ért.
Azok füstjellel..... A különböző színű ledek nyitófeszültsége más, és más, az áram a konstans, általában 20mA, /ennél a fajtánál, de az adatlapja mondja meg pontosan/.
A hozzászólás módosítva: Okt 9, 2015
|
Bejelentkezés
Hirdetés |








