Fórum témák
» Több friss téma |
A Lehmannhoz, vagyis általánosan a legtöbb füleserősítőhöz. Talán silent dead man a neve ennek a tápnak.
A szűrés egy dolog, az oké. De ekkora pufferek PA erősítőkben vannak, de mondom hülye vagyok hozzá. Csak feltűnt, hogy a diybe az a módi hogy annyi puffer kondi amennyi a dobozba befér. Egy gyári PA erősízőbe 2x300wra meg 2x10000 oszt csókolom. Nekem fura.
Ha megnézed a komolyabb gyári fejhallgató erősítők belsőjét, abban is fellelhetők a nagy kondik. Egy komoly gyári erősítőben szintén sok sok kondi van. Az én duál monóm is 2x2db 22 000µF-os kondenzátort kapott a 400W-os 4db szekunder tekercselt tekert toroid mellé, 2x25A-es diódahidat, úgy hogy 2x90W 8ohm, és 2x135W 4ohm, de nem is fogy el belőle a szufla és 0-24 bírja ha kell, mert a hűtése is ezen elvek mentén készült.
Mert a gyári PA erősítőt el kell tudni adni. Lényeges a nyereség...
Amúgy pedig nem minden a mennyiség. Nekem is volt a 2*60W/8ohm végfokomban 176000µF puffer, de ettől nem szólt jobban.
Ez egy olyan dolog, hogy mindenkinek megvan a maga elképzelése. Nincs értelme egymást győzködni dolgokról. Ha olvastad visszább, találhatsz indokot a nagyobb kapacitás előnyeire. De akit a hangzásrészletek nem igazán érdekelnek, az mért költene rá többet... No meg egy nagyobb puffer azért szerencsésebb több darabból, mert gyorsabban tölt, és gyorsabban adja le a kapacitását. Hogy az meg mire jó? Hát akinek erre nincs rendszere, "füle", felvétele, annak semmire.
Ez a pufferes kérdés nem inkább arra irányult, hogy a 78xx sorozat tolerál-e ekkora méretű puffert a kimenetén?
Ha a szokásaimat veszem alapul, nem használok stabokat az építéseimben, kivétel az EWAmp-ME tl431-e. A biztiket csak primér oldalra teszek az említett okok miatt.
Esetleg bekapcsoláskor rövid időre aktiválja a rövidzárvédelmet. Ha már feltöltődött, utána nem gond.
Ennek azért nekifuthatnál még egyszer:
Idézet: „No meg egy nagyobb puffer azért szerencsésebb több darabból, mert gyorsabban tölt” Aztán pedig ennek: (Annyit segítünk, hogy az "és" és az "a" helyes a mondatrészben). Idézet: „és gyorsabban adja le a kapacitását”
Nem tolerálja. Egyébként, valamelyik topikban, ha jól emlékszem Pucuka kifejtette, hogy miért elég oda csupán 100 nF.
Miért ne tolerálná?
...Aztán megnéztem miről van szó... : ) 2 mF azért tényleg sokkk. 100 µF-od még szokás használni. A hozzászólás módosítva: Dec 1, 2023
Azért ez a megoldás sem az igazi. Nézd az eredeti rajzot. A bemeneten van egy erősítő, ami az egész elrendezés kimenetéről van visszacsatolva. Ennek van egy adott mértékű torzítása, amit a második erősítő megkap a bemenetén, a kimenetére meg még hozzáteszi a saját torzítását is. Ez azt jelenti, hogy a kimenetre kétféle torzítással terhelt jel kerül. Szóval, ez nem nagy probléma, de létezik.
Ha kiiktatjuk az első erősítő kimeneti 51 ohmját, akkor egy sima erősítőt kapunk és feleannyi lesz a torzítása mint az eredetinek és feleannyi áramot is fog tudni. Cserébe sokkal gerjedékenyebb lesz, ezért került be a kimenetre az LR kör. Persze, biztos lehet máshogy is kompenzálni, így 5 nF kapacitív terhelést is elbír, nagyjából semmilyen jellemző nem változik. Viszont, azt meg lehet tenni, hogy marad az első és második erősítő és a másodikkal tulajdonképpen párhuzamosan kötünk egy harmadikat, így az alacsonyabb torzítás megmarad, de kétszer akkora árammal terhelhető a kimenet. Valójában csináltunk így egy nagyobb áramú erősítőt, szóval semmi különös. A TL071 egyébként nem túl jó erre a helyre, 20kHz-en a THD 0,00047% ( ami azért nem rossz... ), jobb erősítőkkel Pl: OP37 ez 0,00005% körüli, 6V-os kimeneti jelnél, 300 ohmra. Esetleg jó lehet még a TL074, az kisebb THD-t produkál, mint a 071 (?). KD mester szerint a Thomson TL074-nek van a legszebb hangja, hát ez szubjektív. Persze, a füles impedanciájához kell méretezni a maximális kimeneti feszültséget- ettől függ a tápfeszültség, meg a kimeneti áramot, ettől meg a második erősítőnek a darabszáma. És célszerű megnézni, hogy vajon mekkora az opampok disszipációja... A fenti értékek csak szimulátorban mért értékek. Lehet, hogy nem tükrözik a valóságot, de iránymutatónak nagyon jó. Ha már a szubjektivitásról esik szó, akkor olvastam a Purify és valami komolyabb A/B osztályú végfok hangzásbeli megítéléséről. Azt írták, hogy a PWM-ben kevesebb volt a mélyhang, a teória az volt hozzá, hogy egy PWM erősítőnek kisebb a belső ellenállása ( magasabb a damping faktor ) , ezért az jobban megfogja a hangszórókat a mély hangoknál. Ha ez igaz, akkor meg lehet növelni egy erősítő belső ellenállását, vagyis lecsökkenteni a Df-t, legalábbis ki lehet próbálni ezt az elméletet.
A feszültségstabilizátor felfogható egy visszacsatolt erősítőnek és mint ilyennek van fázismenete. Ha a fázistolás meghaladja a 180°-ot kíméletlenül gerjed. A stabilizátor kimenetére kötött kapacitás elősegíti ezt az állapotot.
Szerintem, a 100nF akkor elég, ha az ic sima, egyenáramot kell, hogy szolgáltasson. Arra kell, hogy az ic ne gerjedjen. Ha a felvett áram időszakosan nagyobb, mit az ic áramkorlátja, akkor kell több kondi a kimenetre. Meg, hogy még kevesebbet hullámozzon a feszültség, mint ami az ic-ből egyébként kijönne.
Egy példa: Van a fiókunkban egy 100A-es BJT és meg akarjuk állapítani, hogy mennyi a töltéstárolási ideje kikapcsolás után. Ha van egy 15 V/1 A-es tápunk, akkor a kimenetre kötünk annyi kondit, hogy ne nagyon csökkenjen le a feszültsége 100A terhelésre. Ezt úgy lehet megcsinálni, hogy a tranyót csak nagyon keskeny impulzusokkal vezéreljük, tehát, az átlag felvett áram férjen bele az ic áramába. Aztán a szkóppal máris lehet nézegetni mindenféle paramétert. Tárolási idő, áramerősítési tényező, statikus szaturációs feszültség, dinamikus szaturációs feszültség, meg egyebek. Ilyenkor a tranyó célszerú terhelése egy néhány menetes fojtó, így az áram fűrész alakú lesz. Idézet: „Azt írták, hogy a PWM-ben kevesebb volt a mélyhang, a teória az volt hozzá, hogy egy PWM erősítőnek kisebb a belső ellenállása ( magasabb a damping faktor ) , ezért az jobban megfogja a hangszórókat a mély hangoknál.” Erről megint hosszas vitát lehetne nyitni. Ugyan mitől lenne nagyobb DF-a a PWM-nek? A szubjektíven kevesebb mélyhang mindig a rossz tranziens átvitel következménye. A PWM-nek sokkal kisebb a sávszélessége és "kevesebb darabból rakja össze" a magas hangokat, mint az analóg, mert hát az analóg az analóg módon. Akár nulla, vagy negatív is lehet egy analóg végfok kimeneti impedanciája a hangfrekvenciás sávban. Megmagyarázzák, hogy ami rossz, az miért jó. A hozzászólás módosítva: Dec 1, 2023
Lehetséges, bár én egyáltalán nem a saját véleményemet írtam le, azt sem írtam, hogy ez jó, vagy rossz, azt írtam, hogy ki lehet próbálni.
Vitatkozni, meg pláne nem szeretnék, veled biztosan nem, hiszen én " nem értek az erősítőkhöz ".
Ez megint nagyon bonyolult. Kapcsolása is válogatja. A stabilizátor kimeneti impedanciájától, jelemelkedési sebességétől, meg Isten tudja mitől függ még, hogy begerjed-e nagyobb kapacitív terhelés hatására, vagy sem. A 78xx-ek kimenetét gyakran simítják 1-200 µF-os szűrőkondikkal. A diszkrét staboknál kapcsolása válogatja, hogy mit lép az ilyen utólagos szűrésre.
Láttam, hogy nem a saját véleményed írtad le és nem téged kritizáltalak, hanem azt, aki ezt így leírta.
November 3-óta sok minden történt. Egy közös volt bennük, hogy kitartást igényeltek az aprólagos dolgok.
Zárás előtt Zárás előtt még egyszer át gondoltam a dolgot, hogy elfelejthessem az elkészülte után. Igaz, még a DAC fokozatát majd jövő év elején átépítem szintén a paneltől elhatárolódás elve szerint, de ezt, és a dobozkészítést leszámítva zárnám az EVAmp-ME módosítását. Na persze mindenféle dolog cirkált a fejemben, hogyan lehetne még jobbá tenni, ezzel üldözve mentoromat… A végén, amire rábólintott, és nekem is megnyugvást jelentett, maradt a zárlat elleni védelem. Ugyan járt az EVAmp-ME-n millkós füles, de az emberben ott motoszkál, hogyha valami csoda folytán kerülne egy felsőkategóriás füles (1M ±200E), amit éjjel-nappal gyötörnék, és egy alkalmi rövidzár kerülne a hallgatócsatlakozó tájára, majd a fülesre, ami ebből következik... Szóval jobb a biztonság, azaz a kimeneten mondjuk egy 22 ohmos ellenállás fixen a Canamphoz hasonlóan. Így az EVAmp kapcsolása, annak is a vége, terveim szerint elcanamposodik. Azaz kicsit átalakul a visszacsatolás is ezáltal. Módosítanom kell a visszacsatoló kondi paneljeit is az új értékek szerint mivel 22µF helyett 10µF az új visszacsatoló kondi értéke. A hozzászólás módosítva: Dec 7, 2023
És ez, hogy tetszik? Gondolatébresztőnek. Nem biztos, hogy jó, de érdekes. Most találtam.
Köszönöm nézem. Átrajzoltam egytáposra, én egytápos vagyok. Valószínű, hogy meg is építem majd, mert ez a mostani, Texas Instruments félének nem tetszik a hangja. Még hallgatom, hétfőn jönnek műveleti erősítők, meghallgatom azokkal is, beszámolok róla, hogy mi a bajom vele.
Köszönöm, ütemezem.
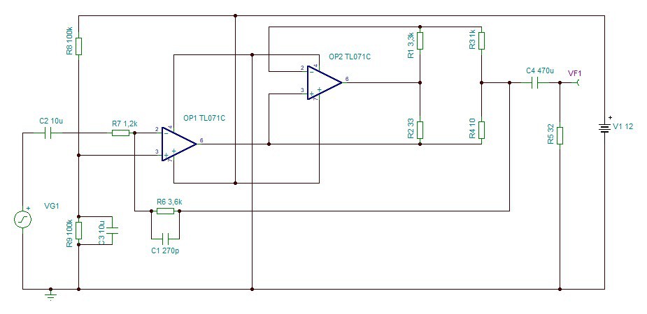
Ezt a Technics Class AA kapcsolás, a Sandman-féle híddal (ha jól tudom). A lényege, hogy az első opamp kimeneti árama a terhelő impedanciától függetlenül állandó és nagyon kicsi - ha a híd elemei jól vannak megválasztva. A "nagyon kicsi" itt azt jelenti, hogy az első opamp "A" osztályban dolgozik, néhány uA kimeneti árammal.
Persze ügyelni kell arra, hogy csak a második opamp dolgozik rá a terhelésre (plusz a visszacsatolókör ellenállásaira), tehát nem fogyhat el az árama teljes kivezérlésnél sem. Mivel invertáló a kapcsolás, ebben a beállításban 1.2k a bemeneti ellenállása 10uF*1.2k=13Hz (-3dB). Első opamnak olyat típust kell választani amelyik nem érzékeny a magasabb impedanciás meghajtásra, talán valami jFET bemenetűt. Amúgy is érdemes külön választani a két opampot, hogy ne legyenek közös lapkán. A kimeneti opamp ne fűtse a bemenetit. Tehát nem ártana még átgondolni ezt az egészet, de egy próbát talán így "nyersen" is megér(-demel) ez a kapcsolás. Főleg, hogy nem nekem kell foglalkozni vele : )
Befejeztem a kimenőáram duplázó, Burr-Brown OPA fejhallgató erősítő tesztelését. OPA1602-vel kezdtem, mert 5532-n kívül csak abból volt két darab itthon. Első benyomás, hogy harsány a közép tartomány teteje. Lányom végezte a bejáratást, néhány nap után szelidült, de idegesítő maradt. 5532-vel jobb lett a mélye, így nem volt annyira kiugró harsogása. Amikor EQ-val a 6kHz-et 4-5dB-el csökkentettem, megjött az a "na végre" érzés, de ezzel az erővel bármit be lehetne EQ-zni.
Itt a fórumon a hőseim mindent is megmérnek, így én is próbálok tudományos lenni Elővettem a REW-et és a program szerint (már amennyire kezelni tudom) alacsony a torzítása. A 1602 kép eredményeiből ki kell vonni a hangkártya eredményeit, amit a hangkártya ki és bemenetének összekötésével kaptam. A türelmem ott ment el, amikor megérkezett a várva várt OPA2134. Egy volt itthon. Hernan Cattaneo-val kezdtem, hogy halljam a mélyeket és rögtön zizgett valami csak baloldalon. Konstans, nem hangerő függő. Na mondom valami biztos kontakos, Végig igazgattam a csatlakozókat, levettem az erősítő tetejét, mozgattam, tapogattam, de semmi. Stabil. Akkor felcseréltem az OPA-kat jobb és baloldalon. És a hiba átment a jobb oldalra. A régebbi vásárlásból való 2134-em hibás vagy nem tudom, mert egy másik erősítőben ilyet tapasztaltam. A karaktere maradt ugyan olyan harsány. A HDtracks.com ingyenes albumján a Blues Company énekese továbbra is süketítően sustorog. Mérgemben visszatettem a régi MosFET-es A-osztályúmat és visszaállt a béke. Azóta is azt hallgatom, pedig nem a kedvencem ![]() Úgy hogy BONTÁS! A hozzászólás módosítva: Dec 15, 2023
" pedig nem a kedvencem". Megkérdezhetem, hogy mi bajod vele? Mert most éppen az utóbb átépített HC-TB-ME-t hallgatom a K701-emmel, és nem kellemetlen.
Kissé karcos a hangja, régen pont ezért szerettem a Mosfet-es erősítőket, és a szőrős mélyekért, most nem jön be. Ha az ugyan ilyen kapcsolás technikájú erősítőm, sima tranzisztorral számomra a 100%, akkor a Mosfetes a 99.
Érdekes amit írsz... Elvileg a FET-es végfokoknak lágyabb hangúnak kellene lenni. Viszont ezt nem lehet magában vizsgálni. Mindenképp rendszerben gondolkodnék. Mivel az erősítő előtt, és után is vannak meghatározó dolgok. Egy felvétel milyensége alapvető, de a hallgató lépességei, illesztettsége is meghatározó. És még kérdéses a hallgatónál a dinamikus terhelhetőség is. A bejáratottságáról nem is beszélve. Az AKG igen sértődős, ha mellőzik. Tud olyan lenni a hangja, mint egy nő bosszúálláskor. A becsatoló kondi milyensége is alapvető, meg persze ezer más dolog... Én még nem találkoztam rossz OPA 134(2134)-el. Nem egy Burson, de nálam elmegy. Persze megint említem a rendszert, illetve az adott építés milyenségét. Épp most filozofáltam kedves Mentorommal a visszacsatolás bonyodalmairól. Merthogy, ha hangerőt növel az ember, a mai felvételek esetében könnyen túllövődik a cucc. Vagyis a kisebb hangerő nagyobb jó minőségű dinamikát tesz lehetővé a visszacsatolás adott szabályzásával. És persze itt megint kérdéses a hallgató viselkedése nagyobb dinamika esetén. És persze a dinamikához kell a megfelelő táp is.
Most már mással is kell foglalkoznom, de tartok, ahol tartok az EVAmp-TB-ME átépítésével.
Mint írtam a vége biztonsági okokból a Canamp-é. Az érthetőség okán, a 7002-es duálfet tokozása miatt alkalmas 180 fokos elfordítással való használatra. Ekkor a két FET helyet cserél. Ezt alkalmaztam a baloldalon, kedvezőbbnek vélve. A VCSK panel alkatrészbeszerzési okokból ideiglenes kivitelezéssel készül majd, és sikerült Fairchild 9610-hez jutnom. Kíváncsi vagyok, hogy jelent-e hangzásbeli különbséget a Kínaihoz képest.
Rajzhiba a potméternél javítva.
Ellentmondást látok az IC foglalat, és az egyébként példa nélküli építési koncepciód között.
Kerülöd a panelen történő rézfólia vonalvezetéseket, sőt még forr-szemek helyett is speciális átvezetőket használsz, de nem riadsz meg a foglalat alkalmazásától. (Megjegyzem professzionális eszközökben a nyomtatott áramköri paneleket előszeretettel használják, de foglalatokat nem látni bennük.) Egy foglalat, legyen az akár a képeid szerinti "precíziós típus", biztosan jelent minden egyes lábnál egy valamekkora átmeneti ellenállást. Azt nem tudom ennek vannak-e kedvezőtlen hatásai, de több kockázatot látok benne mint az általad következetesen elkerült műszaki részletekben.
Szerintem "normális" ember nem tesz végleges áramkörbe sem integrált áramkört foglalatba, sem trimmer ellenállást.
Kedves dolog az aggódásod! Ehhez két dolgot említenék. Ez a harmadik a sorban, azaz a HC-TB-ME, és az átépített RIAA korrektorom utáni, amik pozitív hozadékot mutattak. Mondhatnám e építési módszernek van tapasztalati háttere. A másik képekkel illusztrálva, ha nekik jó, talán nekem is...
|
Bejelentkezés
Hirdetés |
























