Fórum témák
» Több friss téma |
Hali!
Kaptam nemrégiben egy Fisher CA-40 tipusszámú erősítőt, de fogalmam sincs róla, hogy mit tud! Nem vok elektronikai szaki, nagyon nem kell elmélyedni a dologban. Csak annyit szeretnék tudni, hogy: Hány wattot produkál és hogy mekkora legyen a rákötött hangfal ellenállása? Esetleg még azt, hogy: Normális az, hogy a hangerőpoti nincs a negyedéig sem feltekerve, de 5 perc után tűzforró a cucc teteje? Előre is köszi!
Lehet, hogy:
-Túl kicsi a rákötött hangfal impedanciája -Túl nagy a bemenő jel
ehh... ne röhögj ki kérlek...
impedancia az az ellenállása (vagyis hogy hány ohmos)? a bemenőjel sztem nem nagy mert egy sony cd-deck-vel van összehozva amin nincs hangerő szabályzás, csak egy kimenő jelem azt annyi.
hangszóró impedanciája=hangszóró ellenállása
aha, akkor a bemenőjel az ok.
Kép: Hivatkozás
Ha tudsz angolul, akkor itt választ kapsz pár kérdésedre. Annyit tudok, hogy csöves erősítő, és 25W/csatorna. Katt a képre!
Azt nézd meg, hogy hol tűzforró... mert a 4 db EL84 fűt ám rendesen... cirka 20 watt a fűtés, + az anóddisszipáció....ha A osztályban mennek, akkor mégegyszer annyi, ha nem , akkor kevesebb.
Egyébként valaki már keresett rajzot ehhez, kérdezd meg tőle, talán tudja az adatokat. A neten van ilyen típusszámú, de más kivitelben. Arra 160 watt van írva, de kicsit sokallanám ennél......
mivel csöves, és a csöveket fűteni szokták, szerintem normális hogy ennyire melegszik! :yes:
De a helytelen hangszóróimpedancia lehetősége még mindig fenn áll!
ehh... az enyém valamivel újabbnak tűnik mint ami a képen van
azt tudom hogy a 100W os láda kevés volt neki, azt majdhogynem meg is ette... Nem is gondoltam volna hogy ilyen gyorsan ennyien próbálnak majd segíteni, köszi mindenkinek!
Ez jó a típus 160, a cimkéjén meg 150 watt van hátul, az meg a felvett teljesitmény... akkor kb. 40 wattra saccolom a kimenőt. Az bőven jó a 100 wattos ládának...
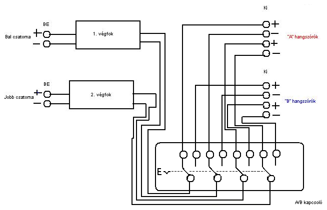
Esetleg még ha azt megtudná vki mondani hogy mire jó az az A/B kapcsoló? Két sor kimenő jelem van, egy A és egy B mindkettőböl bal és jobb, de nem igazán értem hogy ez mire jó. Egyidőben nem szól, vagy az A vagy a B működik. Ez mi és mire jó?
Azt már neked kell kitökölni, attól tartok... vagy az említett tulajdonost megkérdezed.
De... a hátulján látom, hogy "GND 4 8 16 " csavarok vannak - ezek az impedanciák.......
Lehet, hogy csak kényelmi szempont... mehet rá két rendszer fizikailag, de csak egy kap jelet és nem kell átdugdosni váltáskor.
Nem ... lejjebb itt a kép is a #88963-ban, erről beszéltek... de ha megvan ugyanaz a kapcsoló, stb., ideírhatod, miért van.
Egyetértek ,szerintem is az A/B kapcsolóval lehet állítani a kimenő jelet.Kép: Hivatkozás
Igen jól látod, erről van szó amiről te tettél be képet!
Viszont azt még mindig nem értem, hogy mi értelme van az A/B kapcsolónak! Mindegy
Szia. Az, hogy csak két végfok van de négy hangszórót tehetsz rá, de ezek egyszerre nem szólhatnak csak az "A" pár vagy a "B" pár tehát egyszerre csak kettő. Mondjuk két dobozt beteszel a nappaliba kettőt a hálóba és tudod váltani, hogy hol szóljon.
|
Bejelentkezés
Hirdetés |





