Fórum témák
» Több friss téma |
Nemrég a neten ráakadtam egy olyan kapcsolásra (fényképekkel), amelyben egy ISA I/O kártyát használtak fel floppy vezérlésre.
Azt szeretném megkérdezni, hogy valaki nem-e találkozott ezzel a kapcsolással (linkkel), mert már 2 napja keresem, de nem sikerűl újra megtalálni. Arra már nem emlékszem, hogy PIC vagy AVR volt használva. Előre is köszi a segítséget.
Ha tényleg nem rég volt "az a nemrég", és be van kapcsolva az IE-ben az Előzmények megtartása opció, akár még ott is lehet az Előzmények mappában a cím, amit találtál
Én sikeresen szoktam ezt a dolgot alkalmazni...
...hát sajnos azt már kiürítettem
(már mindent végigpróbáltam, temp...)
Esetleg emlékszel főcímekre, szövegrészletekre, kulcsszavakra?
Google-el nagyobb eséllyel tudsz keresni több keresőszóval...
Hát én is körbe néztem a googlival de nem találtam ilyesmit.... Szerintem mondjuk eléggé felesleges egy bonyolult ISA kártyán keresztül vezéreni.... Nagy valószínűséggel közvetlenül sokkak könnyeb lenne. Csak utána kellene nézni, hogy hogyan is működik a floppy meghajtó... Onnan már el lehetne indulni...
Itt egy kis segítség! az FDD csati lábkiosztása....
http://pinouts.ru/Storage/InternalDisk_pinout.shtml
Hmmm!
Ebben a cikkben 2 db lábkiosztás található. Melyik lehet most a használatosabb?
Egy kábelnek két vége van....
A felső csatlakozó a PC alaplap csatlakozója, az alsó pedig a meghajtóé. Biztos emlékszel még arra a három csatlakozós PC -be való kábelre, amiben az egyik végén a két csatlakozó között meg volt "csavarva" néhány ere.... Az vot a floppy meghajtók és az alaplap közötti kábel. A legvégére csatlakozotatott meghajtót kezelte a PC A meghajtóbak, a közelebbit pedig a B -nek. Nem is volt olyan régen az a floppy -s korszak... További olvasnivaló: UGD-0489 A léptető motor vezérlője inkább a multi I/O kártyán volt, mint magáben a meghajtóban. Az időzítéseket és a vezérlést nem a "párhuzamos port" végezte, hanem egy floppy illesztő chip (beépíytve egy nagyobb IC -be). A hozzászólás módosítva: Okt 23, 2016
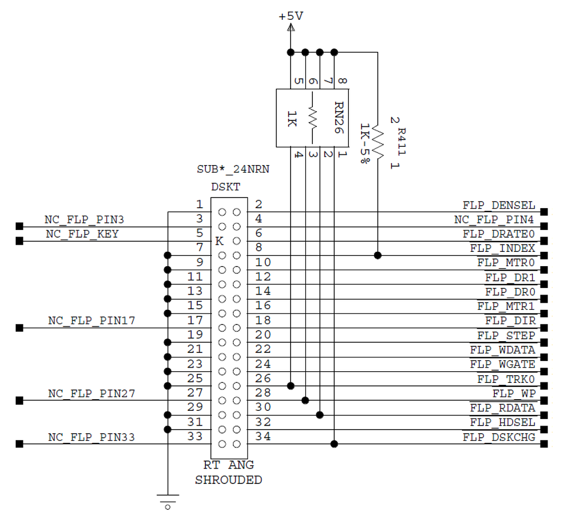
Egy Dell Optiplex GX240 alaplapjának (Meteor - SDR) kapcsolási rajz részlete:
(Azt azért megjegyzem hogy nem mindegy hogy milyen hajlékony-lemez meghajtót használsz, mivel pl. az Amiga meghajtóknak kicsit más a vezérlése mint a PC-kben használt meghajtóké.) |
Bejelentkezés
Hirdetés |




Én sikeresen szoktam ezt a dolgot alkalmazni...

