Fórum témák
» Több friss téma |
Fórum » Frekvencia duplázás
Témaindító: Zolinterfan, idő: Aug 2, 2006
Témakörök:
Hali.
szeretnék csinálni egy frekvencia duplázót, mert jol jönne nekem itthon, de egyszerüen eddig senki sem tudott tippet adni hogyan lehetne. és én sem látok megoldást .Lécci valaki segitsen!!!
csá
még azt elárulhatnád hogy milyen jelet (ttl...) és mekora frekit kell megkétszerezni?? jah és mihez / mire kell.. hátha van más mo. is
hali
300-2500 Hz ig kéne kb.. a jel pedig egy baromira összetett jel, ez is bonyolitja a dolgot... konkrétan egy gitárnak a jeléről van szó. fontos a pontosság.
huhhh lol
ez gyakorlatilag lehetetlen a gitárnak szabálytalan jele van nem ???? nincsenek benne periódusok....max szoftveresen felveszed aztán összetolod felére az időt...
www.generalguitargadgets.com
azon belül konkrétan itt vannak oktáv pedál rajozok ui: ez is jó oldal itt állati sok kapcsolás van
Nem egészen. Először is AD átalakítóval digitalizálni kell. Majd kell egy jó erős processzor ami valósidőben elvégzi a konverziót.
Zolinterfan ! Szerintem vegyél gyárit.
Hali!
Erről mi a véleményetek? Lehet hogy fura hangja lesz tőle kicsit, de akkor is dupláz
Kipróbáltad már? Szerintem ez csak RF tartományba müködik egy fix frekvencián. Hát meg el is torzítja a jelet.
Nem próbáltam ki, csak egy ötlet. Illetve ennyit találtam. Lehet hogy tényleg egyszerűbb venni egy gyárit
6 évvel ezelőtt még gitároztam, akkor jobban benne voltam a témában. Azthiszem gitárszintetizátornak hívják amit ő keres. Saját pickup-je van amit a gitártestre kell felerősíteni és bármilyen hangmintával meg lehet szólaltatni a gitárt akár még orgonaként is. Egy plusz szolgáltatása a frekvencia eltolás. Talán hasonlót a húzósabb árú multieffektekbe is beépítenek.
Ahogy elnézem ez az alapjelhez más frekvenciájú négyszögjelet kever, feldúsítja a hangzást. Nem frekvenciát kétszerez. A kimeneten torzított jel jelenik meg.
hali, kösz a sok választ.
én egy pedálban akartam meg oldani a dolgot. hogy kényelmesen, bármikor hozzáférhető legyen. pénz hiján nem ngyon fogok pedálokat vásárolgatni, mert annyira azért nem kell. de néztem a rajzaikat, és eccerüen nem értem hogyan csinálja a duplázást... valaki elmesélné?! pl a Stefan által belinkelt akármeik oldal, akármeik Octave pedálját... vagy ezt a BOSS-t, ha már épp kéznél van... bbatka, nem a gitárszintetizátorra gondoltam
Talán a flip-flop-ok komparátorként müködnek. Egy biztos a freki duplázott jel négyszögjel.
Hali!
Nekem az iskolában így tanították: veszünk egy VCO-t (feszültséggel vezérelt oszcillátort), és annak a kimeneti jelét egy frekvenciaosztón kereszül negatív visszacsatolással egy különbségképzőre vezetjük, amely képzi a bemeneti jel és a visszacsatolt jel különbségét, majd ezt a jelet vezetjük a VCO bemenetére. A negatív visszacsatolás miatt a VCO kimeneti frekije = bemeneti freki * 1/frekvenciaosztás. Remélem, hogy hasznos lesz valakinek.
Nem a teljesen ide tartozik, de nem akartam új topicot nyitni. Nekem olyan freki többszörözó kellene ami pl a hálózati frekvenciát többszörözi.. Létezik vmilyen megoldás erre? Előre is köszi!
Sziasztok! nekem eggy olyan frekiduplázora lenne szükségem ami kb100-150hz ig tud duplázni eggy négyszögjelet 2ütemü mocira szeretnék eggy 4 ütemü fordulatszámmérőt rákötni ahoz kellene! lehetőleg minnél egyszerübben! Előre is köszi az ötleteket, segítséget!
Szia! Ezzel jutottál valamire, mert nekem is szükságem volna ilyenre.
Ha netán kéthengereshez kell, arra van ötletem.
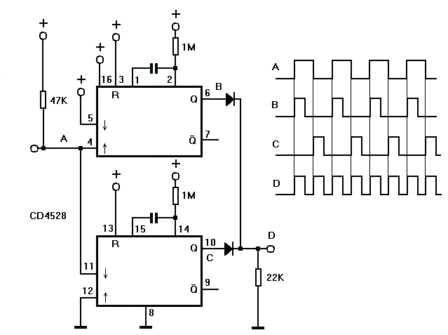
Kettős monostabillal megoldható. A kondik értékével - egy adott frekin - megoldható az 1:1 kitöltési tényező is. Ha számlálni kell, akkor ez nem követelmény.
Esetleg milyen fordulatszám mérőhöz?Lehet egyszerűbb azt átalakítani.
A két kondi csak a kitöltési tényezőbe szól bele?
Mert akkor ez sirály, hétvégén össze is rakok egy próbát, hadd örüljön a Twingos barátom. ![]() Köszönöm a segítséget.
Odarajzoltam a jelalakokat, azokból is látható a dolog. Az egyik monostab a bejövő jel felfutó élére indít (egy a kondi által beállítható szélességű) impulzust, a másik a lefutó élre teszi ugyanezt. A két kimenet a diódákkal VAGY kapcsolatban van, tehát mindkét impulzus hasznosítható. 1:1 kitöltés a kimeneten csak egy (bejövő) frekvencián lehetséges.
A legkisebb szükséges impulzusszélesség a meghajtani kívánt áramkörtől függ (általában nem kényes paraméter), a legnagyobb imp.szélességnek a max. bejövő freki szab határt ("összeér" a két impulzus a kimeneten) |
Bejelentkezés
Hirdetés |




.
a gitárnak szabálytalan jele van nem ???? nincsenek benne periódusok....


