Fórum témák
» Több friss téma |
Fórum » Hegesztőtrafó egyenirányítása
És akkor mi van ha csak kondit teszek rá?
Ha jók az idegeid, és van némi gyakorlatod a co-s hegesztésben semmi nem történik.
Ha a düzni új és a pisztoly kap rendesen szilikon spray-t akkor lehet vele hegeszteni. A negatív hatása az, hogy könnyen beég a düzni, mert a kondiban tárolt töltés impulzusszerűen lép fel. Próbára és amatőr dolgokra jó. De ha egyszerűen akarsz csinálni eggyet akkor fogj egy pár száz wattos trafót és szetszedés nélkül vágd le róla a huzalt (pl fűrész) és füzd be azt a 30 menetet és próba (aztána menetszám változtatással elérhető a kívánt eredmény) Nem kell nagy dolgokra gondolni, látnál a mezei gyári gépeket meg lennél lepödve. Nekem van ilyen Co gépem ami mindennek ellent mond, 3 fázisú egyutas egyenirányítás és fojtó nélkül és mindent meg lehet vele csinálni. Ja mellékesen 200A-rt tud így jó 10-12mm lemezekhez amivel én szeretek dolgozni, de szétrohadt kipufogót is hegesztettem vele. (megjegyzem 25 éve csináltam, akkor meg sokan azt se tudták mi az a co, pálcával taknyoltak, és amikor én meghevteltem valamit volt is csodálkozás, hogy nem lehetne letörni) Legyen kész a gép és ha már kipróbáltad, csináld meg a fojtót és majd látod a különbséget! Ne ez akadályozzon az elkészítésben!
Csatlakozom,kell az a fojtó,mert nagyon jótékony hatása van a "dűznire",nameg a varratra is. Heteken át kellett acéltartókat összeállitani,hegeszteni,és nagyon nem volt mindegy még az sem,hogy melyik leágazására kötöttél a fojtónak.
Az amtőr célú felhasználás nem azonos az iparival, én több maszek gyártmányú Co-t javítottam, amikor "elkészültem" pl. motorszabályzó javítás és kipróbáltam szörnyű rossznak találtam, jött a gazda és azt mondta, hogy ilyen jó még sose volt. A különböző embereknek és felhasználásra más-más az igény!
Valakiken elég 60-80A és 0,6 drót én meg erős áramú hegesztő vagyok 150A felett érzem jól magam. Az inverteres gépek között is az ilyeneket szeretem. 3,25 pálca jó nagy áram reggeltől estig, amikor ilyet javítok nagyon tetszik. Nálunk a cégnél a 180-250A volt a trendi és hozzá idomult az ember.
A co egy csodálatos dolog, mi épp a tetőt csináltuk a lányaim segítettek, a tető 80-as U gerendábol készült, és az eresz rész kb. 2m hosszú lett. Ezt kellett volva valahogy felhegeszteni, de csak a lányaim voltak, ők nem bírtak el egy 2m-és gerendát így én tartottam és a nagyobbik lányom hegesztett 5 perces betanítás után, mondjuk egy automata pajzsal, de gond nélkül megcsinálta. Ha besült a huzal, mint a profik már forgatta is a pisztolykábelt, és kentük tovább. 1 óra múlva már semmit sem kellett javítani a technikáján!
És kész lett a tető a három lányom segített akkor 10,12 és 16 éves!
van egy jó hegesztőtrafóm csak nagyon éget meg leragad a pálca. közép nullás trafó két diódával meg egy nagy kondival.most szereztem nagy ellenállást hatos átmérőjű az anyaga és kb 7cm a kűlső átmérője ez talán változtat rajta.?szerintetek jó lesz vagy nem.köszi előre is
Nem ellenállás kell, hanem fojtótekercs! Egy "légréses induktivitás". Olvass vissza!
szerk: És használd az írásjeleket!
Az jó ha csak egy 2,5x5x20-as vasmagra tekerem a huzalt? Nem tudod hogy most mennyi kilója a fazonhuzalnak?
Bocsi, hogy csak most válaszolok, probáld meg, ha nem,a huzal jó lesz a nagyobbhoz is. Csak ne lakkozd le addig, amíg nem teljesen biztos, hogy jó-e!
A huzallal kapcsolatban, elmész egy tekercselőbe és jó bármilyen hulladék, ez nem egy nagy mennyiség, én is egy kimaradt darabból csináltam az utolsót, ami olyan kemény volt, hogy ők nem akartak vele szenvedni. (biztos valami jófajta kínai huzal). Egyébbként 1500-2500Ft között lehet drótot szerezni, csak ne említsd a co fogalmat, mert erre alergiásak a tekercselősők. Ja jó használt huzal is, csak azzal több a munka, ki kell egyengetni. Mivel ez elég kis átmérő, ajánlom a gumikalapácsot, és egy plusz ember segítségét! Üdv Hanzika alias lhanzi
Hello. Már megvettem a huzalt csak az a baj hogy ha nagyobb vasmagra tekerem akkor kevesebb menetet tudok majd rá feltekerni. Nem tudom az baj ha kevesebb a menetszám?
beraktam az ellenállást nagyon jól sikerült.a 0.5 mm es lemezt is tudom hegeszteni vele szépen szabályozható az amper vele
Szia! 20-30 között szerintem jó lesz! De hát erre van a próba, ha nem ég be állandóan a düzni akkor jó lett!
A hosszú egyenes vasmag azét jó, mert egysorban elfér az adott menetszám, így jobban tud hülni! Mint már irtam ez egy gyakorlatias iparág, ki kell próbálni! Üdv Lhanzi
Helló mindenkinek.Segitség kéne ,az érdekelne hogy adott egy egyenirányitott hegesztö fojtóval,(mono fázis),akarok még beépiteni kezdetnek ugy 30.000 mic.F értékben kondenzátorokat,szükséges -e ellenálás a kondenzátorokra?? 4-db.300A.1200V-os diódával van egyenirányitva,üresjárati fesz.max 50V,Max áramnál semmi gond vele,csak kissebb feszültségnél akadékoskodik .Ha feltétlenül kell az ellenálás bele kb.mekkora értékü legyen? válaszokat előre is köszönöm
Szia!
A kondenzátoros simítás nem javasolt, ugyanis ha ívet fog, akkor akkorát durran, hogy biztos hogy odaragad az elektróda. Inkább induktivitásos fojtót használj. Egy próbált biztosan megér, de ellenállás nem szükségetletik, esetleg egy kisütő, hogy kikapcsolás után ne legyen rajta feszültség. Hogy mennyi idő alatt süti ki 95%-osan, azt ki tudod számolni a 3 * R * C képlet alapján. Amit figyelembe kell venni, hogy az ellenállás el tudja disszipálni a hőt a maximális feszültséget (üresjárat) figyelembe véve.
hello! Összeraktam a gépet teljesen már ki is próbáltam csak az a baj hogy nagyon fröcsög amikor hegesztek vele. Nem tudod hogy mi lehet a baj?
Jó lenne egy két kép a gépről, mennyi a feszültség. Egyébbként a fojtó is okozhatja a fröcskölést! Milyen áramnál csinálja és hasonlók, a fojtót pl. egy bizonyos áramtartományra lehet méretezni, a nagyobb gépken több kivezetéses a fojtó, így hidalják át a problémát!
Az előtolás stabil, van-e kondi, stb,stb
Ja, még azt kellene tisztázni, hogy mit nevezel fröcskölésnek, mert az azt jelenti, hogy egy közel elfogatható varatot csinál, csak a környéken minden tele lesz apró fém pöttyökkel (cunder). A fröcskölő géppel lehet hegeszteni, csak sokat kell utána takarítani. A polarítás renben van (pozitív a drót) a gáz és sorolhatnám. Egy videót tehetnél fel a youtubra mikor hegeszt, a hangját se lenne rossz hallani!
Üdv.problémám a következő,kisütő ellenállásal van egy kis gondom,amit a kondenzátorok után tettem,hogy kikapcsoláskor a diodákat nehogy tönkretegye,egy co2 gépről van szó,amire tettem kivezetést MMA-ra is,na már most mikor a co2-őt használom semmi gond,minimális az ellenálások hő értéke,de ha átkapcsolva pálcásra (trafó állandó müködése mellet) az ellenálások tűz forrók,esetleg valaki találkozott e már más megoldással a kondenzátorok kisütésére? max üres fesz 50V,kondenzátorok értéke 30.000 mF,a rajtuk lévő ellenásoké pedig 47 ohm,68Watt,minden elfogadható megoldást szivesen fogadok,előre is kössz!!
Miért kell mindent egy mondatba bepréselni? Ha az írásjeleket is használnád, könnyebben megértetnénk, és hamarabb is kapnál segítséget.
A problémád nem teljesen értem. A feltöltött kondenzátor nem teszi tönkre a diódát. Azért szokták egy megfelelő ellenállással kisütni, hogy ha visszarakod a polcra a hegesztőt, és összeér az elektródafogó a testvezetékkel, akkor ne szikrázzon, tehát a kondenzátorokban tárolt energiát kisüsse belátható időn belül a lekapcsolás után. Az ellenállást úgy kell méretezni, hogy üresjáratban se süljön szét! 50V-ot feltételezve nem szabadna kisebb értékű ellenállást tenni a 10W-os szériából mint 270Ohm. Így 30mF, azaz 30000µF 25 másodperc alatt 95%-osan kisül.
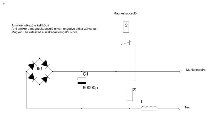
Azt hiszem, én értem. Kombi gépnek használja (Co és pálcás is), és amikor pálcázik füstöl az ellenállás. Az a gond, hogy a kisütő ellenállást a mágneskapcsoló nyitó érintkezőjén keresztűl kell bekötni, hogy csak akkor működjön, amikor nem heggesztesz. Arra való a kisütőellenállás, hogy ha nem heggesztesz, és hozzáérsz a testhez a pisztollyal ne szikrázzon. Magyarul a hegesztés után a kondiban maradt töltést vezeti el.
Üdv.Elnézést a helyesirási hibákért,
,és kössz a segitséget.Valami hasonló megoldásra már én is gondoltam,csak nem tudom ez pálcás hegesztés esetén hogy kivitelezhető?Mert co2-nél még igen ,beiktatom a mágneskapcsolót,és minden ok,de pálcánál mikor a trafó állandóan megy akkor teljesen kisütő ellenálás nélkül maradnának a kondik?
De ha az ellenálások, csak a gép kikapcsolása után kellenek ,akkor minden világos.Sajnos,olyan rajzot találtam, amin nincs beiktatva mágneskapcsoló(az ellenállások direktbe vannak kötve ,a kondival, müködés közben is).Én ezt úgy értelmeztem, hogy a hegesztés leálltával (bekapcsolt trafónál)rajtuk keresztül sülnek ki a kondenzátorok, megkimélve evvel a diódákat.De ha ,a feltöltött kondenzátorok, nem tehetnek kárt az egyenirányitóban(ez biztos??,elég drágák voltak a diódák), akkor tényleg felesleg,hogy müködés közben is bekapcsolva legyenek.Még egyszer köszönöm a segitséget!!
Hello nyekk!
Ha az ellenállásos problémád még nyitott, akkor a következő módszer is lehet egy megoldás. Ellenállások helyett használhatsz néhány elektromos izzót. Pl. autóizzókat, ekkor nyilván sorba kell kötni őket az 50 volt miatt. Ezek állandóan a kondin lehetnek, -az a néhány száz mA a 80-100 A melett már igazán nem számít- és jelzik hogy a kondin rajta van e még a fesz. v. már kisütötték. De ha a hálózati kapcsolód olyan hogy kikapcsoláskor ad egy záró kontaktust, akor a lámpákat ez esetben kapcsold a kondira. Egy felvillanás, és jelezve van a kisülés.
A diódáknak mi baja lenne, hogy ha a kondenzátort nem sütöd ki? A legnagyobb igénybevétel (értsd áram) akkor lép fel, amikor leragad az elektróda. Én már 8 éve hegesztek, egy saját átépítésű 3~ hegesztőtrafóval, pár éve tettem szert orosz egyenirányító diódákra, és készítettem egy fojtótekercset hozzá, szépen működik. Bár szerkezeti acél, vaslemez hegesztésnél édes mindegy, hogy egyen vagy váltó...
Kösd rá direktben azt a legalább 270Ohm 10W-os ellenállást. Az izzó is egy megoldás, bár engem marhára zavarna, hogy ha villogna hegesztés közben. Bár nem is olyan rossz ötlet, figyelmeztet ha bekapcsolva van a gép. (Ha nem hallanád a búgást...)
Hello degaus!
Igazán nem akarom a javaslatomat fölöslegesen pátyolgatni, de derüljön ki ha hülyeséget javasoltam! Egyébként nem ez lenne az első eset. Szóval ha a lámpa folyamatosan a kondin van, akkor mért villogna? A kondin kb. 50 V egyenfesz van. Vagy ez ingadozik hegesztés közben, és szerinted emiatt lehet -inkább pislogás mint- villogás? Másrészt lámpának kettős szerepe van: - jelzi, hogy a kondin egyenfesz van, még akkor is, amikor a trafót kikapcsolták, - kisüti a kondit, és ezt a fényerején is lehet látni. Kétségtelen, hogy ez macerásabb módszer mint a 10 W-os ellenállás, de hát itt nem sorozatgyártásról van szó. Ilyen a "hobbi elektronika". Magunknak csináljuk.
Hi kollegák
Szerintem ez az izzós megoldás ok! De próbáld ki inkább eggy, monnyuk 100w-os 230v-os halogénnel ,szerintem. Igy talán a kondit is jobban folytod és nem fröcsköl, különben ezért nem tesznek ivheggeszőre kondit egy eggyenirányított trafóval amin jó a fojtás csodálatosan stabilizálódik az áram hisz itt ez a lényeg a fesz annyira nem mint a co-nál. De nézzétek meg a két heggeztés áram fesz karakterisztikáját! Valahol nekem is megvan a diagramm ha meglelem felteszem.
Na ,hogy tiszta legyen a fekete!
1., Egyenírányított ... kell! 2., Aluminiumhoz a polaritást meg kell fordítani! mert az oxidból kell kiszakadnia az elektronoknak! 3., használj porrátört üveged poralatti heg. szerűen nem oxál szarrá az egész. ja az oxid 3000 fokon olvad az alu meg 700 körül légy óvatos baromira fröcskölhet!
Hát hogy a fenébe a ne villogna.
Egy 50V-os üresjárati feszültséggel rendelkező transzformátor (legyen akár egyenirányított is) üresjáratban ad csak 50V-ot. Miután begyullad az ív, leesik ez akár 10V-ra is, hiszen a hegesztés majdnem rövidzárlatban történik. Ideális esetben minden feszültség az elektróda és a munkadarab között létrejövő íven esik, valójában melegszik a trafó tekercse, az elektródafogó, a kábeljai, stb.... A lényeg az, hogy bizony villog az az izzó. De próbáld ki, ahogy tanácsolták egy 230V-os 50W-os halogén, vagy amilyened van, jó lesz a célra. Használhatod megvilágításnak is, csak hegesztéskor sötétül el, bár akkor úgysem kell fény, világít az ív.
Üdv.Az izzós is egy megoldás,de engem személy szerint zavarna ,csak egy hegesztőről van szó,nem fény orgonáról.Habár már akku töltőnél én is használtam.Azt hiszem maradok a mágneskapcsolós megoldásnál.Ha addig egyéb jó ötlet nem merül fel.Azért köszönöm a segitséget!
|
Bejelentkezés
Hirdetés |






,és kössz a segitséget.Valami hasonló megoldásra már én is gondoltam,csak nem tudom ez pálcás hegesztés esetén hogy kivitelezhető?Mert co2-nél még igen ,beiktatom a mágneskapcsolót,és minden ok,de pálcánál mikor a trafó állandóan megy akkor teljesen kisütő ellenálás nélkül maradnának a kondik?
