Fórum témák
» Több friss téma |
ha csak erre vagy kíváncsi, forrassz egy ledet meg egy ellenállást a relé meghúzótekercsével párhuzamosan (valószínűleg van valami utalás a meghúzófeszültségre) bár általánosságban a kapcsolóérintkezők adják meg magukat, akkor pedig a relé cseréje a megoldás
Egy olyan elektronila kell ami ha kap egy 12v- ot akor beindít egy ledet vagy valamit. És ez addig rart amig le nem nyugtázom. Erre azért van szükség, hogy ikor nem vagyok a hütő kozelébe, akkor is biztosan tudjam, hohy beindult a vezérlés.
Én is a relére gyanakszok. Egy 5A-es relé van benne, ami vígan kéne hogy bírja. De ez az átkozott Murphi törvény keresztbetesz.
Hello! Erre a feladatra bőven megteszi egy kisjelű trirsztor. Ha az begyújt, úgy marad.
De minek erre a kérdésre egy külön topikot nyitni, mikor van hűtős topik?..
Mert konkrétan a vezérlő panelra kellene valami bekötés és kapcsolási rajz.
Csak sejtésem van, hogy az a relé felel a leolvasztásért. A hütő topik viszont halott. Két éve nem szolt bele senki.
Konkrétan ha nem tudni hogyan kapcsolják a relét (milyen tápfesz van és melyik felét kapcsolja valami) akkor hogyan lehetne ahhoz bármi rajzot adni?
De van egy egyszerű megoldás is. A relével teszel párhuzamosan egy bistabil relét, és ha a reléd egyszer meghúz, a bistabil akkor már abban az állapotában marad. Vagy a tirisztor-Led áramkörét egy telepről táplálod, és a reléről csak a tirisztort gyújtod be. Ekkor az infó megmarad, még ha a hálózat el megy is, akkor is. Egyébként a ma 19 óra az két éve volt? A hozzászólás módosítva: Márc 9, 2017
Nem biztos, hogy egy ilyen "drága" relé kapcsolja a leolvasztó pár száz wattos fűtőbetétjét, hanem csupán egy triak. Viszont kell lennie egy hőbiztosítéknak is, lehet, hogy ez nem engedi fűteni. Ez általában a fűtésnél van elhelyezve, négyzetes alakú szokott lenni.
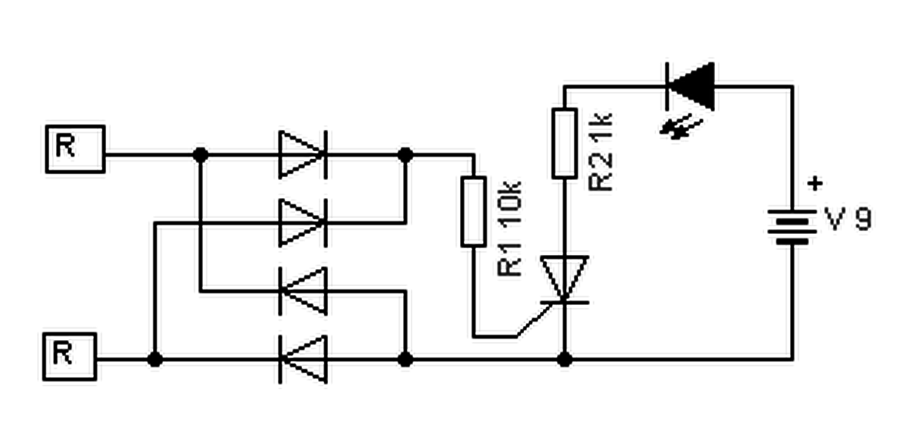
Mellékelek egy Ariston no-frostos hűtő rajzát (saját rajzolású).
Köszönöm. Ma a relé munlapontjait összekötöttem. A fűtés beindult. Tehát a relay a hibás. Nem tudom, hogy egy nagyobb teljesítményű rellét meg tudna-e hajtani. De szilárdtest relére is gondoltam. A kérdésedre a válasz igen egy 12-HS1T relay ami 3A/230v kapcsolja a 150W-os fűtőtestet. Ezt kicserélem, de ha megint lefagy akkor vezérlő. Az a gondom, hogy van a táppamel azon a leolvasztóköti elektronika. Alatta az inverter elektronika. Valahogy kell hogy komunikáljanak, mert amikor olvaszt, akor ne menjen a kompresszor. De semmi rajzot nem találtam eddig.
Szia
Ma kiforrasztottam az adott relét, 12voltos. én 6 voltot adtam rá tesztelés miatt, szépen összezár, műszerrel kisípoltatva. Az áramkörön a relé elött egy smd tranyó van, azt is hibátlannak találtam, majd jön a proci. Most visszaraktam, és tesztelem. De nem tudom, ha megint lefagy, akkor már mitől. olyan 1-1,5 hónap után produkálja ezt.
Üdv!
Gondolom a meghajtóját is megnézted.
Mire gondolsz? Milyen meghajtójára?
A relét valószínűleg egy BC kaliberű npn tranyó kapcsolja open collectoros üzemben. Nem valószínű hogy direktben megy a mikrokontrollerről. Lehet ULN 2003 vagy annak megfelelő integrált tranzisztorsor. Természetesen SMD kivitelben is. Már csak azért mert hibát nem találtál,tehát várhatóan nem oldódott meg a problémád. A rajzon amit adtál ott meg triakok kapcsolnak, ezeket optón keresztül szokták meghajtani. az is lehet vacak. Mindkettő köztes elem a MC védelmére. Az elpárologtatón lévő hőérzékelőt nézted? Ha vacak átveri a procit és korábban befejezi a leolvasztást, a jég meg hízik.(Olvass vissza a Hot Pointra tárgyaltuk ki kb egy éve.)
Nem tudom milyen rajzról írsz, van egy mikroproci benne utána egy tranyó ahogy írod, és utána egy 12 voltos rellé ami minkalábaira rakták a fűtőszálat.
A rajz feljebb volt, de ezek szerint nem ez az. A tranzisztor rendben? HA igen akkor marad az input oldal. A 155. hozzászólásban van egy kép. Azon az elpárologtatón van egy négyvezetékes leolvasztásérzékelő ezeknek a gépeknek ez típushibája. Ennek a rossz működése is ezt a hibát okozza.
Ok látom. De az Ariston, az enyimé viszont Samsung.
Ha összerakod, (és van) tegyél rá egy elektromechanikus kapcsolóórát azon látod a leolvasztási idő alapján mennyi a leolvasztási idő. Ha kevés akkor szenzor hiba is lehet. Kiszerelt panelon a kondikat nézted? A panel bizonyos gépeknél meleg, zárt helyen van ezért hamarabb vesztik a kapacitásukat. Viszonylag filléres áru. az előző hozzászólásaid, publikálásaidat nézve nem okoz gondot a cseréje.
A hozzászólás módosítva: Márc 12, 2017
Nem néztem a kondikat, mert a tápkörbe vannak összesen olyan 4 Db. Kettő a kapcsüzemű nagyfesznél kettő a kisfeszeknél. 5Volt 12Volt
ESR, kapacitás szempontjából meg szoktam nézni, és szükség szerint jobbra cserélem. Nem viccből temperálják a kapcsolótereket 18°C ra ahol szünetmentes van. A kondik 20°C hoz képest 30%-al több üzemidőt tudnak. (Nézz meg e gyártói adatlapot). És más is lehet a gond. Pl a leolvasztás
érzékelője. A hozzászólás módosítva: Márc 14, 2017
Sziasztok!
Mennyit illik mennie egy hűtőnek? Az enyém 45 percig megy és 30 percig "pihen". Ez normális? Nem nyitogatom, ez éjszakai üzemmód. A lakásban 24 fok van. (6 éves Whirlpool ARC4170/2IX no frost kombinált hűtő) köszi!
Teljesen jó szerintem. Főleg én úgy tudom az a tipus invereres.
Nézd meg párásodik-e valamelyik oldala, vagy az ajtótömítés rendben van -e? Ha igen akkor passz. Szigeteletlenség is lehet.
Kedves bubuszoft és Joe_001! Köszi a választ!
Gondolom, az inverteres tudja változtatni a kompresszor fordulatszámát, tehát többet megy, de kisebb fordulaton. Ajtótömítés rendben: ha újra kinyitom, nagy a vákuum. Kívül vagy belül nézzem a párát? A fagyasztóban -25, a hűtőtérben 6 fok van. A hozzászólás módosítva: Márc 17, 2017
Átnedvesedett szigetelésre gondolok, igaz, ennél a gépnél nem tipikus. ilyenkor melegben a hideg felületre le is csapódhat a pára. Ez természetesen kívül lehet Viszont az inverter lassabban keringeti a közeget,- kevesebb energiával. A mért hőfokok 100%ig rendben vannak. Különösebb hőveszteségre, szigeteletlenségre utaló jelet nem mutat. Ha továbbra is foglalkozni akarsz vele, konnektorba dugható fogyasztásmérővel ellenőrizhető, hogy a gyári teljesítmény paramétereknek megfelel-e a gép.
A hozzászólás módosítva: Márc 17, 2017
Sziasztok! Van egy LG GR 399SQ no-frostos kombi hűtő, amihez kérnék segítséget. Leolvasztással van problémám. Kérdés: A leolvasztás szabályos időközönként történik-e vagy valami szenzor vezérli? Ha szabályos akkor mennyi idő közönként történik. Jelenleg össze-vissza működik. 1 szenzort találtam a mélyhűtőben de az a hűtést vezérli. Köszönök minden segítséget.
Szia.
Nekem igaz samsungom van, de az enyimé 15 óránként olvaszt, 15 percet. Az enyiménél alul a mélyhűtőnél van egy hátlap. Ha azt eltávolítom, akor ott a hűtő, alazza egy 150W-os fűtés. Ezeknél a tipusoknál sokszor kontakthiba okozza a problémát. De nálam egy sima rellé okozta (úgy néz ki legalábbis) a problémát. Mort tesztelés alatt van. Mi konkrétan a hibád?
Valóban időre indul be. Visszakapcsolás, ha az érzékelő úgy látja hogy leolvadt. Ha szakadt a fűtőszál, vagy a klixonja, vagy eldugult a cseppvízlevezető, vagy tervezési hibás, vagy elromlott az érzékelő és persze volt olyan is ahol a kompresszor mellett volt a vezérlő, akkor a jég fenn marad, és persze hízik.
A hozzászólás módosítva: Márc 20, 2017
Helló! Azt hiszem rájöttem,hogy mi a baj. Az olvasztás 12 óránként +/- 10 perc különbséggel indul. Az olvasztási idővel van baj, kb. 6-14 perc között változik. A 6 perc csúszás miatt ill. hogy szabálytalan az idő jegesedik el az elpár. Vallyon mi okozhatja?
Valóban a hőfokszabályzó volt a rossz. Összekötve a két bemenő vezetéket működik a hűtő. Kell szereznem egy másik szabályzót. Köszi a tippet.
|
Bejelentkezés
Hirdetés |












