Fórum témák
» Több friss téma |
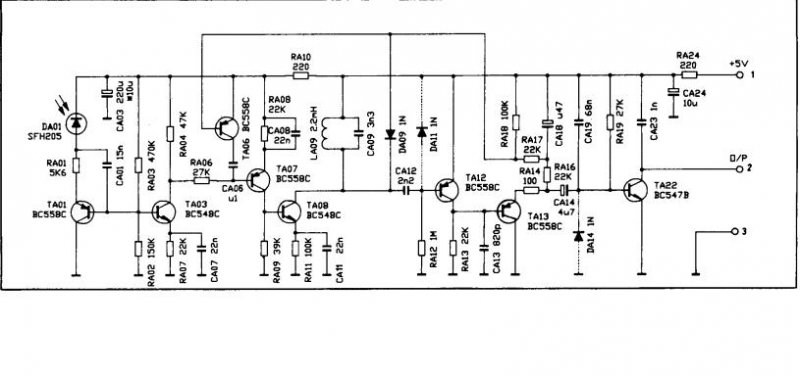
Sziasztok.Egy tv-t javitok és az a gond vele hogy nemigazán akar reagálni a távirányitó jeleire...Csak nagy ritkán érzékel valamit a jelböl és akkor csinálja azt amit kell neki de nagyrészt nemis reagál a távirányitora.A távirányitó jó mert univerzális és máshoz is használom ugyhogy valószinüleg a tv-ben lessz a baj.A kérdésem az lenne hogy a mellékelt file-ban lévő kapcsolás kiváltható e egy ir senzorral(TSOPXXX)?Mert a mellékelt rajzon lévő áramkör van a tv-ben és kiszeretném cserélni ha lehet nem pedig javitani.
Hello, véleményem szerint igen. Csak arra ügyelj, hogy a modul nyitott kollektoros kimenetű,(?) az IC pedig valószínűleg nem lesz az.
Hali.Hát találtam itthon egy HS0038 tipusu modellt és az adatlapját mellékeleltem.Ez ugynézem nyitott kollektoros és jokellene hogy legyen de mégsem jo... Esetleg valaki csinált már ilyen jellegü dolgot?
Illessz a vevőhöz egy piezo hangszórót, ha hallod a vételt, akkor máshol van a hiba.
A TV eredeti irányítójával jó? A régebbi tv-k (videoton,orion) más kódrendszer szerint dolgoztak ,ahhoz a mai vevők nem jók (az adók sem igen) A hullámhosszon kívül még a vivő frekvenciának is stimmelnie kellene,ami a te általad belinkelt rajzról egyértelműen nem derül ki.
Először nézd meg szkóppal az infra modul kimenetét, hogy a távirányitó jelét veszi-e.(A rajzon a 2. pin.)
Szerintem a progizható távirányitó lehet a ludas, esetleg a TV-ben piszkos, poros az IR vevő,vagy az előtte lévő "ablak" ezt is megnézheted.
Szia.
Nekem volt már olyan hibám is hogy nem érzékelte a távirányítót ez egy ak30 sasszé volt, és az 5v stab ic-je volt rossz. Én előbb átnézném hogy az ir modultól eljut-e a jel rendesen a procihoz. Szerintem ne módosítsd a gyári sasszit. Idézet: „Szerintem ne módosítsd a gyári sasszit.” Ezt gondolom sly kollégának szántad, akit (úgy látom) már nem hozza lázba a megoldás Mindenképp a javitás mellett vagyok, ha nem muszáj, nem módositok semmit. Ez sem bonyolult, csak mérni kellene, és egyből meglenne a hiba. |
Bejelentkezés
Hirdetés |





