Fórum témák
» Több friss téma |
Fórum » Kapcsolóüzemű labortáp építése
A rezonáns táp tudtommal nehezen szabályozható, de ehhez annyira nem értek.
Üdv!
Tetszett a leírásod a kapcsolóüzemű előszabályozós, négydigites labortápegységről ami 0-40V-ig képes a kimenetén a feszültség, 0-10A-ig pedig az áram szabályozására. Az volna a kérdésem, hogy ilyen 300VA-es toroid trafót (38V/7A+15V500mA)-est hol lehet szerezni? Mert én nem találtam sehol.
Sok vállalkozás van, ahol a szükséges paraméterek alapján nagyon szívesen elkészítik a transzformátort.
:google: : "Transzformátor tekercselés". ÉS - Vagy. "Transzformátor készítés".
Sziasztok
Egy "fordított" kérdésem lenne. Általában a kapcsolási rajzhoz keresünk alkatrészt, de én most alkatrészhez keresnék kapcsrajzot. Egy teljesen ismeretlen PC tápból kitermeltem 3 trafót. 2 kicsi, 1 nagy. Egy olyan kapcsolást szeretnék tőletek kérni amibe ezt felhasználhatom. Keresnék én is, de nem tudok elindulni, nem értek a kapcsolóüzemhez annyira... utánépítenék egyet. Előre is köszönöm
Sziasztok!
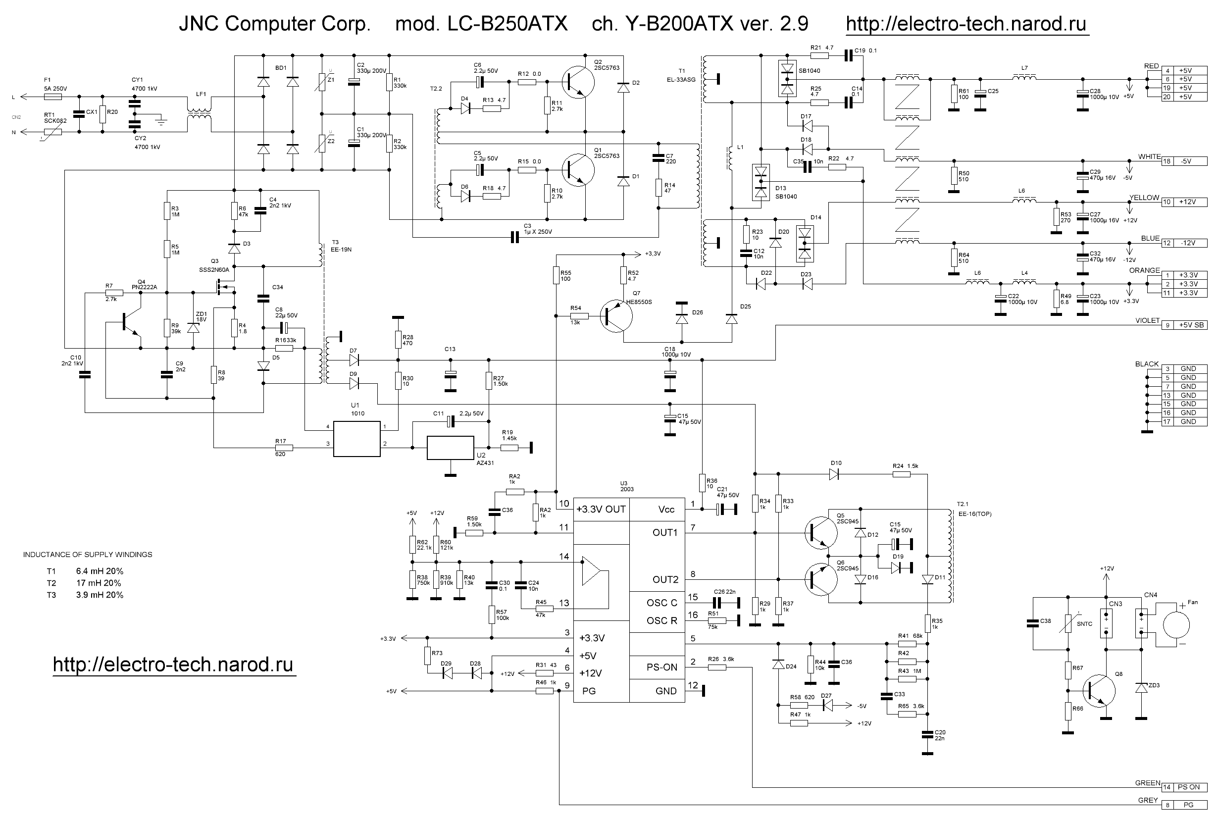
Második nekifutásra csinálni át szeretnék alakítani egy tápegységet. Azonban a csodás LC-A300ATX tápegységem vezérlő IC-jének típusa: 2003 IFF67M0224E Valószínűleg én vagyok béna, de nem találtam adatlapot ehhez az IC-hez. Ki tudnátok segíteni némi tudással? Mert enélkül nincs értelme a táp feltérképezésének...egyébként találtam kapcsolást, ami egy szerintem hasonló típusé, de nyilván majd azért meg kell nézni a különbségeket. Mellékeltem a fotót az ic-ről és a kapcsolást. Üdv, niches
Egy kérdésem lenne. A 100uH-s tekercsnek jó-e ez?
Nem szeretek tekergetni. Bővebben: Link És még egy kérdés, a potiknál milyen feszültségek lehetnek min-max? Nem titkolt szándékom kicsit átervezni, de ezt már írtam neked is, és digitális vezérlést akarok rá.
Van itt olyasvalaki, aki foglalkozik pc táp labortáppá alakitással? Szeretnék egyet készittetni valakivel, ha lehetséges. (persze nem ingyen)
3-4-5 különböző fogyasztású eszközt (pl: power led) szeretnék egyszerre illetve külön-külön müködtetni, és mindenképpen pc tápról. Ha akad valaki irjon ráp privátba. Köszi!
Sziasztok!
A legutóbbi labortáp-segítség kérésem óta eltelt egy kis idő, még anno újraépítettem az Attila féle táphoz a vízszintes panelt, ami működik is. Használom a tápot, most jutottam el odáig, hogy be kéne dobozolni. A dobozolás azért húzódott mert lusta vagyok, de egy hibajelenség is az oka. Belátom, kicsit nagy fába vágtam a fejszém, elnézést kérek hogy a fórumozókat nyaggatom a problémáimmal. De rátérek a lényegre: a hiba elég rég fennáll, és kicsit idegesítő. Az áram mérés hol működik, hol nem. Először gondoltam, hogy a két panel között nem jó a kontaktus, mert ha finoman előre feszítettem akkor mutatott. Átforrasztottam a találkozásokat, jó is lett egy ideig. Aztán ismét elő jött. Eljutottam odáig, hogyha csak éppen hozzáérek a pákával az egyik forrasztáshoz, akkor életrekel az áram mérés, aztán egy idő után megint meghal. A pákám ha minden igaz földelve van. (ha solomonék a páka dugaszának az árnyékoló búráját a hegyéhez kötik) Nem tudom hogy a föjdre húzáshoz köze van-e a dolognak vagy se, de gondoltam minden körülményt leírok. Valaki esetleg sejti a probléma esetleges forrását? Ezer köszönet minden válaszolónak. Szép napot minden fórumozónak!
T. Szakértők!
PC-tápból szeretnék szabályozható tápot készíteni. Azt a megoldást néztm ki, ahol a trafó szekunderének a középmegcsapolását kiiktatják és a két tekercsvégre egy graetz-híd kerül. Ezután persze szűrés, pufferelés, visszacsatolás, stb. A kérdéseim a graetzre vonatkoznak: lehet-e/szabad-e 3 db kettős Shottkyból megcsinálni a hidat ? Szabad-e a kettősdióda két diódáját párhuzamosítani? Ha egy bontott kettősdióda egyik fele szakadt, de a másik fele multiméterrel nézve jónak tűnik, az még használható? Az eredeti kétutas egyenirányításnál egy db 200 V-os dupladióda volt, a graetzben egyszerre két dióda dolgozik, tehát elég lenne 100 V-os is ? Egyszerre elég is ennyi kérdés, nem szeretnék visszaélni a türelmetekkel! Előre is köszönöm az okítást!
A kettős diódákban (benne van a nevében is) tulajdonképpen 2db dióda van egy tokban, katódjukkal (esetleg anódjukkal) közösítve. A 30A-es (pl. PC táp 5V-os ágából bontott) úgy lesz 30A hogy ha a benne lévő 2db 15A-es dióda párhuzamosan van kötve, de ez kiolvasható az adatlapjából is.
Azt hiszem ezzel elmondtam mindent. Lehet 3db dual (közösített katódú) diódából graetz-et csinálni. Hogy PC tápból 200V-os diódát bontottál azt erősen kétlem, abba 40V-osnál nagyobbat nem tesznek.
Egy 350 W-os tápban a 12 V-os ágban MOSPEC F10c20C , az 5 V-os ágban SBL 3040 PT duál diódákat találtam, előbbi az adatlapja szerint 200 V/20 A, utóbbi 40 V/30 A. Többi kérdésemre van észrevételed ? Én tulajdonképpen arra gondoltam, hogy nagyobb árameléréséhez a kettősdiódák anódját is összekötöm és egy darab diódaként használom.
Nem rég bontottam szét néhány régi tápot és én is szedtem ki belőlük 200V-os diódát. Pl.:UF1002F,STPR1020CT.
Bizony néha ki lehet fogni.
Köszi, hogy igazoltál
. Tulajdonképpen milyen feszültségtűrésű diódák kellenek, ha max 30 V-ig akarom szabályozni a tápot? Mert azt még én is tudom, hogy nem a 30 V az irányadó, hanem az időnként fellépő feszültség tüskék.
Én a mellékelt kapcsolást szeretném elkövetni, és ott is a szekunder graetzben 200 V / 12 A-es diódák vannak. Gondolom nem véletlenül.
Ez nagyon frappáns megoldásVolnászives egy kicsit nagyobban kitenni,ha a gépen nagyítok-sokat romlik a minőség.Elöreis köszi.
Köszönöm!
Egy labortáppá alakított ATX táp tesztjéről két kis videó: műterheléssel, izzókkal.
Az átalakításhoz csak 2db potit és 2db 2W-os ellenállást vettem. Jelenleg 1,2V és 26V közötti kimenő feszt és kb. 40mA és 7,5A közötti kimenő áramot tud. Mivel a szabályozáshoz kell némi tartalék is, kb. 23V-ig tudja stabilan tartani nagyobb terhelésnél a kimenet feszültségét.
Sziasztok! Tudna nekem valaki segíteni? Egy kapcsoló üzemű tápegységre lenne szűkségem a következő para méterekkel.
A kimenetein egy időben tudjon 5,8,12,24v-ot kb 2A-en és ezek stabilak legyenek. A bemenete 10-15V legyen vagy ha ez nem megoldható, akkor legvégső esetben lehet 20-30V is. Előre is köszi!
Sziasztok!
19V 3A kapcsoló üzemű tápegységet szeretnék építeni. Nem tudna nekem valaki segíteni? Kapcsolási rajz kéne. Előre is köszönöm!
Sziasztok! Szükségem lenne egy kezdő labortápegységre!
Hallottam hogy számítógép tápból is lehet készíteni. Nekem a műhelyben 6db is porosodik. van köztük 450w-os, 400w-os is. Alkalmasak lehetnek a célra? Akkor 1. Codegen 450W. model: 400X 2. M-Tech 450W. model: KOB AP4450XA 3. Codegen Sowah 400W model: 300xx A többi kisebb ezért nem is írtam őket le. üdv: Petya
5-6A es kapcsolóüzemű állítható kimeneti feszültségű ic tipusokat tudnátok mondani?
Esetleg készen panelre szerelve mint a PTN780060H de ez csak 3A es.
Elkészült végre várva várt labortápom. A labortáp kapcsolóüzemű Skori féle előszabályzóval ellátott kivitelü. A szabályozás analóg, de az analóg szabályozót PIC vezérli.
A táp 4 csatornás, csatornánként 800W-os, 80V maximum kimenőfeszültségű, 20A maximum kimenőáramú. A kimenő feszültséget és áramot 0,01V és 0,01A pontossággal méri. A PIC-es vezérlést barátomnak, Kiss-Vámosi Gábornak köszönhetem. A tápot egy 320x240-es érintőkijelzős LCD panellel lehet vezérelni, és 2 encoderrel. A bal oldali a feszülsgéet, a jobb oldali az áramot állítja. A második kijelzős képen 4A-es áramkorlát van beállítva. A doboz úgymond összedobott, már nagyon nagy szükségem volt a tápra.
Ej ha, aztamindenit. Gratula
Először azt hittem egy flipper! Respect!
Nagyon jól néz ki. Remélem, a feliratok is meg lesznek csinálva rendesen, mert a barátod nagyon szuper munkát végzett a PIC-es vezérléssel és kijelzővel, de nagyon nem illik a képbe a filctollas feliratozás.
Gratulálok a munkádhoz!
Jól látom, hogy a kapcsolóüzemű előszabályozót is egy kapcsolóüzemű táp hajtja meg?
Szép szép, de a PIC programja az értékeket is kordában tartja vagy van külön teljesítmény limit? Mert akárhogy számolom 80V-on a 20A az már 1600W és ez négyszer.
|
Bejelentkezés
Hirdetés |









Szép napot minden fórumozónak!





