Fórum témák
» Több friss téma |
Fórum » Keverőpult építése, javítása
Egyetértek, a hullámszörny forraszotta be, tehát a kapcsolón kívül még a teljes panel rendes átforrasztása is igen jó eséllyel gyógyír lehet.
Köszönöm a választ mindannyiótoknak, majd próbálkozom!
Tudna nekem segíteni abban, hogy a mellékelt kapcsolásba akkor is kell a kimeneti sztereó potméter, ha olyan erősítőre csatlakoztatom aminek van hangerő szabályzója?
A hozzászólás módosítva: Márc 7, 2016
Nem kell.
A mikrofon előfokhoz nem az LM324 a legjobb választás, jó zajos lesz. A hozzászólás módosítva: Márc 7, 2016
Van helytesitő amihez nem kell panelt áttervezni?
LM837, OP470, TS524, LT1679, LT1125.
Az utolsó a legkisebb zajú ezek közül. A hozzászólás módosítva: Márc 7, 2016
Köszönöm, megnézem ezek közül melyik kapható. Az LT1125 16 lábú. Majd az utolsó két lábat nem teszem a tokba. Ha bedobozolom, csak fém dobozba tegyem vagy jó lesz a műanyag is?
A hozzászólás módosítva: Márc 7, 2016
Gyártják 14 lábú tokkal is, itt van is (aranyáron)
.Mindenképpen fém dobozba kell tenni, a mikrofon előerősítő nagyon kis jelekkel dolgozik, nagy az erősítése, minden zavarra érzékeny. A hozzászólás módosítva: Márc 7, 2016
Érdeklődnék. Megépítettem a pdf-ben látható Alkotó hangszinszabályzó kapcsolását. Az lenne a kérdésem, hogy miképpen lehetne az előző keverő kapcsoláshoz hozzá építeni. Illetve lehetséges e egyáltalán, és milyen alkatrészeket kel elhagyni, vagy beépíteni hozzá?
A hozzászólás módosítva: Márc 8, 2016
Ha elég az összekevert kimenő jelnek a közös hangszínelése, akkor a keverő után tehető. A keverő kimenetén lévő két kondi és poti (amint már írtad) kimarad, a hangszín áramkörnek pedig a bemenetén lévő NE5532 -es fokozatát kell kihagyni. Annak az IC -nek a kimenetei helyére kötöd a keverő kimenetén lévő IC kimeneteit.
Ha elég a közös szabályzás... Viszont előfordulhat az az eset, hogy a mikrofont máshogy kell hangszínelni, mint a többi bemeneten lévő műsorforrások jelét, ezért talán jobb az a megoldás, hogy csatornánként van hangszínszabályzó. A keverők egyébként is ilyenek. Ez a valószínűbb a te esetedben, mert azoknak a mikrofonoknak nem tűl jó az átvitele, amiket mutattál, úgyhogy azok hangját magasban jobban emelni kell, mint pl. egy cd, vagy más hangját. Ha közös hangszínszabályzást alkalmazol majd a keverő kimenetén, akkor vagy a mikrofon fog "fejbeverten", tompán szólni és a zene jól, vagy a mikrofon jól szól majd, de a zenén meg túl sok lesz a magas. Van jóval egyszerűbb hangszínszabályzó áramkör is, nem kell feltétlenül ilyet építeni bele. A hozzászólás módosítva: Márc 8, 2016
Köszi a segítséget, akkor ezt nem építem be. Tudnál segíteni rajzzal valami ide illő egyszerűbb szín szabályzóval?
Pl. ennek a keverőnek a közepén ott van. Egymás alatt 3 hangszínszabályzó, külön a három csatornának.
Balról az 1u -tól az első 10u -ig tart egy hangszínszabályzó áramköre a rajzon. A hozzászólás módosítva: Márc 8, 2016
Köszönöm a rajzot. Ha jól értem ebből kellene építenem 6 darabot, és belekötni a keverőbe. A Line bemenetekhez 2-2-t sztereó potikkal, és 1-1-t mono potival a 2 mikrofon bemenet után. A Level potméterekre nincs szükség?
A hozzászólás módosítva: Márc 12, 2016
Igen, minden csatornába kellene a hangszín.
A level potméterekre mindenképpen szükség van. A mikrofon csatornákba az előerősítő kimenete és a poti közé kell bekötni a hangszínszabályzó fokozatot. A többi csatornánál viszont akad egy kis gond. A hangszín szabályzó áramköröket kis impedanciával kell meghajtani. A mikrofon csatornáknál ez megvalósítható, mert az előerősítőnek kicsi a kimenő impedanciája, így az utána tett hangszín áramkör kisimpedanciás meghajtást kap. A többi bemeneten viszont nincs erősítő fokozat, ami illesztené a hangszín fokozatot, ezért a bemenetekre be kell tenni legalább egy egyszeres erősítésű (jelkövető) fokozatot, ami elvégzi az impedancia illesztést. Tehát: - mikrofon csatornánál: bemenet -> előerősítő -> hangszín -> level poti -> összegző erősítő... - line bemeneteknél: bemenet -> illesztő fokozat -> hangszín -> level poti -> összegző erősítő... Működik illesztés nélkül is a hangszínszabályzó, csak nem úgy fog szabályozni, ahogy kellene, meg lehet, hogy gerjedékeny lesz. A hozzászólás módosítva: Márc 12, 2016
Sziasztok! Egy dj keverő (Pioneer DJM-600) problémában kérnék tanácsot. A negyedik csatornán ha hozzáérek a Line RCA bemenet külső részéhez L, R is, azonnal gerjed, búg a bal csatorna függetlenül a chanel fader állásától. A Gain állításával erősödik a búgás, letekert Gainnél nincs zaj. Ha cd-t dugok rá akkor is megvan ez a búgás. Ha phonora kapcsolom akkor már nem érzékeny ha hozzáérek az RCA csat negatívjához. A Phono bemenetet nem tudom kipróbálni, mert nincs lemezjátszóm.
Ezt kivéve tökéletesen működik a keverő. Milyen hibára gyanakodjak? Köszönöm előre is a választ! Tudom, így nehéz megmondani bármit is, de talán kiindulási támpontot tud adni valaki.
Szia.
Szedd szét és nézd át a négyes csatorna aljzatának a bekötését. Valószínűleg nem kapja a meg a GND csatlakozást az aljzat (a külső gyűrű, az a GND). Lehet pl. törött csatlakozó láb, vagy megrepedt forrasztás a láb körül, vagy ha vezeték megy rá csatlakozóval, akkor annál levált a GND szál, vagy hibás a csatlakozó. Valószínűleg többet van az az aljzat használva és emiatt (az ezzel járó mozgatások, feszegetések miatt) ilyen hiba merült fel. Műszerrel szétszedés nélkül is meg tudod nézni, hogy össze van-e kötve a hibás bemenet aljzatának külső fém gyűrűje egy másik aljzatnál ugyanazzal a külső gyűrűvel. Ha Ohm állásban nem mérsz a kettő között rövidzárt, akkor az a probléma, amit mondtam. A hozzászólás módosítva: Márc 13, 2016
Köszönöm a gyors választ! Jelzek majd mire jutottam.
Sajnos végig jó a testvezeték. Az smd kondik sem zárlatosak, a szalagkábel is átviszi a gnd-t a főpanelra.
Keressem végig a GNDA-t a főpanelen, nincs-e megszakadva? A Fadereknél lévő GNDA, az az RCA negatívja, vagy az már nem ugyanaz? A hozzászólás módosítva: Márc 13, 2016
Elvileg ugyanaz. A többi alzat GND -je és a hibás aljzat GND -je között rövidzárt mérsz?
Az RCA-k testje teljesen különálló, egyik között sem mérek rövidzárat. Elvileg már megvan mi a hiba. Ha a bemenetválasztó Phono állásban van akkor a fadereknél lévő GND rövidzárat mutat az RCA-k negatívjával. Ha viszont Line-ra kapcsolom, akkor már szakadás van. Ki kell derítenem hol szakadt meg a test. A Line-Phono váltó kapcsoló az jó.
Köszönöm hogy segítesz! Elektrotanyán fent van a doksi a keverőről.
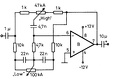
Köszi a választ. Tudnál nekem segiteni egy ilyen "egy egyszeres erősítésű (jelkövető) fokozat"-ban rajz ügyileg, és esetleg panel ügyileg is?
Igazad volt. Azért nem mértem az RCA-k negatívjai között rövidzárat, mert a bemeneti modul szalagkábelei ki voltak húzva. A CN102 páros pinjei össze vannak multizva, de a 2-es pinen nem látom a multit. Pontosan a 2-es pin-ről megy a test arra az RCA-ra - CH4 L3 ami a gerjedést okozza. Le kell csavarnom az összes potit (kb 30), hogy megnézzem mi van mögette.
Rajz van, paneltervvel nem tudok szolgálni, de nem bonyolultak.
Két verzióban tettem fel rajzot, azt válaszd, amelyik szimpatikusabb.
A búgás megszűnt, mert a 102 csatiban a 2-est összekötöttem a többi GND-vel. Most összerakva minden RCA külső egy potenciálon van. Viszont nem lett tökéletes mert a 4-es csatorna bal oldala akkor is szól ha nincs feltolva a csatorna fader. Azért jelentkezett a búgás is a bal csatornán mert ott még van valami hiba.
Köszönöm a segítséged, így is jobb lett mint volt.
Köszi. Milyen műveleti erősítő IC használható?
Ha nem aktív keverőt használnák, csak Lepkét az nagyon rontaná a minőséget?
Maradj az aktív hangszínszabályzónál inkább.
Ugyanolyan kis zajú IC -t tegyél bele, mint a mikrofon előerősítőbe. De végülis, mivel ezek nagyszintű bemenetek, ide mehet TL072. Azzal, hogy passzív hangszínt használsz, nem tudod elkerülni az illesztő fokozatot, mert a passzív hangszínt még inkább kis impedanciás forrásról kell hajtani. Ha hangszínt szeretnél, mindenképpen kisimpedanciás meghajtás kell.
Nem az illesztő fokozat miatt akartam cserélni, hanem maga a hangszínszabályzó miatt. Akkor legalább annak nem kell nekem bonyolult panelt terveznem.
|
Bejelentkezés
Hirdetés |






.








