Fórum témák
» Több friss téma |
Fórum » Ki mit gyűjt, retro cuccok
BASF az orsós szalagjaiknál volt, a kazettába alapból Magna gyártmányt tettek. Igaz, később volt LH Super, meg Chrom is belőle, az már lehet, hogy BASF alapanyagból készült.
A fő probléma egyébként soha nem maga a szalag eredete volt, hanem a gyártósor, ill. kazettánál a műanyagház pontatlansága. A drop-out is nagyrészt tárolási elégtelenség eredménye, azaz már a gyárból porosan jöttek ki többségben. Orsósban pl. láttam olyat, ami pontatlanul lett felvágva, konkrétan a precízebb nyugati magnó szalagvezetője vágta le róla a felesleget az első áttekercselésnél. A kazettánál meg a pontatlan, vetemedő műanyag miatti szorulás (vagy talán itt is szélesebb szalag?), ill. a ferdére beállított filc rontotta az eredményt.
Nekem a B46-os magnómhoz is amit kaptam szalagot akkor ezek szerint az is POLIMER, elvetemedett műanyag orsó, BASF szalaggal. Hamarosan teszek fel képeket a magnóról.
Nekem vannak alig használt Tanért Polimer orsós szalagjaim. Többre készítettem negyedsávon, 19-en felvételt, egész jó lett. Van üres, általam bontott LH Super is későbbről(1983-84-ből). Ha lesz kétsávos fejegységem az Uher Royalhoz, akkor megmutathatják, mire képesek.
Mint ez a teszt is mutatja, a minőség eléggé ingadozó volt.. Maguk a szalagok nem is lettek volna rosszak, ha a gyártósoron nem maszatolják össze őket..
Utolso kep: IPS-es Junoszty
Szep a 3x3 matrix is.
Aiwa R-450, Technics RS-TR 575, Philips AG9015, Beag APX-100, Eag AK706/A, Technics SU3500, Technics SU-V 707, Marantz PM84 MK2, Tensai TQ 250, Technics SL1210 MK2, Akai AP100.....
Ismerem jól a tesztet, később javult a helyzet. A BASF a sok selejt után rendesen betanította a munkásokat, illetve beállították a gépeket is. Ahány széria volt, annyiféle minőség jött le.
Sziasztok!
Tegnapi szerzemény, egy Grundig c420 automatic. Mikor megvettem, csak ázott az esőben, 500 ért meg nem volt szívem otthagyni. Tehát kívül-belül koszos, a mechanika idönként szorul, a legtöbb ékszíj laza, de a kazettát (hozzá adták) lejátsza. Azt még nem mertem kipróbálni, hogy a belső erősítője működik-e, mivel a hangszóró tegnap szétázott, ezért nem akartam leégetni. Szóval rendbe fogom tenni, lesz vele dolog. A hozzászólás módosítva: Máj 4, 2015
Sziasztok! Nekem ez a két csöves Philips magnó jött a házhoz....
Szia, évjárata?
Nagyon idősnek néz ki.
Sikerült életet lehelni belé. Még ma is meglepő minőséget produkál, mechanikája elnyűhetetlen.
Ráadásul a félsávos sztereó változat. Naná, hogy jó, tudott valamit Ödön bácsi.
Négy sebességes, menet közben is váltható, nagyon jól megtervezett mechanika.
19 sebességen kiváló minőséget produkál, korabeli Teslák és rokonai elbújhatnak mellette.
Ne viccelj már. Ez egy professzionális magnó, a Teslák meg sohasem voltak azok. Egy lapon sem lehet említeni őket. De még sok ún "félprofesszionális" magnó sem jön a közelébe. Örülj neki, nagy kincs.
De te se viccelj ám!
Profinak profi, de riporter célokra találták ki, mint a Nagrák egy részét. Az igazi profi gépek a stúdiómagnók(Studer, Telefunken, ML, Ampex). A Tesla meg egy kutyaközönséges, azaz kommersz magnó.
Nem viccnek szántam. Dolgoztam sokat Ilyen UHER, és Nagra hordozható magnókkal, (a királyi rádióban) ezeket nemcsak riporter célra, használtuk, hanem bizony helyszíni rögzítésekre is. Akkor még az ML600 sem volt, és hát az is legalább ötször akkora volt. Az UHER nem sokkal tudott kevesebbet, mint akár az ML, igaz amit én használtam az teljes sűvos volt. (akkoriban kezdődött a szteró korszak, az adások zöme még monó volt)
Abban igazad van, hogy hangra átlag embernek alig van különbség a három készülék közt, persze ugyanolyan szalaggal, azonos sebességen és sávrendszeren. Valójában ég és föld a különbség, más szabvány szerint kell mérni egy riporter magnót, mint a stúdiógépet. Tehát nagyon nem egy kategória. Az már egy másik dolog, hogy a Nagra QGB adapterrel hosszabb helyszíni felvételre is alkalmas, míg az Uherrel korlátozott.
Idézet: „hogy hangra átlag embernek alig van különbség” Csak annyi a bibi, hogy nem hangra, és nem átlagember. Gondolom, elismered, hogy egy rádiós (akkor még egyetlen) külső közvetítéseknél használt eszközök nem átlagos felhasználásúak, és a beállításuk, karbantartásuk sem fülre történt. A felhasznált szalagok sem egyformák, mindegyikhez a saját paramétereikhez tartozó szalagot kell használni. Pl. volt néhány STM a sok közül, ami direkt a hordozható magnók szalagjaihoz volt beállítva, és a montírozáshoz először is át kellett játszani egy a stúdiókban használt montírozó magnóra. Még csak annyit tennék hozzá, hogy akkoriban, ha nem akart az ember súlyos anyagi következményekkel járó problémát magának, egy élő külső közvetítésen, az eszközök karbantartását sem bízta másra. A hozzászólás módosítva: Máj 8, 2015
Egy 1250W, TR9267 EMG tranzisztoros feszültségszabályzó (ismeretlen állapotban) érdekel valakit? Egy barátom lomtalanításkor akarta kidobni, de megmentettem, állítólag nincs kiszerelve belőle semmi.
Nálam nem fér el, hasznosítani sem tudom, de nem szeretném, ha bontásra kerülne, ha megérte ezt a szép kort.
Engem érdekel a gép. Hol van helyileg?
Agárd, vagy Újpest, illetve a kettő között akárhol át tudom adni.
Újpest jobb lenne nekem. Írok privátot. István
Bizonyára van mindenkinek olyan készüléke, alkatrésze amitől nem válna meg.
Nem a "gyűjtőkre" gondolok inkább olyasmire ami a tulajdonos részévé vált, amiből 1db van. Nekem van egy AY3-8500 típusú ic-m, na azt nem adnám el soha.
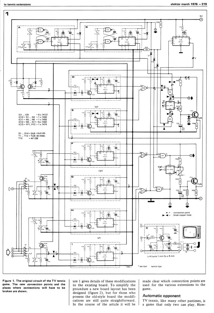
Az a TV pingpong?
Igen az. Ping-pong . Nagyon egyszerű kis gép. Hirtelen nem lelem a linket. Az első dobozok analógok voltak, és persze bizonytalanok is. Aztán jöttek a kapuk, volt olyan gampad is amibe kártya járt, ami nem volt más mint egy sor átkötés. A játék elemeit (kapu,labda,pontszám stb.) kapuzták össze ilyen módon a játék típusának megfelelően. Aztán összezsugorították egy chip-be az egészet és több millió példányban jelent meg a nagyvilágban. Néhány lelkes hobbielektronikás dolgozott a projecten, a nagy siker ellenére mégsem lettek híresek. De azt gondolom jó dolog lehetett feltalálni valamit.
http://www.pong-story.com/ http://www.pong-story.com/intro.htm http://www.pong-story.com/odyssey.htm http://www.pong-story.com/odyssey.htm#P10
Sziasztok!
Valaki esetleg ismeri a következő gyártmányú magnódecket: Music Air MHD-2400? Sajnos semmiféle szervizkönyv vagy kapcsolási rajz nem található hozzá a neten.. Viszont a keresés közben valahol olyan információra bukkantam, hogy ez a márka is csak valamelyik nagy hifis cég (talán Kenwood?) egy leányvállalata volt - olyasmi, mint a Philipsnek a Hornyphon/Aristona. Azaz a nagy cég már kifutott típusait gyártották tovább más névvel. Tehát, aki esetleg jobban ismeri a Kenwood készülékeket: volt ilyen/hasonló kinézetű készülékük (feltehetőleg) a 70-es évek második felében? Talán ha az eredetit megtalálnám, ahhoz már lenne dokumentáció. Amúgy amiatt kell, mert valamelyik korábbi tulajdonos teljesen szétgányolta az oszcillátort a gépben, néhány alkatrész hiányzik azon a környéken, meg erősen típusidegen szovjet tranzisztorok vannak beforrasztva.. Ezt leszámítva működik, és szép állapotban van amúgy. Másik gép javításáért kaptam a munkadíj mellé ajándékba, tehát nem olyan kategória, amire sokat költenék, mert már csak ez hiányzik a gyűjteményből. De ha van rajz, akkor szerintem pár száz forintból megjavítható lenne, annyit meg bőven ér.. A hozzászólás módosítva: Jún 7, 2015
Egy kicsit meglököm a témát.
Kaptam egy kicsi asztali ventilátort, nagyon koszos volt szegény. Fél méterre dolgozott egy konyhában a tűzhelytől. El lehet képzelni... Most, hogy nincs olyan meleg kimostam, fényképezhető állapotba tettem. Az adatlapja alapján ez a kicsike 8m3 levegőt szállít percenként. És nem hazudik az adatlap, óriási huzatot tud csinálni. Ma már nem is árulnak ilyen kicsi ventilátort, pedig rengetegen keresik. Amúgy Csehszlovák gyártmány.
Ismerős.
A műhelyemben dolgozik, képes az összes rajzot, papírt lefújni az asztalról.Tényleg, láttam, hogy gyűjtesz kis automatákat, ilyen mint a bal oldali nem kéne:Bővebben: Link? Ha sikerül feljutnom a találkozóra augusztusban szívesen viszek. A hozzászólás módosítva: Jún 21, 2015
|
Bejelentkezés
Hirdetés |




Szep a 3x3 matrix is. 










Profinak profi, de riporter célokra találták ki, mint a Nagrák egy részét. Az igazi profi gépek a stúdiómagnók(Studer, Telefunken, ML, Ampex). A Tesla meg egy kutyaközönséges, azaz kommersz magnó. 










