Fórum témák
» Több friss téma |
igen detto igy néz ki.lehet beinvesztálok egybe
de ez az lcd-s eszköz akkor is jo lenne a vas-ba
Találtam ilyet: Bővebben: Link
5-7. oldal Patronos Hőérzékelő. Egy PT100 dolgozik benne, ami vígan elviseli az esetleg 100-110°C környezetet is... nem utolsó sorban teljes tartományben közel lineáris. Az előremenő vezeték közdarabjába pedig elég egy M8-as furat menettel. Esetleg a hűtő oldalába is bemehet, bár az astrában valami kemény műanyag (így ezt inkább nem ajánlom) Fel is hívom a forgalmazót, mert sokféle ár és tipus van. Ha 3pénzből megúszom, akkor belevágok, mert ez legalább nem barkács. Csak a poén kedvéért, szerintem olajhőfok mérésre is jó lehet, pl. az olajkartelben. Előfordult már, hogy megsült az olaj (egy másik kocsiban)... ekkor pl. riaszthatna a "házi" BC. Megj.: Szóljatok rám, ha elszállnék az ötletekkel
pöpec ez nekem is teccik :yes: gyári höérzékelö ráadásul menetes ennél több nem kel.ha jol rémlik akkor leeresztö csavar van a hütön oda pl belehet épiteni .és az olaj hömérövel se mondasz hülyeséget az is megoldhato. hogy mik nem jutnak eszedbe
Ja akár oda is betehető (erre nem is gondoltam
kb m16-os menetes dugo lehet vagy nagyobb és rézböl van.azt meg meglehet furni hogy m8 menet legyen benne :yes:
Két nap múlva nyakig a kocsiban leszek, akkor feltérképezek minent.
Sziasztok...
Kérdésem az lenne hogy....van nekem egy Mazdám. Gyárilag van benne LCD kijelző, navigációval, de semmi haszna mert nincs benne magyarország és frissítés sincs hozzá. Ha bele teszek egy DVD lejátszót meg tudják csinálni jó borsos áron hogy ezen nézhessem. Namost az LCD RGBS jelet fogad. Van-e valamilyen konverter ami sima kompozit video jelből RGBS-t csinál. Én tudok kb 50E-ért. Ettől olcsóbb kellene. Egy ismerősöm azt mondta hogy a VGA kimenet RGB, de van több szinkron jel is. Szóval kompozitből VGA konvertert tudnék olcsón, de ezzel életre tudnám kelteni a kijelzőmet??? Bekötést tudok mellékelni....
Sziasztok!
Arra nincs valami ötletetek, hogy hogyan lehetne egy opel autorádió (delco cdr500) kijelzőt kiváltani egy HD44780-as kijelzővel. Nincs meg hozzá a kijelző. thx
Sziasztok!
Valaki esetleg épített hasonló dolgot mint amiről e témába szó van? http://www.blafusel.de/obd/obd2lcd_4.html Ha igen tapasztalatokat ha megosztanátok sokat segítenétek! Esetleg más tipusú kapcsolás miegymás ha van szivesen osztoznék belőle .(swiftbe kellene 94-es ha jól tudom) Ha nem is ennyi funkcióval mint a linken de legalább tudjon jónéhány dolgot.Hőmérséklet,gyorsulás 0-100,olaj hőm,víz hőm,fordulatszám...... Miden ötlet, segítség jól jön. Előre is köszönöm! Szép napot!
Ahogy latod, ez egy mikrokontroller. Amiben nem a kapcsolas, hanem a program a lenyeg. Azt nem latom sehol... magyarul, vedd meg a felprogramozott ATmega-val a KITT-et...
Ha egyaltalan nem ertesz hozza, akkor inkabb vegyel egyet, viszonylag olcson vannak ilyesmik. Ha viszont kihivast keresel, akkor csinald meg te, de sajat erzekelokkel, mert egy 94-es autoban elegge valoszinutlen, hogy OBD szabvanyu csati legyen.
Üdv Mindenkinek!
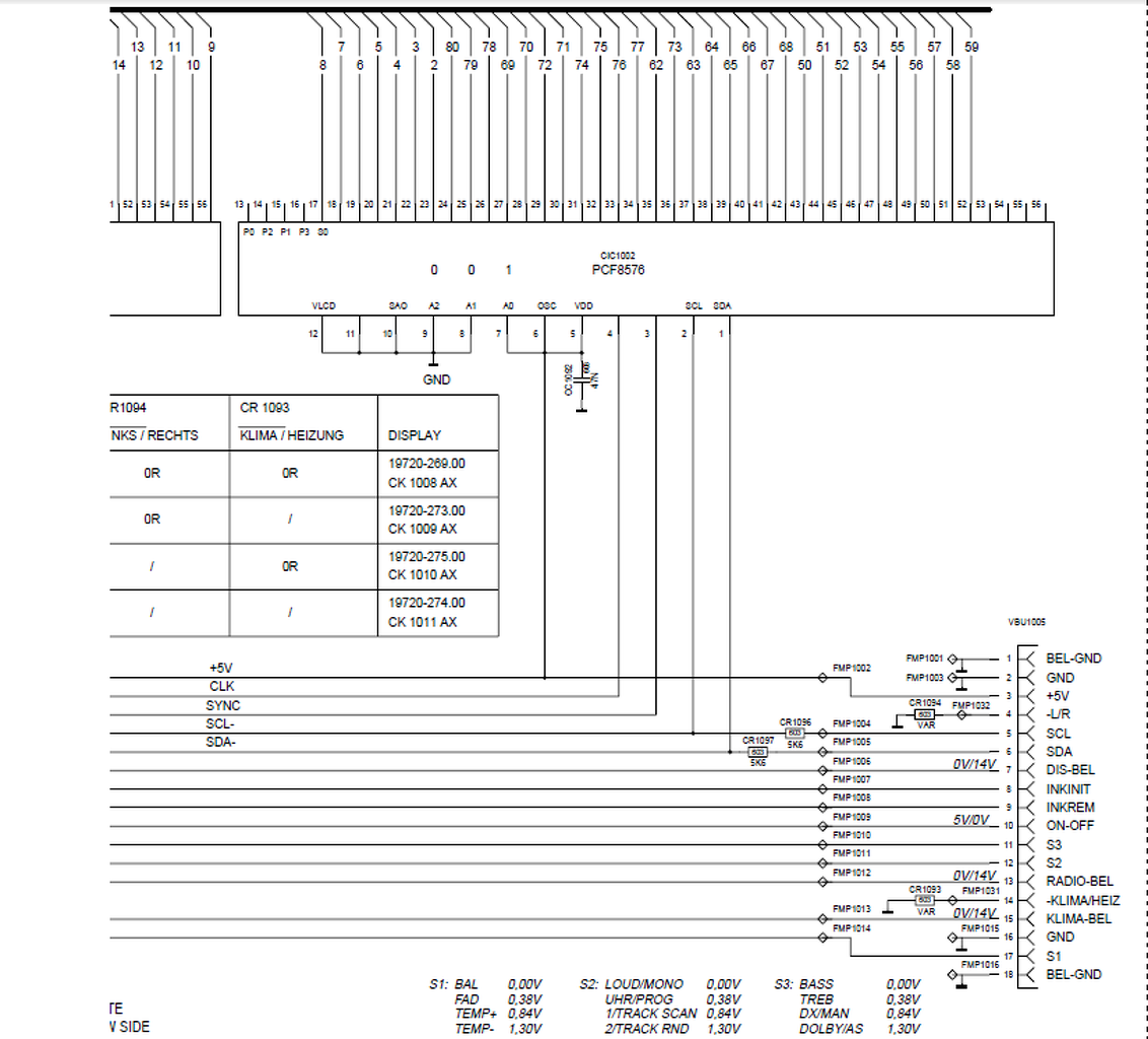
Adott egy 2000-es évjáratú seat cordoba, és nem teljesen mutat mindent a kijelzője. Az lcd-ből begyantázott lábak lógnak a panelba, ezért gondolom maga az lcd nem lehet rossz. De lehet hogy tévedek. Valamint ezen a lapon van 2 db univerzális lcd vezérlő ic: PCF8576C típusú. Kérdésem hogy lehet-e az ic hibás, vagy az lcd? Továbbá hogy ki lehetne-e váltani a kijelzőt pontmátrix, vagy esetleg színes lcd-re (az még volna is egy videokamerából). Nem kell plusz infó a kijelzőre, elég az amit gyárilag mutat(na). Köszönöm a válaszokat.
Szerintem bontoban keress egyet, PROBALD bele, ha jo, csak akkor vedd meg. De szerintem a hiba nem itt keresendo, szerintem az info valoszinuleg el sem jut a kijelzovezerloig.
Masik LCD, foleg szines, nem hasznalhato. Az az autosziluett akkor is ott van, ha kikapcsolod, ugye?
Üdv!
Bontóba elkérnek 20-25 ezret érte. Nincsen sziluett egyáltalán. Ez a kép egy hasonló, de az fedélzeti computeres, ez meg csak a rádió, klíma kijelző. Miért nem jó színes lcd? Pl. egy rossz gps-ből.
De lehet hogy csak én nem látom azt a sziluettet. Majd megnézem jobban.
Mert nem azonos a vezerlese. Szerintem ez egy cel-LCD, ami CSAK ide gyartottak. ELVILEG persze be lehetne faragni a helyere mast egy sajat vezerlovel, de ahhoz minimum plusz egy mikrovezerlo kellene.
Ha ki tudod venni, akkor forditsd a nap fele, probalj rajta abrakat keresni, szerintem a sziluett is koztuk lesz, meg a kulonbozo ON, OFF feliratok, az also resz, szegmensei, stb. Tehat ez SZERINTEM nem egy sima grafikus pontmatrix kijelzo. Erre utal pl. az OFF felirat feltunoen szep rajzolata. De mondom, szerintem nem ott van a hiba, ezert kellene valahogyan kolcsonbe szerened egy masik, biztosan jot, csak atdugod es megnezed,hogy hol a bibi.
Sziasztok olyan kérdésem lenne hogy adott egy Opel Astra f 2001 es és kezd meghalni benne az órát, dátumot, hőfokot kijelző óra ezzel lehetne valamit csinálni mert már fele nem világít de halványan mutatja az időt( csak nehezen lehet látni)
Ugyanolyan a kijelző, mint amit mellékeltem. Én nem is mondtam hogy pontmátrix a kijelző, csak kérdeztem hogy ki lehet-e cserélni akár pontmátrixra is? Végül is ha magkapja az adatot az az ic ami a panelon van, akkor akár működhetne is más tipusú lcd-vel is nem?
Üdv!
1999-es G Astrához szeretnék fogyasztásmérőt. Megoldható-e, hogy pl a dátum helyén kijelezze a pillanatnyi vagy az átlag fogyasztást? Hobbista megoldás érdekelne első sorban, de más megoldást sem utasítok el.
Sziasztok!
Adott egy Opel Astra G 2001-es autó. Érdeklődnék, hogy a középkonzol kijelzőjét hogyan lehet kicserélni egy 4x20-as HD44780-as LCD kijelzőre? Persze úgy h. az eddigi funkciók meg maradjanak. (idő, datum, hőméréklet, FM csatorna stb.) A válaszokat előre is köszönöm!
Üdv Mindenkinek!
Fentebb írtam már a Seatos kijelző problémájáról. Most újabb ötletem támadt amit a Ti segítségetekkel szeretnék megvalósítani. Az autóba nem egyszerű gyári kijelzőt szerezni, főleg nem olcsón. Cseréltem már lcd meghajtókat, de a jelenség megmaradt, tehát biztosan a kijelző a rossz. Megtaláltam a kapcsolási rajzát a rádiónak. A két lcd vezérlő tulajdonképpen csak SCL, SDA, CLOCK, és SYNC jelet kap valamint az 5 v feszültséget. Ezekből a jelekből ki lehet-e nyerni azokat az infókat amire szükségem van, és ezzel esetleg egy másik kijelzőt meghajtani? De az is elfogadható lenne, ha mondjuk ledeket hajtana meg. Pl. klíma bekapcsolva, ventillátor bekapcsolva és sebességfokozatának kijelzése, kűlső levegő zárva-nyitva stb. Legjobb lenne ha külső hömérsékletet, órát, vagy az RDS infót is láthatnám, de gondolom az bonyolulabb. Az előbb említett funkcióknak elég lenne egy ledes világít-nem világít visszajelzés. Erre a projektre várom becses ötleteiteket.
Renault Scenic 2 kijelzőjét be lehet indítani alapba emulátor nélkül valahogy?
Ilyennel még nem foglalkoztam. Erről lenne szó: Bővebben: Link , Bővebben: Link Ha csak a 12V-ot és a GND-t kötöm be nem csinál semmit. Van egy működő darabom, meg egy rossz, a kettőből kéne csinálni egy jót, pontosabban az egyik MPH-s, a másik km/h-s. A km/h-s a rossz, az MPH-s a jó(donor). Egyik havernak kéne, különben nem veszi meg a kocsit. Előre is köszi a válaszokat! A hozzászólás módosítva: Okt 19, 2015
Szia!
Nem tudom, hogy ezalatt a hónap alatt találtál-e megoldást, de ötletet azért adok Mivel mindened megvan a kommunikáció megfejtéséhez, mi lenne, ha MITD (Man In The Middle) támadásba lendülnél és rákötnél egy logikai analizátort a kérdéses vonalakra? A Saleae féle Logic Analyzer elég olcsó kütyü és szerintem képes lennél vele megfejteni a két kütyü (vezérlő és kijelző) közti beszélgetést megérteni.Miután ez sikerült, valami PIC-et felprogramozni rá, hogy megértse, már megoldható feladatnak tűnik, arra meg jóformán olyan kijelzőt raksz, amit csak meg bírsz vele hajtani...
Sziasztok!
Segítséget szeretnék kérni. Munkahelyemen a műtrágyaszórót egy Rauch Quantron-M kezelőterminál vezérli és a kijelzőjének bal fele sötétebben vagy halványabban jelenik meg, mikor milyen "kedve" van. Ilyenkor szinte teljesen kiolvashatatlan a bal oldal. A kontraszt beállításokat szoktam változtatni, hogy valamennyire olvasható legyen. 1-2 éve kezdte el ezt akkor még csak pár percig csinálta, majd fokozatosan egyre több ideig. Amikor megnyomtam egy gombot rajta akkor általában helyreállt a kontraszt, de mostanában már nem javul meg. A kérdésem az lenne mi okozhatja ezt? (kijelző haldoklik, érintkezés vagy szoftveres hiba) Az alábbi képet a neten kerestem, de hétfőn lefényképezem.
Szia
Nekem 2 soros szabvány lcd-nél volt olyan, hogy fokozatosan elvesztette a kontrasztját és a végén tök halvány volt. A vezérlő panelje és a folyadékkristály üvege között van egy gumiszerű átvivő fíber és annak a panel közötti kontakthibája eredményezte. Szétszedtem, átcsiszoltam 2k-s csiszolópapírral a panel fóliáját és jó lett. Szerintem a GLCD-nél is hasonló lehet. üdv |
Bejelentkezés
Hirdetés |




de ez az lcd-s eszköz akkor is jo lenne a vas-ba












